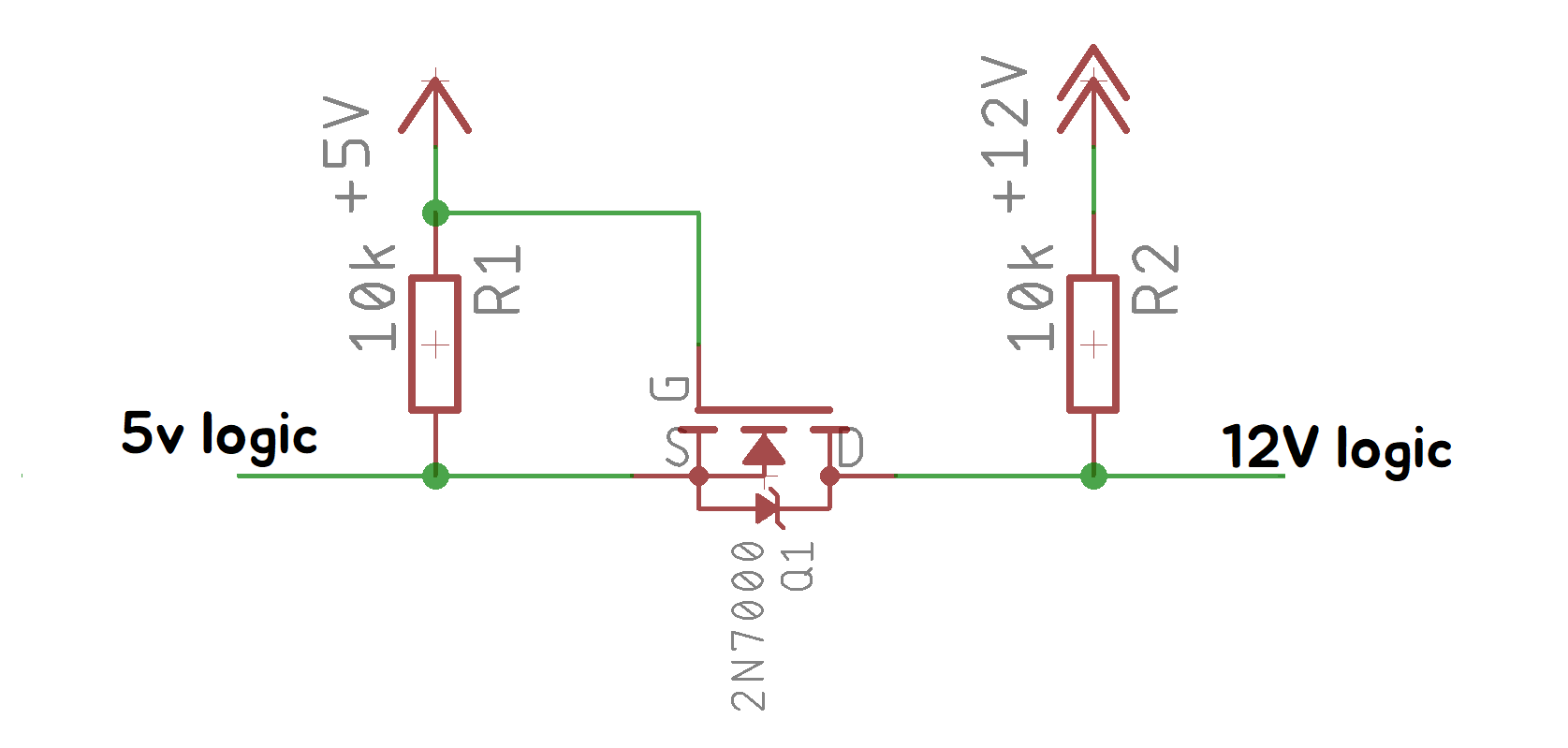
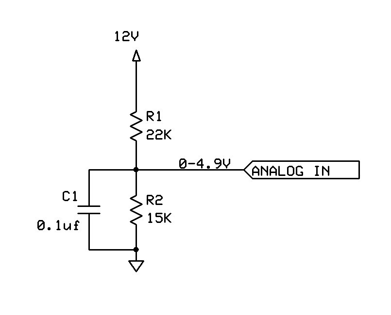
Hallo, ich möchte an meinem Arduino Mega 2560 am Eingang einen induktiven Näherungsschalter und einen Druckwächter, die beide mit 12 V betrieben werden, anschließen. Es ist mir klar dass das nicht geht, weil der Arduino nur 5V zulässt. Hätte für mich jemand einen Lösungsvorschlag? Danke im vorraus :) Bin neu hier
Sebastian E. schrieb: > Hätte für mich jemand einen Lösungsvorschlag? Ich schlage vor du spezifizierst erst mal genau was du verwenden willst. Unsere Hellseherei reicht nämlich nicht so weit. Sebastian E. schrieb: > Bin neu hier Dann lerne mal dich hier sauber zu erklären damit wir dir nicht die Popel einzeln aus der Nase ziehen müssen. Siehe auch https://www.mikrocontroller.net/articles/Netiquette
Zurecht Rücker schrieb: > damit wir dir > nicht die Popel einzeln aus der Nase ziehen müssen. Vielen Dank für deinen konstruktiven Beitrag!
Sebastian E. schrieb: > Bin neu hier Dann bleib doch auch dort, wo Du angefangen hast: Beitrag "Arduino Mega 12V und 24V"
Mick schrieb: > Vielen Dank für deinen konstruktiven Beitrag! Offensichtlich willst du mit null Ahnung etwas machen was nicht deine Kragenweite ist. Siehe auch Beitrag "Arduino Mega 2560 Meldeleuchte anschließen?"
Zurecht Rücker schrieb: > Offensichtlich willst du mit null Ahnung etwas machen > was nicht deine Kragenweite ist. Tut mir leid wollte nur nachfragen, weil ich in diesem Bereich wirklich noch nicht drin bin. Tut mir leid dass ich eure hilfe benötigt habe..
Sebastian E. schrieb: > Tut mir leid dass ich eure hilfe benötigt habe.. Wenn man Hilfe braucht muss man erst mal erklären welche. Zurecht Rücker schrieb: > Siehe auch > > https://www.mikrocontroller.net/articles/Netiquette
Sebastian E. schrieb: > Zurecht Rücker schrieb: >> Offensichtlich willst du mit null Ahnung etwas machen >> was nicht deine Kragenweite ist. > > Tut mir leid wollte nur nachfragen, weil ich in diesem Bereich wirklich > noch nicht drin bin. > > Tut mir leid dass ich eure hilfe benötigt habe.. Kein Problem. Es kommen viele Leute hier ins Forum um hilfe zu erhalten. Vorher müssen Sie sich jedoch den Forenwächtern Stellen, die jede unschuldige Seele verjagen oder den Spass am basteln verderben indem Sie alles komplizierter machen als es unbedingt nötig ist.
Zurecht Rücker schrieb: > Dann lerne mal dich hier sauber zu erklären damit wir dir > nicht die Popel einzeln aus der Nase ziehen müssen. > > Siehe auch > > https://www.mikrocontroller.net/articles/Netiquette mhh. Über Popel habe ich da nichts gefunden. Allerdings über Kommis wie Beitrag "Re: Arduino Mega 2560 Eingang begrenzen?" , als Negativbeispiel. Zurecht Rücker schrieb: > Offensichtlich willst du mit null Ahnung etwas machen > was nicht deine Kragenweite ist. Soviel nur zum Thema: https://www.mikrocontroller.net/articles/Netiquette Sebastian E. schrieb: > Tut mir leid wollte nur nachfragen, weil ich in diesem Bereich wirklich > noch nicht drin bin. Das braucht dir nicht leid zu tun. Zurecht Rücker ist das, was er vorgibt zu sein, ein "Zurecht Rücker". Also die Online-Form von Alfred Tetzlaff. Alfred Tetzlaff Typen sollten die Klappe halten. Im Fernsehen ist das lustig, aber hier nicht.
Bitte melde dich an um einen Beitrag zu schreiben. Anmeldung ist kostenlos und dauert nur eine Minute.
Bestehender Account
Schon ein Account bei Google/GoogleMail? Keine Anmeldung erforderlich!
Mit Google-Account einloggen
Mit Google-Account einloggen
Noch kein Account? Hier anmelden.

