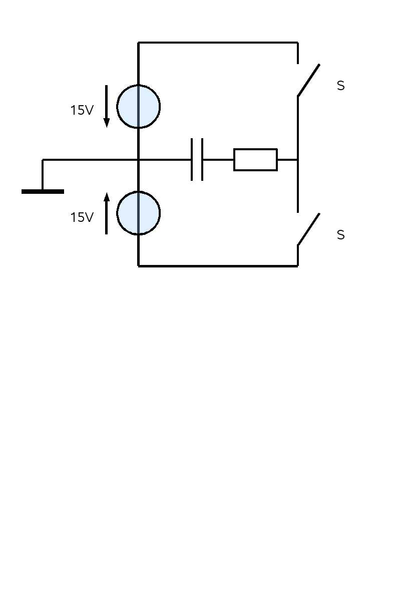
Kleine Frage, weil ich steh gerade im Wald. Ich möchte als Stellgröße +15V bis -15V ausgeben. Dazu habe ich mir gedacht, das ich von zwei symmetrischen Spannungsquellen, die bereits vorhanden sind, einen Kondensator umlade und per AD wieder zurückführe. Die Stellgröße soll dabei als Uc abgegriffen werden. Ich habe das bereits mit Bipolaren Transistoren versucht, da komme ich aber nicht weit genug in den negativen Bereich. PNP geht nicht, da nur +5V Signal zur Verfügung stehen. Als weiterer Gedanke kam mir ein Analogschalter. In meiner Ausgabe von Tietze/Schenk steht aber, das die nur bis ca. 7,5V brauchbar sind. Die anderen gibt es aber nicht bei Conrad oder Reichelt. Hat jemand eine Idee?
Willst du umschalten zwischen -15V und 15V oder willst du auch werte zwischen -15V und 15V haben? (so hätte ich DA Wandler interpretiert)?
man nehme einen DA-Wandler LTC1590 (leicht beschaffbar) und einen Wald&Wiesen-OP, beschalte den nach Datenblatt als 4-Quadrantenregler und schon ist das Problem gelöst. Jede Seite lässt mit 1/2048 auflösen. Bei mir läuft die Schaltung super in einer Industrieanwendung problemlos.
Bitte melde dich an um einen Beitrag zu schreiben. Anmeldung ist kostenlos und dauert nur eine Minute.
Bestehender Account
Schon ein Account bei Google/GoogleMail? Keine Anmeldung erforderlich!
Mit Google-Account einloggen
Mit Google-Account einloggen
Noch kein Account? Hier anmelden.
