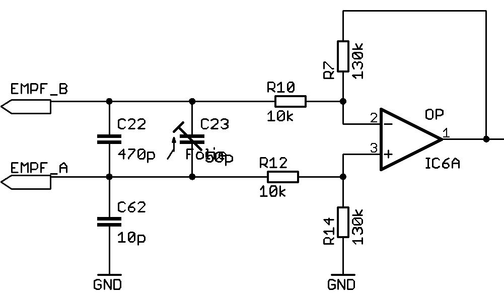
Hallo Zusammen, im Augenblick bin ich gerade dabei, die Schaltung von einem Schatzsuchgerät aufzunehmen. Im Anhang mal die Eingangsbeschaltung der Empfängerspule (bei den Kondensatorwerten bin ich mir nicht 100 % sicher). Die Schaltung verstehe ich soweit, lediglich die Funktion (und Auslegung) von Kondensator C62 ist mir schleierhaft. Kann mir da jemand von euch weiterhelfen?
Das wird wohl ein endstörkondensator sein. Evtl bildet er sogar über das Kabel einen Tiefpass
Da ist ein Differenzverstärker. Mit den Kondensatoren wird HF kurzgeschlossen und kommt nicht mehr an die OP-Eingänge. Somit wird nur noch die Differenz des DC-Anteils verstärkt.
Der Kondensator soll während des Powerup für Reset des OP's sorgen. Allerdings fehlt ein Pullup-Widerstand für die sichere Funktion. Bei AVRs beträgt er 4,7kOhm. Im Datenblatt wird der Wert für den OP stehen. Solche Kondensatoren stören mehr als dass sie helfen, aber mit nur 10pF ist bei Taktfrequenzen unter 100MHz kein wesentlicher negativer Effekt zu erwarten.
@TravelRec. Was bitte soll an einem OPV ein Reset? Ein OPV hat keinen internen Status, also gibt es auch keinen Reset.
Ein OP ist ein analoger Verstärker. Man kann damit zwar addieren, integrieren,.... http://www.elektronik-kompendium.de/sites/bau/0209092.htm aber in der Funktionsweise unterscheidet er sich himmelweit von einem µC.
Der C62 könnte zur Schwingungsunterdrückung des OPV bzw. der Gesamtschaltung dienen. Manche OPVs führen ein eigenartiges Eigenleben Bernhard
Der Kondensator C62 blockt eindeutig Wechselspannungsanteile auf Grund der Größe, würde ich einfach mal behaupten das er Netzbrummen usw. unterdrücken soll. Müsstest da mal die Grenzfrequenz fG ausrechnen. C22 blockt ebenfalls Wechselspannungsanteile allerdings höherfrequente und das auch noch einstellbar da ja ein Drehko C23 parallel geschaltet ist. Was mir ein bischen Schleierhaft vorkommt ist das im unteren Zweig die Wechselspannung fast komplett geblockt wird und im oberen Zweig ein gewisser Anteil Wechselspannung durchgelassen wird. Soll da eine Gleichspannung mit einer Wechselspannung verglichen werden?! Und wozu? Würde mich wirklich interessieren wozu das gut sein soll.
> Der Kondensator C62 blockt eindeutig Wechselspannungsanteile auf Grund > der Größe, würde ich einfach mal behaupten das er Netzbrummen usw. > unterdrücken soll. Das ist Schmarrn. Rechne dir mal aus wie gross der Ausgangwiderstand der vorangehenden Stufe sein müsste um 50Hz zu unterdrücken.
Soweit ich das so sehe, ist die Schaltung ein Differenzverstärker / Subtrahierer http://www.elektronik-kompendium.de/sites/slt/0210153.htm Die Ausgangsspannung ist gleich UempfA - UempfB
Also soweit ich weiß, funktioniert ein Metalldetektor nach folgendem Prinzip. Ein Schwingkreis erzeugt ein feste Frequenz. Wenn nun ein Metall in die Nähe der Spule kommt, wird dem magnetischen Wechselfeld der Spule Energie entzogen. Die Aufgabe des Differenzverstärkers könnte nun sein, diesen Abfall zu detektieren.
@Unbekannter Jupp hast recht. Sorry war einfach noch zu früh am Morgen :-)
@manni hmm klingt logisch, also müsste jetzt quasi hinter diese Schaltung noch ein Schwellwertschalter der ab einer Differenz von x zum Bleistift eine LED einschaltet, weil ansonsten würde das Dingen ja auf jede kleine Störung reagieren.
Nimmt man dazu nicht einen Tongenerator? Je höher der Metallgehalt vor der Spule, um so höher der Ton.
Zwischen EMPF_A und EMPF_B hängt die Empfängerspule des Suchgerätes, die zusammen mit C22 und C23 einen Schwingkreis bildet. Mit C23 wird der Schwingkreis auf Resonanz abgeglichen. Der OP arbeitet als Differenzverstärker. Mein Problem ist nur der komische Kondensator C62.
Auf welche Resonanz? Da wird nicht viel resonieren. Es ist ja Rückkopplung vorhanden. Ich kann mir höchtens vorstellen, dass eine zweite Spule aktiv gespeist eine bestimmte Frequenz abstrahlt und evtl. vorhandenes Metall die Mitkopplung und somit die Ausgangsspannung verstärkt. Der 10pF dient zur Störunterdrückung. Er entstört über den 470 pF auch den anderen Eingang.
Hallo, mit 10pF ist nicht viel zu entstören, es sei denn, der Kram arbeitet auf 50MHz oder höher. Dagegen spricht aber die Kreiskapazität von rund 500pF. Eine Rückkopplung finde ich auch nicht, der Widerstand liegt am invertierenden Eingang, er legt die Verstärkung fest. Ich vermute mal, der 10pf kompensiert die Unsymmetrie der Kapazitäten des Aufbaus und der Spule. Der ganze Kram ist ja sonst sehr symmetrisch aufgebaut. Gruß aus Berlin Michael
"der Widerstand liegt am invertierenden Eingang, er legt die Verstärkung fest." Beide Spannungsteiler bestimmen die Verstärkung, auch der am nichtinvertierenden Eingang. Es handelt sich um einen Differenzverstärker. "mit 10pF ist nicht viel zu entstören, es sei denn, der Kram arbeitet auf 50MHz oder höher." Der 10 pF legt die Eingänge HF-mässig auf Masse. Er leitet hochfrequente Störungen ab. Er soll ja nicht das Nutzsignal ableiten.
@DL4MCV: Du hast recht, die Empfängerspule wird durch eine Sendespule angeregt. Uber die Amplituden und/oder Pasenänderung (ganz genauu habe ich den Rest der Schaltung noch nicht analysiert) wird Metall in der Nähe der Spulenanordnung erkannt. Ich habe jetzt testweise mal C62 entfernt und mit einem Oszi die Signale am OP - Ausgang beobachtet --> Die Amplitude war ohne Kondensator deutlich geringer! An der Schwingkreisabstimmung hatte sich dabei nichts geändert. Das spricht doch dann eigentlich gegen die Entstörungswirkung.
Bitte melde dich an um einen Beitrag zu schreiben. Anmeldung ist kostenlos und dauert nur eine Minute.
Bestehender Account
Schon ein Account bei Google/GoogleMail? Keine Anmeldung erforderlich!
Mit Google-Account einloggen
Mit Google-Account einloggen
Noch kein Account? Hier anmelden.
