Gestern kam ein Päckchen aus China und leider war dieses einen
Fehllieferung: Bestellt war ein ST-Link V2 und geliefert wurde ein
sogenannter "STC Auto Programmer".
Also der Sache auf den Grund gegangen was das denn wirklich ist (weil
ich niemals einen STC programmiert habe).
Auf der Platine sind ein 16 pol. und ein 8 pol. IC sowie ein 3,3V
Spannungsregler. Die Bezeichnungen sind abgeschliffen !!!
LSUSB gibt das Teil als einen CH340 Chip aus (das ist der massenhaft
verbaute Chip auf den Arduino Clones). Hatte ich sowieso vermutet.
Ein Nachmessen des Chips ergibt, dass die am Gehäuse des Sticks als TCK
und RST beschrifteten Anschlüsse, die Pins RTS und DTR einer seriellen
Schnittstelle sind (was ein grosser Vorteil gegenüber den
"Standardkonvertern" mit CH340 Chip ist). RxD und TxD sind über
Serienwiderstände an die Pins angeschlossen.
Hierbei fällt mir dann sofort ein, dass der Reset eines Arduino über die
DTR Leitung einer RS232 ausgelöst wird. Also habe ich ausprobiert, ob
über diesen Stick ein ATmega mit bereits enthaltenem Bootloader
beschrieben werden kann.
Man kann !!
Mit diesem Stick ist es also möglich, auf einem Steckbrett einen ATmega
als Arduino (Uno) zu betreiben. Serielle Kommunikation ist
(logischerweise) ebenfalls möglich.
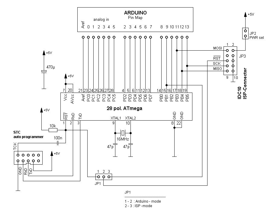
Verdrahtung siehe Schaltplan.
Vielleicht hilft es ein paar Arduino Einsteigern, die ihre
elektronischen Versuche auf einem Steckbrett aufbauen / entwickeln
möchten und in der fertigen Schaltung KEIN Arduino UNO oder NANO
verwenden wollen.
Sorry für das ausgraben dieses Threads, mir wurden damals auch 10 STC Programmer anstatt der St_links geschickt. Der 2. Chip auf dem PCB scheint ein Padauk chip zu sein, dieser wird dazu genutzt um die Betriebspannung über einen Transistor zu trennen um das angeschlossene Board neu zu starten. Nach dem Mitschneiden der Kommunikation des STCisp.exe flashers konnte ich das Kommando dafür auslesen. Wenn man ca. 1 Sekunde lang immer wieder 0x7F ascii an die Serielle Schnittstelle senden also Backspace gedrückt halten zb. in Putty kann man die Versorgungsspannung für ca. 1 Sekunde unterbrechen. Es werden die 3.3V und der 5V pin spannungslos. Es funktioniert von Baudrate 2400 - 9600 höher leider nicht. Anbei ein Schaltplan von dem Teil. Es kann der "Padauk" chip auch einfach entfernt werden dann hat man keine Komischen verhalten.
Bitte melde dich an um einen Beitrag zu schreiben. Anmeldung ist kostenlos und dauert nur eine Minute.
Bestehender Account
Schon ein Account bei Google/GoogleMail? Keine Anmeldung erforderlich!
Mit Google-Account einloggen
Mit Google-Account einloggen
Noch kein Account? Hier anmelden.


