Hallo, auf dem Bild eine Skizze zur Strombegrenzung einer dicken LED einstellbar bis rund 320mA. Frage: Ist das so OK oder sollte T2 nen Basisvorwiderstand bekommen oder neigt es dann zum schwingen? Da ein paar Kanäle davon gebaut werden sollen, würde ich den Aufwand gern gering halten. Danke!
Hallo micha ob der T2 nen Vorwiderstand braucht, hängt auch davon ab, wieviel Basisstromn er verkraftet. Wennste dafür einen Klein-Leistungstransistor ala BD438 nimmst, dann nicht. ich hab mit so ner Schaltung schon einen BC547 geschlachtet. Gerhard
Yepp, T2 sollte ein BC547 werden, T1 ein BD241. Also z.B. nen 470R vor die T2-Basis einfügen? Dann müßte aber der 2,2Ohm Widerstand geringfügig reduziert werden, da über den zusätzlichen Basiswiderstand auch eine Spannung abfällt?
Hab ich da nen Denkfehler, oder ist der Strom für die LED nicht eh durch das Poti begrenzt. Bei 150 - 200 Ohm fließen doch keine 300 mA mehr und die 2,2 Ohm machen auch keinen Unterschied mehr. Werner
Der Strom soll einstellbar sein, der 2,2 Ohm Widerstand soll das Maximum begrenzen. Was Deinen NICHT vorhandenen Denkfehler angeht - die 150..200 Ohm kennzeichnen nicht den Einstellbereich, sondern das Poti, welches mit dem konkreten Wert erst noch aus dem Katalog rausgesucht werden muß;-)
Potis für 300mA sind rar und dick! Bei 1V rauchen die normalen dann schon ab. Arno
Wenn doch schon ein Transistor da ist, dann regel doch den Basisstrom mit dem Poti und den 2,2 läßt du als "Strombegrenzung" drin. Basisstrom * Verstärkung = Laststrom
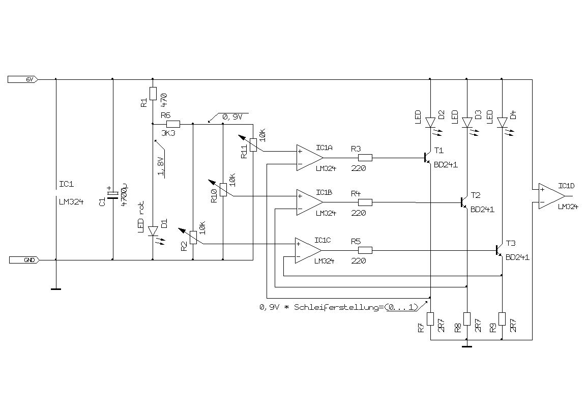
Danke soweit! @Werner wie regelt (also nicht steuert wegen h_fe-Streuung u. Temperatureinfluß!) man den Basistrom und damit den Kollektorstrom in diesem Beispiel? Mir fällt keine Lösung ein, die Verlustleistung am Poti sparen könnte. Vielleicht doch am besten mit OP aufbauen, Pic anbei.
Nur als Anmerkung - ohne zur Lösung beizutragen: Diese Art, den unbenutzen IC1D stillzulegen ist nicht optimal, da er kräftig übersteuert wird. Besser ist + Eingang an GND und - Eingang mit Ausgang verbinden.
Wie wärs denn mit einem Darlington, fester Widerstand von Emitter nach Masse und einer variablen Spannung über Poti, die du der Basis aufprägst. Diese Spannung definiert gleichzeitig den Spannungsabfall am Emitterwiderstand, der wiederum den Strom definiert. Du brauchst für das Poti nur eine halbwegs konstante Spannung.
Die einfachste Strombegrenzung geht mit einem Spannungsregler LM317. Widerstand zwischen Ausgang und Verbraucher, Rückführung auf den "Adj" Pin des Spannungsreglers. Siehe http://www.elektronik-kompendium.de/public/schaerer/ureg3pin.htm R ergibt sich bei 320 mA zu 3R9 ; ist sogar ein E12 Wert. Mit'n Poti ... naja ... Festwiderstand ist besser; Poti 1 Watt ist teuer. Besser zwei oder mehr Festwiderstände über Schalter oder Steck-/Lötbrücken kombinieren.
LM317 Strombegrenzung kannst du auch Online berechnen lassen: http://www.roboternetz.de/phpBB2/konstantstrom.php
die idee mit dem lm317 ist echt klasse!!!! wenn ich das eher gewusst hätte. danke.
Mit dem LM317 hast Du aber auch doppelt so viel Spannungsabfall über dem R (das fehlt dann für die LED) und doppelte Verlustleistung am R. Sven
Bitte melde dich an um einen Beitrag zu schreiben. Anmeldung ist kostenlos und dauert nur eine Minute.
Bestehender Account
Schon ein Account bei Google/GoogleMail? Keine Anmeldung erforderlich!
Mit Google-Account einloggen
Mit Google-Account einloggen
Noch kein Account? Hier anmelden.

