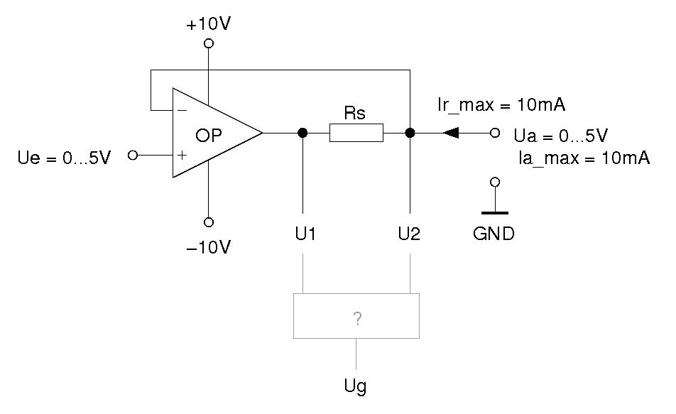
Hi, im Anhang habe ich mal mein Problem dargestellt. Zur Funktion und dem Problem: Am Eingang des OP's kommen 0...5V Gleichspannung an, am OP-Ausgang auch wieder raus. Da die Gegenkopplung hinter dem Shunt liegt, verfaelscht der Shunt nicht die Ausgangsspannung. Jetzt koennte es zu einem Fehlerfall kommen. Dieser Fehler ist der, dass bei eingestellter Spannung von aussen eine hoehere Spannung am Ausgang beaufschlagt wird (bis 30V ca.). Wenn der rueckwaerts reinfliessende Strom 10mA uebersteigt (eigentlich muesste es -10mA heissen), soll durch den am Shunt abfallende Spannung U1/U2 auf einen Komparator/Schmitt-Trigger gegeben werden, der dann den Ausgang auf Fehlerfall setzt. Bis hier kein Problem, aber jetzt: sinkt der Rueckwaertsstrom unterhalb von z. B. 2mA (-2mA in Normalrichtung -> U2 immernoch etwas groesser als U1), so soll der Komparator/Schmitt-Trigger wieder auf Normalzustand zurueckschalten. Die zur Verfuegung stehnden Spannungen sind +10V, GND, -10V. Was kann man da tun? - Hegy
Da braucht man erstmal einen Differenzverstärker um die Gleichtaktspannung wegzukriegen und danach einen Komparator mit entsprechend dimensionierter Hysterese.
Bei 30V dürfte auch schon der - Eingang des OP schlappmachen, besser einen Widerstand zur Strombegrenzung in die Gegenkopplung einfügen. Auch der Ausgang des OP wird sich über 30V nicht gerade freuen oder soll der 'shunt' so dimensioniert werden dass er auch gleichzeitig eine Strombegrenzung bewirkt? Bitte noch ein paar mehr Angaben, dann ist die Hilfe einfacher z.B. wieviel Strom muss die Schaltung im Normalbetrieb liefern können?
Und ich dachte mir folgendes: Am Shunt faellt eine Spannung ab, die in Normalbetrieb an U1 positiver ist als an U2. Wenn dies beide Spannungen auf einen OP gebracht werden, U1 an Minus und U2 an Plus-Eingang und der OP als Schmitt-Trigger (ST) geschaltet ist (Widerstand vom Ausgang an +-Eingang), so erhalte ich am Ausgang des ST den Low-Pegel nahe -Ub (-9,4V). Im Fehlerfall wird durch Rueckeinspeisung U2 positiver als U1 und am +=Eingang ist die Spannung postiver als am Minus-Einagng, damit kippt der ST am Ausgang auf High (+9,4V). Wenn der Fehlerfall weg ist, muss der ST wieder zurueckkippen, aber das macht er nur, wenn die Spannung an U1 wieder postiver ist als an U2 (zzgl. Hysterese), was widerum vorraussetzt, dass ueber den Shunt ein Strom fliesst. Das muss aber nicht der Fall sein (I=0), dennoch soll der ST zurueckkippen. Also vom Ausgang, der ja auf +9,4V liegt, die Spannung ueber Diode an den invertierenede (Minus-Eingang) legen, damit dieser sofort oder per RC-Glied verzoegert, wieder zurueckkippt. Solange der Fehlerfall vorliegt, kippt die Mimik hin und her, was nicht weiter tragis ist, da eine Nachfolgende Sufe nur einmalig auf die steigende Flanke reagiert (nicht im Schaltplan reingemalt). Wichtig ist nur zu erkenn, dass an U2 die Spannung groesser wird als an U1 und das der ST wieder von selbst zurueckkippt (Monoflop). Ich mal mal eben schnell, was ich meine..... Im Anhang.
Ok, also hier mal ein paar Angaben (wenn ich einen Simulator haette, ich wuerds tun....) Ausgangsstrom (OP Dauerkurzschlussfest): 10 mA min. Rueckwaertsstrom max. bis Sicherheitsabschaltung ausloest: -10mA Ausgangsspannung: 0...5V beaufschlagte max. Ausgangsspannung (Fehlerfall): 30V min. wenn moeglich bis 50V derzeit verwendeter OP: LM1013 (Ub bis max. 44V), diff. Input Voltage +- 22V Der Shunt muss nicht unbedingt als Strombegrenzer herhalten, vielmehr ist es so, das der Ausgang per MOSFET abgeschaltet (spannungsfest bis 300V). Wenn also 30 Volt am Ausgang drauf sind, wird innerhalb von 20us bis 200us der Ausgang aufgetrennt (abgeschaltet). Der Shutzwiderstand mit Z-Diode, 3k3 und 7,5V, vor dem inv. Eingang des OP (Spannungsfolger) sind nicht eingezeichnet, sind aber drin. Gibt es einen Simulator dafuer (fuer Nuesse, fuer "mal eben schnell")??
Bitte melde dich an um einen Beitrag zu schreiben. Anmeldung ist kostenlos und dauert nur eine Minute.
Bestehender Account
Schon ein Account bei Google/GoogleMail? Keine Anmeldung erforderlich!
Mit Google-Account einloggen
Mit Google-Account einloggen
Noch kein Account? Hier anmelden.

