Hi, ich suche nach einem IC welches eine bestimmte Spannung erkennt und diese Erkenntnis in einen Logik Pegel verwandelt. Das ganze sollte möglichst verlustfrei sein. Ich hab vor mein Controller-Board per Solarzellen zu betreiben. Die Logik sollte einen Ladezustand des Akkus erkennen und bei niedrig-licht Bedingungen nicht mehr brauchen als die Zelle liefert :). Beim Suchen im Netz bin ich auf einen 1381(a-t) gestossen, die scheints aber niergends zu geben. hat jemand eine bessere Idee samt Bezugsquelle? Danke für die Hilfe! -michel
wie waere es mit einem beliebigen opamp? such dir einen typ mit kleinem stromverbrauch und passender betriebsspannung aus... konkretes beispiel hab ich leider grad keins im kopf. http://www.mikrocontroller.net/articles/Operationsverstärker-Grundschaltungen#Der_Komparator
ps, falls das unklar ist: anstatt gnd kommt einfach deine referenzspannung an einen der beiden eingaenge
ich sehe der beitrag ist schon etwas älter,stehe aber vor nen ehnlichen problem, die lösung mit dem opamp finde ich klasse da man meistens immer einen in der kiste hat aber die lösung ist mir nicht ganz klar, weiss wirklich nicht wie ich den anschliessen soll...
Was ist denn daran unklar? Einfach als Komperator verbauen (sofern es
immer noch um das Erkennen des Akkuzustandes geht), z.B. so:
+-----+
| |\ |
Accu--+--|-\|
| \_____ out
| /
Ref------|+/
|/
Accu < Ref => out = high
Accu >= Ref => out = low
Jörg, wenn ich mich recht entsinne ging es darum, eine Mindestspannung des Accus zu erkennen. Wie machst du das mit dem TL431, der doch nur eine (einstellbare) Spannungsreferenz ist? Wäre schön wenn du erklären würdest, wie du es mit dem TL431 realisieren würdest statt nur TL431 zu schreiben.
@Michael soweit wusste ich auch nur woher die ref. spannung? es handelt sich um die "miller solar engine" in dem der 1381 vorkommt und der referenziert intern zwischen zwei opamps so zu sagen, daher weiss ich nicht so wirklich woher ich die externe ref. nemmen soll... gruss miro
Hier könnte man vielleicht auf Jörgs Vorschlag zurückgreifen. Die Akku-Spannung könnte man mittels Ladungspumpe ein wenig aufpuschen und dann einem TL431 oder ähnlichem (LM317 oder Z-Diode und Co gingen sicher auch) als Versorgung zuführen. Somit könnte man dann recht simpel die Referenz herstellen. Leistung muss die ja nicht können.
@Michael denke dran, dass da ne solar zelle dran sein soll die nicht besonders gross ist und zu viele bauteile verbrauchen zu viel spannung, somit wird die ganze schaltung irgendwann instabill...
Michael schrieb: > Jörg, wenn ich mich recht entsinne ging es darum, eine Mindestspannung > des Accus zu erkennen. Wie machst du das mit dem TL431, der doch nur > eine (einstellbare) Spannungsreferenz ist? Der TL431 ist das Schweizer Taschenmesser des Elektronikers, der kann noch vieeeeel mehr ;) Wenn du einen Spannungsteiler an den Ref-Anschluss anschliesst, so schaltet der TL431 durch (Anode-Kathode niederohmig) wenn 2,5V am Ref-Anschluss erreicht worden sind. Anderenfalls ist die Anode-Kathode Strecke hochohmig (Vereinfacht gesprochen).
Wieweit runter geht der Anschluss dann? Immerhin kappt sich der TL431 damit die eigene Versorgung. Das TI Datasheet gibt dazu nichts her. Wie gross darf die Spannung am Ref-Pin gegenüber der Kathode werden?
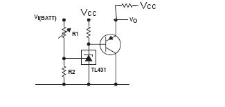
>Wieweit runter geht der Anschluss dann? Auf Null jedenfalls nicht. Von daher würde ich da noch was Transistorartiges zwischenklemmen :) Im Anhang mal ein Gedanke.... Ansonsten könnte man es auch mit der 1,5V Variante des TL431 probieren. Der geht von Haus aus schon weiter runter. >Wie gross darf die Spannung am Ref-Pin gegenüber der Kathode werden? So wie es ausschaut gibt es nur begrenzungen beim Strom.
Mit dieser Schaltung wird's doch noch schlimmer als ohne Transistor, denn hier ist noch Ube mit drin. Bei 5V-CMOS mag das ja noch funktionieren, aber bei 3V-CMOS oder TTL hätte ich grosse Bedenken ob der low-Pegel noch passt.
Dem internen Blockdiagramm ist der TL431 nichts anderes als ich oben schon geschrieben hab nur das hinten am OP noch ein Transistor hängt. Die Referenzspannung ist fest bei 2,5V. Wenn das dem TE ausreicht wäre es eine Idee, wenn er aber feststellen will ob die Spannung z.B. unter 2V fällt muss man auch mit dem TL431 wieder tricksen.
Jörg S. schrieb: >>Wieweit runter geht der Anschluss dann? > Auf Null jedenfalls nicht. Ich sehe grad im TI Datasheet, dass der low-Pegel eines 2,5V TL431 bei 2V liegt. Das ist schon bei 5V-CMOS ziemlich grenzwertig. Und mit Ube oben drauf unbrauchbar.
der TL431 soll sich in dieser anwendung ja die eine versorgungsspannung klauen. damit sinkt die spannung an seinem ref-pin ebenfalls und die A-K strecke wird wieder hochohmiger. ist nichts weiter als eine recht genaue einstellbare Z-diode. siehe auch parallelregler.
Ben _ schrieb: > der TL431 soll sich in dieser anwendung ja die eine versorgungsspannung > klauen. Klar, wenn der bestimmungsgemäss als Referenz verwendet werden soll. In diesem Kontext (Jörg, 10:48) geht es aber um die Verwendung als Spannungs-Komparator mit quasi-Logikausgang, wo die Kathode nicht auf Ref zurückwirkt.
A. K. schrieb: > Mit dieser Schaltung wird's doch noch schlimmer als ohne Transistor, > denn hier ist noch Ube mit drin. Bei 5V-CMOS mag das ja noch > funktionieren, aber bei 3V-CMOS oder TTL hätte ich grosse Bedenken ob > der low-Pegel noch passt. Ja, ich sehe was du meinst. Vielleicht geht's so besser. Zur Not noch ein Transistor/MOSFET zur Invertierung dahinter.
Das soll nur ein Schema und keine fertige Schaltung sein. Du darfst also gerne noch ein paar Widerstände einfügen :)
so wie es aussieht gibt es keine einfache lösung für,es muss doch wenigstens ein ehnliches bauteil geben für den 1381,wäre auch etwas unlogisch ein bauteil von markt zu nemmen wo er doch so oft gebraucht wird...
Bitte melde dich an um einen Beitrag zu schreiben. Anmeldung ist kostenlos und dauert nur eine Minute.
Bestehender Account
Schon ein Account bei Google/GoogleMail? Keine Anmeldung erforderlich!
Mit Google-Account einloggen
Mit Google-Account einloggen
Noch kein Account? Hier anmelden.


