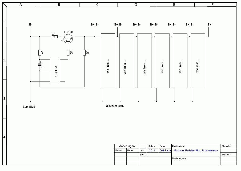
Hallo, in einem anderen Thread hatte ich kurz zum Alurexakku (besser den beiden) geschrieben. Um diesen Thread nicht zuzumüllen hier ein neuer. Ich habe inzwischen beide zerlegt und in den besseren eine Zelle vom fast toten eingebaut. Der eine hatte noch je Zelle einen Balancerzweig, doch bei unter 50mA Bleedingstrom ist dieser eher ein Alibi. Der andere hatte noch nichtmal diesen Balancer. Beide haben ein BMS verbaut, welches auch gut funktioniert (einen aber fast in den Wahnsinn treibt) Bei dem, den ich aufgeziegelt habe, habe ich einen extra Balanceranschluss nach Außen gelegt, welcher an der gewählten Position durch den Akkutragegriff halbwegs geschützt wird. Die Zellen vom fast toten Akku waren schon extrem aufgebläht, zwei hatten noch gut Spannung und waren noch halbwegs dünn. Eine Zelle hat am Ventil schon sichtbar geblasen... Im anderen Akku waren alle Zellen leicht gebläht und eine weit unter 2V, also habe ich diese umgebaut. Das die Zellen etwas blähen scheint normal, der Hersteller hatte extra je Pack (ein 3er, ein 4er) massive Stahlbänder herumgelegt/geschweißt. (das Metallzeugs im ersten Foto) Der aufgeziegelte hält schon seit Monaten gut Saft und Kapazität, Operation erfolgreich (leider keine Fotos vom Umbau) Old-Papa PS: der Transistor im Schaltplan ist sicher ein FET also das falsche Symbol. (alte Zeichnung ;-))
Bitte melde dich an um einen Beitrag zu schreiben. Anmeldung ist kostenlos und dauert nur eine Minute.
Bestehender Account
Schon ein Account bei Google/GoogleMail? Keine Anmeldung erforderlich!
Mit Google-Account einloggen
Mit Google-Account einloggen
Noch kein Account? Hier anmelden.








