Hallo Ich habe mir ein paar Platinen geätzt (stepperschaltung Mit IRL9z14 und pic 12c508a oder pic 12c509) Vom Programmieren hab ich keine Ahnung. Nach etlichen versuchen mit selbst bau brennern und verschiedener Software,hab ich aufgegeben.Daher suche ich nun jemand,der mir 5-6 von diesen Pic´s brennen kann. MfG Nicola Wunderlich
Wie würde ich zu den PICs kommen? Und warum nimmst du nicht die F-Typen?Die Sind ja nur 1mal beschreibbar!
Die Sind ja nur 1malbeschreibbar!... nein, mit uvlicht kann man die löschen und einigemale wiederbeschreiben.
Achso... dürften wohl aus einer Zeit die vor mir gewesen ist sein. Naja. Galep 4 sollte diese Dinger wohl normal schaffen. Jedoch habe ich kein UV-Löschgerät. Würde es mit einem Platinenbelichtungsgerät auch gehen?
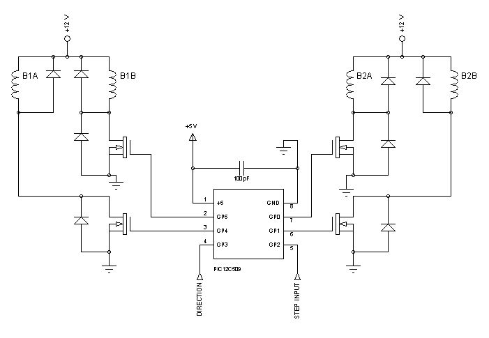
hallo schoaschi vielen Dank erstmal für die schnelle Antwort zu1: kann ich Dir schicken zu 2: Pics brauchen nur 1mal beschreibbar zu sein,weil sie danach in der schaltung verschwinden und niemehr ein Hahn danach kräht(wenn sie denn funzen) Ich hab die Schaltung so übernommen von ner Fr.Website und will damit verhindern,daß mir ständig,die ucn5804 abrauchen,es gibt nähmlich keine mehr(Motoren haben 0,8-Ohm und ziehen ordentlich strom.L298 müsst ich kaufen und was die kosten,weist du wahrscheinlich selbst Fet´s hab ich halt noch jede Menge Naja und weil ich die Platinen schonmal geätzt und bestückt habe will ich es auch irgenwie fertigstellen Gruß Nicola
Naja. Ich kanns ja mal probieren, wenn es dir nicht zu umständlich ist ein Kuver nach Österreich zu schicken und darauf zu warten, bis es wieder da ist :-)
Hmm..Hmm.. das is ja net grad um die Eck Ich denke vieleicht meldet sich noch jemand hier in der nähe sonst komme ich nochmal auf Dich zurück.Naja und mit kuvert wer weis nacher kommen die noch als Smd´s zurück ;-) Übrigens hab ich eben ein LCD display gefunden 240x64 mit T6963c und Beleuchtung. Ich denke das werd ich mal zum Tausch anbieten. Microcontrollerfritzen ham vieleicht an sowas interesse,ich kanns jedenfalls net gebrauchen trotzdem erstmal Danke Gruß Nicola
Bitte gerne. Falls ich sie doch brennen soll, dann einfach hier nochmal schreiben oder ein mail an: schoasch123@yahoo.de . Dann schick ich dir gleich meine Adress und du kannst die Bauteile(gelöscht bitte) schicken. Hast du keine IC-Stange? Dies würde der komprimierung zu SMD vorbeugen :D
@karlheinz: Die 12C508 sind 1x beschreibbar. Was Du meinst sind bestimmt die -JW Versionen (300 mil Windowed Ceramic Side Brazed). Die kosten aber auch 10x so viel ;-) Verstehe nicht, warum es sowas - im Zeitalter von Billig-Flash noch gibt. <snipp> The PIC12C5XX are available in the cost-effective One-Time-Programmable (OTP) versions which are suitable for production in any volume. The customer can take full advantage of Microchips price leadership in OTP microcontrollers while benefiting from the OTPs flexibility. <snapp> @Schoaschi: Verbrenn da also lieber nix, oder laß Nicola ein paar mehr schicken. Grüße, Freakazoid
@karlheinz: Ja das stimmt, aber mit 1 sind die aber auch net teuer deshalb lass ich ihm direkt vom Reichelt welche zukommen ich denke mal 10 werden genügen wenn dann 5-6 übeleben währe das schon Ok
BTW: Muckt Reichelt da nicht rum, wenn die nach Österreich liefern sollen? Hab da mal sowas gehört. Ist aber ohne Gewähr.
Ich hab es eh nicht vor die PICs zu "verbrennen". Ich kann aber nur das draufbrenn was ich habe.. und auch mit diesen Optionen. Also müsste ich alle Fuses genau wissen,dass ich da ja nichts falsch stelle. So hab mal nachgeschaut. Die normalen C-Typen kosten 1Euro.. die mit JW-typen kosten 11Euro?! und die F-Typen kosten 1.10Euro. Also ich würde die 10Cent investieren und mir die F-Typen kaufen. Weil wenn man einen PIC "verbrennt" dann hat man schon 10 F-Typen herinnen ;-)
So.. wo ich mir jetzt aber nicht ganz sicher bin ist, ob ich einfach so ein hex-File für einen C-Typen ohne änderung auf einen F-Typen übertragen kann?!
Es gibt echt F-Typen von den Dingern? wow Willkommen im 21. Jahrundert ;-) Hätt ich nicht gedacht. Was hab ich geflucht damals zuhause. Seitdem laß ich die Viecher lieber links liegen (obwohl Atmel weniger Peripherie hat und mit den x Zugriffsvarianten auf Register und I/Os langsam nervt.) Fazit: Nimm die F. Da biste auf der sicheren Seite.
@Schoaschi: Die innere Struktur sollte wohl die Gleiche sein (sonst wäre der Name 12x508 tödlich). Nur Flash statt Rom.
das geht soweit ich weis nur mit den c-typ f-typen gibts da wohl keine von.Da ich wiegesagt keinen plan von programmierung überhaup habe (bin wahrscheinlich schon zu alt dafür) ;-) kann ich auch net sagen ob man das auf andere typen übertragen kann die müssten ja auch pinkompatibel sein.Hier ist jedenfalls so ein c-source code.Der typ bietet 2 Hex-files an einmal für 508a und einmal für pinkompatiblen 509 an aber selbst da sind die .Hex-files schon unterschiedlich.Also auch auf die gefahr hin daß ich hier gesteinigt werde ich finde µc´s einfach nur shayze.Ist halt son neuartiger kram
g 508 und 509 sind in der Tat unterschidlich (sonst hätten die auch keine unterschiedlichen Nummern). F-Typen gibt's. Auch bei Reichelt. Schoaschi hat ja auch nachgesehen. Also ich würd wetten, daß da nur Flash statt ROM drin ist.
es müsste sone art softwarepic geben wie son Pic-Emulator da könnte man dann in seelenruhe austesten,ohne das man da Ture Bouwtilie vergeigt
@Schoaschi: Das reicht aber schon aus (Speicherunterschiede und RAM). Wenn das so ist wie bei den AVRs und die einen Softwarestack haben (der in der Regel vom Ende des RAMS rückwärts wächst), dann ist das RAMEND natürlich woanders -> Das Hex würde nicht passen. Obwohl: Eigentlich sollte es doch passen, aber die Kapazitäten des 509er nicht komplett ausnutzen. Egal. 'F' nehmen und gut.
Bitte melde dich an um einen Beitrag zu schreiben. Anmeldung ist kostenlos und dauert nur eine Minute.
Bestehender Account
Schon ein Account bei Google/GoogleMail? Keine Anmeldung erforderlich!
Mit Google-Account einloggen
Mit Google-Account einloggen
Noch kein Account? Hier anmelden.
