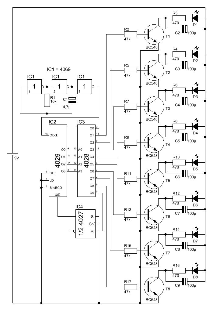
Guten Tag, ich komme bei einem Problem nicht mehr weiter. Ich habe mir einen Bausatz bestellt (Lauflicht mit 8 Dioden) und zusammengebaut. Meine Schritte habe ich penibelst kontrolliert, um Fehler auszuschließen. Nun ist es so, dass 4 von 8 LEDs leider leicht mit glimmen und nicht komplett aus gehen. Ich sehe diese betroffenen 4 Dioden zwar schalten, aber sie gehen nicht aus. Nach mehrmaligem durchchecken der gesamten Schaltung mit meinem Messgerät, habe ich mich entschieden die gesamte Schaltung neu zu machen. Nach der 2ten Schaltung glimmen nun wieder 4 Led, aber an anderer Position. Jetzt habe ich alle Bauteile verglichen und habe bei den Transistoren einen Unterschied festgestellt. Wo es funktioniert ist ein BC547 eingebaut, wo es mit glimmt ist es ein BC557. Wenn ich die 2 unterschiedlichen Transistoren untereinander vertausche, wandert der unerwünschte Effekt mit. Definitiv der Transistor. Habe am Anfang die Lieferung leider nicht kontrolliert. 3 Tage später bin ich nun draufgekommen. Aber wo ist der unterschied der beiden Transistoren? Könnt ihr mir helfen, bitte. Am Datenblatt lese ich nichts heraus. Danke euch
> Am Datenblatt lese ich nichts heraus.
Jaja..Lesekompetenz. :)
Kuckst du NPN und PNP!
Olaf
Ne S. schrieb: > Am Datenblatt lese ich nichts > heraus. Dann solltest Du dringenst zum Optiker. BC547 ist NPN, BC557 aber PNP. Siehe Transistor Grundlagen.
Jim M. schrieb: > Ne S. schrieb: >> Am Datenblatt lese ich nichts >> heraus. > > Dann solltest Du dringenst zum Optiker. BC547 ist NPN, BC557 aber PNP. > Siehe Transistor Grundlagen. Bitte sei nicht so streng, hab noch bis 2 Uhr nachts den Fehler gesucht und nicht mehr gerade aus schauen können :) Bin happy den Fehler gefunden zu haben. Danke
> Dann solltest Du dringenst zum Optiker.
Ich hab aber auch schon Datenblaetter gesehen wo ich genau diese
Information sehr lange suchen musste. Vor allem bei so manchen
japanischen Transistor ist das nicht immer sofort ersichtlich.
Olaf
Ne S. schrieb: > Bitte sei nicht so streng, hab noch bis 2 Uhr nachts den Fehler gesucht > und nicht mehr gerade aus schauen können :) Bin happy den Fehler > gefunden zu haben. Danke Das ist wohl jedem schon passiert - kein Grund, in Sack und Asche zu gehen :-) Es ist übrigens eine gute Idee, bei Fehlern, bei denen man auch nach Stunden partout nicht weiterkommt, alles erstmal liegen zu lassen und einfach etwas anderes zu machen (bspw. schlafen ;-) Meist findet sich der Fehler dann tatsächlich sehr viel leichter, nachdem man etwas Abstand von der Problematik hatte. Das geht auch Menschen, die damit ihr Geld verdienen, nicht anders :-)
Chris D. schrieb: > Das geht auch Menschen, die damit ihr Geld verdienen, nicht anders :-) Den Effekt kann ich bestätigen!
Ich vermute dass es daran liegt, dass der BC557 ein LIRPA-Transitor ist und der BC547 ein APRIL-Transistor. Das Problem tritt deswegen auch nur heute auf. :) Gruss. Tom
Ne S. schrieb: > Jim M. schrieb: >> Ne S. schrieb: >>> Am Datenblatt lese ich nichts >>> heraus. >> >> Dann solltest Du dringenst zum Optiker. BC547 ist NPN, BC557 aber PNP. >> Siehe Transistor Grundlagen. > > Bitte sei nicht so streng, hab noch bis 2 Uhr nachts den Fehler gesucht > und nicht mehr gerade aus schauen können :) Bin happy den Fehler > gefunden zu haben. Danke Ich find, es wird hier immer schlimmer. Jeder übersieht mal was, das ist normal. Das dümmliche und agressive Gekläffe der hirnlosen Trolle wegen jeder Kleinigkeit findet man nur in diesem Forum. Nimm es nicht ernst...
Habe noch eine Frage, kann ich den BC557 trotzdem verwenden, aber anders angeschlossen? Beim NPN Schaltet man mit +(Basis). In den Collector kommt auch + und an dem Emmiter - Beim PNP ist es genau anders herum: Basis-, Emmiter + und Collector - Ich vermute dieses vorhaben wird nicht funktionieren.
Ne S. schrieb: > Ich vermute dieses vorhaben wird nicht funktionieren. Probier es aus! Es gibt Fälle, in denen das funktioniert.
Ne S. schrieb: > Habe noch eine Frage, kann ich den BC557 trotzdem verwenden, aber anders > angeschlossen? Male einfach mal einen Schaltplan. Dann kann man dir genau sagen, was geht und was nicht. Meistens geht es nicht.
Ne S. schrieb: > Habe noch eine Frage, kann ich den BC557 trotzdem verwenden, aber anders > angeschlossen? Den Bausatz umbauen, könnte mit etwas Aufwand funktionieren. Zeig mal den Schaltplan. Einfach NUR den Transistor anders anschließen, funktioniere nicht!
Ich hielt den Beitrag vom OP für einen Scherz (siehe Datum) und habe dementsprechend geantwortet. Leider sind die Leute hier wohl absolut humorlos. :-( Übrigens: Wenn man BC547 und BC557 in Google eingibt, fällt das mit PNP und NPN schon im Suchergebnis auf, und stand fett gedruck in den Datenblättern. Da erschien mir "Brille putzen" halt nicht mehr ausreichend... :-P
Achim B. schrieb: > Probier es aus! Es gibt Fälle, in denen das funktioniert. Hi, tatsächlich werden in bestimmten Schaltungen Transistoren revers betrieben. Oder hier: Beitrag "Re: Gleichrichter und Trafo werden heiss" ciao gustav
Jim M. schrieb: > Ich hielt den Beitrag vom OP für einen Scherz (siehe Datum) und habe > dementsprechend geantwortet. > > Leider sind die Leute hier wohl absolut humorlos. :-( > > Übrigens: Wenn man BC547 und BC557 in Google eingibt, fällt das mit PNP > und NPN schon im Suchergebnis auf, und stand fett gedruck in den > Datenblättern. > Da erschien mir "Brille putzen" halt nicht mehr ausreichend... :-P Also ich vertrag schon a bissl was und nimms mit Humor. Kein Beinbruch. Habe soeben mit dem Verkäufer gesprochen und dieser schickt mir die 4 Stk BC547 nach. Problem gelöst. Danke nochmals an jeden hier
Ne S. schrieb: > Habe noch eine Frage, kann ich den BC557 trotzdem verwenden, aber anders > angeschlossen? PNP Transistoren kann man als "High side switch" verwenden. Dann ist allerdings auch die Logik invertiert - d.h. die LED leuchtet wenn die Basis am PNP nach Masse gezogen wird. Hast Du noch einen Hex-Inverter in der Bastelkiste rumfliegen? Ansonsten liefert der 4028 ungefähr 1mA pro Pin. Damit könnte man eine LED auch direkt leuchten lassen - das sieht man dann aber eventuell nur in einem dunklen Raum. Vorwiderstand nicht vergessen.
Achim B. schrieb: > Ne S. schrieb: >> Hier die Schaltung > > Nee, da gehts nicht ohne weiteres. Denn wenn einfach, dann wären die LEDs invertiert geschallten. Dann bewegt sich halt ne dunkle LED... Das ganz ohne Transistoren aufzubauen wäre da einfacher.
Ne S. schrieb: > wo ist der unterschied der beiden Transistoren? In der Nummer. Der Unterschied ist 10 (557 - 547 = 10) Schönen ersten April noch!
Nein einen Hex Inverter hab ich leider nicht. Ich vermute mal, der Hex Inverter soll die Spannung ausgeben, die den entgegengesetzten Pegel zu ihrem Eingang darstellt (damit man den BC557 verwenden könnte)
Ne S. schrieb: > Hier die Schaltung Ja, das geht schon, wenn dann auch die Funktion eine andere wird: alle LEDs werden jetzt leuchten, die vorher aus waren und umgekehrt. Man kann den PNP einbauen, mit dem Emitter zur LED und dem Kollektor nach GND. Er arbeitet dann als Emitterfolger, die LEDs sind geringfügig dunkler (wird nicht auffallen), aber wie gesagt, die Funktion ist invertiert. Die Elkos parallel zu den LEDs könnten aber Ärger machen ...
Ne S. schrieb: > Wo es funktioniert ist ein BC547 > eingebaut, wo es mit glimmt ist es ein BC557. Welche Transistoren hast du denn sonst noch in deinem Fundus? Es gibt noch viele NPN-Kleinleistungstransistoren, die man da nehmen könnte, auch welche, die man aus einem Schrottgerät ausgeschlachtet hat. Wenn das in einem gekauften Bausatz so drin war: Reklamieren!
...und hat er keine Basis, weiß ich: es ist womöglich ein TL Vier-EinundDreißig! :)
HalbleiterPoet schrieb: > ...und hat er keine Basis, weiß ich: Hi, oder keinen Kollektor: 2N2646 absolute Rarität hat mich auch schon in den April geschickt. Beitrag "Toaster_timer_UJT" ciao gustav
Wenn Du den BC548 umdrehst und einen kleineren Basiswiderstand spendierst, könnte das eine blinkende LED ergeben. https://www.elektronik-labor.de/Notizen/NPNkipp.html#led2 Geht leider nicht mit BC558, siehe dort den letzten Beitrag.
Bitte melde dich an um einen Beitrag zu schreiben. Anmeldung ist kostenlos und dauert nur eine Minute.
Bestehender Account
Schon ein Account bei Google/GoogleMail? Keine Anmeldung erforderlich!
Mit Google-Account einloggen
Mit Google-Account einloggen
Noch kein Account? Hier anmelden.
