Hi, ich habe folgendes problem. Ich habe mir eine H-Brücke mit den IRL540N zusammengebastellt. Dort will ich einen 12V Motor anhängen. Die Gates fahre ich über Optokoppler mit 12V an. Nun ist es allerdings so dass wenn der Controller hochfährt, schalten die H-Brücke komplett durch und verursacht einen Kurzschluss der zufolge hat dass die Sicherung durchbrennt. Ich weis aber ganz genau dass diese Schaltung funktioneren muss da ich sie auf einer Platine vom Bekannt genauso realisiert wurde. Ich initialiesere die Ports auch richtig und setzte sie alle auf 0. Es dürfte eigentlich dann nichts passieren. Wenn ich die H-Brücke abklemme funktioniert meine Steuerung wunder bar. Ich kann auch an den Gates die richtigen Spannungen zur richtigen Zeit messen. Was muss ich tun damit nicht andauernd beim Hochfahren des Controllers die Gates nicht kurz auf high gehen und mir nen Kurzschluß verursachen. Danke schon mal im vorraus. Gruss Georg.
hi, H-Bruecke steuersignale invertieren...dann ist ruhe beim hochfahren. (hochfahren=einschalten!?) ed
hi, danke für die antwort. aber ich verstehe nicht ganz was du meinst. Die steuersignale sind beim hochfahren eigentlich aus. Die signale sind doch auf null, wenn ich die Ports deffiniert habe. Soll ich davor noch was machen?? Wann und wo invertieren? ich verstehe nicht ganz. SORRY! Georg.
hallo, bitte helft mir es ist sehr dringend. Danke.
Sind auch PullDown Widerstände vom Gate gegen Masse eingebaut?
hallo, danke danke. Nein es sind keine Pull down wiederstände drin. Ich versehe allerdings nicht was es bringen würde. Wenn am Gate ne Spannung anliegt dann schaltet er ob pulldown widerstand da oder nicht. Oder? Georg.
Hallo Georg, kannst du mal den Schaltplan veröffentlichen (macht es vielleicht etwas einfacher)? Danke und Gruß Olaf
hallo, habe mal den Schaltplan bzw. Handskizze angehängt. Georg.
nimm einen Atmel! bei einem Conrad c-control ist alles erstmal hi nach dem einschalten. beim atmel nicht tom
hi, habe es jetzt geschaft. Es fehlten wirklich nur die PULL UP Widerstände. gruss und danke.
kann eigentlich nicht nur beim Hochfahren nicht funktionieren. Wo hast du denn die Schaltung her? 2 grundlegende Fehler: Mosfets brauchen immer definierte Pegel am Gate, am besten push/pull-Treiber, bei geringen Betriebsfrequenzen aber wenigstens einen pull-up bzw. pull-down-Widerstand. Wenn der Optokoppler sperrt, hängt das Gate in der Luft, das ist ganz schlecht. Und die Brücke selbst kann so auch nicht funktionieren, wenn du auch im oberen Zweig n-Kanal-Typen verwenden willst, mußt brauchhst du entweder spezielle Mosfettreiber oder zumindest eine Steuerspannung, die min. 5V über der Motorbetriebsspannung liegt. Einfacher wirds, wenn du im oberen Zweig p-Kanal-Typen nimmst. So isses jedenfalls nur Murks.
hi, die Steuerspannung der oberen fets ist 6V höher als die des Motors und die Pull Down widerstände sind auch schon drin. Es funktioneiert ganz gut. Ich hatte nur die n-Kanal fets da. Es war sehr dringend, so schnell konnte ich keine p-kanal trieber auftreiben. Gruss und danke.
dann hast du auch nur 6V am Motor, denn Rest verbrätst du am oberen FET. Wenn der mit 12V angesteuert wird, steigt der Source-Pegel, die Gate-Source-Spannung wird kleiner. Der Fet gräbt sich sozusagen selbst die Ansteuerung ab. Er arbeitet irgendwo im linearen Betrieb, hohe Verlustleistung. Wahrscheinlich hast du nur einen kleinen Motor dran, wenn du von der Brücke Leistung haben willst, rauchts. Sauber ist das so nicht.
Hallo Georg, die Schaltung ist nicht zu empfehlen! Während des Überganges von einem Schaltlevel auf den anderen entstehen dort "schwimmende" Zustände in denen die Fet's kein definiertes potential haben. Zusammen mit den induktiven Rückwirkungen aus der Arbeits Induktanz kann es leicht zu Kurzschluß in der Brücke führen. Für größere Leistungen muß unbedigt ein Zustand in welchem kein Fet leitet eingeführt werden. Da dies für kleine Induktivitäte sehr aufwendig ist verwende ich dort immer fertige Treiber (z.B. Thoshiba TB6549P). Die lassen sich auch noch elegant PWM modulierern. MfG Manfred Glahe
hi, danke für den tip mit den toshiba treibern. Die schaltung funktioniert. Die schaltung sieht inzwischen etwas anders aus. Ich habe dort 10k Widerstände als pullups an den gates drin. So habe die Gates keine undefinierten zustände. Die teile sollen nur einen scheibenwischermotor antreiben mehr nicht. Diese läuft 2 mal am tag je ca. 15min. gruss und danke georg.
Hallo, da würde ich ein robustes Relais für nehmen. Die Fet's haben relativ große GD Kapazitäten, die lassen sich so nicht sauber schalten! In der angegebenen Schaltung (daran ändern auch die Widerstände nichts) werden dadurch hohe Störfelder generiert. Falls es dich interessiert im Anhang mal zwei Brücken die ich gelegentlich auch noch benutze (weil gefräste Platinen vorliegen). MfG Manfred Glahe
hi, danke für die tolle schaltung. Meine Schalutng funktioniert überhaupt nicht. Dahabt ihr alle recht gehabt. Sorry! Kann mir jemand eine bzw. zwei schaltungen vorschlagen. Ich möchte mit den IRL540 einen Motor vor und zurückdrehen lassen sprich ne h-Brücke. Werde versuchen p-kanal mosfets aufzutreiben. Die andere schaltung soll nur einen Motor ein uns ausschalten. Beides sind 12V Scheibenwischermotoren. Binn für alle schaltungsvorschläge dankbar. Gruss Georg.
Hallo, falls Du nur n-Kanal hast, probier beiliegende Schaltung. Bei Richtungswechsel aber immer ein wenig warten, da die Optokoppler nicht so schnell ausschalten können. Sonst bätschts wieder.
auch diese Schaltung löst nicht das Problem, daß keine Gatespannung für das Durchsteuern der oberen FETs zur Verfügung steht. Es gibt (min.) 3 Lösungsmöglichkeiten: 1. p-Kanal-Fets 2. n-Kanal-Fets + Hilfsspannung (Ub+5V) 3. spezielle High-Side Mostreiber.
ne super idee. Danke. Wie mache ich es mit nur einem Fet und motor an bzw. aus. irgendwie funzt es nicht so ganz wie ich mir dass vorstelle. georg.
hallo, habe jetzt die Schaltung im Anhang auf nem Steckbrett aufgebaut. Als p-Kanal verwende ich die MPT2P50E von microchip und als n-Kanal die irl540. Nun funktioniert die schaltung ganz gut wenn ich mit der versorgungsspannung unter 7V bin. Wenn ich die versorgungsspannung auf über 7V einstelle so verursacht die Schaltung mal beim inschalten, mal beim auschalten nen Kurzschluss. Die p-fets scheinen da schneller durchzuschalten als die n-fets zu schliessen. Ich müsste da irgendwie gegenkoppeln. Nur wie? Hat einer mal einen tip. Danke euch allen für die mühe. Gruss georg.
hi deine ansteuerung der gates ist nicht ok. deine schaltung sieht so aus wie eine H-bruecke ist aber keine. suche mal nach vernuenftigen schaltungen sonst hast du immer nur H-kruecken. wichtig beim umschalten: es ist sinnvoll etwas zeit vergehen zu lassen bevor umgepolt wird.kannst sicherungen sparen. ed
Moin Moin, habe mal kurz eine H-Brücke mit SCAD skizziert und simuliert. Das funktioniert auch problemlos. In der Realität sind die Spannungsquellen V1 und V2 durch die beiden Ausgangspins des µC`s zu ersetzen (aktiv H). Bei der Ansteuerung ist eine Pause zwischen Zweig 1 ein und Zweig 2 ein zu setzen. Kritik am Entwurf ist willkommen! Die Software SCAD gibts bei www.linear.com Gruß, Günter
Hallo Georg, das Problem sind die Gate/Source und die Gate/Drain Kapazitäten des Fet's. Diese müssen doch umgeladen werden auf die neuen Spannungslevel. Mit dem Optokoppler kannst Du relativ schnell (hängt stark vom verwendeten Type ab) das Gate auf +12V bringen. Um die Kapazität wieder zu entladen steht nur der Gate/Drain Widerstand zur Verfügung. Ist er zu hochohmig, so dauert das entladen sehr lange. Ist er zu niederohmig, so kann der Optokoppler den Schaltstrom nicht mehr aufbringen! Diese Angaben sind nur in einfacher Form dargestellt. Als schneller Schalter gelten noch einige andere Gesichtspunkte. Um eine akzeptable Lösung zu erreichen sind aktive Treiber unumgänglich! Es reichen schon z.B. HEF40106 wovon je nach Bedarf mehrere parallel geschaltet werden können. Es gibt natürlich auch spezielle Fet Treiber (um einige nS zu erreichen), aber die verzeihen nicht den geringsten Schaltungsmangel und sterben sofort (wenn z.B. Induktivität nicht mit entsprechenden Maßnahmen unter Kontrolle gehalten wird). MfG Manfred Glahe
hallo, danke für die antworten. Ich muss leider bis heute abend ne h-brücke mit den oben genannten fets realisieren. ich werde mal die Schaltung von Günter ausprobieren. Bin für weitere vorschläge sehr dankbar. Kann ich mit nem IRL540 wenn ich nen motor zwischen +12V und drain anklemme und source auf masse, diese schaltung betreiben und den motor ein und auszuschalten? vielen vielen Dank. Georg.
Ja! Du solltest aber noch eine Schottkydiode von Drain nach Source schalten (Anode an GND) um negative Spannungen beim Anschalten der Induktivität kurzzuschließen (z.B. 1N5821). MfG Manfred Glahe
Nochmal zu Manfreds Brücke: warum Optokoppler, wenn Steuer- und Leistungsteil doch wieder galvanisch verbunden sind? Besser sind Brückenschaltungen, die über ein Richtungs- und ein enable-Signal gesteuert werden(statt direkter Ansteuerung). Leider ist mein Scanner im Moment ausser Betrieb.
In meiner Schaltung gibt es keine Optokoppler (schau mal in den Anhang) ich habe nur die angegebene Schaltung kommentiert und gerade auf die Nachteile der Optokoppler hingewiesen. Optokoppler haben KEINE Treibereigenschaften. MfG Manfred Glahe
@Crazy Horse: bei meiner Prinzipschaltung wurden die Masseleitungen nur zur Simulation verbunden. @Georg: bei der Auswahl der FET`s solltest du auf gleiche elektrische Werte achten. Also passend zum IRF 540 den passenden P-Kanal Typen auswählen. Ich glaube, hier kannst du den IRF9540 nehmen. Generell gilt auch, was Manfred erwähnte : "Optokoppler haben KEINE Treibereigenschaften"!!! Du solltest also ruhig noch in einfachster Form einen Transistor (BD139 o.ä) spendieren. Gruß, Günter
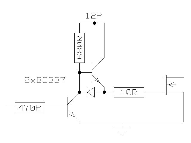
Hi! Zum schnellen Umschalten von Powermos werden Schaltströme bis zu 1A! gefahren und dazu braucht es recht ordentliche Treiber. Um vernünftige Schaltzeiten zu erreichen solltest du aber wenigstens 100mA vorsehen, Das schaffst du nicht mit einem 1K Widerstand zwischen G/S. Die ganze Umschalterei dauert um so länger je grösser ID ist.Man beachte die Cgs und Cdg! Ein IRF4905 hat zb.Cgs von 3,4nF und eine Cdg von 1,4nF, das lade mal mit 1K um,es braucht richtig Zeit. Ohne ordentliche Treiber wird es jedenfalls nicht leicht das Probl.in Griff zu bekommen. 10ms Umschaltzeit sollten aber ihre Wirkung auch nicht verfehlen. Ich hänge mal einen recht schnellen Treiber mit an, der geht für N und P-Kanal Typen. MFG Uwe
Bitte melde dich an um einen Beitrag zu schreiben. Anmeldung ist kostenlos und dauert nur eine Minute.
Bestehender Account
Schon ein Account bei Google/GoogleMail? Keine Anmeldung erforderlich!
Mit Google-Account einloggen
Mit Google-Account einloggen
Noch kein Account? Hier anmelden.


