Hallo, Ich hatte schon einmal eine sehr ähnlich Frage gestellt, habe aber leider keine richtigte Antwort bekommen. Mein Problem ist folgendes: Ich habe den ISP Programmer von LancOS ( http://www.lancos.com/e2p/avrisp-stk200.gif ) aufgebaut. Wenn ich nun mit PonyProg den AVR (AT90S4433) auslesen möchte.. funktioniert dies auch.. nur das ein AT90S4414 angezeigt wird. Schreiben kann man garnicht. Ich habe die Schaltung durchgemessen.. und bin zum Schluss gekommen, dass eigentlich alles stimmen müsste... ( Wenn ich auslesen bzw schreiben möchte, wird Reset kurz auf 0 gezogen, dann wieder auf 5V ... das soll doch so? ). Vielleicht hatte jemand ja schon einmal ein ähnliches Problem? Mein Kabel vom PC zum AVRISP ist 1,5 m lang.. liegts vielleicht daran? mfg Markus
Hallo Markus, am Kabel liegt es meiner Meinung nach nicht. Bei mir ist ein 5m langes Kabel vom PC zum ISP dran.
Ich hatte auch solche Schwierigkeiten mit einen 4433. Mein Progger funktionierte einwandfrei, mit dem 4433 hatte ich aber Probleme. Achte auf Deine Schaltung. Reset solltest Du mit einem Kondensator 100nF gegen Masse stützen und mit einem Pull-Up Widerstand versehen. Die Betriebsspannung auch mit 100 nF und, um ganz sicher zu gehen, mit 10µF Elektrolyt stützen. Der 4433 scheint ein bisschen zickig zu sein. mfg, Stefan.
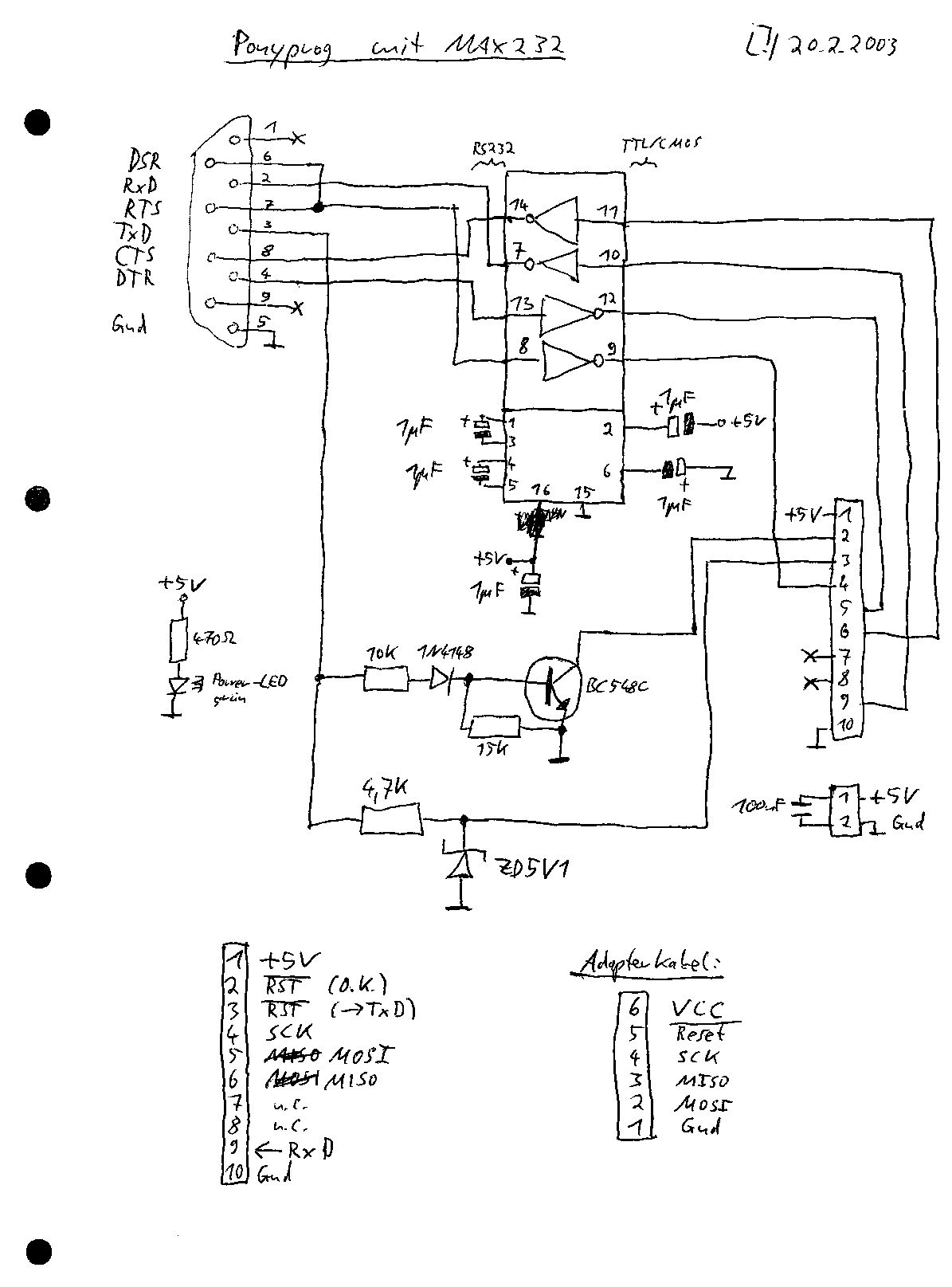
Ich hatte das PRoblem, das die Kabellänge vom Ponyprog zum µC EXTREM kritisch war. Direkt an die Platine lief alles, ab einer Kabelverlängerung von gerade mal 6cm klappte es dann schon nicht mehr. Letztendlich ist aber auch das Schaltungsdesign vom Ponyprog etwas sehr kritisch, wesentlich besser funktioniert es, wenn man einen MAX232 dazwischen schaltet - dann klappt es auch mit viel längeren Kabeln. Leider "vergisst" PonyProg beim beenden bei mir immer, welche Leitungen vom Prommer invertiert werden müssen. Wenn interesse an einen Schaltplan, allerdings handgezeichnet, besteht, kann ich den mal einscannen und hier posten. Lutz
Keine Ahnung warumn.. aber es geht jetzt.... naja .. hauptsache es geht. Den Schaltplan würde ich sehr gern einmal ansehn. mfg Markus
OK, ich habe den Schaltplan mal eingescannt und hier angehangen. Natürlich benötigt so ein MAX232 richtige 5V zur Pegelwandlung und benötigt daher unbedingt eine externe 5V Spannungsversorgung, die natürlich im ISP-Fall auch von der Schaltung abgegriffen werden kann. Ferner ist diese Schaltung warscheinlich nicht mehr zu allen Ponyprog-Adaptern kompatibel, da für PIC-Programmierung keine 12V Spannung oder soetwas zur verfügung gestellt wird. Trotzdem sollten damit alle normalen Atmel-µC's Programmierbar sein. Die Reset-Leitung wurde nicht über den MAX-232 geführt, sondern ganz nach dem Original mit einem Transistor betrieben. Durch die Umsetzung der CMOS-Pegel in echte RS232-Pegel wird eine deutlich sicherere Datenübertragung vom µC zum PC gewährleistet und das ISP-Kabel zwischen Ponyprog unt µC darf nun deutlich länger sein. WICHTIG: -------------------------------------------- Damit diese Schaltung unter Ponyprog funktioniert, müssen wegen den durch den MAX232 invertierten Pegeln folgende Einstellungen unter "Setup" -> "Interface Setup..." gemacht werden: Invert D-IN aktivieren Invert D-OUT aktivieren Invert SCKL aktivieren Invert RESET _de_aktivieren Ponyprog neigt bei mir übrigens dazu, diese Einstellungen bei jedem Neustart wieder zu vergessen.... PonyProg als RS232-Konverter: -------------------------------------------- Wer gerne mit der AVR-UART arbeitet, kann an Pin2 vom Ponyprog einen Pullupwiderstand einsetzen (200Ohm - 1K) und erhält so ein richtig invertiertes TxD-Signal vom PC, was direkt dem RxD vom µC zugeführt werden kann. Noch einfacher ist es in der anderen Richtung: Der beim Ponyprog nicht benutzte Pin9 kann direkt mit der TXD-Leitung des Prozessors verbunden werden, da meine Version hier eine echte RS232-Wandlung vornimmt. Lutz
Bitte melde dich an um einen Beitrag zu schreiben. Anmeldung ist kostenlos und dauert nur eine Minute.
Bestehender Account
Schon ein Account bei Google/GoogleMail? Keine Anmeldung erforderlich!
Mit Google-Account einloggen
Mit Google-Account einloggen
Noch kein Account? Hier anmelden.
