Abend zusammen. Erstmal gerade erste registriert also bitte nicht hauen. Nun zu meinem Thema. Ich habe mir einen Mivoc Hype 10 G2 gekauft und läuft alles super, nur ab einer bestimmten Lautstärke merkt man schon das die Endstufe ins Clipping kommt. Das Verstärkermodul ist ein Mivoc am 80 mk ii Und das Chassis selber ist ein Mivoc SWW1 Der findige würde jetzt schon sagen das es nicht so passt, das Modul wird mit 120W RMS beworben liefert aber nur 80W RMS währen das Chassis als Nennleistung 180W RMS hat. Der Technik typ so wie ich bin bastelt gerne und kennt sich auch etwas mit der Elektronik aus. Meine Überlegung war den RKT durch ein ein Leistungsstärkeres zu tauschen, ich habe hier noch ein 300VA(30-0-30). das Aktuelle im Mivoc ist ein 90VA (Spannung ist noch nicht bekannt). (Quelle Igor's Lab) Die Endtransistoren sind jeweils ein TIP35C und ihre Schwester TIP36C also besitzen noch Headroom nach oben was Spannung und Stromfestigkeit angeht. Wenn ich alles beachte Incl. vielleicht aller OP-amps, Kondensatoren, Widerstände usw. das da keine zu hohe Spannung anliegen und evtl. Schäden entstehen müsste doch nix im weg stehen oder? Ich würde gerne genauere Infos geben aber ich habe erst am Wochenende Zeit und würde mich dann damit auseinander setzten und Bilder und evtl. ein Schaltplan mit einbringen. Würde mich über Tipps, Beratungen und evtl. jemand der selber schon mit diesem oder ein ähnliches Modul sich auseinandergesetzt und Erfahrung hat die er teilen würde, würde ich mich freuen.
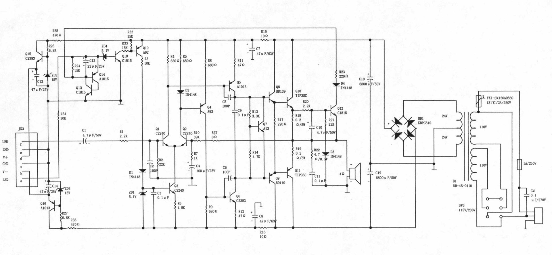
Hallo, es handelt sich also wie jeder am Typ sofort erkennt um einen günstigen aktiven Subwoofer, siehe https://subwoofertests.de/mivoc-hype-10-g2/ mit recht starken Endtransistoren https://www.onsemi.com/pub/Collateral/TIP35A-D.PDF bei dem die Trafospannung von 24 V auf 30 V Wechselspannung angehoben werden soll, um experimentell festzustellen, ob die Konstruktion diese Steigerung klaglos verkraftet. Die Endstufe besteht aus Standardbauteilen ohne Kundenspezifische Teile, so daß man das Risiko wagen kann. Spätere Reparaturversuche durch Ersatz mit ählichen Transistoren dürften nicht aussichtslos sein. Es bleibt abgesehen vom elektrischen die Frage nach der Kühlung. Da anscheinend voll aufgedreht werden soll und 80 Watt nicht reichen, müßte das kleine Modul zusätzlich mehr Kühlung erfahren. Im einfachsten Fall durch forcierte Kühlung mit bewegter Luft oder auch mit größeren Kühlkörpern. Die beworbene Chassisleistung gilt wie immer und allseits bekannt für rosa Rauschen und nicht für den einen Tiefbaß bei 35 Hz oder noch tiefere synthetische Bässe. Dementsprechend ist nicht zu erwarten, daß das 180 Watt-Chassis dann später die ersehnte höhere Leistung mechanisch verkraftet. Bassreflex reduziert die Membranbewegung nur im Bereich der Resonanz. Deshalb steht wohl auch dabei zu lesen, daß er für Platten- Phonowiedergabe ohne taugliches Subsonivfilter unbrauchbar sei. Wenn alles egal ist, ist das kein Problem, wenn es darauf ankommt, wird es eine feinfühlige Angelegenheit. Wenn man experimentieren will, ist der Verlust wohl zu verkraften. mFG
Danke erstmal für die Info, nach dem Auseinanderbauen vorhin habe ich erstmal gesehen das es eine Einschaltstrombegrenzung weswegen der Plan vorerst ins Wasser fällt, da ich kein NTC oder eine Softstartschaltung hier habe. Und ja es soll ums experimentieren gehen aber ich will das Modul ja auch nicht gleich zerstören, mit der Kühlung hab ich mir gedacht es mit einem Lüfter Aktiv zu kühlen. Was mir in meine Augen fällt ist das dass Modul auch das 2Modul mit Vorverstärker usw. mit Spannung versorgt und da will ich auf Nummer sicher gehen ob dabei auch nix zerstört wird.
Hallo zusammen, offensichtlich handelt es sich hier um ein 48 Volt-Netzteil. Schaltungen sollte man auch richtig lesen. Aber danke, Schaltungen sind nicht leicht zu bekommen! Der SUB ist übrigens klasse!!
Bitte melde dich an um einen Beitrag zu schreiben. Anmeldung ist kostenlos und dauert nur eine Minute.
Bestehender Account
Schon ein Account bei Google/GoogleMail? Keine Anmeldung erforderlich!
Mit Google-Account einloggen
Mit Google-Account einloggen
Noch kein Account? Hier anmelden.
