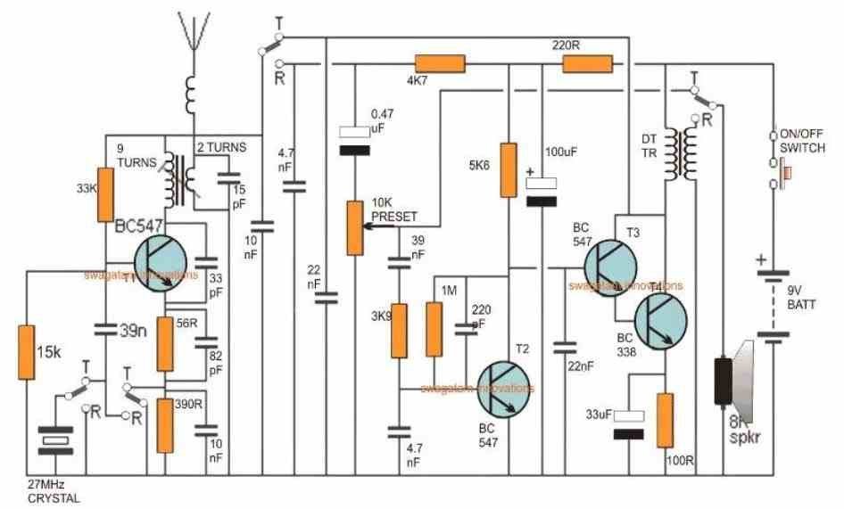
Hallo zusammen, kann mir jemand im detail erklären, wie man die Funktion so einer Schaltung analysieren kann? Ich kenne alle Bauteile ( Kapazität, induktivität, Transistor, Spannungsquelle, Widerstände, Potentiometer, Trafo, Antenne und crystal). Ich weiß nur nicht wo man bei so einer Schaltung anfängt zu analysieren. Wann würde welcher Transistor durchschalten? Kann mir jemand das im Detail erklären? Wäre euch sehr sehr dankbar! Gruß
"Durchschalten" soll keiner, das sind alles analoge lineare Schaltungen, nichts digitales. Links ein 27MHz-Oszillator, im Sendefall quarzstabil, im Empfangsfall freischwingend. Die restlichen drei Transistoren bilden einen Niederfrequenzverstärker. Der Lautsprecher rechts wird im Sendefall als Mikrofon benutzt. Auch das Lautstärkepoti ist für beide Fälle benutzt. Die Schaltung dürfte schon aus den Sechzigern oder frühen Siebzigern stammen. Durch die Doppelnutzung ist das ganze etwas unübersichtlich, im Sendefall läuft der Signalpfad von rechts nach links, im Empfangsfall von links nach rechts.
Bitte melde dich an um einen Beitrag zu schreiben. Anmeldung ist kostenlos und dauert nur eine Minute.
Bestehender Account
Schon ein Account bei Google/GoogleMail? Keine Anmeldung erforderlich!
Mit Google-Account einloggen
Mit Google-Account einloggen
Noch kein Account? Hier anmelden.
