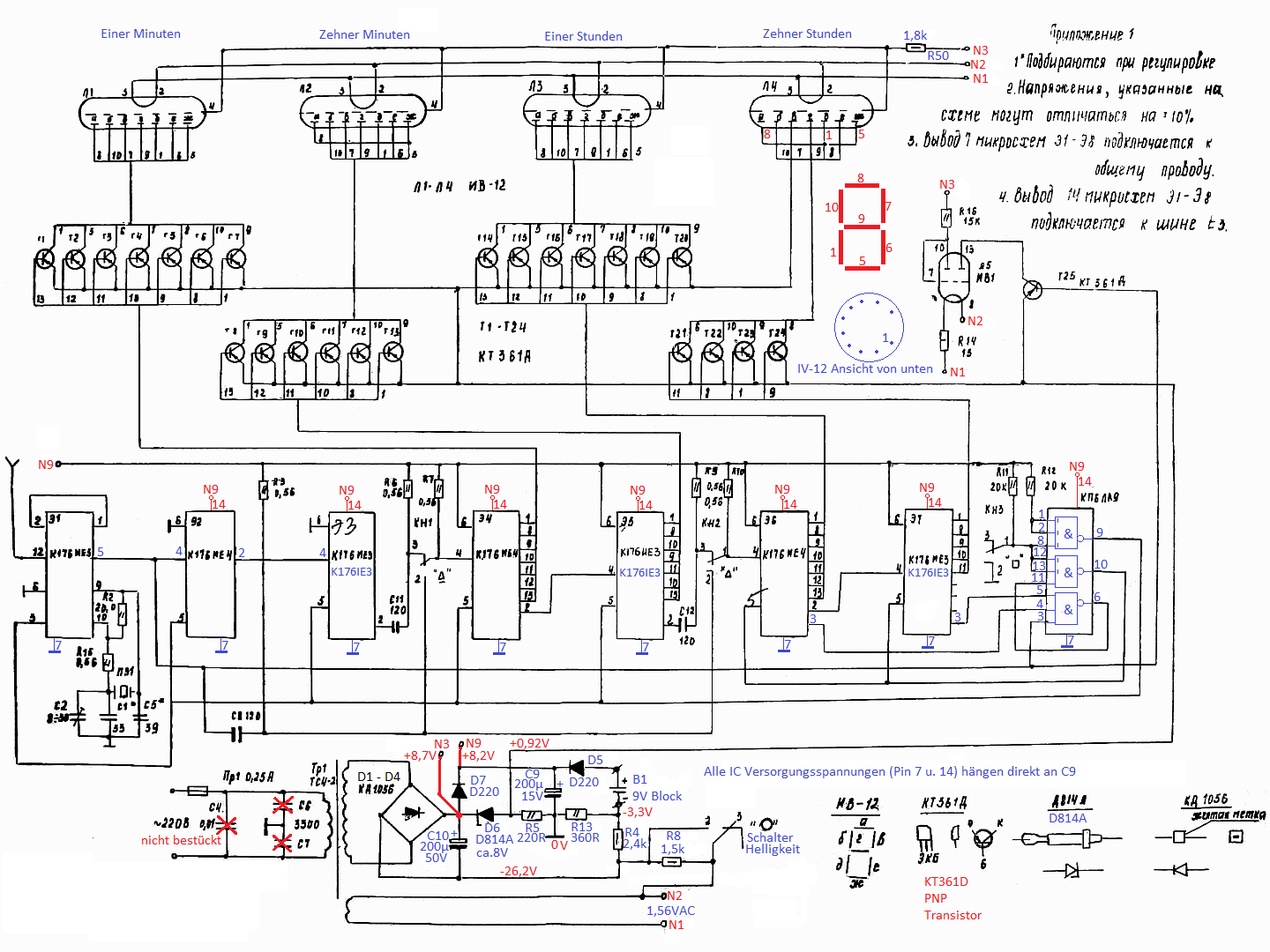
Hallo zusammen, ich habe eine alte russische Röhrenuhr die ich immer nur in den Abendstunden über eine Steckdosenleiste mit anderem Zeug zusammen betreibe. Die Puffer-9V Block Batterie ist aber nur für seltene Stromausfälle gedacht. Folglich ist sie relativ schnell leer (Etwa 0,45mA Entladestrom). Ich verwende zwar einen Akku aber den nach 4 Wochen jedes mal zum laden rauszupopeln ist schon nervig da dieser auch relativ stramm dort drinsitzt. Deshalb ist jetzt die Idee den Akku immer in den Abendstunden mit 1 oder 2mA automatisch in der Uhr nachzuladen. Ich hatte mal einen portablen CD-Spieler der konnte auch normale Standardakkuzellen innerhalb des Geräts nachladen. Zu meinem Glück ist die Uhr auf unten verlinkter Seite beschrieben. Auf der Seite gibt es auch einen Schaltplan, der leider schwer zu lesen ist, wegen der zu niedrigen Auflösung, der Handschrift und noch zusätzlich den kyrillischen Zeichen. Ich habe jetzt schon ein paar Stunden die Leiterbahen in der Uhr verfolgt um den Plan soweit wieder zu vervollständigen. Die Netzte habe ich jetzt mit N1, N2 usw. beschriftet. Dabei habe ich sogar noch einen Fehler entdeckt. Das Netz N3 (Gitterspannung der Röhren) ist direkt am Positivausgang des Brückengleichrichters angeschlossen und nicht an der Kathode von D7. Die Schaltung der Stromversorgung ist schon sehr verwirrend aufgebaut. Der Massebezugspunkt sind alle Minusanschlüse der MOS-ICs. Allerdings ist dieser Massebezug irgendwie total schwammig über Dioden und Widerständen gegenüber dem Minusanschluss des Hauptglättungsondensators C10 aufgehängt. Um es besser zu verstehen habe ich mir noch ein paar Spannungen eingezeichnet. Alle eingezeichneten Spannungen sind gegenüber dem Massebezug gemessen worden (Ohne Puffer-Batterie). Der Akku müsste doch geladen werden wenn ich einfach zu D5 einen normalen Widerstand parallel lege oder? Aber dieser merkwürdige Masseaufbau verwirrt total, deswegen wollte ich hier mal nachfragen bevor ich da was kaputt mache. Zur Beschreibung der Uhr: http://danyk.cz/stare_digi_hodiny_01_en.html Gruß Sven
Wie hoch ist denn die Stromaufnahme der Uhr? Lohnt sich das ständige Abschalten? Ich würde vom +C10 auf + Akku einen R von 100 Ohm schalten. Den Wert muß man austesten.
Mit 1,5k..2,4k parallel zu D5 sollte der Akku mit ca. 1-2mA nachladen. Da der Transformator klein und die Ausgangsspannung daher weich ist, nachmessen.
>Lohnt sich das ständige Abschalten? Um den Stromverbrauch gehts mir da weniger. Die Uhr ist halt sehr alt ich würde die jetzt nicht so gerne längere Zeit unbeaufsichtigt laufen lassen wollen. Außerdem nutzten sich VFD Anzeigen ja ab. Und beim schlafen würde es mich auch stören. >Ich würde vom +C10 auf + Akku einen R von 100 Ohm schalten. Den Wert muß man austesten. Ich denke wenn ich den Widerstand an +C10 dranmache wird sich der Akku beim wegfall der Netzspannung schneller entladen da der Strom dann ja zurück über den Widerstand fließen kann. >Mit 1,5k..2,4k parallel zu D5 sollte der Akku mit ca. 1-2mA nachladen. Da der Transformator klein und die Ausgangsspannung daher weich ist, nachmessen. Ich denke genau so werde ich es machen. Danke für die Bestätigung. Ich war mir halt nicht ganz sicher wegen der merkwürdigen Schaltung.
Bitte melde dich an um einen Beitrag zu schreiben. Anmeldung ist kostenlos und dauert nur eine Minute.
Bestehender Account
Schon ein Account bei Google/GoogleMail? Keine Anmeldung erforderlich!
Mit Google-Account einloggen
Mit Google-Account einloggen
Noch kein Account? Hier anmelden.
