Hallo, bin schon seit längerem dabei meine Schaltung störsicher zu machen. Das Problem ist, dass meine Schaltung verrückt spielt wenn ich z.B. einen Bürstenmotor etc. ans Netz hänge. (hab das Problem schon mal hier erwähnt:http://www.mikrocontroller.net/forum/read-1-416214.html#416222) Jetzt habe ich schon vor dem 5V Regler gefiltert (Stromkomp. Drossel 1mH in die GND-VCC Leitung, jeweils 10nF auf PE und zwischen VCC&GND nochmals 100nF, also quasi wie beim Netzfilter). Hinter dem Regler auch nochmal ne Drossel mit 47µH und 100nF! Trotzdem wenn ich den Motor öfter ein&aus schalte kommt irgendwann ne Störung durch und der µC spielt verrückt! Das Bürstenfeuer von dem Motor ist doch eher hochfrequent oder, müsste also gedämpft werden oder??! Das Problem ist noch, dass ich mittels einem seriellen BUS(TTL-Pegel!) mit ext. Geräten kommunizieren muss und somit die Datenleitung auch stark verunreinigt ist, habe aber ext. Geräte und µC mittels Optokoppler getrennt. Wie kann ich nun wirklich effizent filtern? Speziell auf Spgs.-versorgungsseite?? Am Bus nen RC-Filter der ca. ab der 2-3.oberwelle dämpft?(vorschlag eines Unikollegen!) Hab jetzt wirklich schon überall nen LC-Filter drinnen aber bis jetzt alles wirkungslos, sogar eigene EMI Ferrite mit niedriger Güte also hohen verlusten! Vielleicht kann mir von euch wer ein paar gute tipps geben! lg Manfred
Vielleicht liegt das Problem darin, dass die Versorgungsspannung des µC einbricht und dieser Resets durchführt oder den Inhalt des SRAMs verändert? In diesem Fall würde ich so nahe wie möglich an die Versorgungspins des µC einen 100µF-Elko setzen. Ebenso helfen die EMI-Filter von MuRata. Sollten dann aber in jeden IO-Pin incl. Versorgung geschleift werden.
Hi, ne kompl. reset führ er mir nicht durch, sonst würde er wieder in ne init-routine gehen etc. am µC selber nen 100µF Elko wär noch ne idee! Verwende teilweise Murata drosseln und die von schaffner! Mit dem oszi sind aber trotzdem noch immer massive störungen zu sehen, vor allem auf der datenleitung obwohl ich schon RC-Filter drinnen hab??!! Probleme gibt es auch von der seite eines ext. gerätes(Banknotenleser!), dieser überträgt plötzlich via BUS das eine Banknote eingeschoben worden ist,also wirklich ein fataler fehler :-(, die störung kommt wahrscheinlich über die Verfsorgungsspannung rein weil die Datenleitung mittels Optokoppler galv. getrennt ist!, mhhhh kenn mich nimma aus :-(((, lg manfred
Nen Schaltplan wo du überall welche Filter drin hast wäre gut. Welche Art von störungen siehst du auf dem Oszi? Einbrüche? Spannungsspitzen? Kannst du vielleicht ein Foto von den Störungen machen? Wäre alles sehr hilfreich ^^
+ ----------Drossel--------------
                      |          |
                Kondensator    Motor
                      |          |
- ----------Drossel--------------
Wenn der Motor seine Spannung vor dem Spannungsregler für den AVR
erhält diesen umbedingt mit einer Diode entkoppeln und einen großen
Elko vor den Spannungsregler, durch die Diode kann dieser nicht vom
Motor entladen werden. Dann kannste noch ne bipolare Surpressordiode
vor den Spannungsregler hängen damit größere Spannungsspitzen gleich
kurzgeschlossen werden, wobei das mit dem Filter am Motor nicht mehr
vorkommen sollte. Probier am Resetpin mal nen 47nF Kerko statt 47pF.
Schau dir auch mal diese  Application Notes an
http://www.atmel.com/dyn/resources/prod_documents/doc1619.pdf
http://www.atmel.com/dyn/resources/prod_documents/doc2521.pdf
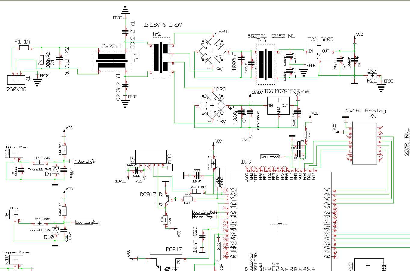
  Hallo, @Thomas: ne der motor wird nicht vom der Versorgungsspannung meiner Schaltung versorgt es handelt sich dabei um einen 230VAC Bürstenmotor. Ich verwende diese immer für einen 0815 EMV Test. Normalerweise sind neuere Motoren ohnehin schon intern mit Kondis entstört nur kann ich halt nicht auf den automaten schreiben das keine Motoren ohne int. Filter in der nähe eingeschalten werden dürfen :-) Die DC-Motoren und E-magnet welche ich mittels MOSFET's schalte, stören mir die restliche Schaltung übehaupt nicht! Eben nur die Störungen von aussen also vom netz. Hab jetzt mal den Schaltplan bzw. den Teil der Spannungsversorgung beigefügt. lg manfred
Kurze Erklärung noch zum Plan: Die Schaltung besteht aus 2 sep. Spannungsversorgungen. Die obere versorgt eben µC und die untere meine Motoren bzw. E-Magneten und die ext. BUS-Komponenten(banknotenleser, schlüsselleser, Münzgerät). Habe bereits den 18VDC Teil gefiltert(leiterbahn aufgetrennt und auf die platine gelötet), also ident dem 5V Teil, trotzdem ohne erfolg :-( Am Oszi sind nun an den 5V und 18V Störungen überlagert, vor allem beim Ausschalten ergeben sich gleich mal spitzen in der höhe von +/- 5V und mehr. Auch die Datenleitung ist stark verunreinigt! Kann das aber mit dem oszi nicht abspeichern da es das Störsignal nicht triggern kann. Ein Varistor am Reglereingang wäre sicher auch nicht schlecht , oder ne Transildiode...... lg manfred
Technisch hochinteressant finde ich den Gleichspannungstrafo TR3.
:-) sollte eigentlich ne stromkomp. Drossel sein, Traget zeigt dies auch in der Bauteilerklärung an nur bennent es dieses Bauteil eben mit TRx.
Nur ist Tr3 mitsamt seiner Umgebung gründlich falsch beschaltet oder falsch gezeichnet. So herum drosselt er so nachhaltig, dass es qualmt(und so gut wie nix rauskommt). Und die Kondensatoren sehe ich eher an seiner Rechten als an seiner Linken.
Da du damit Kohle machen willst, werde ich dir jedenfalls nicht helfen. ES SEI DENN du bezahlst mich. Grüße dein Pete!
habe mal eine frage zu der Verbindung von DigiGND über 1k7 nach Erde.. welchen hintergrund hat das ? gruß Alex
Ja lustig der Gleichstromtrafo, wenn das ne Dossel wie am Eingang sein soll ist die aber gründlich falsch angeschlossen. Aufjedenfall kannst du Sie dir nach dem Gleichrichter schenken, den Kondensator hat damit keinerlei Probleme. C27/C28 und diesen Erdanschluß kannste dir auch komplett sparen. Dagegen würde ich von Reglerausgang zum Regler eingang eine Schottkydiode reinmachen, das Schütz den Regler davor das wenn die Netzspannung fehlt Strom von Ausgang durch den Regler fließt. Also mach es so wie am 15V Regler. Für evtl. Spikes kannste noch ne Transil zw. Reglereingang und Masse legen. Haste deine Schaltung frei rumleigen oder ist die in einem Gehäuse, denke mal wenn der Motor direkt daneben liegt musste deine Platine richtig abschirmen. Ich würde erstmal anfangen den Motor richtig zu entstören, da das ja laut deiner Aussage der Verursacher ist. Wie schaltest du ihn eigentlich ein und aus mittels Relais oder Triac?
Der ganze mechanische Aufbau ist nicht unerheblich. Wenn du z.B. deine ungefilterte Netzleitung ins Gehäuse einführst und dann quer über die Platine legst, dann fängst du dir jede Menge Störungen induktiv und kapazitiv gekoppelt ein. Siehe auch http://www.wikidorf.de/reintechnisch/Inhalt/ElektronikWeblog Eintrag vom 22.09.2006
deswegen wäre so einen Kaltgerätebüchse mit integrierten Filter ne Überlegung wert.
Hallo, sorry das ich erst jetzt schreibe. UPS, ist mir jetzt fast ein wenig peinlich, hab tatsächlich die Drossel falsch reingehängt, da habt ihr natürlich recht! Ich hab jetzt in einem Buch gelesen das die typ. Netzfilter bis unterhalb 30MHz filtern oberhalb aber sehr schwach bis zufällig deshalb ist es vor dem netzfilter abgeblich üblich noch in beide Leitungen ne Stabdrosseln einzfügen unn vorher noch jeweils einen Kerko 220pF-1nF reinzugeben. das filtert dann bis 400MHz. @Alex Silver: das hab ich aus einem anderen forum bzw. von einer vor mir leigenden platine abgeschaut. soll Störströme von PE kommend ein wenig dämpfen! lg brunni
hier nochmals der schaltplan ohne der stromkomp. drossel vor dem regler. Hab vor dem Standardnetzfilter noch einen Filter für Frequenzen oberhalb 30MHz eingebaut (laut Buch "Trilogie der Induktivitäten"). Ich schalte keine 230VAC Motoren nur DC-Motoren mittels MOSFET! die 230VAC Motoren dienen nur um zu sehen was mit der schaltung passiert wenn solche am gleichen Netz hängen, in meinem Fall eben spielt einiges verrückt! @pete nerlinger: "Da du damit Kohle machen willst....." Da hast du was falsch verstanden! Mit der Schaltung verdiene ich kein Geld, der zweck soll sein, dass unsere mitarbeiter die einen schlüssel vom kaffeeautomaten haben, einen solchen am automaten kaufen(Pfand) und wieder zurück geben können-->Pfand retour! Quasi ne kleine Spielerei, also ich mach das PRIVAT!!! lg brunni
Bitte melde dich an um einen Beitrag zu schreiben. Anmeldung ist kostenlos und dauert nur eine Minute.
  
  Bestehender Account
  
  
  
  Schon ein Account bei Google/GoogleMail? Keine Anmeldung erforderlich!
Mit Google-Account einloggen
Mit Google-Account einloggen
  Noch kein Account? Hier anmelden.


 Thread beobachten
 Thread beobachten Seitenaufteilung abschalten
 Seitenaufteilung abschalten