Hallo, ich möchte mit einem MC 3 kleinere Gleichstrommotoren ansteuern. Allerdings möchte ich die Schaltung so klein wie möglich halten, daher also nur 1 Relais zum Vertauschen von + und - verwenden. An diesem Relais sollen dann parallel alle 3 Motoren angeschlossen sein. Damit nun aber immer nur ein Motor läuft (oder teilweise auch gar keiner), muss noch in die Leitungen zu den Motoren jeweils ein Bauteil rein mit dem ich den Stromfluss unterbrechen kann. Relais will ich, wie bereits gesagt, nicht verwenden. Transistoren kommen wegen der wechselnden Stromrichtung auch nicht in Frage. Die Ansteuerung dieses Bauteils soll immer mit den 5V des MCs erfolgen. Mit welchem Bauteil könnte ich sowas realisieren?
mit dem Relais dürfte der falsche Weg sein, oder du nimmst für jeden Motor ein eigenes Relais. Besser sind sog. Brückentreiber, da gibts viele Varianten. -fertige Chips -diskret aus Transistoren oder Mosfets selbst zusammengestrickt (war vor kurzem hier ein längerer thread über das Thema) -gute Erfahrungen für kleine Motoren habe ich mit dem L272M gemacht, ist eigentlich ein Doppel-Leistungs-OP. -ebenso verwendbar ist eine Kombination aus üblichen Leistungstreibern (ULN2803 als sink, UDN2981 als source), mit den 2 ICs kannst du dann max. 4 Vollbrücken = 4 Motoren steuern.
Danke für die Tipps, habe mir das mit den Brückentreibern mal angesehen. Würde bei 3Motoren aber relativ aufwendig und groß. Einfacher wäre wirklich 1 Relais zum umschalten der Spannung und dann sowas wie ein Transistor, der aber Strom in beiden Richtungen durchlässt. Ich habe das mal in einer, künstlerisch beinahe schon wertvollen Zeichnung, angehängt. An die Stelle des X käme dann das Bauteil nach dem ich noch suche, angesteuert vom MC. Somit könnte ich mit sehr wenig Aufwand viele Motoren steuern. So ein Bauteil muss es doch geben, habe gehört einige FETs sollen sowas können. Ist da jemandem was bekannt?
Hallo Marc AVR mit PWM-Ausgang betreiben (z.B. ATMega8 hat 3 PWM-Ausgänge) und die Motoren über L293D für kleinere Leistungen (m.E. bis zu 600 mA) L298 für bis zu 2 A (mit entspr. Kühlung) Datenblätter gibt's beim Hersteller (SGS Thomsen) viel Erfolg Günter
Hätte dazu noch ein paar Fragen: 1. Wozu brauche ich die PWM? 2. Das Datenblatt des L293D sagt mir nicht so richtig viel. Verstehe ich das richtig wenn ich denke: IN1 = 1 und IN2 = 0 und ENABLE1 = 1 => OUT1 = 1 und OUT2 = 0? Also kommt jeweils das was ich am Eingang anlege (High oder Low in TTL) am Ausgang raus (abhängig von Vss), aber nur wenn ENABLE=High??????? Stimmt das so ungefähr?
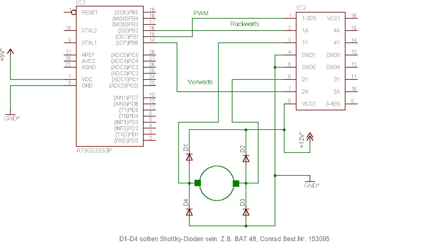
hallo Marc 1. mit PWM kann man die Geschwindigkeit des Motors regulieren (über PWM gibt eine Menge Info's im Netz - goggle mal !, ich glaube auch in diesem Forum sind verschiedene Beiträge zu finden) 2. anbei eine Schaltskizze zur näheren Erläuterung ich will mich nicht mit fremden Federn schmücken... die Zeichnung stammt nicht von mir - ich hab's sie mir vor einiger Zeit aus dem Netz 'gezogen' - den Autor weiß ich leider nicht mehr - Gruß Günter
Wer kennt die Teile, nennt die Namen? Schreib doch mal den Namen vom IC2 Gruß, Günter
Hi, versuch es mal mit einem Solid-State-Relais (z.b. S202S11). Das Ding kannst Du direkt (über einen Vorwiderstand) an einen Port hängen und über diesen steuern. Der einzige Nachteil ist der Preis, welcher bei etwa 7,00 Euro liegt (bei Reichelt.de). Gruss Sven
Ich denke die Zeichnung die Günter angehängt hat ist genau richtig. Die Dioden kann man wohl auch weglassen, die sind genau so im L293D schon drin. Scheint mir eine echt gute Lösung zu sein. Heute wird der IC hoffentlich geliefert, dann werde ich das mal testen. Danke auf jeden Fall für alle Tipps.
@Günter König: IC2= LM293 @Günter: Seite war: http://www.elektronik-projekt.de/Schaltungen/Motor_PWM.html ist aber down. aber zum Glück gibts noch den Google-Cache ... http://www.google.de/search?q=cache:U5F_Y-mGSpsJ:www.elektronik-projekt.de/Schaltungen/Motor_PWM.html+&hl=de&ie=UTF-8 Gruß Michael
Bitte melde dich an um einen Beitrag zu schreiben. Anmeldung ist kostenlos und dauert nur eine Minute.
Bestehender Account
Schon ein Account bei Google/GoogleMail? Keine Anmeldung erforderlich!
Mit Google-Account einloggen
Mit Google-Account einloggen
Noch kein Account? Hier anmelden.

