Hallo, ich habe ein problem mit einer Verstärkerschaltung. Ich muß ein Eingangssignal z.b. Sinus mit einer Amplitude von max. 2V auf 4-5 V (TTL) bringen. Die Frequenz kann bis 50 MHz hoch gehen. Ich habe einen TL592 (NE592) verbaut, der laut Datenblatt eine Bandbreite von 90 MHz hat. Ich beckomme am ausgang max 1V raus ???? Woran könnte das liegen ? Bin für jede hilfe dankbar !!! MfG Mr-400-Volt
So, und damit nicht jeder gleicht 1MB für 5 Striche downloaden muß, hier nochmal eine kompaktere Version.
Hallo das gute alte teil, das du da verbaut hast, nennt sich Videoverstärker. Ich hab da ein Datenblatt von TI, und da muss man schon suchen, bis man da eine Grafik sieht, aus der Erkennbar ist, dass das maximale Ausgangssignal 1 Volt beträgt. Was du brauchst ist ein OP-Amp. Der NE592 ist keiner. Der LM6164 von national ist ein schneller OP. Weiss aber nicht was Reichelt und Co im Sortiment haben. Gerhard
> Ich beckomme am ausgang max 1V raus ???? Woran könnte das liegen ?
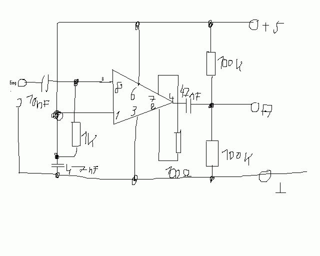
1.) Warum hängt der Nicht invertierende Eingang an +5V? (Das ist auf
jeden Fall Nonsense)
2.) Bei welcher Frequenz hast du die Messung durchgeführt? Sowohl
die Eingangs- als auch die Ausgangsbeschaltung stellt einen
Hochpass dar (Niedrige Frequenz = niedrige Amplitude)
3.) Mit was hast du die 1Vss gemessen? Hat das Messgerät womöglich
eine niedrige Eingangsimpedanz?
Hänge den nicht invertierenden Eingang (Pin 1) über einen
SPANNUNGSTEILER zwischen +5V und GND. Den 47nF Kondensator, sowie den
Spannungsteiler am Ausgang wirfst du in den Elektroschrott und gut is.
Gruß,
Magnetus
Also, die Datenblätter, die ich vom NE592 finden, beschreiben einen Videoverstärker der eine ordentliche Versorgungsspannung braucht (+/-V). Du willst eine Schaltung mit einem OPAmp mit Rail-to-Rail-Eigenschaften, da Du nur 5V als Versorgungsspannung hast und der Ausgang auch 0-5 V erreichen soll. Das wird bei 50MHz etwas schwierig. Ich nehme hier gerne den LT1490. Der geht ganz gut. Alternativ (und für mich schlechter) wäre der TS912. Der Eingang ist etwas merkwürdig beschaltet. Ich würde den +-Eingang vom OPAmp mittels zweier gleicher Widerstände auf 2,5V (bzw. V+-Halbe) legen. Das machst Du auch mit dem --Eingang des OpAmp und koppelst da Dein Signal mit einem Kondensator ein. Dann ist es ein prima Komperator. Für einen Schmitttrigger legst Du noch einen vielfach größeren Widerstand vom Ausgang des Op-Amp an den --Eingang. Du möchtest 5V Swing bei 50MHz ? Das sind irgendwie 500V/us Slewrate des OPAmp. Die brauchen wohl eher einen Kühlkörper ! Ich würde mal bei CMOS-Gattern weitersuchen.
Der Hauptfehler dürfte vermutlich der Betrieb mit 5Volt sein. Der IC ist nicht für Single Supply gedacht, alle Messwerte beziehen sich auf +-6 Volt. Den einen Eingang an Plus zu legen bringt ihn noch zusätzlich durcheinander. Such mal nach den Philips AN141 und AN1434. Warum nimmst du keinen schnellen Schmitt-Trigger dafür? Arno
oops war die falsche Zeile: maximale Ausgangsspannung Peak-to-peal: Min 2.8 Volt. Also etwas mehr als 1 Volt sollte es doch sein. http://focus.ti.com/lit/ds/symlink/tl592b.pdf Gerhard
Ich habe noch einen AD818 von Analog Device für 130 MHz gefunden, der müste doch dafür gehen, oder ?
Mr-400-Volt wrote: > Ich habe noch einen AD818 von Analog Device für 130 MHz gefunden, der > müste doch dafür gehen, oder ? Warum versteifst du dich auf die Videoverstärker??? Der Output Voltage Swing des AD818 bei +5V Single Supply sieht auch nicht so aus als ob du damit TTL-Pegel erreichen könntest. Gruß, Magnetus
Hmmmm, es nuß doch mit den genannten Bausteinen möglich sein den Eingang so zu verstärken, das die TTL-IC´s vernünftig arbeiten. Es soll ein Schmittrigger und ein Zähler zum teilen der Frequenz eingesetzt werden. Danke !!!
Ich habe die oben genannten Verstärker noch da, und wollte es gern damit realisieren.
Nach dem Angehangenen Plan aufgebaut, und komme noch nichteinmal annähernd an die eingangsspannung rann.
Hallo nach Datenblatt:http://www.onsemi.com/pub/Collateral/NE592-D.PDF siehe Seite 5 hat der NE592 bei 5V Versorgung keine Verstärkung mehr.
Ich glaub ich hab´s. Ich habe den AD818 verbaut und mit einer +-5V Spannung versorgt. Das ganze als Invertierenden Verstärker aufgebaut, und hab am ausgang knapp über 5V ab 0,5V eingang. Ist das schlecht für den Verstärker, wenn er immer auf maximum regelt ? Danke !!
Weis einer, ab wieviel Volt am eingang ein Schmittrigger 74hct74 `Triggert`? Danke !!!
Hallo 74hct74 ist kein Schmitttrigger sondern Flip-Flop. Schmitttrigger wären 7414, 74132.
Bitte melde dich an um einen Beitrag zu schreiben. Anmeldung ist kostenlos und dauert nur eine Minute.
Bestehender Account
Schon ein Account bei Google/GoogleMail? Keine Anmeldung erforderlich!
Mit Google-Account einloggen
Mit Google-Account einloggen
Noch kein Account? Hier anmelden.


