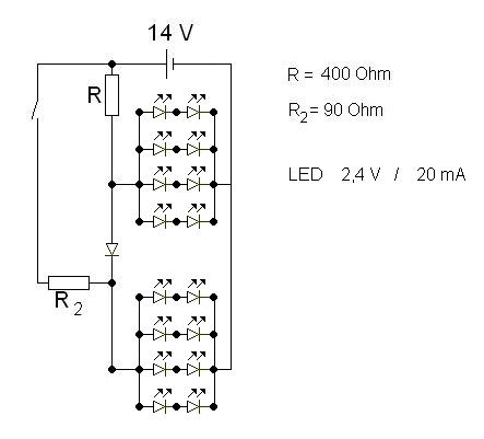
Hallo, ich habe folgendes Problem. Es geht um eine Schaltung aus mehreren Leuchtdioden, die mittels Diode in zwei Hälften geteilt werden soll... Bitte das Bild im Anhang beachten. Die Symbole A und B sind nicht richtig, es handelt sich hierbei um eine Gruppenschaltung aus LEDs. Aber im Prinzip ist das ja egal (hoffe ich). Es soll folgendermaßen funktionieren: Die Schaltungen A und B sollen gleichzeitig leuchten (nicht volle Helligkeit, deshalb auch der "große" 400 Ohm Widerstand). Bei bedarf soll die Schaltung B auf volle Helligkeit geschalten werden. Die Schaltung funktioniert bisher schon so... Nur habe ich das Problem dass die Diode einen zu hohen Widerstand hat, also wenn der Schalter (siehe Anhang) nicht geschlossen ist, leuchtet Schaltung B nicht mit halber Helligkeit sondern fast garnicht (glimmt nur ganz leicht). Ich benötige also eine Diode, die in die eine Richtung die 14V sperrt und in Durchlasrichtung einen Widerstand hat, der gegenüber den 400 Ohm "unbedeutend" ist. Wie berechne ich den Widerstand in Durchlasrichtung einer Diode anhand der gegebenen Daten (z.B. bei Conrad, Westfalia oder so)...? Ich hab schon in diversen Tabellenbüchern usw. nachgesehen... Aber dummerweise weichen die Formelzeichen von den z.B. bei Conrad aufgeführten ab. Da ich kein Elektriker sondern Stahlbauschlosser bin, kenne ich mich mit der Materie auch so gut wie garnicht aus... Für's ohm'sche Gesetzt reicht es, aber das gilt ja bei Dioden nur bedingt (lt. diversen Foren im Internet)... Kurz gesagt: Ich hab keine Ahnung welche Diode ich bestellen soll. Ich hab einfach eine ausprobiert, aber wie gesagt... diese hatte einen zu hohen Widerstand. Ich hoffe dass mir jemand helfen kann. Sehr dankbar wäre ich für ein Beispiel, so dass ich es bei einem möglicherweise widerkehrenden Problem selbst berechnen kann. (Wenn möglich, bitte an einem Beispiel aus dem Conrad Sortiment... dann hab ich wenigstens die Formeln mit den Richtigen Bezeichnungen...) vielen Dank Alex
Könnte es nicht der Spannungabfall von ca. 0,7 Volt sein, der den Teil B dunkler erscheinen läßt? Wie sieht denn Deine Reihen/Parallel-Schaltung an LEDs aus? Wieviele sind es? (Wie groß ist der Strom für die LEDs-Blöcke?)
Bau einfach in die Masche von "A" auch noch eine Diode ein. Solange die einigermaßen gleich warm sind, könnte das funktionieren. Dioden haben Pi*Daumen einen Spannungsabfall von 0,7 V, egal wieviel Strom fließt. Da an "A" und Diode+"B" die selbe Spannung anliegt, leuchten die Leuchtdioden nicht.
Hallo, hier nochmal eine überarbeitete Skizze. Das mit einer zweiten Diode habe ich mir auch schon überlegt... Aber es muss doch auch noch eine ander Möglichkeit geben, oder... Na mal sehen... vielleicht hat ja noch jemand den richtigen Tip für mich. Alex
Also wenn ich Deine Schaltung richtig überblicke, dann hast Du an der Diode einen Spannungsabfall von mindestens 0,7 V. Und der Spannungsabfall ist bei dem "dunklen" Zustand sehr gravierend, da der Vorwiderstand von 400R nicht mehr viel durchläßt. Versuch Duch mal eine Schottky-Diode (BAT42 o.a.), da liegt der Spannungsabfall bei ca. 0,3 Volt. Aber der Tipp von Frank wäre auf jeden Fall eine Überlegung wert, da er sicher der schnellste und praktikabelste ist ;-)
Hast Du alles identische LED's (gleiche Farbe..?) Die Spannung einer LED hängt unter anderem von deren Farbe ab! Doch auch wenn alle LED's identisch sind, solltest Du sie diese nicht einfach parallel schalten, (Die LED's sind nie 100% identisch) )sondern für jeden "Ast" seperate Vorwiderstände benutzen...
Hallo Versuchs doch mal mit der Schaltung im Anhang. Aber wie psavr sagte ist es ungünstig nur einen Vorwiderstand für mehrere Zweige zu nutzen. Such mal im Netz danach. Durch die unterschiedlichen Eigenschaften der LED's ziehen einige mehr Strom. Dadurch erwärmen sie sich und ziehen wieder mehr Strom. Durch diesen Vorgang zerstören sie sich. Wenn ein Zweig dann ausfällt, bleibt mehr Strom für die anderen. Der Vorgang setzt sich für die verbleibenden Zweige fort nur schneller. gruss ralf
Hallo... Ich hab mir das nochmal überlegt... Ich werde das mit der zweiten Diode versuchen. Das ist wohl der einfachste Weg. Zu der Sache mit den Leuchtdioden und deren Widerstände... Die Dioden erreichen ja höchstens 90% der max. Helligkeit. In den 14Volt steckt auch noch Reserve, es sind eigentlich nur 13,6Volt. Also mach ich mir wegen dem Durchbrennen keine Sorgen. Trotzdem vielen Dank. Also dann sag ich mal Danke für alle Hinweise... Bis zum nächsten Mal. Alex
Was soll die Diode da drin? Machs wie in Ralfs Bild, nur R1 und R2 teilst du in 4 Widerstände für jeden Zweig.
Bitte melde dich an um einen Beitrag zu schreiben. Anmeldung ist kostenlos und dauert nur eine Minute.
Bestehender Account
Schon ein Account bei Google/GoogleMail? Keine Anmeldung erforderlich!
Mit Google-Account einloggen
Mit Google-Account einloggen
Noch kein Account? Hier anmelden.


