Hallo zusammen, ich habe die angehängte Schaltung als Platine vor mir. Leider funktioniert gar nichts... Die Schaltung soll entweder per serieller Schnittstelle programmiert werden, oder über die optischen Schnittstellen (auch seriell) angesprochen werden. Zum Wählen, ob programmiert wird oder nicht sind zum einen die beiden Schalter auf der Platine, als auch der Jumper, der zum Programmieren gesetzt werden muss. Programmiert werden soll das Ganze mit FLIP von Atmel (der µC ist ein AT89C51ID2). Wenn ich in FLIP versuche die Verbindung zum Target herzustellen (egal welche Baudrate, egal welcher COM-Port) erhalte ich aber einen TimeOut. Ich nehme mal fast an, dass ich einen Fehler im Stromlaufplan habe, oder? Versorgt wird das Ganze (im Moment) mit 5 V von einer externen Spannungsquelle, später wird es durch die beiden Pins 1 der der Federleisten versorgt werden. Wäre dankbar, wenn jemand über den Stromlaufplan drüber schauen könnte und mir - hoffentlich - sagen kann, wo der Hund begraben liegt. Vielen Dank schonmal im voraus und viele Grüße
Sorry aber der plan ist echt ne zumutung. 1. mit Masse- und Versorgungsspannungssymbolen nicht geizen, statt die masselinien quer durch den plan zu ziehen 2. kann man signalleitungen auch in einem bus zusammenfassen 3. würde ich am controller nur die nötige standardbeschaltung zeichnen und dann an jeden pin ein label machen und das dann am "anderen ende" wieder nur mit einem kurzen strich andeuten und auch wieder mit einem label versehen (in etwa so wie im anhang) was bei solchen signalen doch nur interessiert ist wo das andere ende hingeht und das sieht man dann auf den ersten blick so blickt da jedenfalls keine sau durch, außer wenn man sich das ausdruckt, buntstifte nimmt, und alle verbindungen mit anderen farben übermalt.
> ups anhang vergessen
Hättest du auch besser gelassen. fast 800 kB für ein paar schwarze
Striche ist ne Zumutung!
@ aufreger deluxe: Hättest mal besser deinen browser geschlossen gelassen, kommen auch nur nen paar schwarze buchstaben und nen bischen farben, und das is noch wesentlich größer...
Hallo Ampfing, schau Dir mal das Datenblatt an, Du brauchst am Reseteingang einen Power on Kondensator den ich in der Schaltung nicht finde.
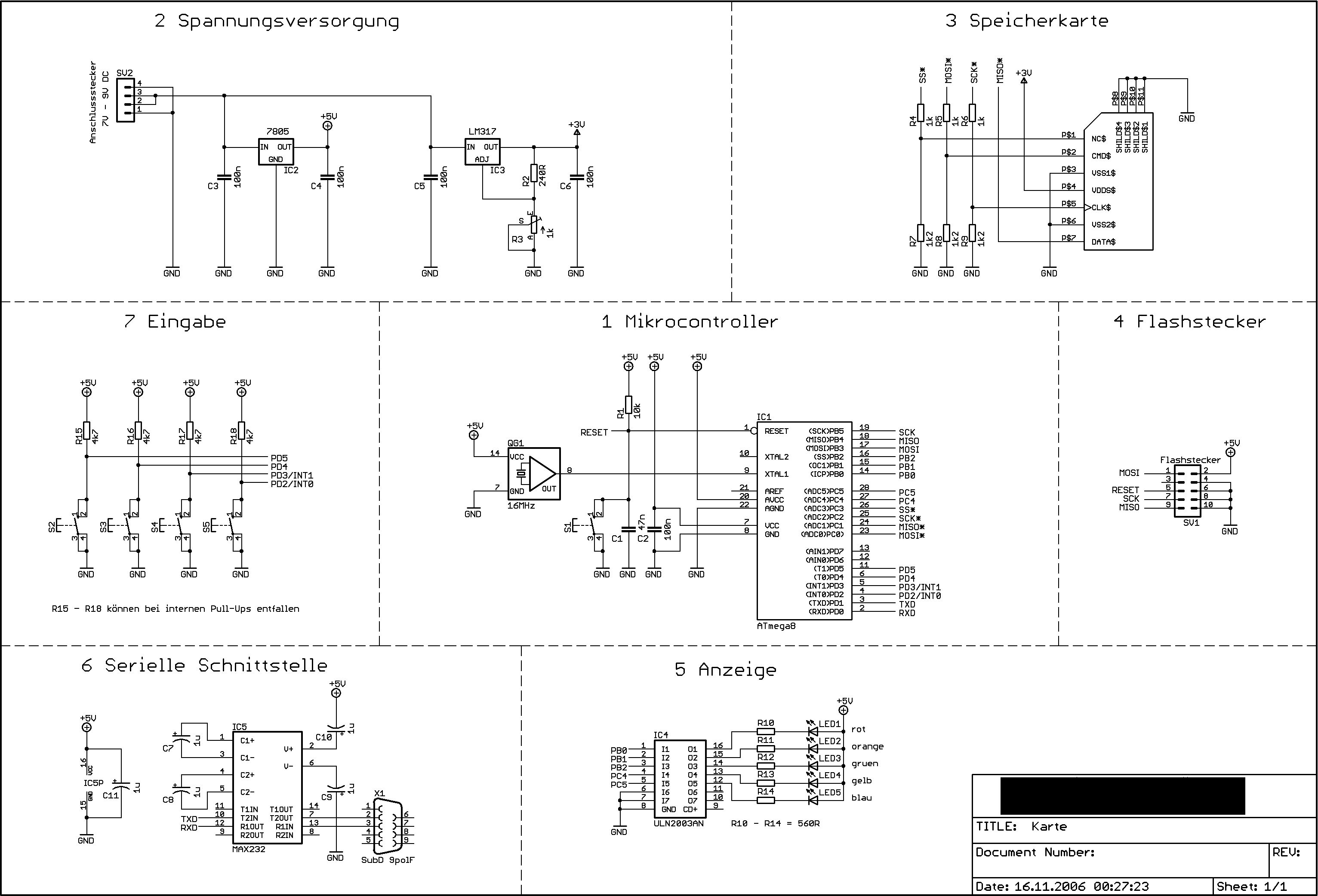
Hallo zusammen, okay, entschuldigt bitte, hab noch nicht besonders viele Stromlaufpläne gezeichnet... Hab jetzt eine etwas 'abgespeckte' Version davon, die glaube ich etwas übersichtlicher ist. Hab die beiden Federleisten weggenommen - incl. der Verbindungen. Deswegen sind jetzt auch am µC einige Pins nicht verbunden (aber die gehen sonst einfach nur per Leitung an die Federleisten, also keine Bauteile mehr dazwischen). Wenn ich das richtig verstanden habe, muss ich doch zum Programmieren einfach nur den Pin PSEN auf low ziehen und einen Reset machen, oder? Für die Pegelwandlung ist ja der ADM232 zuständig. S2 und S3 sind die Schalter um zu wählen, ob programmiert werden soll oder die optischen Adapter an den µC angeschlossen sind. S1 ist der Reset-Taster und K4 ist der Jumper. Ist das okay so? Viele Grüße und nochmal danke
also die resetbeschaltung erscheint mir nicht so der hit zu sein. ich würde nen ca 10k vom reset gegen masse schalten und nen 47nF parallel zum taster. so ist sichergestellt das bei geöffnetem taster Low-signal am reset pin anliegt und er nicht doch resettet
@Jürgen: O Mann, da hast du wohl recht! Für was brauche ich den? Ich meine, wenn ich den Taster drücke wird doch eigentlich ein high-Pegel an den Pin gelegt (und so schnell, dass ich den Taster innerhalb von zwei Maschinenzyklen wieder loslassen kann bin ich dann ja wohl doch nicht). Und wenn ich den Taster loslasse bringt doch an und für sich auch der Kondensator nix, oder? Wir groß muss/soll der Kondensator denn sein? Im Datenblatt finde ich nur, dass der Pull-Down-Widerstand ca. 200 kOhm hat... Und brauche ich tatsächlich nen ELKO? Danke für den Tipp und viele Grüße
Du brauchst einen Pull-Up-Widerstand von RESET gegen +5V, der Taster muss gegen Masse schalten, sonst ist er wirkungslos. RESET ist (wie man sieht) low-aktiv!
aus dem datenblatt: RST Reset input. A high on this pin for two machine cycles while the oscillator is running resets the device. also über Pull-Down an masse und Taster gegen +5V
@Basti Ändert nichts daran, dass man die Zeichnung auch komprimieren kann. Einfach mal etwas mitdenken, andere die keine Breitbandverbindung haben, möchten sich vielleicht auch beteiligen.
Okay, nochmal zum Mitschreiben bitte... Aus dem Datenblatt: "RST input has a pull-down resistor allowing power-on reset by simply connecting an external capacitor to VCC as shown in Figure 8. Resistor value and input characteristics are discussed in the Section “DC Characteristics” of the AT89C51ID2 datasheet." In dieser Tabelle finde ich den Widerstandswert des schon intern vorhanden PullDowns (wenn ich das jetzt richtig verstehe). Das heißt für mich, ich brauche den PullDown, den Basti meint nicht, oder? Den Taster lass ich also gegen V+, oder? Wo schalte ich jetzt wie den Kondensator mit rein und welchen Wert brauche ich (ELKO oder nicht)? Bin doch etwas verwirrt aufgrund der teilweise widersprüchlichen Auskünfte. Danke für Eure Antworten und viele Grüße
na gut ich hatte eben ne "kastrierte" version vom datenblatt. wenn dem wirklich so ist müsste der PullDown ja über sein, aber ich würd nen kleinen kondensator (kein elko) ca 50nF parallel zum Reset-Taster machen. Reset Taster bleibt da wo er ist ansonsten mess mal nach ob die versorgungsspnanung richtig ist, der oszillator schwingt, kontrollier die beschaltung rund um den ADM232 und versuch erstmal nicht über die optische sondern über die normale serielle obs geht
ach ja muss da im stecker für die serielle nicht noch was verbunden sein? sonst ist da immer 2 und 6 verbunden glaub ich
ja die serielle schnittstelle ist falsch, wenn ich mich richtig erinnere müssen pin 2 und 5 (rx, tx) angeschlossen werden, falls es funktionieren soll, ebenfalls die masse... bei der seriellen schnittstelle hast du einen elko zwischen 5V und GND... falls das ein störschutzkondensator sein soll, reichen 100n, damit er auch was bringt, würd ich nen keramikkondensator empfehlen, die elkos sind zu träge... Bei der Spannungsversorgung würd ich zusätzlich noch bei jeder Spannung ein glättungskondensator einfügen, ein elko...
Serielle schnittstelle braucht Pin 2,3, und 5. Wobei 5 Masse ist. Normalerweise reicht das aus. Jetzt muss noch RX und TX stimmen. Weiss es grad nicht auswendig wer welcher ist, daher sag ich hier jetzt nix dazu. Bei den üblichen Taktfrequenzen reicht ein 100nF Keramik Kondensator (X7R) aus. Jetzt kommt es extrem auf dein Platinenlayout an, wie gut sie funktionieren und ob du an manchen Stellen nochmal mit einem Elko stützen musst. Normalerweise ist das bei guter Leiterbahnführung nicht mehr nötig. da reicht einer am PowerSupply deiner Schaltung. Also Prüf erstmal ob der Max232 richtig funktioniert in dem du mal ein Oszi an die Signalleitung hängst. Dann kannst du ausserdem noch am Quarz der MCU messen, ob dieser schwingt. Sonst liegt das Problem noch tiefer.... viel erfolg MARC989
Ups, nicht hingeschat... du hast ja einen Oszillator. Klappt das oder muss man vorher irgendwelche fuses umschalten??? Marc989
Dein Prozessor läuft im 'IDLE-Mode', wenn du RESET auf Low legst. Siehe Datenblatt S. 142. Der RESET-Pin ist Low-aktiv!
@Sonic: Das Bild wiederspricht aber allem, was davor im Datenblatt steht, z.B. "Reset: A high on this pin for two machine cycles while the oscillator is running, resets the device." Das heißt doch, dass der Controller nen Reset macht, wenn ich High an dem Pin anlege, oder? Sonst müsste ich den Pin doch fest auf high legen um den Controller überhaupt betreiben zu können.? Bitte nicht böse sein, wenn ich deine Auskunft hinterfrage, ich wunder mich nur, wie das funktionieren sollte. @all: Hab ziemlich viel rumgemessen und folgende 'Entdeckung' gemacht: Mein Controller antwortet sehr wohl! Und das Signal kommt mit TTL-Pegel auch noch am ADN an, ABER dieser wandelt nicht wirklich. Die 1 macht er mit -12 V noch richtig. Wenn er auf +12 V (für eine 0) gehen sollte schafft er es gerade mal bis ca. -5 V! Das reicht dem Rechner natürlich nicht um das Signal zu erkennen und deswegen kommt er dann in den TimeOut... Werde also mal sehen, ob ich den Fehler irgendwo am ADN finde - vielleicht ist dieser ja auch einfach kaputt... Oder an was könnte das sonst noch liegen? Viele Grüße
Hmm.. was stimmt denn nu? Nach dem Symbol des µC in deinem Schaltplan ist der RESET-Pin auch lowaktiv. Probier's doch einfach mal aus, musst ja nur den Taster drücken. Würde mich jetzt auch interessieren was stimmt.
der ADN hat doch einen Enable- und einen Shutdown-Eingang.Hast du die auch beschaltet?
Messe mal die Spannung am RS232-Wandler, und zwar an Pin2 und an Pin6 (jeweils gegen Masse). An Pin2 sollten gut +8V (oder mehr) und an Pin6 -8V (oder weniger). Ich vermute, dass Du an Pin2 keine positive Spannung messen wirst, dann ist wahrscheinlich an der Beschaltung der Kondensatoren (Polung) etwas faul.
@Thomas Kaiser Da habe ich auch schon dran gedacht. Leider habe ich aber gute +10 bzw. gute -10 V an den Pins... Die Kondensatoren sind ganz normale 100 nF (keine ELKOs). Übrigens tritt das gleiche Phänomen mit einen zweiten IC auf, von daher gehe ich mal davon aus, dass nicht beide kaputt sind - sondern was an der Beschaltung nicht stimmt... @Sonic Also der Controller antwortet, wenn ich den Reset nicht drücke. Ob er auch antwortet, wenn Reset gedrückt ist (also der Pin auf high liegt) probier ich mal noch. Nehme aber mal eher an, dass der Pin auf high gelegt werden muss für nen Reset...
Bitte melde dich an um einen Beitrag zu schreiben. Anmeldung ist kostenlos und dauert nur eine Minute.
Bestehender Account
Schon ein Account bei Google/GoogleMail? Keine Anmeldung erforderlich!
Mit Google-Account einloggen
Mit Google-Account einloggen
Noch kein Account? Hier anmelden.

