Hallo leute! Wer will kann bei mir eine platine routen lassen! natürlich gratis! möchte nur mal schauen, ob ich eine platine die ich nicht kenne routen kann! Nehme nur einen! P.s.: kann glaub ich glaub ich heute noch anfangen! naja schreibt ma mal bei interresse MFG Exodus
Oh ja, da hätte ich was. Hab noch ein DSP-Projekt das auf ein Layout wartet. BGA`s sollten ja wohl kein Problem sein. Aber bitte max. ein 8-Layer-PCB, sonst werden die Produktionkosten zu hoch....
hm.. ok schicke es mir einfach an: webhost@gmx.net Ich sieh mir sie dann ma an ok dann sag ich dir bescheid. MFG Exodus
Wie gut kennst du dich mit EMV gerechten Routing aus? und welche Softwaretools hast du zur Verfügung? Marc989
Nimm dir aus dem Tutorial die Grundschaltung für den Mega8 und route dafür eine schöne Platine,die als Experimentierboard herhalten kann: Alle Signale sauber auf Steckerleisten herausgeführt, wahlweise Quarz oder Taktgenerator, ISP Anschluss und Spannungsversorgung. Wenn du da eine schöne Platine hinkriegst, könnten wir das Layout ins Tutorial mit aufnehmen. Wenn du noch Zeit übrig hast: Wir könnten auch ein I/O Platine dazu brauchen: Led, Taster, Poti's für die A/D Wandler, MAX232
@Marc989: inwiefernmeinst dass? emv hab ich noch nie eine gemacht! @ Karl heinz Buchegger: gehört dir die homepage? ahja dass kann ich machen ich probiers mal! ähm kann aber ein bisschen dauern kann eventuell erst morgen oder so anfangen ! hast du e-mail? MFG Exodus
ahja machma mit einem atmega8535 is besser kann mehr! ahja SMD oder normal? MFG Exouds
Als Layoutprofi in spe natürlich SMD! Maximal 0402! Wo lebst du denn?? ;-) MfG Falk
boah max 0402! dass kann doch ein neuling doch nicht mehr zusammenbauen! 1206 wäre da schon besser! MFG EXODUS
> > @ Karl heinz Buchegger: gehört dir die homepage? Nein. Aber wie alle anderen hier, beteilige ich mich an der Pflege :-) > machen ich probiers mal! ähm kann aber ein bisschen dauern kann > eventuell erst morgen oder so anfangen ! hast du e-mail? Wozu? Die Schaltung ist im Tutorial. Ev. müsstest du die noch erweitern. Wenn du sie in deinem Programm hast (100 * 60 klingt stark nach Eagle), poste das Ergebnis. Da werden dann sicher noch Vorschläge aus dem Forum kommen. Dann kannst du das routen und das Ergebnis hier wieder präsentieren. -> Es werden wieder Vorschläge kommen. Das geht dann ein paar mal hin und her. Du lernst was dabei und www.mikrocontroller.net kriegt eine schöne Seite ins Tuorial, auf der Schaltung, Layout und Stückliste präsentiert wird.
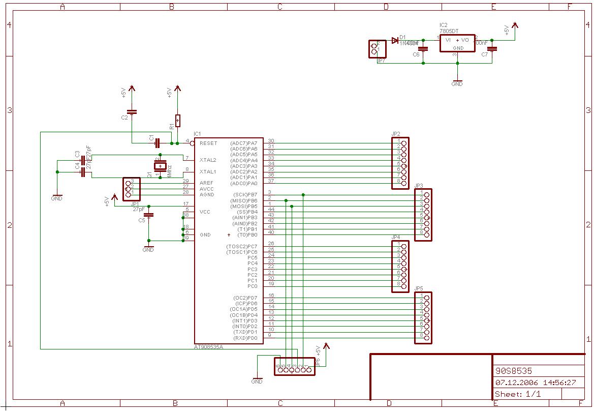
ok hier is mal ne schaltung hab nen at90S8535 genommen der kann mehr! MFG Exodus P.s.: ahja wenn wer vorschläge hat nur rein damit!
mist dateianhang zu groß! machts dir was auch wenn ich einen neuen thread aufmache mit dem projekt? MFG Exodus
Was hast du als Dateianhang genommen? Lass mich raten: Ein BMP File. Als JPG oder GIF speichern!
ah da hab ich nen fehler bei den vcc und gnd sind verbunden! sorry muss gleich entfernen! hatte zuerst einen anderen atmel drinn und ich machte nen neuen rein deshalb ist es hier so. MFG Exodus
@ Exodus 1206 sind Ziegelsteine, das ist was für Grobmotoriker. Just kidding ;-) Schaltpläne und techische ZEichungen bitte als GIF oder PNG, JPEG für Photos! Eagle kann PNG von Hause aus. MfG Falk
6-polige ISP-Steckerleiste ist Mist. Die 10-polige Variante (2x5) ist wesentlich einfacher zu bekommen. Der Schaltungsteil mit C1 und C2 am /RESET sieht komisch aus. Meine Laienmmeinung: funktioniert nicht. Irgendwo sollte noch ein Jumperfeld für Vcc (5V) und GND hin. Wechsel von Atmega8 auf At908535A (???) finde ich nicht gut, weil man das Tutorial umstricken muss. IC1 = At908535A finde ich nichts zum komtrollieren der Pins. Wenn ich mit At90S8535 kontrolliere passt die Pinbelegung nur aufs TQFP und MLF Gehäuse. Das müsste man angeben bzw. so zeichnen, nicht dass man denkt der lange Lulatsch kommt rein (PDIP). Atmel meint zum At90S8535: "Not recommended for new design: replaced by ATmega8535"
> Der Schaltungsteil mit C1 und C2 am /RESET sieht komisch aus. Meine > Laienmmeinung: funktioniert nicht. Recht hat er. Es braucht EINEN Kondensator (von sagen wir 10nF) nach Masse, nicht Vcc. MfG Falk
ok sry is nur eine alte version von mir! achja fange vielleicht heute noch zu zeichnen oder eventuell morgen! naja MFG Exouds
Lass dir noch Zeit. Da fehlt noch ein Kondi (100nF) von AVcc nach Masse. Ebenfalls einer von ARef nach Masse
Wenn man AGND generell nach Masse verbindet ist das, denke ich, in 99.9% aller Fälle nciht verkehrt. Ebenso würde ich AVcc generell mit Vcc verbinden. Lediglich für ARef macht es Sinn, wenn man einen Jumper setzen kann. Da reicht dann aber: ARef offen lassen oder ARef mit AVcc verbinden.
Was meiner Ansicht nach auf ein Experimentierboard auf jeden
Fall drauf sollte, ist ein Reset Taster.
Die Reset Schaltung hast du ja umgezeichnet:
|
| +--------+
µC |---------+-----+----| |--------- Vcc
| | | +--------+
| |
| |
----- /
----- /
| +
| |
------------+-----+------------------------ GND
Beim Druck auf den Taster, wird Reset nach Masse gezogen.
An die Port Anschluesse sollte noch Vcc und Masse ran.
Ist unpraktisch, wenn man da eine Erweiterungsplatine
ansteckt und dann muss man extra Versorgungsspannung
ran führen. Also: 10-polige nehmen und Vcc und GND hinführen.
(Du nimmst hoffentlich 2 reihige Stiftleisten. Dann kann
man nämlich schön mit Flachbandkabel in Schneidklemmtechnik
arbeiten. Also 2 * 5!)
Wo ist eigentlich die Spannungsversorgung: Also 7805 plus
schmückendes Beiwerk.
Auch eine Led als Einschaltkontrolle halte ich auf einem
Experimentierboard nicht wirklich für Luxus.
> Wo ist eigentlich die Spannungsversorgung: Also 7805 plus > schmückendes Beiwerk. Zu spät gesehen: rechts oben im Eck. Spendier dem 7805 noch eine Diode vom Ausgang zum Eingang.
Beim 7805: Die beiden Kondis sind wohl die 100nF Kondis. Spendier da am Eingang noch einen Elko. 100µF könnten schon reichen. 1000µF wären besser.
Den 7805 würde ich auf der Platine unbedingt liegend
einbauen. Wenn du den stehend machst, brechen irgendwann
die Pins ab. ("Oh schau, was n das. Das kann man verbiegen!
Ooops. Tut mir leid").
> ran führen. Also: 10-polige nehmen und Vcc und GND hinführen. > (Du nimmst hoffentlich 2 reihige Stiftleisten. Dann kann > man nämlich schön mit Flachbandkabel in Schneidklemmtechnik > arbeiten. Also 2 * 5!) Eine populäre Belegung findet sich zb. hier: http://www.roboternetz.de/wissen/index.php/RN-Definitionen#Datenportstecker_10polig_.288_Ports.29 gleich darunter findet sich die Belegung für einen 10 poligen ISP
Bitte melde dich an um einen Beitrag zu schreiben. Anmeldung ist kostenlos und dauert nur eine Minute.
Bestehender Account
Schon ein Account bei Google/GoogleMail? Keine Anmeldung erforderlich!
Mit Google-Account einloggen
Mit Google-Account einloggen
Noch kein Account? Hier anmelden.
