Hallo, lassen sich mit einem AVR auch Widerstände messen ? Wie müßte die Schaltung aussehen ?
Was wird denn üblicherweise bei ner Widerstandsmessung gemessen... Die Spannung die über dem Widerstand abfällt, wenn er von einem bekannten Strom durchflossen wird. Also brauchen wir einen bekannten Strom. Den können wir machen (Konstantstromquelle) oder Messen (bekannter widerstand->Spannungsmessung). ...
Ist das mit einem Spannungsteiler mit R1/Rx , mittelanzapfung an Adc möglich ?
OK, hier die möglichkeit mit Stromspiegelschaltung als Konstantstromquelle, als Spannungsversorgung genügt ein Festspannungsregler, sollte jedoch nichts Anderes dranhängen. Der ADC muss natürlich differentiell und je nach Widerstand mit Verstärkung messen.
Ich habe gerade gelesen, das mann einen konstanntstrom mit einem lm317
realisieren kann. Die Schaltung ist recht simpel.
o----in out----68ohm--------o
| |
adj --------------
o-----------------------------o
Die Ausgangsspannung wird konstannt auf 1,25V gehalten. Bei R1=68 ohm
fließt ein Strom von 18 mA. Müßte doch auch gehen, oder ??
Gehen wird's schon. Das Problem dabei ist die Eigenerwärmung des Prüflings infolge des hohen Stromes von 18mA und die Temperaturdrift des LM317. Deshalb habe ich den CA3046 vorgeschlagen, ist ein Transistorarray im DIL14-Gehäuse, es ist kaum externe Beschaltung nötig und die Temperaturdrift ist extrem klein.
Gut, den Strom könnte man durch änderung von R1 auch auf 10 mA bringen. Die eigenerwärmung dürfte bei 5V eingangsspannung ja nicht sehr hoch sein.
Also ich habe diese Schaltung zur Temperaturmessung mit pt100 eingesetzt. Der sollte niemals mehr als 2.5mA kriegen, da das sonst die Messung verfälscht. Bei einem 1/4W-Widerstand dürfte das keine Rolle spielen. Ich hatte auch das Problem dass sich die Umgebunstemperatur von 10°C bis 75°C ändern kann (Nebelmschine), darum die Temperaturstabilität. Ich kann die Schaltung jedenfalls empfehlen, ist einfach und präzise.
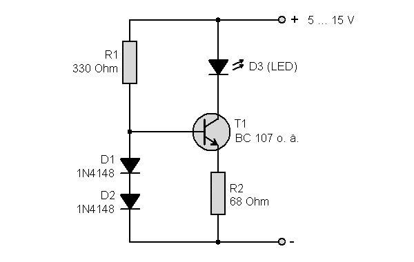
Oder was hällst du davon, statt LED, Rx. Der Strom beträgt 10 mA, und bleibt auch bei schwankender eingangsspannung gleich.
Geht auch. Aber wie gesagt: Temperatureffekt (Dioden, Transistor)! Experimentiere doch einfach mal mit den verschiedenen Schaltungen, Konstantstromquellen zu realisieren gibt's ja jede Menge Möglichkeiten. Die für dich am geeignetste wirste dann schon finden1
Bitte melde dich an um einen Beitrag zu schreiben. Anmeldung ist kostenlos und dauert nur eine Minute.
Bestehender Account
Schon ein Account bei Google/GoogleMail? Keine Anmeldung erforderlich!
Mit Google-Account einloggen
Mit Google-Account einloggen
Noch kein Account? Hier anmelden.

