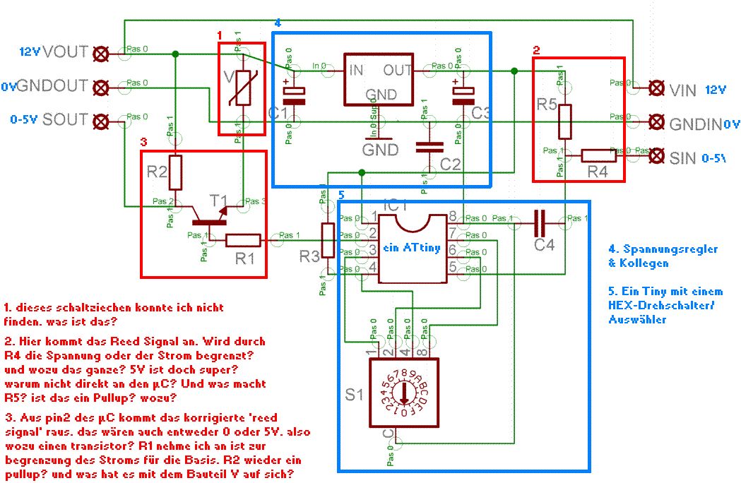
Hallo an alle auch daheim gebliebenen :-) Es geht um die Schaltung im Anhang. Aus technischen Gründen muss ein Reed Signal um einen Faktor 'beschleunigt' werden. Dazu existiert diese Schaltung. Einen Teil davon verstehe ich schon (sind aber auch nur die einfachen Sachen muss ich zugeben). Könnt ihr mir bei dem Rest (rot umrahmt) helfen die Funktion zu verstehen? Guten Rutsch, mfg raoul
R4 ist zur Strombegrenzung da, R5 ein Pullup um den Pin des Tiny auf nem definierten Potential zu haben. Bei dem unbekannten Bauteil würd ich auf einen Varistor tippen der als eine Art Sicherung zu sehen ist. Ausgangsseitig ist eine Transistorstufe dran weil der Autor der Schaltung wohl damit rechnet das der Strom dort den Tiny überlasten würde. Was soll eigentlich "Beschleunigung eines Reedsignals" bedeuten? Was macht der Tiny? Ohne passendes Programm macht Der nämlich erstmal garnix und ein grösserer Teil der Funktion dieser Schaltung wird wohl mit dem Programm zu tun haben. bye Frank
Das sieht irgendwie nach einstellbarem Impulsformer aus. Aber den Kaffeesatz hab' ich leider schon weggeschmissen..
1. das bauteil mit dem V ist ein VDR spannungsabhängiger widerstand als schutz für den eingang vor spannungsspitzen 2. R5 is nen pull-up und R4 wohl nen widerstand zur strombegrenzung 3. R2 is nen pull up für das ausgangssignal, das über den transisor entweder 0V oder über den pull up dann 12V ist, nicht wie angenommen 5V
Nunja, so würde ich einen ATTiny nicht beschalten, das mag er nicht. (Pin 8 ist +5V, Pin 4 gehört an GND) Beschleunigen kann man ein Signal nicht, man kann es nur verzögern. Ich schätze, das soll auch hier passieren. Zu den Teilen: 1: Das ist ein spannungsabhängiger Widerstand, diese Dinger dienen als Überspannungsschutz. 2: Weder, noch. R5 dient als Pull-Up (für einen definierten Pegel, wenn der Kontakt geöffnet ist), R4 plus C4 entfernen Störungen und reduzieren das Kontaktprellen. Auch Reed-Kontakte prellen. Da R4 und R5 nicht dimensioniert sind, weiß man nicht, ob das nicht zusätzlich als Spannungsteiler dient. 3: Ausgangstreiber für 12V. Der Emitter sollte, ebenso wie das untere Ende von 'V' mit GND verbunden sein. Und überhaupt fehlen da einige Verbindungspunkte. Gruss Jadeclaw.
Danke! Das Forum ist mal wieder seinem guten Ruf gerecht. Das Eingangssignal ist zu langsam (Low und High Zeiten). Deshalb werden (Low und High) Zeiten um einen später in der Software einstellbaren Faktor (so 1,2) multipliziert. Danke besonders für den Tipp, dass bei dieser Schaltung 12V beim Ausgang rauskommen. Hätte mir warscheinlich die ganze Elektronik versaut. Ich werde die Schaltung wohl noch ein wenig modifizieren. Danke an alle Leser und Beteiligte :-) mfg raoul
@raoul Bitte schalte bei Eagle in deiner Schaltung erst mal die Pins ab (Display) und dann setz bei Leitungen die verbunden sind einen Verbindungspunkt. (Macht Eagle auch selbst, wenn man unter Optonen - Einstellungen - Veschiedenes "junctions automatisch setzen" anhakt). Dann versuch mal die Schaltung von links nach rechts aufzubauen (wie man liest). Das alles hilft sehr. Ich mußte erst mal ´ne Aspirin nehmen nachdem ich die Schaltung gesehen habe,(kann natürlich auch an Sylvester gelegen haben). Da werden auch einige Leute reingesehen haben, den Kopf geschüttelt und wieder weg, und das hilft dir natürlich nicht. Einige (siehe oben) haben sich trotzdem durchgekämpft und dir die Tips gegeben, deshalb brauche ich dazu nichts mehr zu sagen. Stell deine neue Zeichnung doch gerade wieder hier rein. Würde mich interessieren, was draus geworden ist.
irgendwie gefällt mir auch die Anordung und/oder Bezeichnung der zu formenden Signale nicht. Ich lese Schaltpläne gewöhnlich von links nach rechts (wie auch das geschrieben Wort). im vorhandenen Schaltplan lese ich: Da kommt 12 Volt "VIN" von rechts reingeflogen und geht nach links weiter als "VOUT", und irgendwie die 12 Volt dann wieder von links rein in den Stabi auf den Eingang "IN". Spätestens jetzt ist mir schwindlig. Dreh einfach mal die Beschriftungen von Vin und GIN bzw. VOUT und GOUT um und sortier mal das Eingangs- und Ausgangssignal auch noch ein wenig um, so daß es von links nach rechts geht
ok in meinen Schaltungen werde ich eure Ratschläge verwenden. Aber der im Anfangsbeitrag reingestellte Schaltplan wurde nich von mir erstellt (und auch nicht nachgebaut, könnt ihr aber nicht wissen). Wenn ich Zeit habe mache ich mal einen neuen Schaltplan draus, bin mir aber noch nicht wirklich im klaren wie ich herausfinde, welchen Transistor ich einsetzen muss. mfg
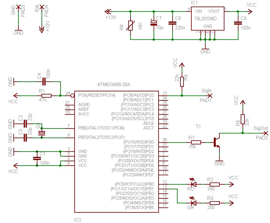
So. Hier nun meine 'Eigenkreation'. Wobei ich nicht wusste wie genau ich die Von-Links-Nach-Rechts Lesemethode anwenden sollte, da es dadurch denke ich unübersichtlicher geworden wäre. Hatte mich vertan: Es handelt sich nicht um einen Reed sondern um einen Hall-Sensor. Was meint Ihr zu der Schaltung? mfg raoul
Als Transistor kann ich dir einen 0815-Typen wie 2N2222 oder BCY59 empfehlen. Sind langjährig erprobte Schalttransistoren.
ahja. Hatte ich im Schaltplan vergessen hinzuschreiben. Ich nehme einen BC850B. Danke für den Tipp trotzdem.
im schaltplan würde ich die GND-symbole nach unten ausrichten, so wie der oben links der, und die +12V und VCC nach oben, so wie bei den pull-ups. sonst ganz ok
ok danke für die kontrolle. werde dann die teile bestellen und mich an die software machen. mfg raoul
Wow, das sieht doch schon recht gut aus gegenüber dem "Original". Paar Kleinigkeiten fehlen noch, z.B. welche Frequenz der Quarz nun hat oder der Widerstand R2 (denke mal 200R = 200 Ohm). Aber man sieht doch praktisch auf einen Blick, was los ist. Damit vermeidet man Fehler, die sonst im "Gewühl" unter gehen. Man sieht auch sofort, das AGND und AVCC nicht beschaltet sind, aber immer beschaltet sein müssen. (Im Datasheet ADC Noise Canceler ist eine Beispielschaltung angegeben)AGND verbunden mit GND. AVCC verbunden über Drossel 10µH mit VCC. Aber Übung macht bekanntlich den Meister. Noch´n Tip: Im Eagle gibt es einen ERC (Elctrical Rules check).
Hallo Jörn. Muss ich dem ADC auch Strom geben wenn ich ihn garnicht benütze und es auch egal wäre, wenn er ausfallen würde? mfg
Da hängen noch andere interne Dinge an AVCC dran. Deshalb sollte AVCC grundsätzlich ebenfalls an V+. Gruss Jadeclaw.
Yep, AVCC immer beschalten! Steht auch im "Kleingedruckten". Ich geb´s ja zu, das mir auch mal die Augen zufallen, wenn ich mich durch die Schwarten kämpfe, aber es bleibt dann doch immer noch was neues hängen. Ich habe übrigens eine Standart-Schaltung, die ich immer als Grundlage verwende und bei verschiedenen Projekten entsprechend abändere. Aber auch da ist AVCC immer über 10µH mit VCC verbunden und mit 100 nF an AGND. AGND und GND sind bei mir über einen Jumper verbunden, so das ich wahlweise die GND´s auftrennen und getrennt verlegen kann. Da fällt mir gerade noch was ein (wird jetzt ein Roman): AVR´s & Co schalten nach einem Reset die I/O´s auf Input, d.h. unbeschaltete Eingänge können wie Antennen wirken und Störungen einfangen. Einfache Abhilfe bei unbeschalteten i/O´s: Die internen Pull-Up Widerstände einschalten, oder aber die Dinger als Output deklarieren. Weiterhin viel Spass.
Bitte melde dich an um einen Beitrag zu schreiben. Anmeldung ist kostenlos und dauert nur eine Minute.
Bestehender Account
Schon ein Account bei Google/GoogleMail? Keine Anmeldung erforderlich!
Mit Google-Account einloggen
Mit Google-Account einloggen
Noch kein Account? Hier anmelden.

