Hallo, also ich bin auf der Suche nach einem Bestückungsrahmen. Die von Weller finde ich ideal, aber ich weiß nicht ob sie wirklich 43,xx Euro (Reichelt) wert sind. Und eigentlich ist da ja auch nicht viel dran?! Kennt ihr Bezugsquellen für ne günstige Alternative? Wichtig ist eben dieser Bauteilhalter, den ich bisher bei anderen Haltern nicht gefunden hab. Vielen Dank und liebe Grüße Anne
Und wozu das Ganze? Welche Super-High-Tec Platinen willst du denn bestücken? Man kann so ziemlich alles ohne solche "Hilfsmittel" bestücken. MfG Falk
Eine Rolle Tesafilm (oder ein anderer Klarsichtklebestreifen) dürfte "billiger" sein... Wenn man sich regelmässig die Finger "anlötet", lernt bald, wie man die Bauteile richtig festhält, ohne warme Finger zu bekommen... Zum Thema selbst: einen preiswerteren Platinenhalter habe ich noch nicht gesehen. Conrad hat noch einen, der aber nicht den Bauteilandrücker hat, wie ihn der von Weller besitzt. Dafür kostet er nur 10Euro (oder etwas mehr).
Hallo, also wir arbeiten halt in der Ausbildung damit und daher finde ich sie sehr nützlich..habe nun zu Hause auch schon versucht das ganz auf dem Tisch zu legen, aber die Bestückung wird damit nicht so wie mit Rahmen. Es geht ja auch um korrekte Abstände zur Platine, gerade Ausrichtung und so weiter. Naja Beispiel Widerstand: Erst schön im 90° Winkel ausbiegen damit er genau passt...so festhalten geht nicht weil in einer Hand Zinn in der anderen Lötkolben. So der Tip mit den Beinchen wieder auseinander biegen geht auch nicht, weil das die Prüfer dann sehen und das nicht zulässig ist bzw nicht gern gesehen wird. Gut, dann werde ich wohl mit der Variante für 43 Euro leben müssen..Danke euch trotzdem. LG Anne
Liege ich da jetzt falsch: Man biegt dem Widerstand schön um rechten Winkel die Beine ab. Steckt ihn durch die Platine, lötet ein Beinchen fest, schneidet dann beide Beine auf die richtige Länge (ca. 3mm?), lötet dann das lose Beinchen auch noch an (so, dass die Schnittfläche auch bedeckt ist, und lötet dann das zuerst angelötet Beinchen noch mal nach. Zumindest hat sich in meiner Gesellenprüfung niemand darüber beschwert. ... und immer schön die Farbringe in eine Richtung ausrichten ...
@Anne > also wir arbeiten halt in der Ausbildung damit und daher finde ich sie > sehr nützlich..habe nun zu Hause auch schon versucht das ganz auf dem > Tisch zu legen, aber die Bestückung wird damit nicht so wie mit Rahmen. Alles Übungssache. MfG Falk
Hallo, also das mit den Farbringen stimmt so..aber das Löten haben wir anders. Beim Abschneiden darf der Lötzinnkegel nicht ab- oder angeschnitten werden. Man muss also da abgeschnittene Beinchen sehen und daher würde man auch sehen wenn man es auseinander biegen würde, damit es auf der Platine hält. Grüße Anne
Ich benutze als "dritte Hand" einen preisgünstigen Kugelkopfschraubstock aus dem Baumarkt: http://www.kwb-burmeister.de/2/ewz/pdf/EWZ-SAN%2047.pdf Nr. 7769-00 es muß ja nicht der teure vom Marktführer sein.
Hi Habe mir selber so ein Teil selber gebastelt ! Wenn Interesse besteht, kann ich ja mal ein Bild reinstellen. Ich habe mir so ziemlich alles für das erstellen von Platinen selbstgebaut. - Belichter - Platinenschneider - Ätzküvetten (Sprühätzanlage befindet sich im Bau > Endphase) - Bestückungs"rahmen" - Lötzinnabroller - Bohrständer für den Dremel - kleiner Leuchttisch - Belüftung der Küvetten über Kühlschrankagregat - ......... Nette Grüße Torsten
Huhu Torsten, ja ein bild wäre nett!! Du bist ja ein Freak...ist ja cool was du alles schon gebaut hast. Wir sind gerade am Belichter ;-) @Christoph, danke für den Tipp...ja diese Platinenhalter ohne diesen Beuteilhalter gibt es ab 5 Euro, auch mit Lupe und so...aber mir wäre halt dieser Bauteilhalter wichtig... Liebe Grüße Anne
Also zu der Technik des Anlötens... ich kenne das ein wenig anders. Einen Bestückungsrahmen habe ich nicht und brauche ich nicht. Zuallererst werden die Drahtbrücken in die Platine eingesetzt, Silberdraht mit zwei Zangen ein wenig strecken und dann schön mit der Zange auf 90 Grad biegen. Nach ein wenig Übung passt der Draht exakt zwischen die beiden Löcher (ohne Spannung). Wer will kann vorher den Silberdraht noch polieren, aber das ist Geschmackssache. Zum fixieren vorm Löten nehme ich ein wenig Kreppband (Malerband) fixiere Ihn und drehe dann die Platine. Der Überstehende Draht, Beinchen werden vor dem Löten abgeschnitten. Ein wenig Lötzinn als Abstandshalter damit man immer annähernd den gleichen Abstand hat und dann abkneifen. Dann Löten. Dies hat den Vorteil, dass nicht allzuviel Hitze über die Beinchen verloren geht. Nach dem Draht kommen die Widerstände (ja ich bekenne mich, ich nehme die Biegeleisten von Reichelt, da es mir auf Dauer zu anstrengend ist alle Widerstände per Hand auf 90 Grad zu biegen), dann die Kondenstatoren,... Immer alles schön mit Krepp fixieren und Bauteil für Bauteil (können auch mal zwei oder drei sein) löten. So bekommt man dann auch mal eine Reihe von LEDs freistehend schön ausgerichtet (dauert halt nur etwas). Wenn die Bauteile höher werden wird es schwieriger die Platine umgedreht liegend zu löten. Hier lege ich häufig die Platine auf eine oder zwei Lötzinnrollen. Wenn die Rollen ein grosses Loch (meist nur bei 1kg Rollen) haben kann man bei wenig Bauteilen diese umgedreht im Loch verschwinden lassen und dann prima Löten. Bei grösseren Platinen gehen auch sehr gut die Deckel von CD-Spindeln. Aber im Endeffekt ist das alles eine persönliche Frage. In der Berufsschule hatten wir auch einen Meister, der war bei allem Mister 150%ig. Aber beim Bestücken und Löten hat er die Reinsteck-Beinumbiege-Löten-Abknipsen-Methode bevorzugt. Und diese sieht wahrlich nicht schön aus. Lötrahmen gab es auch, die hatten von der Bauteileseite eine Platte mit Schaumstoff. Somit konnte man fast alles bestücken und dann alle Bauteile Löten. Aber so schön war es auch nicht, durch die verschiedenen Bauteilehöhen stimmte der Anpressdruck nicht unbedingt und die Bauteile mussten nachher wieder per Hand optisch korrigiert werden. Sascha
Hallo, ja gut also das der normale Ablauf des Bestückens klar ist davon bin ich jetzt einfach mal ausgegangen...alles der Größe nach, ausbiegen ohne Spannung usw. Ich muss das machen was die Prüfer wollen und ich hatte es bei ein paar Lötaugen das man nichts mehr vom Beinchen gesehen hat und da wollten die mich fast fressen, weil man so ja gar nicht genau wüsste ob Kontakt da ist oder nicht. Also werde ich mich einfach mal daran halten müssen. Mit den großen Anpresshaltern haben wir auch gearbeitet und wenn man hier auch wieder die Bauteile der Größe nach einlötet passt das auch super. Grüße Anne
>Beim Abschneiden darf der Lötzinnkegel nicht ab- oder angeschnitten >werden. Das wäre mir viel zu anstrengend. Es handelt sich beim Löten des ersten Beinchens auch eher ein Kleben. Die Lötstelle muß komplett "aufgeweicht" werden, wenn das Bauteil komplett angelötet wird. So ähnlich wie beim SMD-Löten... >Immer alles schön mit Krepp fixieren Andere nehmen dafür Tesafilm... >Reinsteck-Beinumbiege-Löten-Abknipsen-Methode Um 90°? Wenn die Beine etwas schräg sind (30°-45°), dann sieht es noch recht gut aus und lötbar ist es auch noch. Ich müsste echt mal meinen Meister von damals wieder besuchen...
Hallo, also das mit dem abbiegen ist bei uns auf keinen Fall nicht erwünscht...die beinchen müssen gerade sein... Grüße Anne
Mittlerweile ist auch eine Beleuchtung angebaut. Der "Haltearm" wird noch mit Federn versehen !
Hi Torsten, das "Ding" gefällt mir, was hast du dafür bezahlt? so für die Bauteile und so? mfG timmee
Was für mich noch wichtig war, dass man das Teil ohne Werkzeug (Imbusschlüssel) über Rändelschrauben in der Breite stufenlos verschieben kann.
@Tim Sorry - da hat sich wohl etwas überschnitten. Materialkosten ? 0,00€ - Alles aus der Restekiste und mit div. Werkzeugen (z.B. Dremel-Klon) bearbeitet. Beschriftung über meinen Schneideplotter. Das "Rad", mit welchem die Platine gedreht wird, ist z.B. ein Stufenzahnrad aus einem ausgeschl. Drucker. Oh - sorry - die Rändelschrauben habe ich gekauft :-) Nette Grüße Torsten
>die Biegeleisten von Reichelt
@Sascha (oder wer noch so ein Teil hat)
Wäre es ein großer Aufwand, wenn Du die Biegelehre einmal von oben
(gerade von oben) fotografieren könntest, mir eine kleine Bemaßung
nennen würdest und es hier reinstellen würdest
(Länge u. Breite würde mir schon genügen, da ich es dann am PC
entsprechen skalieren kann) ?
Es wäre sehr, sehr nett.
Die Rastermaße sind mir bekannt. Das Teil ist nun wirklich günstig -
sicher, aber ich brauche im Moment nichts von Reichelt und wenn ich
nur das Teil bestelle, wird das richtig teuer (Mind.Best-W/Porto).
Daher möchte ich mir selber eine basteln (ob nun unsinnig oder nicht -
ich bastel halt gerne) !
Nette Grüße
Torsten
Du kannst dir das Ding auch für wenig Geld bei CSD bestellen. Wenn ich zuhause bin, kann ich meine Biegeleere mal auf den Scanner legen...
@Oskar (Rahul) Das wäre sehr nett von Dir. Ich schrieb ja oben schon, dass ich fast alles selber gebaut habe. Dabei ist z.B. ein Platinenhalter für die Küvetten, den es bei Reichelt auch für wenig Geld gibt. Allerdings etwas "anders". Es macht mir halt Spaß ... Nette Grüße Torsten
eine einfache Biegelehre kann man aus einem Rest Lochrasterplatine machen. Die käufliche (63ct bei R) hat aber den Vorteil das die Bauteile noch zentriert werden. Und wo wir gerade beim Sparen sind: bei Aldi gibt gerade Halogen-Stiftlampen im Sixpack für 1,49. Oder waren es 1,39? In 10,20,35 und 50Watt.
@Torsten: Dein Multitool sieht schon beeinduckend aus. Was mich ebenfalls interessieren würde, ist dein Platinenschneider. Ist das eine Art Schlagschere, oder arbeitet er spanabhebend?
Hi
>Ist das eine Art Schlagschere, oder arbeitet er spanabhebend?
Das ist ein Dremel mit einer biegsamen Welle und Trennscheibe.
Aber Bilder sagen ja bekanntlich ........
Vor kurzem habe ich mir auch noch eine kleine Tischkreissäge gebastelt.
Funktioniert tadellos - sogar mit selber entworfenen und dann
aus Edelstahl gelaserten Sägeblättern.
Bild 1:
Bild 4: Mittlerweile habe ich die Dremelhalterung mit an den eigentlichen "Schneidetisch" befestigt, damit ich unabhängig von irgendwelchen Befestigungsmöglichkeiten bin. Das Teil schneidet mit einer einfachen Trennscheibe genauso gut, wie mit einer Diamantstaubbesetzten. Hier hatte sich die Investition der original biegsamen Welle von Drehmel gelohnt. Die meisten Wellen haben ein recht dickes Handstück, damit man werkzeuglos das Werkzeug wechseln kann lol Hat allerdings den Nachteil, dass man an Schnitttiefe verliert. Könnte man aber über eine größere Trennscheibe (z.B. die Glasfaser- verstäkten) kompensieren. Das Handstück der Dremelwelle ist fast genauso im Ø wie die Welle selber. Nette Grüße Torsten P.S. @Rahul Denkst Du ggf. nochmal an den Scan ?
Ach ja - das sind alles ältere Bilder. Von unten ist nun alles mit Styropor und Schaumstoff ausgekleidet, sowie verschlossen und mit Moosgummi beklebt, damit es nicht rutscht, weniger vibriert und leiser ist. Auf manchen Bildern sieht das Teil etwas verbogen aus. Ist es aber nicht. Irgendwie bekomme ich das mit den Fotos nich so richtig hin ..... Nette Grüße Torsten
>Denkst Du ggf. nochmal an den Scan ?
Ja, gerade eben wieder dran gedacht...
Ich schicke mir deswegen mal ne Mail.
@Thorsten: hattest du sowas gesucht? von der schmalen Seite an: 7,5, 10, 12,5, 14, 17 mm. Jeweils ca. 0,3 mm weniger für den Biegeradius. Die Aussparung für die Bauteile ist 4 mm tief.
>@Thorsten: hattest du sowas gesucht?
Danke, jetzt muß ich meinen Scanner nicht mehr anschmeissen.
Ja suuuuper ! Vielen Dank ! Kann es sein, dass die Gesamtlänge 135 mm beträgt ? Nette Grüße Torsten
aber vorsichtig fräsen, ein abgebrochener Fräser kostet ein vielfaches der Biegelehre...
Kein Problem ! Wird aus Hartschaum "gebastelt". Vorlage ist schon fertig gezeichnet ! Nette Grüße Torsten
@Torsten: Vielen Dank für die aufschlussreichen Fotos vom PCB-Cutter. Die Idee mit der biegsamen Welle finde ich gut, und sogar an das Absaugrohr ist gedacht. Ich werde mir vielleicht etwas ähnliches zusammennageln, da ich noch keine kostengünstige und schnelle Methode gefunden habe, um Platinen halbwegs genau zu trennen. Ein anderer diesbezüglicher Thread im Forum half auch nicht so arg weiter.
Ich habe die kleine Proxxon Tischkreissäge gekauft, aber schon beim Teilen einer Eurokarte in 2x80 mm ist die am Limit: den Anschlag kann man nicht auf diese Breite einstellen. Der Motor und der Rest sind aber ok, ich werde deshalb mal versuchen eine grössere Platte auf die Säge zu bauen, dann ist die richtig gut brauchbar. Kompletten Selbstbau einer Säge habe ich auch überlegt, bin da aber nicht so ausdauernd wie Thorsten. Wellenböcke kriegt man aus dem Schiffsmodellbau und den Antrieb hätte ich auch mit Zahnriemen gemacht (wie in der Proxxon).
>Ich habe die kleine Proxxon Tischkreissäge gekauft, aber schon beim >Teilen einer Eurokarte in 2x80 mm ist die am Limit: den Anschlag kann >man nicht auf diese Breite einstellen. Die Frage ist, in welcher Richtung sie am Limit ist. Geht der Anschlag nicht dicht genug an's Blatt oder nicht weit genug vom Blatt weg ? Beides eigentlich kein Problem: neuen Anschlag basteln !!!! Im Anhang mal meine kleine selbstbau Tischkreissäge und der selbstbau Bohrständer. Nette Grüße Torsten
Ach ja - an der Säge fehlt noch die Absaugung. Realisiere ich aus einem alten Handstaubsauger. Tja - hier wird ALLES verwertet. Sollte die Frage des Preises auftauchen: ca. 3,- € - alles Andere aus der Restekiste und dem Elektroschrott.
Ääähm - der Motor für die Säge, stammt aus einem Mixer. Meine Frau war nicht sooooooooo begeistert und sie Fand die Idee mit der Säge auch klasse - bis ich Ihr das leere Mixergehäuse zeigte ....
Zum Schneiden von Platinen sollen sich auch sehr gut die elektriechen Fliesenschneider eignen. Vorteil: das Blatt steht im Wasser - somit keine Staubbildung und keine Absaugung nötig.
an der Proxxon Kreissäge kann man doch nicht so einfach die Platte wechseln, das ist ein aufwändigeres Gussteil mit Befestigungen der Lager usw. Dann lasse ich das erstmal so. Zum Glück gibts in unserer Firma eine Werkstatt mit professioneller Schlagschere, die halbiert mir die Platinen in zwei Sekunden.
Sorry - die Sache wird hier durch mich etwas OffTopic. Ich bitte um Entschuldigung ! Nette Grüße Torsten
Hallo, ich baue auch gerade einen Bestückungsrahmen da mir der von Weller zu teuer ist und es Torsten vorgemacht hat. Werde in den nächsten Wochen mal ein Bild reinstellen. Jan
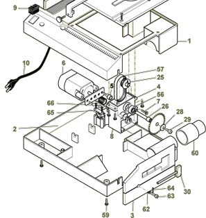
Als Hilfe zur Tischkreissäge, das ist die Explosionszeichnung zu der von Proxxon.
So ungefähr sollte mein Platinenhalter aussehen. Also ähnlich dem von Weller. Übrigens im Conrad kann man den nur noch online kaufen da die jetzt von ihrer eigenen Marke einen (unstabilen und klapprigen) rausgebracht haben. Für 20€. [[http://www.conrad.de/goto.php?artikel=813141]]
>Übrigens im Conrad kann man den nur noch online kaufen da die jetzt von >ihrer eigenen Marke einen (unstabilen und klapprigen) rausgebracht >haben. >Für 20€. Das Ding habe ich schon für´n Fünfer bei Ebay gesehen ...
Hi, also ich habe mir den Rahmen von Weller schon vor einiger Zeit gekauft und muss sagen, dass ich im Großen und Ganzen zufrieden damit bin. Er ist sicherlich etwas überteuert, allerdings machten die Anschaffungskosten bei mir damals nur ein kleinen Teil aus (DSO mehrere hundert Euro, Signalgenerator mehrere hundert Euro, Lötstation knapp 200 Euro, etc.). Ist aber auch eine Frage, wer sich so etwas kauft. Ein Schüler, der wenig Geld hat, aber dafür mehr Zeit, ist sicherlich mit einem selbst gebauten Rahmen besser dran. Wenn man die Zeit berücksichtigt, die man in so ein Bestückungsrahmen-Projekt stecken muss, ist man mit Materialkosten und der eigenen Arbeitszeit schnell jenseits von 44,- Euro. Und wozu? Nur damit man sagen kann, "dass habe ich selbst gebaut"? Da baue ich doch lieber andere Sachen, die mehr mit Elektronik als mit Handwerk zu tun haben. Von daher: Wer das Geld über hat und selbst pro Stunde x Euro kostet, kann ihn sich meiner Meinung nach beruhigt kaufen. Schrott ist er nicht, die Lösung aller Löt-Probleme aber sicherlich auch nicht. Ich nehme ihn nur, weil ich öfter mal Platinen habe, die aufgrund ihrer Bauteile ziemlich uneben sind und sich daher nicht so optimal auf einer ebenen Fläche liegend löten lassen.
Bitte melde dich an um einen Beitrag zu schreiben. Anmeldung ist kostenlos und dauert nur eine Minute.
Bestehender Account
Schon ein Account bei Google/GoogleMail? Keine Anmeldung erforderlich!
Mit Google-Account einloggen
Mit Google-Account einloggen
Noch kein Account? Hier anmelden.









