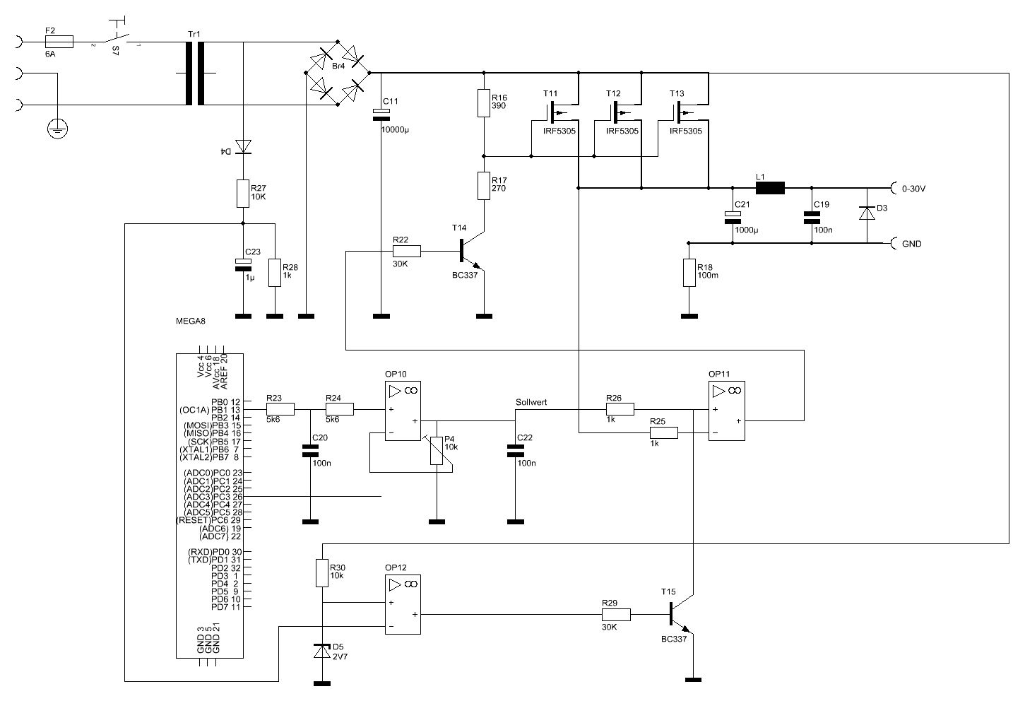
Hallo, Nachdem mein Netzgerät mir jahrelang treue Dienste geleistet hat, ist es jetzt in den Elektronikhimmel. Ich hoffe es ruht in frieden… Ich möchte mir nun ein neues bauen, 0-30V max.7A. Das ganze soll über 3 parallelen IRF5305, die ein PWM Signal von einem Mega8 TQFP bekommen, geregelt werden. Bevor der Mega8 sich Langweilt, sind 4 Messausgänge max. 30V nach außen geführt. Angezeigt und Bedient wird das ganze über ein 4*16 LCD und 5*Tasten (+, -, hoch, runter und Enter). Ach ja, Akkus soll man auch entladen und landen können (Delta-U-Abschaltung). Fürs entladen R12/T10. Mein Problem ist die Strommessung. Über R11 (6mOhm) fallen bei 7A 0,042V ab. Ein OP verstärkt es um 81,3, das ein auswertbare Spannung für mein Mega8 entsteht. Soviel zu Theorie, funktioniert das ganz auch so wie ich mir das vorstelle? Bedenken habe ich auch bei der Ansteuerung der T6-T8. Hat jemand noch Verbesserungsvorschläge? Vielen Dank Gruß Olli
Ansteuerung mit MOSFET-Treibern Spule in den Ausgang Probleme bei der Strommessung wegen EMV-Störungen Regelverhalten mit µC schwer zu realisieren (ich kenne kein funktionierendes Beispiel) besser mit OP ausregeln, µC gibt den Sollwert vor.
Mal ´nen generelles Problem: Stell sicher das die Fets gesperrt sind bis der MC versorgungsspannungsmäßig und initilisiert ready to go ist, sonst hast du volle Kanne Dampf auf den Ausgangsklemmen. Ähnlich ist das Problem bei Netzausfall: Meine analoge Regelung hatte festgestellt, das die Ausgangsspannung sinkt und noch "Im Sterben" die Transistoren voll aufgerissen. Na ja, die daran hängende Schaltung ging dann auch in den Müll. Der R11 für die Strommessung ist imho zu klein. Die 10 Bit Auflösung bei 7 Amp max bringt dich auf ca. 10mA. Aber das ergibt einen Spannungsabfall von 60µV, selbst bei 1A hast du nur 6mV. Da verstärkst du nur das Rauschen. Ich würde da eher auf 50-100 mOhm gehen. Ein richtiger Shunt evtl. mit Kühlkörper sollten eigentlich kein Problem bereiten.
Moin, erst mal Danke für eure Tipps. Auf einem Mosfet-Treiber wollte ich verzichten, hatte mal einen kleinen Aufbau mit den BC337 ausprobiert. Eigentlich schalten die Fet’s recht sauber. Ich hatte mir über das Ein- bzw. Ausschalten überhaupt keine Gedanken gemacht. Danke für den Hinweis. T15 soll Vsoll solange abwürgen bis C23 min. 2,7V hat. Beim Abschalten wird C23 über R28 entladen und zieht Vsoll wieder auf 0V. Funktioniert das so? Gruß Olli
Ich finde den Schaltplan sehr verwirrend. Mal sind Punkte an Verzweigungen, mal nicht. OK, das kann man sich noch halbwegs zusammenreimen.. Auch auf die Gefahr hin, dass ich jetzt gesteinigt werde: Bei einem Abwärtsregler braucht man nicht zwingend eine Spule am Ausgang. Der C am Ausgang ist Energiespeicher ähnlich wie der hinter der Grätzbrücke. Gab hier mal irgendwo einen Thread, in dem unter anderem Ratber ein funktionierendes Beispiel ohne Spule gezeigt hat, aber andere Leute steif und fest behauptet haben, man bräuchte eine. Ansonsten bin ich mal sehr gespannt, was draus wird. Ich will mir auch schon seit Ewigkeiten sowas bauen. Vielleicht bau ich ja dann deins nach..
Die Frage ist: was willst Du mit diesem Netzgerät betreiben? Für Glühlampen und Motoren ist es vielleicht OK. Elektronikschaltungen? Vergiß es.
Sorry Jens Peter das ich dich verwirt habe, das Netzgeraet2.gif war nur ein Entwurf, ob ich Stefan und Jörn richtig verstanden habe. @Marko Ein sauberes regeln bis 30V/7A über MosFet’s ist mit Sicherheit nicht einfach. 7A Ausgangsleistung benötige ich für das laden von NiMh-Akkus. Natürlich wollte ich auch Elektronikschaltungen ans Gerät anschließen können. Warum meinst du das dass so nichts wird? Das ist mir schon klar dass ein geregelter Längsregler mit Transistoren weitaus stabiler laufen würde. Nur bei der Leistung bräuchte ich keine Heizung mehr im Bastelzimmer. Olli
Guck mal bei Abwärtswandler wegen der Schaltung von D,L und C http://schmidt-walter.fbe.fh-darmstadt.de/smps/abw_smps.html
@Olli: Die Diode und die Spule kommen vor den Siebelko, sonst macht sie keinen Sinn. Die Ansteuerung der MOSFETs taugt nichts, Die Flanken sind viel zu flach und bei großer Einschaltdauer brennt Dir der Gatewiderstand ab. Die PWM-Erzeugung taugt auch nichts. Entweder direkt im µC regeln oder richtigen PWM-Regler aufbauen (Regelverstärker, Sägezahn-/Dreieckgenerator, Komparator) @Jens Peter: >Auch auf die Gefahr hin, dass ich jetzt gesteinigt werde: Bei einem >Abwärtsregler braucht man nicht zwingend eine Spule am Ausgang. Der C am >Ausgang ist Energiespeicher ähnlich wie der hinter der Grätzbrücke. Gab >hier mal irgendwo einen Thread, in dem unter anderem Ratber ein >funktionierendes Beispiel ohne Spule gezeigt hat, aber andere Leute >steif und fest behauptet haben, man bräuchte eine. Die Spule in einem Schaltregler ist von fundamentaler funktionaler Bedeutung und deshalb zwingend erforderlich. Natürlich schafft es ein Schaltregler auch ohne Spule irgendwie, die Sollspannung zu generieren, aber der Wirkungsgrad ist dann definitiv nicht größer als bei einem normalen Längsregler. Im Gegenteil: durch die hohen Impulsströme kommt es zu zusätzlicher Erwärmung von Bauteilen, die bei einem Längsregler eiskalt bleiben würden. Dazu kommt noch ein massives Störsignal, das wieder ausgefiltert werden muß. "Funktionierende Beispiele" kannst Du also getrost vergessen. @Stefan: >Regelverhalten mit µC schwer zu realisieren (ich kenne kein >funktionierendes Beispiel) besser mit OP ausregeln, µC gibt den Sollwert >vor. Und es funktioniert doch. Ich habe vor längerer Zeit mal einen Testaufbau mit einem PIC16C73 aufgebaut und der funktionierte sehr gut. Spannung- und Strom-Istwerte gingen über ADC rein und Ausgangsspannung wurde über PWM gesteuert. Sollwerte für Spannung und Strom gingen wahlweise über ADC oder RS232 rein. Jörg
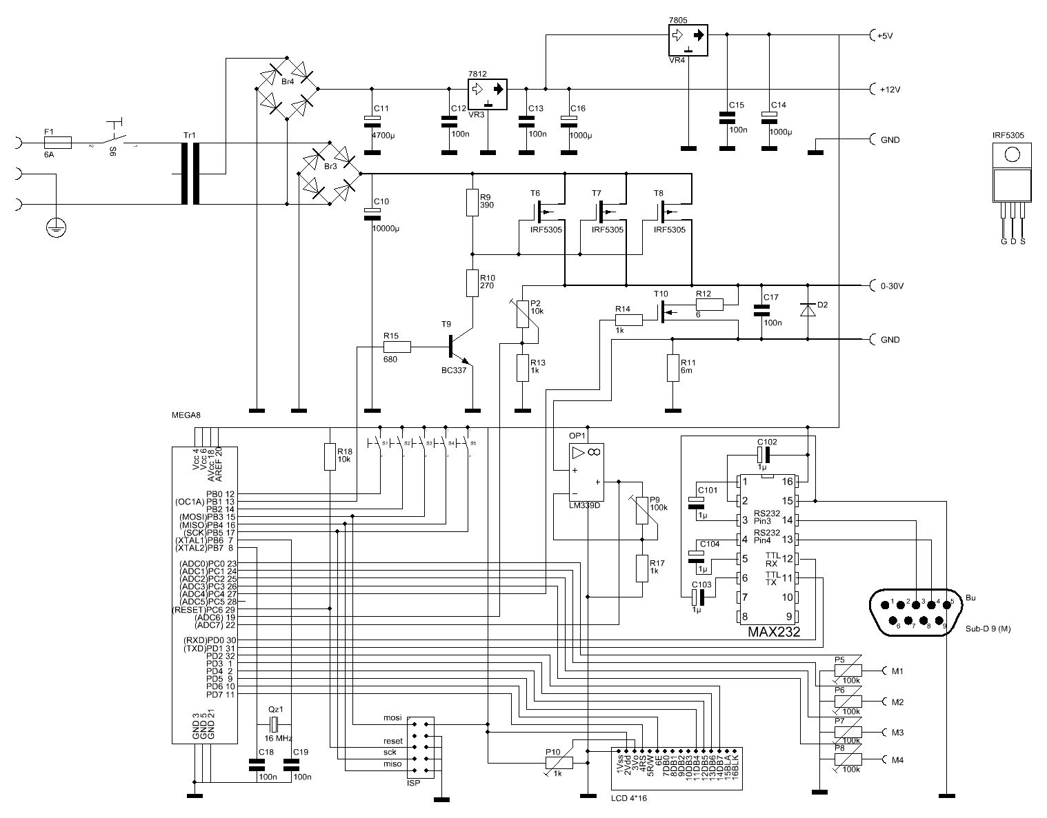
Nabend, ich hätte auch noch einen Tipp. Spendiere dem Mikrocontroller einen eigenen 7805. Im jetzigen Fall könnte es dramatische Auswirkungen haben, falls eine externe Schaltung an den 5V Klemmen mal Mist baut. Oder einem mal wieder versehentlich die Messleitungen über den Tisch rutschen und einen Kurzschluss verursachen. Den Regler störts ja nicht, aber der MC wird sich sicherlich bissel wundern. Mitleser....
Hallo, Regulär werden voll und halbbrücken heute direkt mit dem PWM Signal eines uC betrieben. Ich weiss nicht was das soll? Gate Widerstände die abbrennen? Meine Güte was habt ihr den da Für fets? Die müssen ja faustdick sein. Was auf alle Fälle wichtig ist, ist die Stromversorgung für den Atmel. Auch die Analogregler wie LM317 etc sind für gepulste Signale wie offene Türen. Wichtig ist auch gute Masseführung und hin und wieder ein Keramik und Tantal Kondensator direkt an den Bauteilen (+/-). Die PWM Leitungen so kurz wie möglich halten, zwischen und aussenrum mit Masse abschirmen. Gruß Florian
Was haben denn bitteschön Voll- oder Halbbrücken (die lassen sich natürlich ohne Spule betreiben) mit getakteten Spannungsreglern zu tun? Das sind doch zwei völlig unterschiedliche Paar schuhe.
Bitte melde dich an um einen Beitrag zu schreiben. Anmeldung ist kostenlos und dauert nur eine Minute.
Bestehender Account
Schon ein Account bei Google/GoogleMail? Keine Anmeldung erforderlich!
Mit Google-Account einloggen
Mit Google-Account einloggen
Noch kein Account? Hier anmelden.

