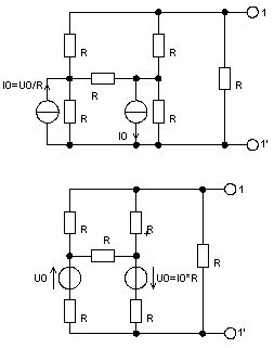
Einen schönen guten abend. Ich soll für die Schaltung die Strom, bzw Spannungsquellenersatzschaltung bilden. nun habe ich aber ein Problem 1. mit der rechten umgedrehten stromquelle 2. mit dem Widerstand zwischen beiden Quellen. im Anhang ist die Schaltung einmal umgewandelt in nur Strom,- bzw Spannungsqellen. zu 1. ich hatte mit gedacht, dass dadurch, dass das eine Messbrücke darstellt die abgeglichen ist, der innere Widerstand der Messbrücke entfällt und somit die Schaltung fereinfacht. Bin mir aber nicht ganz sicher und würde gerne wissen was ihr davon halltet. zu 2. kann ich mir gar keinen reim machen. würde aber sagen, da die quellen genau endgegengesetzt wirken die ausgangsspannung/strom gleich 0 ist. den Ersatzwiderstand selber habe ich schon errechnet. es hängt nun nur noch an diesen beiden dingen. hoffe mir kann da einer auf die sprünge helfen. will auch keine fertige lösung, sondern der ansatz wäre interessant. schon im vorraus danke. der MockUp
Mein Tipp ÜBERLAGERUNGSSATZ erst eine Quelle zuhalten berechnen dann zweite Quelle zuhalten berechnen. Man müsste mal wissen was gegeben ist, sind alle R gleich?? WELCHE Sapnnungen, Ströme?? Sieht sehr nach erstem Semester E-Technik aus wo studierst du?? Gruss JOCHEN_S www.RS485-HAUSBUS.de.vu
Also schon einmal danke. also alle R sind gleich groß. Ströme /Spannungen sind nicht gegeben. geht um das herleiten. jup ist E-Technik 1Sem. in Wismar im Norden zwischen Rostock/Lübeck an der HS. Ich werde es mal probieren. mfg
Studiere auch aber in Aschaffenburg in Bayern. Bin auch gerade in der Prüfungsvorbereitung. Der Ersatzwiderstand für die Ersatzspannungsquelle lautet ach du schande da muss man erst noch Dreieck-Stern umwandlung machen aber System ist klar. zunächst alle Spannuingsquellen Kurzschliessen danach Innenwiderstand von den Klemmen 1,2 aus betrachtet berechenen. dann U0 die Spannung an den Klemmen 1,2 im Leerlauf berechnen. Hier würde ich dann zu oben genannten Superpostionsverfahren (Überlagerungssatz) tendieren. Gleiches gilt für Stromquellen diese werden zur Berechnung des Innenwiderstandes herausgetrennt. Danach der Ik berechnet (ebenfalls Überlagerungssatz anwenden). So gute Nacht habe morgen wichtige Vorlesungen JOCHEN_S www.Rs485-Hausbus.de.vu
Bitte melde dich an um einen Beitrag zu schreiben. Anmeldung ist kostenlos und dauert nur eine Minute.
Bestehender Account
Schon ein Account bei Google/GoogleMail? Keine Anmeldung erforderlich!
Mit Google-Account einloggen
Mit Google-Account einloggen
Noch kein Account? Hier anmelden.
