Hallo alle zusammen! Ich hab mir bei pollin.de das ATMEL Evaluations-Board bestellt. Beim studieren der Anleitung ist mir was (für mich als Anfänger merkwürdiges) aufgefallen: Normal braucht man ja einen ISP-Programmieradapter um die AVR's zu programmieren. Bei diesem Board ist die ISP-Schnittstelle aber einfach auf einen 9er SUB-D gelegt und es wird behauptet, dass man ihn direkt über die serielle Schnittstelle des PCs aus programmieren könnte. Was ich bisher gelesen habe trifft dies aber nicht zu.. Was sagt ihr? Hab mal den Schaltplan angehängt... Danke für eure Hilfe und ich hoffe die Frage war nicht alzu blöd ;-)
sieht so aus als wenn der µC nen Bootloader hat. das heißt es ist schon ein programm geflasht, welches beim einschalten kurz wartet ob auf der seriellen daten kommen und diese dann als programm in den programmspeicher schreibt.
nein, bei dem Board sind gar keine µCs dabei! Ausserdem ist die Buchse ja zusätzlich zum RS232!
ich hatte nur probleme mit dem teil, die layoutfehler sollen aber inzwischen beseitigt sein... einen Controller musst du noch dazu kaufen und die software dafür irgendwo im internet zusammensuchen... gruß jahn
ja das weiß ich alles... Aber was ist mit ISP? Ist ein Schnittstellenwandler Inzwischen auf dem Board integriert?
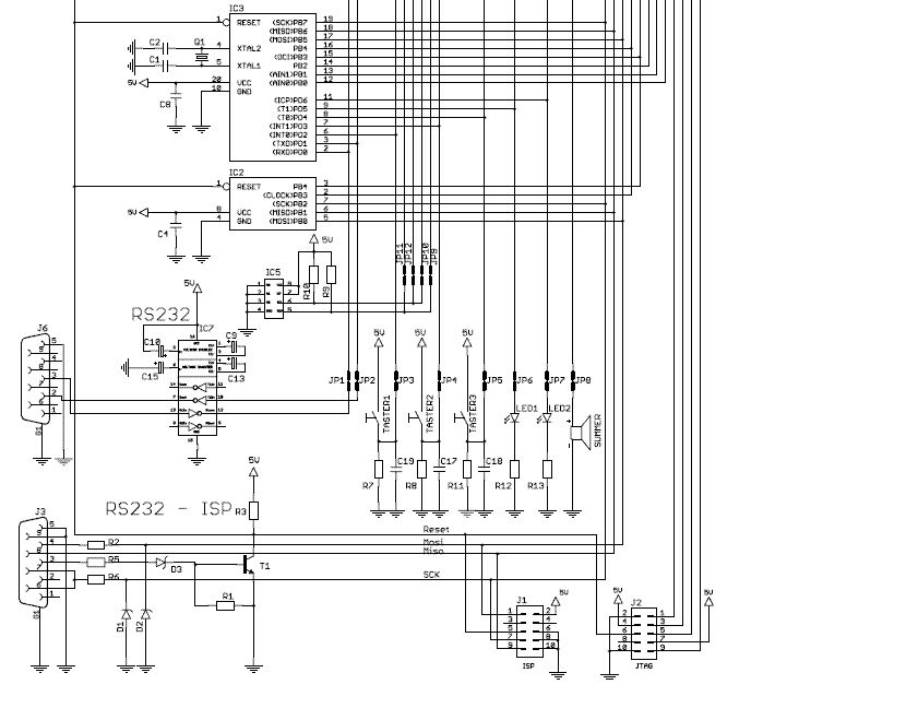
Habe mir den Plan mal kurz angeschaut sogut es die Auflösung zuließ. Ja die haben nen tricky rs232to ISP Interface da drauf, dieser benötigt jedoch eine SW die ihn auch benutzen kann sonst geht da leider gar nichts.
und wo soll der sitzen? Sie Leitungen sind doch direkt auf die AVRs gezogen... Hab nochmal den Schaltplan vergrößert angehängt...
Hab das Board auch und gefällt mir für den Preis gut. Du musst nur über ein 9-poliges Sub-D-Kabel den ISP-COM-Port des Boards mit einem COM-Port am PC verbinden, dann kannst du das Board über PonyProg programmieren. Der Schnittstellenwandler dient nur dazu, um den USART zu testen. Über die 10polige Pfostenleiste "ISP" kannst du über ein passendes Kabel das Board an einen bereits verbauten µC mit ISP-Anschluss anschließen und dann direkt programmieren ohne extra ISP-Adapter. Hoffe, das klärt dein Problem.
Die Pegel werden anscheinend über die Zenerdioden, Widerstände und den einen Transistor gemacht. Funktioniert dann schon! Daten die vom PC kommen werden durch die Wiederstände und Dioden auf 5V gebracht und die Daten vom AVR werden mit dem Transistor auf 12V gebracht... mfg Karl
Der Stecker ist für PonyProg, siehe http://www.lancos.com/prog.html oder auch http://s-huehn.de/elektronik/avr-prog/avr-prog.htm.
Mhh, so hab ich das ja auch verstenden, aber eigentlich ist das nicht möglich. Denn laut AVR-Spec braucht man dafür einen ISP-Programmieradapter, der die Pegel der seriellen Schnittstelle anpasst. Ich habe noch nie gehört das man den COM-Port direkt an die ISP anschließen kann... Was hat es damit auf sich?
@MisterMime: Heißt das, ich kann kein anders Programm zum Brennen nehmen als PonyProg??
@ Karl-j. B.: Und das klappt? Wofür kaufen sich denn einige so nen Adapterbaustein?
Zum Programmieren nimmt man Ponyprog. Probleme hatte ich mit dem Board damit nie.
Doch, kannst du schon. Das Programm muss halt ISP über die serielle Schnittstelle unterstützen, einfach ausprobieren. Das AVR-Studio geht jedenfalls nicht.
Der "Adapterbaustein" besteht ja aus den 3 Widerständen , Z-Dioden und einem Transistor(für Reset).
PS.: Ja, es geht nur mit Ponyprog, oder ddu baust dir einen Adapter für die große Wannenbuchse.
Und was ist dann der Vorteil zu den "richtigen" ISP-Adaptern mit dem 74HCT244? Welche Vorteile hat er?
Nachtrag: Der Transistor dient übrigens nur dazu, beim Programmieren den Reset-Pin zu betätigen.
Damit ist der Computer beim Paralellport vor Kurzschlüssen geschützt. Der Comport ist meistens! kurzschlussicher, da die Spannugen mit einer kleinen Kondensatorladungspumpe erzeugt werden.
Wennst mehr wissen willst, komm in den Chat...
Ok, dann kann ich mir so einen SPI-Adapter ja (zunächst mal) sparen. Wollte unter Linux das KontrollerLab nutzen. Kann es mit dieser SPI-Variante umgehen? Schonmal danke für die schnelle Hilfe, echt Wahnsinn, ihr seid Spitze!
Glaub nicht, aber es gibt eine alte PonyProg-Version für Linux und die Sourcen für die aktuelle gibt es auf dem CVS-Tree.(siehe lancos.com)
Sorry, komme nicht in den Chat (ebt. wegen Firewall) Hab noch eine letzte Frage: Was haltet ihr von dieser ISP-Zugangsart? Ist das unsauber? Würdet ihr einen ordentlichen ISP-Adapter kaufen??
Also so wie auf diesem Board es gelöst ist müsste es schon funktionieren. Lediglich werden die Signale halt an den Grenzen der Schnittstellen liegen was zu einer erhöhten störanfälligkeit führen kann. Ein "sauberes" ISP-Adapter mit zB Max202 kostet halt mehr Geld und irgendwo muss man halt sparen wenns so billig ist g
>> und wo soll der sitzen?
Schaut mal genau hin mosi und sck werden über zdioden begrenzt
miso wird direkt ausgegeben , T1 betätigt den Reset.
Um mich auch nochmal einzumischen... Wenn ponyprog also, wie ihr sagt, die direkte Programmierung über die serielle Schnittstelle unterstützt, müsste dies doch auch in WinAVR möglich sein, oder? Wenn ich jedenfalls im Programm mfile, das ja die Einstellungen des Makefiles vornimmt, den Programmer auswähle, wird mir u.a. der Programmer "ponyser" angezeigt. Dieser sollte doch dem o.g. entsprechen. Hat dies schon mal jemand ausprobiert?
Lest Ihr eigentlich auch mal das, was andere Leute in anderen Threads bereits geschrieben haben? Vermutlich nicht... Denn dann würdet Ihr wissen, dass Ponyprog den COMport nicht als UART benutzt und nach RS232-Spezifikation serielle Daten schaufelt, sondern dass Ponyprog direkt an den Portpins wackelt und eine SPI-Schnittstelle emuliert, die der Portchip per OS oder BIOS gar nicht beherrscht. Dies funktioniert nur zuverlässig, wenn der I/O-Chip ohne Umwege direkt angesprochen werden kann. Sobald z.B. USB dazwischen hängt (Adapter USB-Seriell) geht meist nix mehr. Bessere ISP-Adapter (z.B. AVR-ISP von ATMEL, STK500 von ATMEL, Eigenbau-ISP-Adapter mit eigenem Mikrocontroller nach AN910) haben einen (oder zwei) Mikrocontroller, machen das Timing zum Programmieren selbst und schaufeln über die COM-Schnittstelle nur noch die Kommandos und Daten, was gemäß RS232-Spezifikation erfolgt und daher auch an modernen Rechnern (ohne COM-Port) über USB und Adapter funktioniert. Das AVR-Studio unterstützt von Hause aus diese (intelligenten) Prgrammer. Bastellösungen, die den Schnittstellenchip anderweitig missbrauchen, werden von ATMEL nunmal nicht (mehr) unterstützt. Da braucht man schon Fremdprogramme wie Ponyprog, die dann meist die aktuellen Controller (z.B. Mega48) noch nicht kennen. ...
Bitte melde dich an um einen Beitrag zu schreiben. Anmeldung ist kostenlos und dauert nur eine Minute.
Bestehender Account
Schon ein Account bei Google/GoogleMail? Keine Anmeldung erforderlich!
Mit Google-Account einloggen
Mit Google-Account einloggen
Noch kein Account? Hier anmelden.

