Hallo, hat noch jemand die Software zum c't EPROP Projekt. Sonst muss ich doch mal bei Heise bestellen. V2.29 kostet da 23Euro. Gruss, Wole ES
Hallo, ne ist doch klar das ich keine Raubkopie will. Ich wollte einfach mal wissen was die so alles kann. Dazu steht leider nix beim heisse. Gruss, Wole ES
Hallo, falls sich hier doch noch jemand findet der den guten alten EPROP verwendet. Bitte mal ne Info an >Info at Kaissers dot de< Gruss, Wole ES
hilft dir das vielleicht weiter ? www.taskit.de/support/manuals.htm www.eprop.de/
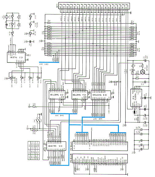
Hallo, bei taskit is es ein EPROP+ bin mir nicht ganz klar ob der kompatibel ist. Die Schaltbilder auf der c't DVD sind nicht wirklich brauchbar ;-( Muss mal schauen ob ich die alte Elrad noch im Backup habe ;-) Ich hatte das Bedienteil bei mir gefunden und dachte ich könnte die Host Karte mal eben ergänzen. Das scheint aber wohl nicht mehr so einfach zu sein. Da muss ich wohl doch mal bei eMedia bestellen. Gruss, Wole ES
Bitte melde dich an um einen Beitrag zu schreiben. Anmeldung ist kostenlos und dauert nur eine Minute.
Bestehender Account
Schon ein Account bei Google/GoogleMail? Keine Anmeldung erforderlich!
Mit Google-Account einloggen
Mit Google-Account einloggen
Noch kein Account? Hier anmelden.
