Hallo, habe noch 2 QProx QT220, 2-Kanal-Touchsensor von Quantum Research hier. Erst vor ein paar Tagen bestellt, allerdings nicht alle gebraucht. Die Teile kosten neu ca. 5 EUR pro Stück, gebe beide zusammen für 7 EUR inkl. Porto ab... Bei Interesse bitte melden!
Hallo Michael, hast du meine Antwort auf deine eMail bekommen?(Frage wegen Spam).
Oh, die muss wahrscheinlich irgendwie mit unter gegangen sein. Kannst Du die bitte nochmal senden? Danke und viele grüße michael
Hab grad nochmal geschrieben. Wenn es immer noch nicht geht, dann schreibe ich dir von anderen eMail anbieter.
@ Michael Stumpf mal eine (OT ?) Frage - wie sind denn praktischen Erfahrungen mit dieser Technik? Layout von Platine und Gehäuse, Bedienung und Betriebssicherheit? Danke und Grüße Dieter
Hallo Dieter, eigentlich ist die Anwendung von den Dingern recht simpel. Laut Datenblatt mit einem ext. Kondensator zu beschalten pro Kanal (z.B. bei der QT110-Ein-Kanal-Variante). Als "Sensorfläche" eignet sich beispielsweise einfach ein 1x1cm Quadrat auf der Platine. Tip zum Experimentieren: QT110 als DIP verfügbar, z.B. bei Farnell... Ich habe für unser Prototyping eine Platine mit einer Sensorfläche 1x1cm und auf der RÜckseite die Komponenten komplett als SMDs. So kann man die Platine mit der Sensorseite direkt plan an einem Gehäuse z.B. befestigen. Viele Grüße Michael
Hallo Michael, danke für die Info. Wie ist es z.B mit Massefläche hinter den Sensorflächen? Zur Abschirmung, bzw. zur Vermeidung von Fehlbedienung wenn man ein Gerät in der Hand hält? Kann man Bauteile, oder auch den QT100 o.ä., hinter den Sensorflächen plazieren? (stehe gerade vor der Frage, wie/ob man das für ein Handheld-Meßgerät verwenden kann) Gruß Dieter
Das ist eine gute Frage. Damit hab ich mich auch schon beschäftigt und in den Layouts bisher die Sensorflächen immer leicht versetzt "neben" die Bauteile gelegt. Ich warte allerdings momentan auf 2 Prototypenplatinen, bei denen die Bauteile "hinter" den Sensorflächen liegen. Nächste Woche weiss ich also mehr dazu... michael
Ich hab mal ein Musterlayout von einer möglichen Platine angehängt... Ist allerdings mit QT100, den ganz neuen 1-Kanal-Sensoren, designed. Diese Platine wird vermutlich Anfang kommender Woche eintreffen...
Viel Erfolg beim Testen. Würde mich freuen, wenn Du danach etwas über die Ergebnisse berichten könntest. Dieter
Hallo, Mixhael ist das Geld schon angekommen? Hab dir schon eMail geschrieben. Ich dränge so sehr, da ich schon echt sehr gespannt auf die ICs bin.
Hallo, sorry, aber ich bin erst seit gerade wieder am Internet. Sehe gleich mal nach, ob das Geld da ist, wenn ja, gehen die Module morgen vormittag zur Post. Viele Grüße michael
Ist es schwer mit so einem Teil einen Sensor zu bauen den man hinter einer Fliese verbauen kann ? Habt ihr eine geeignete Schaltung ? Ich bin noch ein ziemlicher Anfänger
Daniel wrote: > Ist es schwer mit so einem Teil einen Sensor zu bauen den man hinter > einer Fliese verbauen kann ? Habt ihr eine geeignete Schaltung ? Ich bin > noch ein ziemlicher Anfänger Nein, das ist nicht wirklich schwer. Schau Dir das Datenblatt an, da sind einige Beispiele...
Da sind einige Schaltungen welche ist die richtige ? Ich bin des Englischen nicht sehr mächtig (Viertes Jahr AHS) mfg & thx Daniel
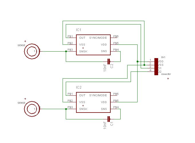
Naja, ohne englisch ist das in der Tat schwierig ;) Hier der Schaltplan zu dem oben gezeigten Board... Verwendet werden dabei 2 x QT100...
Bitte melde dich an um einen Beitrag zu schreiben. Anmeldung ist kostenlos und dauert nur eine Minute.
Bestehender Account
Schon ein Account bei Google/GoogleMail? Keine Anmeldung erforderlich!
Mit Google-Account einloggen
Mit Google-Account einloggen
Noch kein Account? Hier anmelden.
