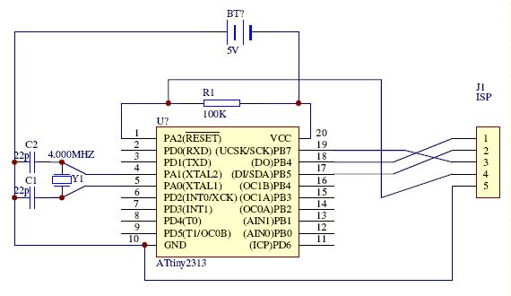
hallo! ich habe mir 3 Tiny2313 bei Pollin gekauft, und dazu 3 4MHz Quarze. ich wollte den controller bei Ponyprog so fusen, dass er mit einem 4 MHZ Quarz schwingt. Die Verbindung (ISP) funktionierte Problemlos, ich habe die FuseBits gelesen, und habe folgende Fuses geschrieben: CKDIV8 = 1 DWEN = 1 CKOUT = 1 EESAVE = 1 SUT1 = 1 SPIEN = 1 SUT0 = 1 WDTON = 1 CKSEL3 = 1 BODLEVEL2 = 1 CKSEL2 = 1 BODLEVEL1 = 1 CKSEL1 = 0 BODLEVEL0 = 1 CKSEL0 = 1 RSTDISBL = 1 SELFPRGEN = 1 Sofort danach meldete Ponyprog "device missing or unknown device (-24)" Danach konnte ich weder lesen noch den controller beschreiben... so habe ich schon 2 tinys abgeschossen.. was kann ich machen? Muss ich den Quarz beim Programmieren der Fuses Auslöten? PS: ich benutze folgende Programmierschaltung: (Siehe Anhang) Ich weiss dass im Ponyprog eine 0 Häkchen setzen bedeutet Vielen Dank mr-unbekannt
Woher hast du diese Fuse-Einstellungen? Hast du vorher wenigstens im Datenblatt geschaut, was die bedeuten? > SPIEN = 1 Damit hast du die ISP-Programmierung abgeschaltet. > was kann ich machen? Du kannst ihn nur noch im high-voltage-Modus programmieren - geht nicht mit deinem Programmer. > Muss ich den Quarz beim Programmieren der Fuses Auslöten? Nein. Im Gegenteil.
>> SPIEN = 1 > Damit hast du die ISP-Programmierung abgeschaltet. Das wird nicht passiert sein. Diese Fuse kann man durch Low-Voltage ISP nicht ändern. http://www.mikrocontroller.net/articles/AVR_Fuses Die Fuses sehen für mich OK aus. Ich denke eher, dass der Quarz nicht schwingt. Kannst ja mal oszilloskopieren (wenn möglich) oder die Spannung zwischen XTAL1 und GND messen.
jop, beim PonyProg kann ich SPIEN und RSTDSBL nicht verändern, das mit dem Quarz glaube ich auch... muss ich einen fabriksneuen (ohne Fuseveränderung) Quarz nehmen, und dann die Spannung messen? Was sollte denn ungefähr für ein Wert rauskommen? mfg
Hallo, naja, eigentlich ist CKSEL3...0 1101 für 0,9-4MHz, 2-8MHz wäre 1110. Ich würde auch auf nicht schwingenden Quarz tippen, wie groß sind die Kondensatoren am Quarz bei Dir? Gruß aus Berlin Michael
> naja, eigentlich ist CKSEL3...0 1101 für 0,9-4MHz, 2-8MHz wäre 1110.
Die Bereiche sind 0,9-3 und 3-8. Hast du evtl. ein altes Datenblatt?
Außerdem stimmen die Bits nicht (hab ich aber anfangs auch falsch
gelesen). CKSEL3...1 müssen auf 110 stehen, also ist 1101 für 3-8Mhz
schon richtig.
22p, glaube ich (es steht 220 oben) Laut Datenblatt CKSEL frequency 100 0.4 - 0.9 101 0.9 - 3.0 110 3.0 - 8.0 111 8.0 -
Hallo, richtig, Du hast 101, also 0,9-3MHz und einen 4 MHZ Quarz... CKSEL3 = 1 CKSEL2 = 1 CKSEL1 = 0 CKSEL0 = 1 220 ist bei den Keramik-Teilen immer problematisch, kann 22pF oder 220pF sein, erkennt man meist an der Bauform und vor allem daran, was man gekauft hat. ;) Die Leitungen AVR-Quarz-Kondensatoren-GND sind so kurz wie möglich? Spannung ist ok? 100nF direkt am AVR zwischen Ub und GND? Entweder die Cs mal etwas variieren (mal probieren, ob 44p (eigentlich zuviel) oder 11p auf einer der Seiten ihn überredet, anzuschwingen. Ein zusätzlicher Widerstand 1...1M parallel zum Quarz kann auch helfen. Ein feuchter Finger kurz über die Quarzanschlüsse oder antippen eines Quarz-Pins mit dem Schraubenzieher kann auch manchmal helfen, ihn zum Anschwingen zu überreden... Gruß aus Berlin Michael
Nee, das kannst (sollst) du im jetzigen Zustand messen. Anders macht es wenig Sinn. Der Quarz wird ja über eine periodische Spannungsänderung an XTAL2 zum Schwingen angeregt und der stabilisierte Takt wird in XTAL1 eingespeist. Durch die Fuseeinstellung änderst du auch nix am Quarz (deshalb kein anderer Quarz erforderlich), sondern du schaltest nur diesen Quarzanregunger auf XTAL2 ein und schaltest den Haupttakt auf XTAL1 statt auf den internen RC-Oszillator. Wenn du das noch nicht gemacht hast: Du könnest hingegen und mal einen anderen von den drei Quarzen in die Schaltung einsetzen. Vielleicht hat nur der eine einen "Hau weg". Wenn an XTAL1 keine Spannung anliegt, schwingt nix oder die Messung selbst hat die Schwingung gedämpft, weil durch die Tastspitze+Zuleitung... eine weitere Lastkapazität hinzugekommen ist. Irgendeine Spannung hingegen wäre schon mal ein gutes Zeichen. Konkrete Werte kann ich erst heute abend beibringen.
Also, wenn mein Datenblatt nicht lügt, dann sind die Fuse-Settings vom OP in Ordnung! Für 3-8MHz Quarz sagt das Datenblatt CKSEL3..1 = 110. CKSEL0 definiert nur (zusammen mit SUT1..0) die Startup-Time.
Pollin hat mir schon mal vorprogrammierte 2313, bei denen die Lockbits gesetzt waren, untergejubelt. Vielleicht liegt es daran.... Für mich wars kein Problem, mein Galep hatte die "repariert"
Nein, noch habe ich keinen 100nF C eingebaut, weil ich eine 7805 Spg-Versorgung verwende, da dürften keine Störungen auftreten, vielen Dank für die Tips, ich werde sie ausprobieren... Achja, ich verwende gelbe WIMA-Kondensatoren mit 400V es steht folgendes drauf: 220 WIMA 400- FKC u ich hoffe das sind 22 p, weil die 1. beiden ziffern den wert, und die 3. den Exponenten angiebt... vielen dank
Die Lockbits werden beim löschen zurückgesetzt, wenn aber SIPEN zurückgesetzt ist (wie oben erwähnt) geht nix mehr. Den Quarz kannste nur sehr hochohmig anmessen, mit dem Oszi nur mit x10-Tastkopf, mit dem Multimeter nur >10MOhm. GALEP habe ich auch, prima Gerät, halt nicht ganz billig! Kann nur zum Kauf eines AVRISP oder STK500 raten, im AVR-Studio sind die Fusebits mit Klartext und Bitmuster zu bedienen, ist viel übersichtlicher! Hatte hier auch schon öfter über Timingprobleme bei XP und Ponyprog gehört, mir wäre das Teil zu unsicher. Schon die Tatsache dass eine Fuse gesetzt wird indem man das Häkchen im Programm wegnimmt macht mich skeptisch.
> ich hoffe das sind 22 pF
Leider nicht. Du drehst dem Quarz den Hals zu ;-)
Versuch es mal ganz ohne Quarz. Auf meinen selbstgebauten habe ich noch nie einen gebraucht, die Leitungskapazität hat schon gereicht.
> Versuch es mal ganz ohne Quarz.
??? "Ohne Kondensatoren" würde ich da eher probieren
DANKE!!! es funktioniert ohne Cs... Am XTAL1 wechselt die Spannung zw. 0.30 und 0.31 und am XTAL2 liegt 0.83V Schönen Nachmittag noch!
na dann is ja alles gut, aber: > Achja, ich verwende gelbe WIMA-Kondensatoren mit 400V es steht > folgendes drauf: > 220 WIMA > 400- FKC ...wenn die Teile drin waren, waren es wohl 220nF, und damit wohl eher Waschmaschienenmotor Entstörkondensatoren... ;-)
FKC sind doch Folienkondensatoren, oder? Normalerweise nimmt man auch KerKos für'n Quarz. Die Bezeichnung auf Folienkondensaturen ist normalerweise auch anders.
Bitte melde dich an um einen Beitrag zu schreiben. Anmeldung ist kostenlos und dauert nur eine Minute.
Bestehender Account
Schon ein Account bei Google/GoogleMail? Keine Anmeldung erforderlich!
Mit Google-Account einloggen
Mit Google-Account einloggen
Noch kein Account? Hier anmelden.
