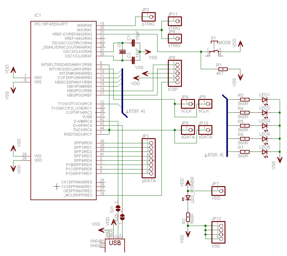
Hallo Forum, immer wieder stand ich vor dem Problem, dass ich "mal eben" digitale Daten à la I2C, SPI, USART, parallel brauchte, um irgendwas zu testen, debuggen, ... Ich habe inzwischen mal eine Platine gebastelt, die genau diese Signale zur Verfügung stellt, mittels Taster umschaltbar, und mit USB-Stecker zur Stromversorgung (z.B. direkt aus dem Oszi, das ja eh auf dem Tisch steht... siehe Bild... Zum Einsatz kommt übrigens ein PIC mit USB-Transceiver, so dass man über den USB-Stecker nicht nur die Stromversorgung, sondern auch noch Datenübertragung realisieren kann... Hat jemand noch Verbesserungsvorschläge Und/oder jemand interessiert an der Platine? Dann lass ich direkt ein paar mehr Platinen ätzen... Michael
Mir hat das Bild Angst gemacht. So viele Striche in verschiedenen Farben übereinander... da habe ich nicht mal den Versuch unternommen, raus zu finden, wie das Schaltbild aussehen könnte. Generell, melde ich mich bei Ich-mache-Platinen-wer-macht-mit? Anfragen gern, wenn ich vorher einen guten Eindruck gewonnen habe. Guter Eindruck ist bei mir: Es liegt eine Diskussion oder eine Beschreibung vor und die vermittelt mir das Gefühl, dass ich (Laie, Hobbyloge) damit zurecht kommen könnte. Hier erscheint das Projekt 'deus ex machina' und Doku ist nirgends erkennbar. Also mit gespanntem Interesse abwarten was die Profis meinen bzw. diese Antwort schreiben.
ADD: Wochenende ist auch traditionell Saure-Gurken-Zeit hier im Forum. Push das Thema mal morgen vormittag und warte die Reaktionen bis Mitte der Woche ab.
Vielleicht so übersichtlicher mit Schaltplan? Das Ding hat einfach einen USB-Port, 4 StatusLEDs, Power-LED, Taster zum Umschalten des Zustands, parallel Port über Pfostenleiste, serielle Ports (CLK, DATA, Trigger)
Hallo, mir erschließt sich der Zweck des Ganzen noch nicht. Was sollda rauskommen und wie kommt das rein, was rauskommen soll? Gruß aus Berlin Michael
Idee war einfach, eine möglichst kompakte Platine zu erfinden, welche "irgendwelche" seriellen Daten ausgibt. Letztendlich ist die Programmierung ja so individuell, wie man es gerade eben braucht. Ich persönlich benötige einfach nur die Möglichkeit, zu Test- und Diagnosezwecken, mal SPI oder mal I2C oder auch mal USART Daten zu erhalten. Ob das Modul nun immer nur einen festen String sendet, oder sogar Daten, die über USB empfangen werden, bleibt ja dem Programmierer selbst überlassen. Und ob diese kontinuierlich gesendet werden, oder nur beim Tastendruck, oder wie auch immer, ist ja auch eine Programmsache. Daher ein Taster und 5 Status-LEDs... Und um am Arbeitsplatz ohne zusätzliche Verkabelung, vielleicht sogar noch einer zweiten Spannung, zum Ziel kommt, der USB-Port zur Spannungsversorgung. Die meistens digitalen Oszis, die auf dem Arbeitsplatz stehen, haben ja inzwischen eh USB.
Michael Stumpf wrote: > Idee war einfach, eine möglichst kompakte Platine zu erfinden, welche > "irgendwelche" seriellen Daten ausgibt. Letztendlich ist die > Programmierung ja so individuell, wie man es gerade eben braucht. Das interessante an so einem Prokjekt wäre ja gerade die Software gewesen und das Userinterface. So ist es ja nur ein MC (noch dazu ein PIC) mit Anschlüssen, der nichts kann, da keine Software drin ist. Das gleiche kann ich doch mit dem STK500 machen, da habe ich auch nen MC drauf und die Anschlüsse rausgeführt. Aber ich kann ihn in C programmieren, ohne ne neue CPU lernen zu müssen und ne neue Entwicklungsumgebung kaufen zu müssen. Mir ist auch die UART viel sympatischer, da kann man direkt ein Terminalprogramm aufrufen, muß also keine extra PC-Software schreiben. > Die meistens digitalen Oszis, die auf dem Arbeitsplatz stehen, haben ja > inzwischen eh USB. Wenn es ne neue Firma ist vielleicht. Aber in der Regel haben Techniker keine Zeit, ständig neue Geräte lernen müssen und benutzen sie daher, bis sie auseinanderfallen. Mein Tektronics hat nur RS-232 und IEE-488. Peter P.S.: Es erging mir auch so wie Stefan, mit dem 1. Post kann wirklich keiner was anfangen (alles so schön bunt hier).
Peter Dannegger wrote: > Das interessante an so einem Prokjekt wäre ja gerade die Software > gewesen und das Userinterface. > So ist es ja nur ein MC (noch dazu ein PIC) mit Anschlüssen, der nichts > kann, da keine Software drin ist. Ja, aber das Stück Software zu schreiben ist ja wahrlich keine Kunst... Was heißt denn "noch dazu ein PIC"? Ich persönlich finde das Konzept von Microchip inzwischen (das mag anders gewesen sein früher) deutlich besser, als das von Atmel z.B.... Und der 24/7-Support von Microchip ist wirklich manchmal Gold wert! > Das gleiche kann ich doch mit dem STK500 machen, da habe ich auch nen MC > drauf und die Anschlüsse rausgeführt. Aber dann ist das Ganze nicht so kompakt und innerhalb weniger Sekunden einsatzbereit und braucht immer noch eine Stromquelle, Platz auf dem Arbeitsplatz, jedes mal neues Flashen der Firmware (weil ja sicherlich das STK auch für was anderes verwendet wird), ... Alleine nur wenn man 3-4 Mal serielle Daten braucht, ist doch der Aufwand, jedes Mal Kabel anzuschließen, irgendein Board rauszukramen, MCU flashen, ... bestimmt 10-15 Minuten. Dann hat man die paar Euro so eines "USB-Sticks" schon mehrfach wieder raus... > Aber ich kann ihn in C programmieren, ohne ne neue CPU lernen zu müssen > und ne neue Entwicklungsumgebung kaufen zu müssen. Für die Microchip-MCUs gibts auch einen C Compiler... > Mir ist auch die UART viel sympatischer, da kann man direkt ein > Terminalprogramm aufrufen, muß also keine extra PC-Software schreiben. Ist UART nicht genormt? Mit einem Terminalprogramm kann man doch auch "nur" einzelne Bytes an den seriellen Port senden. Nur ist das ganze ja nicht gedacht, um an den PC Daten zu senden, sondern für's Prototyping "mal eben" Daten zu haben... > Wenn es ne neue Firma ist vielleicht. > Aber in der Regel haben Techniker keine Zeit, ständig neue Geräte lernen > müssen und benutzen sie daher, bis sie auseinanderfallen. Na OK... Aber die (brauchbaren) Geräte, die heutzutage angeboten werden, haben ja fast alle USB... > P.S.: > Es erging mir auch so wie Stefan, mit dem 1. Post kann wirklich keiner > was anfangen (alles so schön bunt hier). Muss ich zugeben, war nicht allzu übersichtlich... michael
Toll. Wär's mit Mega32, dann hätte ich Dir vermutlich ein solches Modul abgenommen. Aber PIC muss nicht sein, da müsste ich ja wieder bei Null beginnen. ...
Praktischerweise hat der FT2232C das alles drin. SPI,I2C,UART. Auf dem PC programmierbar. In Form vom ARM-USB-JTAG kommt da auch noch Strom für die angeschlossene Schaltung raus, vom Chip her oder als Modul DLP2232M (FTDI Shop) kann man auch Bus-Bausteine wie SJA1000 anschliessen.
Ich würde persönlich auch den Weg über den FT2232 wählen, weil man in erster Linie nur die Frontendsoftware für Windows/Linux programmieren muss. Zurück zu deinem Layout. Ich würde dem Mikrocontroller wengistens an den VCC Pins einen Kondensator spendieren. Dir Versorgungsspannung (USB) solltest du auch noch mit einer Shottky Diode absichern und zusaetzlich eine Spule und Kondensator setzen. Ich würde Dir empfehlen einmal vom FT2232 das Datenblatt bezüglich Randbeschaltung zustudieren oder bietet der PIC die gleiche funktionalitaet des FT232RL ?
Hallo, ich stehe manchmal vor der Herausforderung von einem PC (RS232) auf RS485, TTY (Simatic S5) .. konvertieren zu müssen. Ich dachte mir auch schon mal ein universalkonverter wäre toll. Wo man mittls Schalter verschiedene Daten richtungen einstelen kann. ZB. RS232 auf RS485 oder RS232 auf TTY oder USB aud RS232... so etwas würde mich schon interessieren mfg Alfred
> Ich persönlich finde das Konzept von Microchip inzwischen > (das mag anders gewesen sein früher) deutlich besser [...] Bezüglich was jetzt? Zu deinem Projekt, stell doch einfach mal die Eagle-Files rein.
Ergänzung: Sowas geht beim besten Willen nicht (siehe Anhang, gelbe Kästen). Das mußt du noch ändern.
Ich hab mir mal überlegt, ob sich sowas jemals gebraucht hätte und muß leider nein sagen. Wenn ich SPI oder I2C verwende, dann habe ich ja immer auch schon einen MC aufm Board und da wäre es doch Blödsinn noch extra einen ranzupappen. Und da ich seit etwa 1999 nur noch MCs verwendet, die ich downloaden kann, ist es auch kein Problem, erstmal nur ein Testprogramm einzuspielen. Peter
Tja Peter, nur hast du jahrelange Erfahrung und gehst daher völlig unbeschwert an die Sache ran. Bei vielen trifft dies halt nicht zu.
A.K. wrote: > Praktischerweise hat der FT2232C das alles drin. SPI,I2C,UART. Auf dem > PC programmierbar. In Form vom ARM-USB-JTAG kommt da auch noch Strom für > die angeschlossene Schaltung raus, vom Chip her oder als Modul DLP2232M > (FTDI Shop) kann man auch Bus-Bausteine wie SJA1000 anschliessen. An sich logisch. Aber kann man auf dem FT2232C auch Software autonom vom USB laufen lassen? Wenn man den USB-Port wirklich nur als Stromversorgung nutzt, muss das Ding ja auch irgendwie von alleine nutzen...
Peter Dannegger wrote: > Wenn ich SPI oder I2C verwende, dann habe ich ja immer auch schon einen > MC aufm Board und da wäre es doch Blödsinn noch extra einen ranzupappen. Macht schon Sinn, aber was, wenn ich die Funktionalität des Prototypen-Boardes testen möchte, und dafür Daten per I2C oder SPI an den einen vorhandenen MC senden möchte?!
Salmonellenbekämpfer wrote: > Ergänzung: > > Sowas geht beim besten Willen nicht (siehe Anhang, gelbe Kästen). Das > mußt du noch ändern. Wird gemacht... ;-)
Michael Stumpf wrote: > Macht schon Sinn, aber was, wenn ich die Funktionalität des > Prototypen-Boardes testen möchte, und dafür Daten per I2C oder SPI an > den einen vorhandenen MC senden möchte?! Dann würde das schiefgehen, da die MCs bei mir der Master sind. Also mit irgendwas zum MC hinsenden ist da nichts. Und zum Debuggen führe ich einfach die UART raus, hat ja jeder MC. Peter
Peter Dannegger wrote: > Dann würde das schiefgehen, da die MCs bei mir der Master sind. Also mit > irgendwas zum MC hinsenden ist da nichts. Und wenn sich mehrere MCs über I2C oder SPI unterhalten?! Bzw. einzelne Baugruppen über I2C/SPI angesteuert werden?!
Ich möchte noch auf den PICkit Serial Analyzer von Microhcip hinweisen, der samt Windows-Software daherkommt und ziemlich preiswert ist. http://www.microchip.com/stellent/idcplg?IdcService=SS_GET_PAGE&nodeId=1406&dDocName=en028600 Vielleicht gibt es die Soft- und die Firmware auch irgendwo zum Download, so kann man das Ding dann auch selber bauen. (Beim PICkit 1 ist das so).
Severino wrote: > Ich möchte noch auf den PICkit Serial Analyzer von Microhcip hinweisen, > der samt Windows-Software daherkommt und ziemlich preiswert ist. > http://www.microchip.com/stellent/idcplg?IdcService=SS_GET_PAGE&nodeId=1406&dDocName=en028600 > Vielleicht gibt es die Soft- und die Firmware auch irgendwo zum > Download, so kann man das Ding dann auch selber bauen. > (Beim PICkit 1 ist das so). Oh, den kannte ich noch gar nicht. Ist ja eigentlich das Gleiche, nur im externen Gehäuse...
sowas ähnliches hab ich auch schon mit dem IOWarrior gesehen: http://greinert.hopto.org/main/index.php?id=4tgf886kbcgftr857634 hat etwas abweichende funktionen, aber kann auch ein ganz nettes Spielzeug sein. (RC5 decoder, displayansteuerung vom chip unterstützt.) Hier wird allerdings ein PC benötigt.
Michael Stumpf wrote: > Und wenn sich mehrere MCs über I2C oder SPI unterhalten?! Bzw. einzelne > Baugruppen über I2C/SPI angesteuert werden?! Über SPI ist mir zu aufwendig, zu viele Leitungen und nicht Multimaster fähig. Über I2C hab ich schonmal gemacht, aber ist doch recht verzwickt die Software (Arbitrierung, Retry, CRC). Und wenn da jemand zwischenplappern würde, gibts nur Chaos. Das Einschleifen eines zusätzlichen Masters in einen bestehenden Bus geht ja nur dann, wenn man extra dafür ein entsprechendes Protokoll implementiert hat. Daher spare ich mir die ganze Arbeit und lad einfach in den Haupt-MC ne Testroutine. Jetzt nehme ich zum Vernetzen mehrerer MC-Module nur noch CAN (easy Software, macht ja alles die Hardware). Peter
Bitte melde dich an um einen Beitrag zu schreiben. Anmeldung ist kostenlos und dauert nur eine Minute.
Bestehender Account
Schon ein Account bei Google/GoogleMail? Keine Anmeldung erforderlich!
Mit Google-Account einloggen
Mit Google-Account einloggen
Noch kein Account? Hier anmelden.
