Hallo, ich werden aus dem Datenblatt meines FET nicht schlau. Muss dazu sagen das ich auch noch nicht viel Erfahrung mit ihnen habe. vielleicht kann mir jemand sagen welche Spannung an einem FET in jedem fall abfällt Drain <-> source. Ja es gibt einen Widerstandswert also je nach Stromfluss. Nur das kann doch nicht alles sein. Ist da nicht auch noch eine "Statische" Komponente? So was wie eine Diodenspannung? Hintergrund ist der das ich im Moment bei sehr kleiem Stromfluss auf meinem ADC abweichende Spannungen messe. Die Schaltung wird mit einem IRL3803 von der Masse getrennt bzw. angekoppelt. daher meine Frage kann es Sein das am IRL einen "Diodenspannung" abfällt. tut mir leid für die schlechte Umschreibung aber ich weis nicht wie ich es sonst beschreiben soll Danke für eure Mühen Grüße Tom
Sollte im Datenblatt von IOR auf Seite 2 zu finden sein: VSD Diode Forward Voltage max. 1,3 V
Tom 1975 Aq wrote: > Hallo, > Hintergrund ist der das ich im Moment bei sehr kleiem Stromfluss auf > meinem ADC abweichende Spannungen messe. Du betreibst ja den Fet auch quasi als Shunt, und misst die Spannung die an ihm abfällt, und die ist natürlich vom Strom abhängig... Eigentlich hast Du da jetzt ein Amperemeter vor dir. Vorausgesetzt Du steuerst den Fet immer gleich an. Grüße Björn
> Ist da nicht auch noch eine "Statische" Komponente? So was wie eine > Diodenspannung? Nein, bei einem FET gibt es so etwas nicht, da (anders als beim Bipolar-Transistor) in der Drain-Source-Strecke keine pn-Übergänge liegen.
> vielleicht kann mir jemand sagen welche Spannung an einem FET in jedem > fall abfällt Drain <-> source. > Ja es gibt einen Widerstandswert also je nach Stromfluss. Nur das kann > doch nicht alles sein. Doch, in der normalen Stromrichtung ist das so. Das ist der Vorteil eines FETs. Dadurch kann ich sehr grosse Ströme mit sehr kleiner Verlustleistung schalten, wenn die Gate-Spannung hoch genug ist. Ein IRF1404 hat z.B. einen RDSon von 0,004 Ohm, das ist fast schon die gleiche Größenordnung wie der Widerstand der Anschlussdrähte. Der RDSon ergibt sich aus der Gatespannung. Die Spannung, die an der Drain-Source-Strecke abfällt, ergibt sich aus dem Drainstrom nach dem Ohmschen Gesetz. Diese Werte sind aber in den Datenblättern in Form diverser Diagramme zu finden. > Ist da nicht auch noch eine "Statische" > Komponente? So was wie eine Diodenspannung? Nur in Sperrichtung, da liegt parallel zur Drain-Source-Strecke eine Diode, die sich fertigungsbedingt aus dem Halbleiteraufbau ergibt. Die verhält sich genau so wie eine normale Siliziumdiode, hat also eine gewisse Mindest-Durchlassspannung. Wenn der FET durchgeschaltet ist, liegt der Widerstand der Drain-Source-Strecke parallel zu dieser Diode. Beim Revers-Betrieb eines FETs kann ich die Verlustleistung also auch in der Gegenrichtung verringern. Grüße, Andy
Hallo, erst mal Danke für die Vielen Antworten. @ gast Der Spannungabfall Source Darin währe ja nur der Fall würde ich den FET Falsch betreiben @ Björn Wieck Ja der Fet wird in reihe zur messenden Spannung als eine art shunt betrieben daher meine Frage mit welchen Spannungsabfall kann ich bei minimalen Strom rechen? @ Franz-Rainer Den Schaltplan kann ich erst heute Abend so gegen 17:00 Uhr posten da komme ich von der Arbeit. Angehängt ist hier mal der versuch eines Schemas Danke noch mal an alle Grüße Tom
Tom 1975 Aq wrote: > @ Björn Wieck > Ja der Fet wird in reihe zur messenden Spannung als eine art shunt > betrieben daher meine Frage mit welchen Spannungsabfall kann ich bei > minimalen Strom rechen? Das kommt ja darauf an was dein minimaler Strom überhaupt ist. Dein Fet hat 0.009 Ohm wenn du das Gate mit 4,5V ansteuerst. Wenn Du den minimalen Strom kennst kannst Du dir das selbst ausrechnen. U = R*I Grüße Björn
Hallo, erst mal danke an alle. Wenn so ein FET wirklich nur eine Lineare Komponente hat habe ich wohl einen anderen Fehler in der Schaltung. Mir fehlen ca. 0.07V am ADC wenn ich noch rechnen kann I = U / R I = 0.07V / 0.009 = 7.777A!!!!! daher meine Dumme Frage den 70mV könnte ich mir durch irgendeinen "Diodeneffekt" leicht erklären Wahrscheinlich habe ich doch ein Rechenfehler im Programm nachdem alle sagen so was gibt es keinen solchen Effekt. Danke Tom
Tom 1975 Aq wrote: > Hallo, > > erst mal danke an alle. > Wenn so ein FET wirklich nur eine Lineare Komponente hat habe ich wohl > einen anderen Fehler in der Schaltung. > > Mir fehlen ca. 0.07V am ADC wenn ich noch rechnen kann I = U / R > > I = 0.07V / 0.009 = 7.777A!!!!! > > daher meine Dumme Frage den 70mV könnte ich mir durch irgendeinen > "Diodeneffekt" leicht erklären Ohne deine Schaltung wird das jetzt nurnoch wildes rumgerate... Diodeneffekt würde ich eher bei 600mV ansetzen. Grüße Björn
0.009 ohm ist nicht wirklich ein perfekter wert für einen shunt. außerdem kannst du nicht davon ausgehen, dass der widerstand des FETs immer gleich ist wenn die spannung am gate konstant ist. da spielen noch temperatur und fertigungstoleranz mit rein.
Weshalb hast Du da überhaupt einen Fet verbaut, wennn ich fragen darf? AxelR.
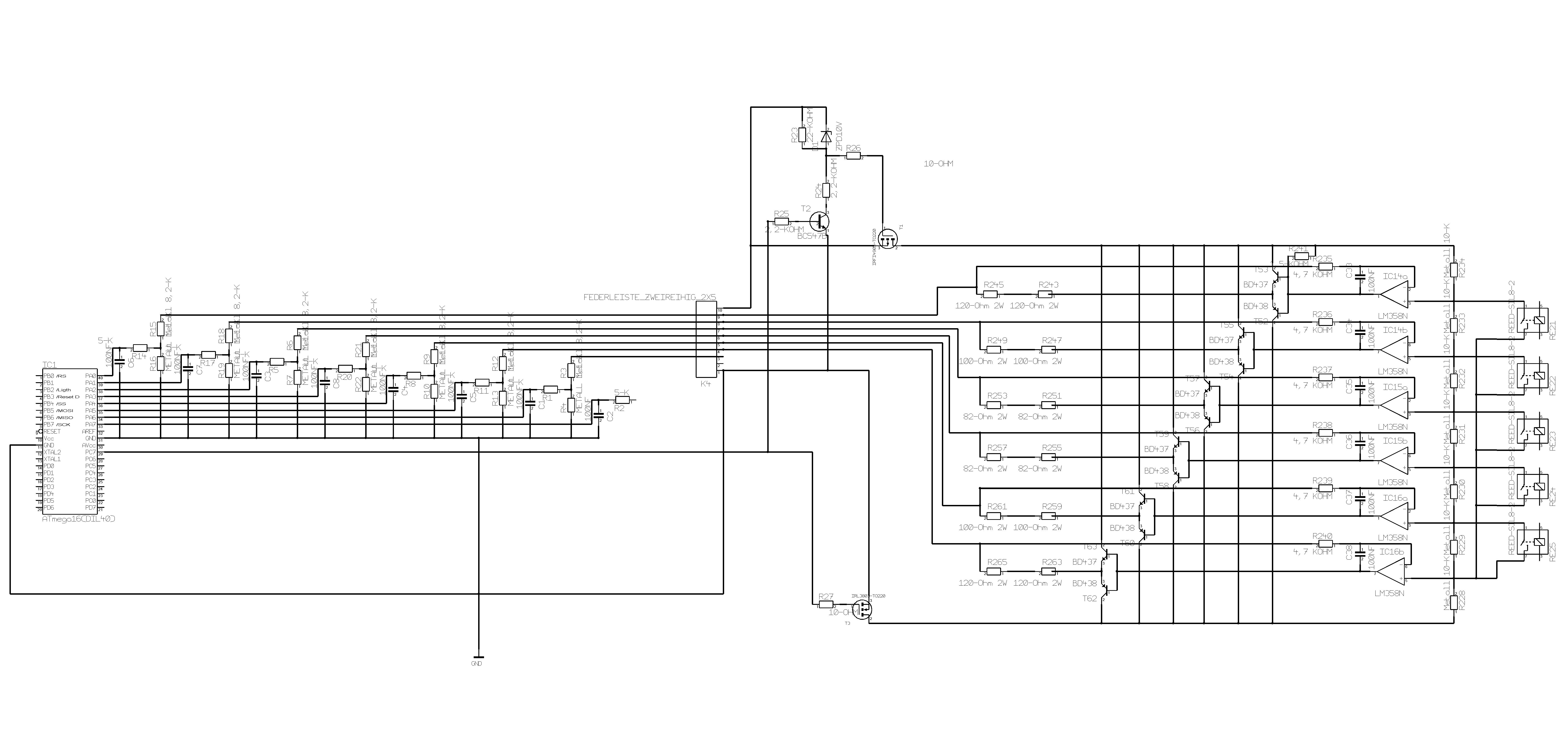
Hallo, ich habe versucht mal einen Auszug aus meinem Schaltplan zu erstellen. Ist Leider nicht besonders gut geworden. Trotzdem kurz eine Beschreibung. Die Linke Seite ist der Atmel mit dem ADC und Spannungsteilern. Diese Sollen Die Spannungen des Akkus (Mittelabgriffe von 7 Zellen) messen. Der Akku soll an K4 angeschlossen werden. Die Rechte Seite dieser Schaltung ist eine Ausgleichsschaltung die Spannungsunterschiede zwischen den einzelnen Zellen ausgleichen Soll Stichwort Balancer. Über die beiden FET´s T1 und T3 soll der Balancer vom Akku getrennt werden können. Nur leider messe ich beim letzten Abgriff K4/4 immer um 0.07 V zu wenig alle beim ersten abgriff dafür ca 0.03V zu viel. @ Axel Rühl ich habe hier wegen des geringen Spannungsabfalls FETS verbaut einen abfall von va 0.01 V dachte ich eben würde der oben genannten ausgleichsschaltung nichts aus machen und Ralis sind gleich Teuer und brauchen mehr Strom (Treiber) und Platz Danke an alle die sich durch dieses Schaltplanchaos kämpfen und Grüße Tom
Ach so, ja es ist ein Lipo Lader für bis zu 7 Zellen und 4 A Ladestrom und ich bin ganz Stolz er Funktioniert auch schon zu na sagen wir 70 % und das als Informatiker :) Grüße Tom
Tom_1975Aq wrote:
> Danke an alle die sich durch dieses Schaltplanchaos kämpfen
In der Tat... Die Funktion der Z-Diode will sich mir nicht so ganz
erschliessen, die hätte ich eher zwischen Verbindungspunkt R23/R26 und
GND
gesetzt.
Werden die Relais durch den ATMEGA angesteuert ?
AREF und AVCC ist womit beschaltet ?
Den Rest muss ich erstmal selber verstehen...
Wenn Du eh schon Relais einsetzt, warum nicht die Fet´s gegen
solche tauschen? spart Dir auch gleich die Inverterschaltung...
Grüße
Björn
Hmm, wenn man den AVR, die Relais und die beiden FETs weglässt, funktioniert der Balancer ausgezeichnet. Habe ich auch schon gebaut. Ein wenig anders, ok. aber vom Prinzip das gleiche. Die Spannungsfolger am Ausgang der OPV habe ich nicht von Akku+ nach GND, sondern die Kollektoren nur zwischen die einzelnen LiPo Zellen geschaltet. Dann müssen die Transistoren nicht so heizen und die anderen Zellen bekommen gleich etwas mehr vom Ladestrom ab. Dieser soll sich ja so vetreilen, dass die Zellen gleichmässig voll werden. Wenn Du den Ladestrom dann an allen anderen Zellen vorbei leitest... Naja - das ist Geschmackssache und wurde schon woanders ausführlich diskutiert (rclineforum.de). Hat auch erstmal nichts mit deinem Problem zu tun. Der AVR soll ja augenscheinlich die Relais ansteuern. Was passiert mit dem Ausgang von zB. IC14a(der OPV ganz oben), wenn das Relais RE21 anzieht? Am inv.Eingang liegen ziemlich exakt 6/7tel der Akkuspannung und am nichtinv. Eingang Masse. Also wird der Ausgang ebenso gegen Massepotenzial tendieren. T52 wird voll durchsteuern und deine Balance durcheinander bringen. Das gleiche trifft für die anderen Kanäle zu. Ich bin mir darüber hinaus nicht sicher, ob der LM358 RAIL_to_RAIL kann.(Müsste evtl. gerade noch passen) R241 scheint ja ein "workaround" zu sein, der diesem Umstand Rechnung trägt. Ich such mal meine Schaltung raus. Aber nicht mehr heute - hatte ne anstrengende Woche... Du brauchst nicht die Lastseite vom Akkupack trennen, sondern - wenn überhaupt - musst Du dafür sorgen, dass die Treiberstufen hochohmig werden.
Hallo, noch mal danke für die Antworten. @ Björn Wieck Die Z-Diode dient als Spannungsbegrenzung für den Fet an diesem sollen ja nur 10 V weniger abfallen als die Maximalspannung (7 Lipos = 29,4 v) R 26 dient nur zur Begrenzung des Stromes aus der FET Kapazität beim Umpolen. R 24 für die Strombegrenzung wenn die Z-Diode durchsteuert. Jetzt ist nur noch das Problem das bei 2 Accus (8,4 V ) die Z-Diode Nicht mehr durchsteuert und so der Widerstand R 23 die Ansteuerung des FET übernehmen muß. Ich hoffe ich habe mich verständlich ausgedrückt. @ Axel Rühl, ja der Balancer funktioniert super, ich habe ihn auch schon 2 mal gebaut. Und ja der Atmel steuert über ein Schieberegister die Relais an. Funktioniert auch ohne Probleme er Teilt die Spannungen sauber auf. Ja ein LM358 kann kein Rail to Rail deshalb auch der R241 als Workaround. Und nochmals ja ich habe mir auch überlegt die Transistoren an den Mittelabgriffen anzuschließen habe mich aber dagegen entschieden. Ich bitte aber nochmals um Entschuldigung für die schlechte Qualität des Schaltplans aber ein guter Schaltplaneditor steht mir nicht zur Verfügung und auch nochmals als kleine Entschuldigung ich bin Informatiker kein Elektrotechniker. Auch habe ich keine wirklich guten Meßgeräte ein Oszi und eine Multimeter damit Spannungen auf die Zweite Kommastelle genau zu messen ist schier unmöglich Was ich nur habe ist das selbst wenn ich den Balancer ohne angeschlossenen Akku betreibe bekomme ich am ADC eine zu geringe anzeige der Akku Spannung eben um die 0.07V zu gering. Grüße Tom PS um 3:00 Uhr bin ich zu einer besseren Antwort nicht mehr fähig gute Nacht
Bitte melde dich an um einen Beitrag zu schreiben. Anmeldung ist kostenlos und dauert nur eine Minute.
Bestehender Account
Schon ein Account bei Google/GoogleMail? Keine Anmeldung erforderlich!
Mit Google-Account einloggen
Mit Google-Account einloggen
Noch kein Account? Hier anmelden.

