Hallo, ich wollte mit einem PNP (BC548) 3 LED'S mit je 20mA schalten. Die Basis geht über 1K auf den Atmel. Am Collector liegt Masse an und am Emitter über LED's und Widerstand 5V. Jetzt ist mir aufgefallen, daß die LED's nur schwach leuchten. Der Widerstand wurde aber an den Spannungsabfall des Transistors angepasst. Wenn ich den Basiswiderstand auf 200 Ohm von den 1K reduziere, dann fließen genug mA, daß die LED's leuchten (ca 60mA). Allerdings wird der Port dann mit ca 17mA belastet. Das ist mir aber zuviel, da ich ja 5 Pins benutzen will. Das wären ca 100mA am Prozessor-Port und eigentlich nich ganz der Sinn einer Verstärkerschaltung. Mache ich irgendwas falsch beim Grundprinzip oder nutze ich nur einen falsch NPN? Vielen Dank
Hallo, Du solltest ihn vielleicht nur richtig rum einbauen... Der Emitter gehört an Masse und die LEDs über Vorwiderstände an +5V. Falschrum betrieben hat jeder Transistor nur eine sehr geringe Stromverstärkung, außerdem ist die B-E-Sperrspannnung nur wenige Volt. http://www.mikrocontroller.net/articles/Transistor PS: jede LED braucht einen eigenen Vorwiderstand, sonst fließt duch die LED mit der geringsten Flußspannung ein größerer Strom. Mag die dann nicht und ungleichmäßig hell sind sie dann auch noch. Gruß aus Berlin Michael
Okay Nachtrag: Es istein NPN BC548 und Emitter liegt an Masse, Collector an LED mit Widerstand auf 5V. Somit also alles richtig wie mir scheint. Aber dennoch habe ich 17mA am Port bei gerade mal 60mA an den LEDs bei 200 Ohm Basiswiderstand. Da stimmt doch etwas nicht..
Hallo. das Datenblatt sagt bei 1mA Basisstrom ist er auch bei 50mA Kollektorstrom bereits in der Sättigung, Uce rund 0,2V. Du bist Dir sicher, daß E und C nicht vertauscht sind? Allerdings ist ein BC548 mit 60mA schon ziemlich am Limit, die Sättigungsspannung steicgt da schon merklich an. Ein BC338 wäre da günstiger. Gruß aus Berlin Michael
BC548 halte ich für völlig problemlos, schätze mal Sättigungsspannung deutlich unter 0.2 Volt bei 60 mA. 1-5 mA Basisstrom sollten reichen, um 60mA Collectorstrom gesättigt fließen zu lassen. Wenn nicht, ist irgendwas verkehrt.
Warum die LED's nicht per MOSFET ansteuern. Für unser Projekt in der Fa. haben wir dazu BSS138 benutzt (oder wars ein BSS38?). Das gate per 51k an +Ub gelegt, damit das Gate einen definierten Pegel hat, wenn nicht verbunden und gleichzeitig dient der 51k als Pull-Up für den Portpin. Somit wird die Strombelastung aller Portpins sehr klein gehalten.
Hallo, @Winfried: naja, ich habe die Sättigungsspannung nicht geschätzt, sondern im Diagramm des Datenblattes nachgeschaut... Das sagt eben nicht "deutlich unter 0,2V bei 60mA" sondern 0,2V oder knapp drüber. ;) Naja, spielt im konkreten Fall auch keine wirkliche Rolle, es muß in jedem Fall gehen. Ansonsten stimme ich (und das Datenblatt) voll mit Dir überein. Gruß aus Berlin Michael
3,4V brauchen die Dioden. Dann kommen noch 0,7V vom Transistor hinzu. Macht also 4,1V. Dazu die 20mA machen ca 205 Ohm.Und davon hängen auch 3 Stück an jeweils 3 Anoden der Dioden. An der Kathode der Collector vom BC548. Und bei 200 Ohm Basiswiderstand mit 17mA Portbelastung werden auch die anvisierten 60mA vom BC548 bereit gestellt. Aber das ist mir eindeutig zuviel Portbelastung mit 17mA. Das sehe ich doch richtig, oder?
Hallo, UCEsat ist rund 0,2V, nicht 0,7V. Unabhängig davon sind auch mit Deiner Rechnung: 3,4V + 0,7V = 4,1V 5V - 4,1V = 0,9V 0,9V / 20mA = 45 Ohm Wo hast Du 205 Ohm her? Mit 3x ca. 205 Ohm parallel rund 68 Ohm würden selbst ohne LED und Transistor mur 70mA fließen können. Mit Dioden, also 5V - (3,4V + 0,2V) = 1,4V / 68 Ohm = 20mA gesamt oder rund 7mA pro Diode. Keine Ahnung, wo Du also 60mA gemessen haben willst... Mach Deinen 1k wieder in die Basis, hänge statt der Dioden einen 1k zwischen C und plus und messe mal Uce. Die sollte dann auf jeden Fall unter 0,2V liegen. Dann hänge einer Deiner Dioden + Vorwiderstand rein und messe Uce. Die darf nicht über 0,2V sein. Wenn doch -> Transistor wechseln. Gruß aus Berlin Michael
>0,9V / 20mA = 45 Ohm >Wo hast Du 205 Ohm her? schneller geschrieben als gedacht: ich habe mit 4,1V, nicht 0,9V gerechnet. Bei 1k Basiswiderstand sind es 4mA Belastung aber es werden nur 9mA durchgelassen. Switche ich um auf 200 Ohm sind es 17mA bei ca 60mA... Ich versuche mal den Transistor zu tauschen...
so, habe jetzt einen BC327 genommen. Bei 200 Ohm Basis habe ich 0,5mA Belastung bei und 7mA Verstärkung. Bei 1k Basis habe ich 1,5mA und 12mA Verstärkung. Fantastisch..
bin jetzt mit dem BC327 auf 8 Ohm Basiswiderstand runter. Die Belastung bleibt bei 2,2mA hängen (seit 30 Ohm) und die Verstärkung bei ca 20mA. Also weniger also ein BC548 bei 200 Ohm Basis (ca 60mA Verstärkung) Auch wenn die Basis direkt auf GND gelegt wird, bleibt es bei 2,2mA mit 20mA. deprimierend. Hab nun zum 32. Mal kontrolliert. Emitter an Masse und Collector zu den LED'S. Habe sie nun einfach zusammen an einem Widerstand (16 Ohm) angelötet, daß da ein paar mA mehr fließen können.
... >ich wollte mit einem PNP (BC548) 3 LED'S mit je 20mA schalten. Die Basis geht über 1K auf den Atmel. Am Collector liegt Masse an und am Emitter über LED's und Widerstand 5V. ... Hallo, auch wenn es jetzt mit einem anderen Transistor funktioniert, sollte man mal die Aussage aus dem Eröffnungspost bildlich festhalten und evtl. analysieren, was hier schief gelaufen ist, oder? VCC VCC VCC VCC + + + + | | | | | | | | | V ->V ->V -> | - - - | | | | | | | | | | | | | .-. .-. .-. | | | | | | | | | | | | | | | '-' '-' '-' | | | | | o---o---' o---' | _ |< o---------------|___|----| |\ o---. | | | | | | | === === GND GND (created by AACircuit v1.28.6 beta 04/19/05 www.tech-chat.de) Bei LOW Pegel am Eingang werden die LEDs leuchten. Die Frage ist nur, wieviel Strom tatsächlich durch die LEDs fliesst, bzw. wie hell diese leuchten werden. pro LED sollen es 20mA sein. Nehmen wir den Transistor als idealen Schalter an. die drei Vorwiderstände sollten in etwa ((5-1.8)/0.02) = 160 Ohm betragen. Nehmen wir 180 oder 220, was gerade da ist. Mögen jetzt 60mA fliessen. Bei einer Stromverstärkung von 150 fliesst also ein Basistrom von 0.06/150 = 400µA. Bei 1K Basiswiderstand und 400µA Basistrom fällt an diesem ein Spannung von 0.4 Volt ab. Du steuerst den Transistor also mit -4.6Volt an. Am Emitter deines PNPs kannst Du nun eine Spannung von -4.6 + 0.7 = -3.9Volt messen. (Wir messen mal gegen VCC[5V], NICHT gegen Masse) gegen Masse gemessen sind das 1.1V, welche Dir von den 5Volt verloren gehen. Meiner Aussgae von oben: >Bei einer Stromverstärkung von 150 fliesst also ein Basistrom von 0.06/150 = 400µA. kannst Du entnemen, das ein Basisvorwiderstand entbehrlich ist. Es wird in deiner Schaltung nur soviel Strom aus dem AVR Portpin fliessen, wie sich aus dem Laststrom und der Stromverstärkung errechnet. Wenn Du den Basiswiderstand weglässt, ist auch der Spannungsabfall von 0.4 nicht mehr da. Deine LEDs bekommen jetzt -4.3V als Betriebsspannung. Du hast einen Emitterfolger gelötet :) http://de.wikipedia.org/wiki/Kollektorschaltung Fazit: Wenn die Funktion der Schaltung tatsächlich so gewünscht wird; Basiswiderstand weglassen. Vorwiderstände der LEDs aud 150 Ohm verringern. viele Grüße AxelR. Edit Die Berechnungen sind zugegeben etwas holperig und kratzen nur an der Oberfläche, um die Sache nicht noch komplizierter zu machen. Die Stichworte "Emitterfolger" und "Kollektorschaltung" habe ich nicht umsonst in den Text aufgenommen :)) nochn EDIT Wie hast Du nun die Schaltung letztendlich aufgebaut, als Kollektorschaltung oder als Emitterschaltung?
> > PS: jede LED braucht einen eigenen Vorwiderstand, sonst fließt duch die > LED mit der geringsten Flußspannung ein größerer Strom. > Mag die dann nicht und ungleichmäßig hell sind sie dann auch noch. Hallo ihr anderen, wollt mal fragen, warum eigentlich jede LED eine unterschiedliche Flussspannung hat. Danke im Voraus
>Wenn die Funktion der Schaltung tatsächlich so gewünscht wird; >Basiswiderstand weglassen. Vorwiderstände der LEDs aud 150 Ohm >verringern. Gut, dann mal andersrum, da ich denke ich habe da einen gedanklichen Hänger: Ich suche eine Transistorschaltung, bei der ich mit dem MC (egal ob Low oder High) Masse zum Verbraucher schalten kann. Zwischen 20-400mA liegt da die Anforderung. Wer hat da eine praxistaugliche Schaltung? Vielen Dank.
Hallo, @Axel Rühl: der BC548 ist ein npn, hat er aber schon im ersten Posting am Ende richtig geschrieben. @Hans Joachim Kempf: der BC327 ist ein pnp! Wenn Du den so angeschlossen hast: >Hab nun zum 32. Mal kontrolliert. Emitter an Masse und Collector zu den >LED'S. Habe sie nun einfach zusammen an einem Widerstand (16 Ohm) >angelötet, daß da ein paar mA mehr fließen können. kann da nicht viel funktionieren, da wprde dann wieder das Posting von Axel Rühl zutreffen. Ich verstehe auch Deine Messungen im Postung davor nicht so richtig. Ich gebe es wohl auf... Gruß aus Berlin Michael
>@Hans Joachim Kempf: der BC327 ist ein pnp!
genau. ich hasse diese bezeichnungen, die verwechsel ich dauern, egal
wie oft ich schaue.
ich habe nun einen bc337 genommen. der ist ja in npn, wie der
ursprüngliche bc548.
jetzt geht alles optimal. Voller Durchlaß der 60mA bei nur 5mA
Portbelastung!. Besten Dank an alle!
Hans Joachim Kempf wrote: > Voller Durchlaß der 60mA bei nur 5mA > Portbelastung!. Besten Dank an alle! mal das BITTE mal auf... 60 / 5 = 12
Die Stromverstärkung ist einfach zu klein. Deshalb bitte mal deine Schaltung posten
Ja genau. Die Stromverstärkung erscheint auch mir viel zu klein. Es sieht nach Inversbetrieb aus. Hast Du Emitter/Kollektor vertauscht? Skizze und Foto wär nicht schlecht. (Nur wenn Du Lust hast)
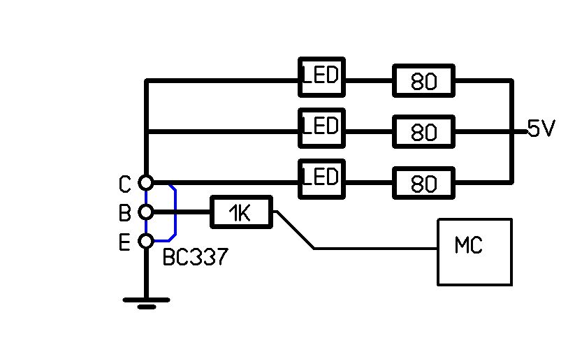
Hallo, hier eine Skizze. Ich will mich jetzt nicht auf mA festlegen, da ich ein 10€ Reichelt-Gerät nutze, ab mit und ohne Transistorschaltung ist der Verbrauch der LED's gleich, naja bis auf 4mA oder so.
Du könntest mit dem 1k noch höher gehen. Der Strom durch C-E beträgt 3 * U / R = 3 * ( 5 - 1.2 ) / 80 = 142 mA (Ich hab mal 1.2 V pro LED angenommen) Um 142 mA durch die C-E Strecke zu jagen, muss an der Basis ein Strom von 142 / 100 = 1.42 mA fliessen. ( 100 ist die Stromverstärkung des Transistors aus dem Datenblatt. Die hab ich mal konservativ angenommen. Real wird sie höher sein). Um 1.42 mA durch die Basis zu jagen, braucht es einen Widerstand von ( 5 - 0.7 ) / 0.00142 = 3028 Ohm. Mit 2.2kOhm bist du also locker dabei.
Hallo, wenn Dein Bild den Transistor mit Beinen nach oben zeigen sollte, ist E und C vertauscht... Flache Seite zu Dir, Beine nach oben, von links nach rechts: C-B-E Gruß aus Berlin Michael
Hallo, grrrr, jetzt schreibe ich den Quatusch auch noch falschlang... :( E-B-C mit Beinen oben und flache Seite zum Körper natürlich. Gruß aus Berlin Michael
>wollt mal fragen, warum eigentlich jede LED eine unterschiedliche Flussspannung hat. Zu jeder Farbe gehört eine Frequenz f bzw. Wellenlänge Lambda. Photonen der Frequenz f haben die Energie W = hf= h*c/Lambda, h plancksches Wirkungsquantum, eine wichtige Entdeckung, Stichwort Fotoeffekt, Deutung von A. Einstein. Wenn Du W ausrechnest für rotes Licht (um 650nm) erhälst Du einen Wert um 1,5 eV, für blau/ violett mit z.B. 430nm kommst Du dann auf 3..3,5eV. Eine IR- LED mit z.B. 900nm hat nur 1..1,5 eV. (Angegebene Werte für die Energie sind Pi-mal-Daumen, rechne selbst nach, wenn's genau sein soll). LED funktionieren nach dem umgekehrten Fotoeffekt und erzeugen Fotonen aus beschleunigten Ladungen. Dabei müssen diese Ladungen aus internen Gründen mit mehr als der (theoretischen) Spannung oben beschleunigt werden, Faustregel + 0,5V. Rot also um 2V, blau um 3,5V..4V Dieser Sachverhalt ist der Grund, warum es z.B. keine rote LED für eine 1,5V- Batterie geben kann.
Nochwas: Es gibt keine "60mA Verstärkung". Man kann nur sagen, dass ein Transistor einen Verstärkungsfaktor von z.B. 100 hat. Wenn also 1mA Basistrom fließt, können 100mA Kollektorstrom fließen. Aber selbst dann muss man bedenken, dass man im Kollektor-Emitter-Zweig Bedingungen schaffen muss, damit die auch fließen können. Wenn man z.B. einen 100K Widerstand an den Kollektor gegen +10 Volt schaltet, kann man 100mA in die Basis fließen lassen und hat trotzdem nur 100uA Kollektorstrom. Aber das sind schon wieder alles Grundlagen, die man besser in entsprechenden Büchern nachliest.
Bitte melde dich an um einen Beitrag zu schreiben. Anmeldung ist kostenlos und dauert nur eine Minute.
Bestehender Account
Schon ein Account bei Google/GoogleMail? Keine Anmeldung erforderlich!
Mit Google-Account einloggen
Mit Google-Account einloggen
Noch kein Account? Hier anmelden.
