Hallo Forum, ich versuche im Moment mein S45 über original Siemens Datenkabel per ATMEGA8 (4MHz) mit 9600 Baud anzusteuern. Einen Softwarefehler kann ich eigentlich ausschließen, da über ein Terminalprogramm softwareseitig alles einwandfrei funktioniert. Es kann also nur ein Hardwarefehler sein. Ich hab hier im Forum schon mehrfach gelesen, dass die Elektronik im Datenkabel über Pin 4 (SUB-D) mit Spannung versorgt werden will. Dies zeigte bei mir aber keine Wirkung. Mein (fehlerhafter) Anschluss des AVR an das Datenkabel sieht im Moment wie folgt aus: SUB-D Pin 1 -> NC SUB-D Pin 2 -> T1OUT am MAX232 SUB-D Pin 3 -> R1IN am MAX232 SUB-D Pin 4 -> +5V SUB-D Pin 5 -> GND SUB-D Pin 6 -> NC SUB-D Pin 7 -> NC SUB-D Pin 8 -> NC SUB-D Pin 9 -> NC Wie muss der Anschluss richtig aussehen? Muss eventuell noch irgendwas gebrückt werden? Thanx!
Hallo Wenn du das Handy direkt mit dem Mega8 verbindest brauchst du kein Datenkabel oder Pegelwandler. Beim S45 empfehle ich dir den AVR mit 3V zu betreiben.Die Baudrate mußt du auf 19200 einstellen sonst wird das nix. Gruß Helge
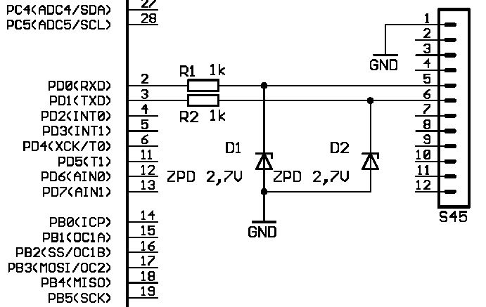
Hallo, jetzt habe ich nach Helge`s Tipp mein Siemens S45 direkt an den ATMEGA8 angeschlossen (siehe Zeichnung im Anhang). Die Baudrate ist auf 19200 eingestellt. Wenn ich nun mit dem Programm aus dem Tutorial AT - Kommandos übertrage, zeigt das Telefon nach wie vor keine Reaktion. Über ein Terminalprogramm geht es einwandfrei, dass Telefon ist also nicht defekt. Ist mein hardwareseitiger Anschluss fehlerhaft? Muss man bei der Übertragung softwareseitig etwas Besonderes beachten? Wie gesagt, ich verwende das erste UART - Beispiel aus dem Tutorial. Thanx!
Hallo, Versuch mal erst CR und dann LF zu senden. D1 brauchst du nicht! cu...
Bitte melde dich an um einen Beitrag zu schreiben. Anmeldung ist kostenlos und dauert nur eine Minute.
Bestehender Account
Schon ein Account bei Google/GoogleMail? Keine Anmeldung erforderlich!
Mit Google-Account einloggen
Mit Google-Account einloggen
Noch kein Account? Hier anmelden.
