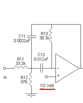
Hallo, ich habe einen Struckturgramm gefunden, bei dem am positiven Eingang des OPV "1/2 VDD) steht (siehe Bild). Bedeutet das wirklich, daß da die Hälfte der Versorgungsspannung, also in dem Fall 2,5V, angelegt werden soll? Oder ist das nur ein weiteres kryptisches Zeichen, das mich Einsteiger verwirren soll? Kann durch die Veränderung der Widerstände das irgendwie ausgelichen werden, so daß VDD angelegt werden kann? Vielen Dank
Hallo Heinrich,
>Bedeutet das wirklich, daß da die Hälfte der Versorgungsspannung....
ja, z.B. mit einem Spannungsteiler von "+" zu GND bestehend aus
2 x 10k.
Gruß Otto
Hallo, wenn das Ding Wechselspannung verstärken soll (kann es nur, C12 sorgt dafpr), muß der Ausgang auch den Spannungshub für Wechselspannung ausführen können. Also liegt der + Eingang an Ub/2, der läuft für Gleichspannung mit Verstärkung 1 (dafür sorgt C11) und damit ist der Ausgang auch auf Ub/2 und kann eine um diesen Wert schwankende Wechselspannung ausgeben. Alternative dazu ist symmetrische Versorgung mit +5V / -5V als Beispiel. Außerdem: was stört Dich daran? 2 gleiche Widerstände (2x 10k als Beispiel) als Spannungsteiler zwischen Ub und GND und Du hast in der Mitte Ub/2. Dort noch ein 22µ gegen GND, um den + Eingang des OPV für Wechselspannung auf GND zu legen und fertig. Gruß aus Berlin Michael
Hi Heinrich, das Ding ist ein Tiefpassfilter, guckst du hier: http://www.softwaredidaktik.de/filter/filterschaltungen.htm
Achso, habe ich vergessen: Das was in deiner Schaltung '1/2 Vdd' ist, ist bei symmetrischer Spannungsversorgung GND. Deine Schaltung scheint für unsymmetrische Versorgung zu sein, dort musst du logischerweise GND 'selber definieren', sonst kann ja die negative Halbwelle vom Eingang nicht durchkommen.
Also wenn ich -5V und 5V für die Versorgungsspannung benutze, kommt da GND ran. Bei 0-5V sind es 2,5V - richtig verstanden? Ja, ist ein Tiefpass für ein Piezoh-Element.
Bitte melde dich an um einen Beitrag zu schreiben. Anmeldung ist kostenlos und dauert nur eine Minute.
Bestehender Account
Schon ein Account bei Google/GoogleMail? Keine Anmeldung erforderlich!
Mit Google-Account einloggen
Mit Google-Account einloggen
Noch kein Account? Hier anmelden.
