Hallo,
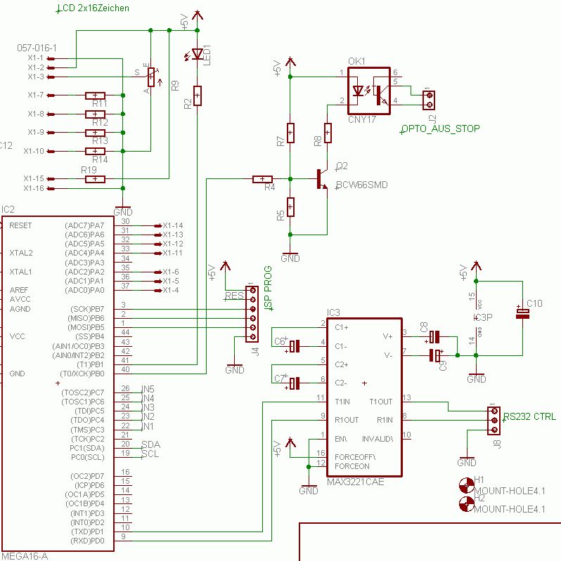
im Anhang meine Schaltung der jeweils baugleichen ATMEL Schaltungen.
Die beiden Schaltungen sollen miteinander kommunizieren.
Beide Schaltungen können dies mit 1200, 9600, 115200baud ohne
Fehler direkt mit einem PC, da der Quarz mit 7,3728Mhz gewählt wurde.
C6, C7, C8, C9 sind als Tantal 0,1(µF) mikroFarad.
Im Datenblatt sollte wohl C7, C8, C9 min. 0,33(µF) mikroFarad
sein. Dies habe ich ebenfalls getestet; keine Änderung.
Es wurden verschiedene PCs getestet. Keine Probleme.
Jetzt das Szenario:
1. Schaltung empfängt einfache Zeichen und stellt sie auf dem Display
dar (können alle Zeichen sein, da ein Stern geschrieben wird,
wenn generell die ISR Routine aufgerufen wird.
Zeichen wird zusätzlich mit ASCII Wert dargestellt.
Wird einwandfrei mit PC mit Hterm auf dem LCD dargestellt.
2. Schaltung sendet jede Sekunde 2 bytes + ein 0x13 Ende Zeichen.
Wird einwandfrei im PC mit Hterm dargestellt.
Jetzt werden beide Schaltungen mit gekreuztem Kabel verbunden;
d.h. 1 ---- 2
TX ----- RX
RX ----- TX
GND ----- GND
Fazit: Die 1.Schaltung empfängt wohl rein gar nichts und stellt kein
einziges Zeichen dar.
Hat jemand noch eine Idee ?
Gruß Sven
Mit dem Scope nachmessen wo das Signal verschwindet...
Bitte melde dich an um einen Beitrag zu schreiben. Anmeldung ist kostenlos und dauert nur eine Minute.
Bestehender Account
Schon ein Account bei Google/GoogleMail? Keine Anmeldung erforderlich!
Mit Google-Account einloggen
Mit Google-Account einloggen
Noch kein Account? Hier anmelden.
