Hallo zusammen Hatte mal wieder so eine Idee. Manche von euch kennen sicherlich das Problem einen Ipod oder mp3 Player an einem Autoradio anzuschliessen wenn kein Richtiger AUX eingang vorhanden ist. vorallem bei origanalgeräten!! Es gibt da nun nebst einigen anderen lösungen die möglichkeit mit einer Speziellen Musikkassette indem man die beiden Tonköpfe koppelt. unterm strich ist es immer schlechter als ein richtiger aux eingang. Ich habe mir überlegt wie es wohl funktionieren würde wenn man anstatt die Tonköpfe koppelt, die Tonköpfe entfernt und die Signalleitungen deren dirket miteinander verbindet. Auf diese weise wäre allerdings der kasettenplayer hinüber, dafür hätte man einen Ebenbürdigen Aux, oder sehe ich da was falsch. Wer braucht heutzutagen schon noch Kasetten.... Vielen Dank für eure Hilfe und Gedanken
Müsste gehen, allerdings könnten da noch Entzerrungssachen drin sein, um die Verzerrungen des Kopfes auszugleichen. Besser wird wohl sein, wenn du etwas später irgendwo ein Abgriff findest, wo du NF einspeißen kannst.
Was auch noch ein Problem darstellt ist das nach dem Tonkopf ein Vorverstärker kommt wodurch du deine Signale zuerst abschwächen müsstest. Besser ist es wie Winfried schon geschrieben hat die Signale irgendwo später einzuspeisen (vor dem Multiplexer)
werde mal schauen wo das signal noch eingespiesen werden kann. Am besten wäre in diesem fall wenn das signal dort eingespiesen wird wo die ganze kassetten einheit auf die hauptplatine gesteckt wird... es sind allerdings "nur 20" pins und keiner ist angeschrieben.... :-( könnte man mit ausmessen probieren nicht? eine musikkassente mit einem schönen Sinus von zb. 100Hz Bespielen und dann abspielen lassen. Dann müssten diese 100 Hz ja an den Pins zur Hauptplatine übertragen werden...
Es geht sogar noch viel einfacher. Eine bespielte Kassette mit einen Deutsch-Kurs für Anfänger rein ins Radio und dann einfach die Signalstrecke vom Ausgang des Verstärkers mittels eines Kopfhörers und eines 10kOhm Vorwiderstandes zurückverfolgen bis zum Vorverstärker. Dann kann man sich einen Anschluss schaffen an dem das externe Audio-Signal dort eingespeist wird, wo es wirklich gut passt, wenn man dem Kopfhörerausgang des MP3-Players noch zwei 10kOhm Vorwiderstände verpasst. Mit Anreisekosten zum nächsten Bastlermarkt könnte das ggf. teuerer werden, als eines von den 30Euro – Radios mit MP3-Player / SD und USB-Slot vom Lebensmitteldiscounter um die Ecke zu erwerben aber der Lerneffekt der Selbstbaulösung ist doch deutlich höher und wir hätten dann auch keine Signale mehr an unpassender Stelle „eingespiesen“.
Klug! wirklich klug. obwohl ich keinen deutsch kurs für anfänger habe.:-werde eine alte kindergeschichten kasette benützen :-) Da hast du natürlich recht mit dem günstigen Radio. ABER... es handelt sich um eine Audioeinheit eines volvo C70 Mit Bose Soundsystem zu dem hat das gerät keine normale DIN grösse sondern die grosse din bauform (quasi ca. doppelt so hoch). dann müsste noch eine blende her die bei vilvo ca. 200 eur kostet wobei gleich anzufügen ist das alle anderen billig blenden nicht recht passen würden und ausssehen als wären sie selbst hin gepinkelt. zu dem hat meine original volvo HIFI anlage einen Klang wie eine konzerthalle deshalb suche ich nach einer Möglichst optimalen lösung mein Ipod audiosignal einspeisen zu können.....
Ich nehme an, Raphael ist Schweitzer, die sagen nämlich "eingespiesen" statt "eingespeist" Der am einfachsten zu findende Punkt für den Anschluß ist das Lautstärkepoti (wenn es kein gleichspannungsgesteuerter Lautstärkesteller ist).
das tz in Schweitzer war ein Schreibfehler
<< optimalen lösung mein Ipod audiosignal einspeisen zu können..... >> OK. Was spricht dann gegen das IPod Travel Kit (Ladeschale für Kippenanzünder mit Halter am Schwanenhals und UKW-Senderaufsatz) ausser dem Preis, aber das ist ein Punkt, in dem IPod Besitzer Kummer gewohnt sind. Kein sägen, bohren, feilen, am Original-Radio und wenn das gute Stück (Gott möge es verhüten!) morgen den Geist aufgibt oder den Besitzer wechselt, ...
@Christoph Db1uq ja klar bi ich schwizer aber eine ohni TZ :) Das mitem lutstärcheregler funtioniert nöd wills ebe keis Potti isch...
@ tex Ich weiss ja nicht aber hab mir sagen lassen das diese FM modulatoren nicht so der Hit sind bezüglich der Klang qualität. Zudem kann man den die Verkehrsfunkmeldungen nicht mehr automatisch hören. Aber dein Argument: <<wenn das gute Stück (Gott möge es verhüten!) morgen den Geist aufgibt oder den Besitzer wechselt, ...>> Ist schon Richtig überlegt... hmmm
@ tex meinst du mit UKW senderaufsatz den Itrip oder einen FM modulator welcher im antennenkabel des radios in serie gaschaltet wird und das audio signal direkt auf das antennen kabel aufmoduliert?
OK. Wenn Du Schweizer bist, entschuldige ich mich für den bösartigen Seitenhieb mit dem Deutsch Kurs. ... Ich habe hier Leute um mich die "Dutests mit intriegierten Batteerieen gekäuft haben" ...
Was zum Henker sind >"Dutests mit intriegierten > Batteerieen ????????????
Ich meinte den ITrip. Der ist bei diesem Travel Kit dabei. Das Modell mit Anschluss an das Antennenkabel ist wieder mit Bastelei verbunden, dann kann man sich auch das Geld sparen und das Autoradio umbauen. Alternativ gibt es noch die fertige Tape-Atrappe mit Kabel, die man einfach in den Tape-Schacht schiebt und ans Kabel den IPod hängt. Der Vorteil des Apple-Kits ist, das eine Halterung für den IPod dabei ist und dass die Kabel alle nach unten weggehen. So hat man dann nicht das Ladekabel und das Audio-Kabel im Auto rumhängen und der IPod schlenzt irgendwo in der Mittelkonsole rum. Das Argument Verkehrsfunk ist wohl richtig. Ich höre da aber nicht mehr hin. Erstens habe ich noch nie erlebt, dass es stimmt, was da angesagt wurde, oder es wurde angesagt, wenn ich schon im Stau stand. Zweitens weiss ich nur wenn ich ortskundig bin, welche Stelle der Typ im Radio meint, wenn ich in unbekanntem Terrain unterwegs bin sagt mir das alles sowieso nicht viel und letztendlich bekomme ich die Stauinformationen mindestens genauso zu spät vom Navi.
<< Was zum Henker sind .. >> Das ist mangelnder Sachverstand gepaart mit dem Unvermögen seine Muttersprache zu sprechen. Er meinte den Erwerb eines Durchgangsprüfers, zusammen mit einem Päckchen alkalischer Energiespeicher. Die stehen beim Großhändler im Regal gleich neben den "Autogeisern" ;-)
yeep ich habe ienen Itrip. Ich weiss ja nicht wie das bei euch in deutschland ist aber in der Schweiz, Zumindest region Zürich wo ich heimisch bin Ist von 87.0MHz bis 107.0 MHz alles belegt und wenn man eine zwischenfrequenz wählt kmmt ein riesen kratzen. Nein, der ITrip ist genial in der Wüste oder in einem schweizer "Hilibilkaff" wo sonst funkstille herrscht. zum Tapeadapter. Ein solches besitze ich ebenfalls. Es hört sich han wie der Schacherseppli auf einem Gramophon vom Jahre 1658 n.chr. da singe ich leiber selbst :-) die einzoge Alternative welche ich noch in erwägung ziehen würde, ist der Fm Modulator der die Signal direkt auf das Antennenkabel speist, oder spiest oder einpeist, wie auch immer.... aber ich bin dann gefrustet wenn ich 100 Euro für ein solches ding ausgebe und das hörts ich dan auch nicht richtig gut an....
dann würde ich mir an Deiner Stelle das Radio zur Brust nehmen, es sei denn zu hast Deinen Jahresurlaub noch nicht verplant. Dann empfehle ich Dir, noch bis nach dem Urlaub zu warten und selbigen in Kanada zu verbringen, wo Du auf einer Rundreise durch das grandiose Land an dem einen oder anderen Schrottplatz vorbeikommst. Doppel-Din und AUX sind auf dem nordamerikanischen Kontinent seit Jahren der Standart und ich könnte mir vorstellen, dass Du das schnell was passendes (Durchaus auch von Volvo) findest.
Naja, Ich war vor einem Monat für 3 wochen In Kanada und USA Jetzt bin Ich Illegaler Imigrant, weil die Kanadier mein "USA Holiday permit" bei der Ausreise vergessen haben aus dem Reisepass zu entfernen... --> Nase voll genug der Dinge... ich versuche mich mit der "anzapfung" des eingebauten tape laufwerks. man kann ja schliesslich auch mal etwas professionell modifizieren anstatt nur rumbasteln. Ich hab das schliesslich mal gelärnt, zu dem bin ich Schweizer und die sind ja bekannt für Präzision Genauigkeit und Qualität!!!! ;-)
<< weil die Kanadier mein "USA Holiday permit" bei der Ausreise vergessen haben aus dem Reisepass zu entfernen... --> Nase voll>> Hehe! Bei Niagara über die Grenze gegangen? Das mit dem "Illegaler Imigrant" wäre mir aber neu. Bei mir gab das damals keine Probleme. Der Typ von ImService hat die Karte einfach bei der nächsten Einreise rausgerissen und weggeworfen. Wenn Du ganz sicher gehen willst, kannst Du sie auch selber raussreissen und an den ImService schicken. (Die Adresse steht, galube ich, sogar drauf) Das ist übrigens nichts ungewöhnliches. Viele Leute reisen nicht wieder über die USA aus und Mexico, Südamerika oder aber auch Kanada interessiert die US-Card nicht.
nö über die kanadische grenze. wann war denn >damals?? diverse infos unteranderem auch die amerikanische botschaft hat mich so informiert: Seit dem Biometrische daten von den Imigranten genommen werden geht das nicht mehr so einfach. das problem stellt an und für sich nicht die grüne karte dar, sondern die Registrierung bei den amis welche besagt dass, ich nicht ausgereist bin und somit meine auf befristete aufenthaltsdauer in den USA überschritten habe. das heisst keinen Einlass bei der nächsten einreise und sofortige rückschaffung!!! http://bern.usembassy.gov/i-94_departure_card.html If you returned home with your Immigration and Naturalization Service (INS) departure record Form I-94 (white) or Form I-94W (green) in your passport, it means that your departure was not recorded properly. It is your responsibility to correct this record. You must provide the INS sufficient information so we can record your timely departure from the United States. This will close out your earlier record of arrival to this country. Nun Soll man folgende unterlagen senden!! -Original boarding passes you used to depart the United States -Photocopies of entry or departure stamps in your passport indicating entry to another country after you departed the United States (you should copy all passport pages that are not completely blank, and include the biographical page containing your photograph.), and -Photocopies of other supporting evidence, such as: Dated pay slips or vouchers from your employer to indicate you worked in another country after you departed the United States -Dated bank records showing transactions to indicate you were in another country after you left the United States -School records showing attendance at a school outside the United States to indicate you were in another country after you left the United States -Dated credit card receipts, showing your name, but, the credit card number deleted, for purchases made after you left the United States to indicate you were in another country after leaving the United States
Hier http://london.usembassy.gov/dhs/cbp/i94.html im roten Kasten steht die allesentscheidende Adresse, an die man den Kram senden soll. http://germany.usembassy.gov/germany/visa/record_departure.html Da stehts auch noch mal, nur nicht im roten Kasten.
Bei deiner Kassettenvariante solltest du bedenken, dass das Signal nur dann zu hören sein wird, wenn das Kassettenteil auf "play" steht. Dies wiederum geht oftmals nur mit einer Kassette im Laufwerk. Da die Band-Ende-Überwachung die Drehzahl der nicht abwickelnden Seite überwacht, musst du eine entsprechende Atrappe haben.
ich hab sowas mal gemacht, aber den AM input benutzt; hat dein radio am bzw mittelwelle?
Ich habe nun die Platine mal etwa analysiert und habe den Rechten sowie den Linken Kanal und signal GND Gefunden. Ich habe am verbindungsstecker auf welcher die Gesammte tabemechanik inkl. elektronik draufgesteckt wird ausgemessen. Ich vermute das diese stelle kurz vor dem EQ und vorverstärker ist. Diese wäre doch ideal um das signal einzuspeisen. Für die Pegelanpassung könnte ich einen Trafo 10:1 nehmen aber zwei wiederstände genügen doch auch. Dieses Signal muss ja nicht zwangsweise enkoppelt werden.... Umax habe ich gemessen und beträgt dort ca. 400mV die amplitude des Line out am Ipod beträgt 600mV so viel muss da gar nicht gedämpft werden....
Bedenke, daß das Audiosignal nach dem Tonkopf noch entzerrt wird - genauso wie bei Phono-Geräten (mit RIAA-Kennlinie) werden auch Kassetten mit an die frequenzabhängige Dynamik angepassten Frequenzgängen (reduzierter Bass, angehobene Höhen) bespielt. Diese Kennlinien (NAB/CCIR/IEC) werden bei der Wiedergabe ebenfalls angewandt, nur mit umgekehrten Vorzeichen (abgesenkte Höhen, angehobene Bässe). Wenn Du Dein Signal an einer Stelle einkoppelst, wo dies noch nicht geschehen ist, klingt die ganze Chose ... nicht überzeugend.
Ich gehe mal davon aus, dass das ganze enzerrungs zeug schon im Tape laufwerk gemacht wird. Es sind jedenfals einige ic verbaut auf diesen platinen. was die alles so genau machen ist ohne schaltplan allerdings relativ schwierig festzustellen. Das ganz Gerät ist in sog. einzel komponenten aufgebaut: Stromversorgungsplatine ,der Tuner, der CD player, das Tape laufwerk, frontplatte mit Display und Bedienung und die Grundplatine mit Vorverstärker. alles auf die Grundplatiene aufgesteckt, ich deke es wäre also sinvoll diese Enzerrungselektronik in der Tape komponente zu verbauen.... ich denke es ist am besten mal auszuprobieren wie es sich anhört. ich hoffe die Leute welche das gerät konstruiert haben, haben die selben Überlegungen gemacht :-)
nimm besser den AM input ! ich habe sowas auch gemacht...beim tape zeigte sich ein problem: (entzerrung---klar), aber: das ding schaltete nur um, wenn cass im laufwerk lag, dann konnte ich aber nur wieder auf ukw durch auswurf der cass ... doof... beim am-input gings besser: auf am umschalten: externes musik-signal, auf ukw zurück...alles wie gewünscht. wenn du am also nicht brauchst...daher meine frage oben.
Hi ich hab die Ausgänge von meinem Tuner im Autoradio abgedremelt und an die Stelle Kabel gelötet, jetzt liefert an dieser Stelle mein PDA das Signal. Endlich läuft auf allen Frequenzen nur noch gescheite (gescheite=Musik die mir gefällt) Musik;-) Gruß MISZOU
hmm... hat was. Muss ich prüfen. ansonsten muss ich wohl doch die leitungen des AM Tuners suchen. aber du hast mich auf eine Idee gebracht! fals tpe auch funktionieren würde ohne kasette dann könnte man den mp3 über die tape schnittstelle laufen lassen und an der am schnittstelle könnte ich einen DAB empfänger installieren... Guter Hinweis, danke.... werde das mit dem tape mal prüfen..............
Ich habe noch was anderes entdeckt: Das Radiogerät hätte ja einen anschluss für ein externen CD wechsler. Ein volvo Mech hat mir erzählt das man diesen nicht zu aux umbauen könne. Ich habe aber nun diesen anschluss auf der platine genauer betrachtet und folgende pins identifiziert 8 stück 1.ACC--> 12V 2.GND 3.GND 4.S.GND 5.R 6.L 7.BUS 8:???? wahrscheinlich unbelegt... Ich nehme an: S.GND signal ground L/R Kanal Links/Rechts nur leider kann ich am gerät nicht auf den cd wechslermodus umschalten. HAt jemand eine Idee wie der erkennt ob ein gerät angeschlossen ist oder nicht?
@Düsentrieb AM findich eine Schlechte idee, der ist doch nur einkanalig. Nix mit Stereo sound....
GG@Raphael Hess hehe jaja nen CD Wechsler Anschluß hab ich auch. Hab mir bei ebay einen geholt, die Kanäle und Ground vom Wechsler gekappt an einen 3 poligen Schalter, die Kanäle vom PDA an weitere drei Pole und als mitte hab ich die Anschlüsse vom Radio gelötet. Durch den angeschlossenen Wechsler konnte ich als Quelle CD wählen und mit dem Schalter hab ich dann umgeschaltet was ich hören will. Lief ganz gut bis irgendwann der Wechsler kaputt gegangen ist. Bei meinem Alpine muss vom Wechsler ne Bitfolge kommen, damit das Radio weiß, Wechsler ist da. Zusätzlich musste dann auch noch play gedrückt sein und der CD Wechsler musste eine CD abspielen sonst kam nichts über die Analog Kanäle rein. Musst mal im Internet schauen, vielleicht findest du ja das Protokoll vom Wechsler Anschluß und kannst es dann mit einem MC emulieren. Viel Spaß noch. Gruß MISZOU
Also das mit dem CD wechsleranschluss vor erst mal auf eis gelegt. ich werde einige tage unterwegss ein und deshalb musste ich abschliessen. ich habe es vorerst über das tape gelöst. Funktioniert einwandfrei. dem laufwerk habe ich eine Kassette mit endlosband eingelegt. die originalen ausgänge habe ich unterbrochen und den Pegel des Ipod mit je 2 2.2Kohm widerstände ungefähr angepasst. ich kann jetzt also nur von FM auf Tape umschalten und schon rockts vom Ipod... und das ganze in einer Qualität wie direkt vom Cd Player!!!! Wirklich gut! Kann ich jedem Empfehlen!!!! Jetz muss ich dann nur den cd wechselr in den griff bekommen.. mir ist aufgefallen als ich das audiogerät zerlegt auf dem Tisch, also ohne den internen CD player in Betrieb genommen habe konnte ich ebenfals nicht auf cd modus umschalten, wie ich auch nicht auf cd wechsler umschalten kann solange keiner gesteckt ist. also könnte man doch mal alle signale am Cd player untersuchen und so villeicht die ominöse Bitfolge welche den wechslermodus aktiviert herausfinden.... jeden falls danke ich für eure werte Mithilfe!! Gruss
Hallo Leute, Bei mir kommen diese drei Leitungen R L GND direkt vom kassettendeck auf die Platine. Was soll ich machen? Hier einfach AUX verbinden? Wie kann ich prüfen, ob ich noch irgendwelche Widerstände dazwischen benötige? Ich bitte um etwas Schützenhilfe. VG Stephan
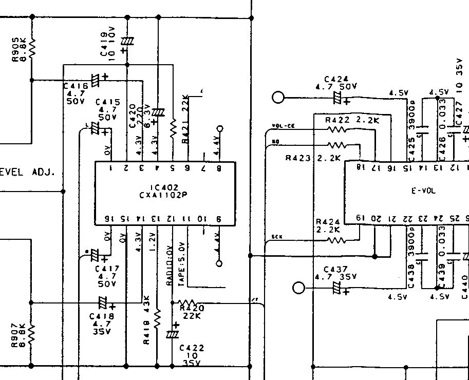
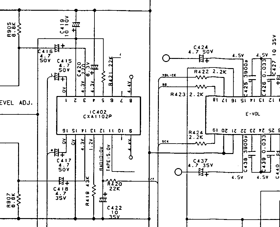
Die Elkos an Pin 6 und 11 des CXA1102 IC-seitig auslöten. In diese das externe line- Signal einspeisen.
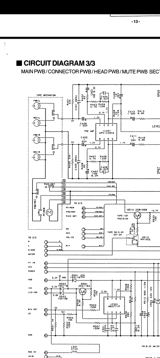
Hallo Max, tausend Dank, aber ich verstehe dich nicht ganz. 🙁 Kannst du das auf dem Foto markieren? Hier ein Schaltplan der Tape Verbindung. Habe auch den ganzen Plan zur Not da.
Ah, hier ist der CXA1102P zu sehen! Du meinst PIN 6 und 11 überbrücken und direkt hinterm IC das AUX Signal einspeisen? AUX sind aber 3 Leitungen (Rot, Weiß, Schwarz) :(
:
Bearbeitet durch User
Er meint es sicherlich so. Die beiden Audiosignale an den Kondensator und die Masse mit GND verbinden.
So leicht wurde noch nie ein 18 Jahre alter Thread gekapert. Erstaunlich das es noch Leute gibt die alte Kassettendecks umfrickeln.
Nachtrag: Ich weiß jetzt nicht welche Funktion der CXA1102 genau hat, aber eventuell wäre es besser das Audiosignal am Pin 3 und 14 des CXA1102 einzuspeisen. Es kann sein das der CXA1102 zwischen Radio und Kasette umschaltet. Wenn Du das Signal nach dem CXA1102 einspeist würde in dem Fall der Verkehrsfunk nicht mehr funktionieren. Also besser das Signal vor C416 und C418 einspeisen.
Liebe Leute, tausend Dank! Ja, mein Auto ist 30 Jahre alt und soll sein original Radio behalten. 😁 Meint Ihr so? AUX Kabel direkt anlöten? Nichts trennen? Datei CXA1102P liegt bei.
:
Bearbeitet durch User
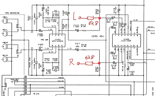
Stephan B. schrieb: > Meint Ihr so? AUX Kabel direkt anlöten? Nichts trennen? Genau, vielleicht sollte man noch einen 6k8 Widerstand pro Kanal in Reihe schalten, damit das Kassettensignal nicht kurz geschlossen wird! Denn so kann es zur Not weiterhin genutzt werden. Außerdem wird das IC402 nicht mit einer zu niedrigen Impedanz angesteuert, was eventuell zu Schwingneigungen oder plötzlich einsetzendes sporadisches merkwürdigem Rauschen führen könnte.
Stephan B. schrieb: > mein Auto(radio) ist 30 Jahre alt und noch nicht codiert? Doch. Hast Du den Code? ciao gustav
Ich habe jetzt Links vom Kopfhörer Kabel an PIN 3 gelötet und Rechts an PIN 14 und Ground an PIN 15. Foto anbei. Leider klappt es noch nicht. Wenn ich den Klinkenstecker in die Handybuchse stecke, knackt es im Lautsprecher aber es kommt kein Ton, auch nicht bei voller Lautstärke. Reicht die Spannung nicht? Die Pins benötigen doch ca. 6 V dachte ich? Ja, Radio Code habe ich. Bitte gebt noch etwas Hilfe.
:
Bearbeitet durch User
Das Handy aktiviert den Kopfhörerausgange warscheinlich nur, wenn es den Kopfhörer erkennt. Belaste beide Ausgänge des Handies mit jeweils einem 47 oder 100 Ohm Widerstand. Und kopple das Audiosignal mit Kondensatoren aus. Etwa so:
1 | In ---+---100--- GND |
2 | | |
3 | === 10 uF |
4 | | |
5 | +-----6k8----- Out |
:
Bearbeitet durch User
Juhu!! 🥳🥳 Man muss es natürlich richtig machen und so wie von mavin gezeichnet, hinter dem Kondensator C416 und C418! Jetzt klappt es, undzwar mit voller Lautstärke und super Klang! 😁😁 Zwei 6k8 Widerstände muss ich erst noch kaufen. Vielleicht ist es deswegen so laut. Nun muss ich es nur noch hinbekommen, dass der Tapedeck Motor nicht mehr läuft. Optimal wäre, ich könnte das Signal über den Mittelwelle Eingang oder so einspeisen. 🤔
:
Bearbeitet durch User
Achja: du solltest auf keinen Fall versuchen das Handy aufzuladen während es am "Line" steckt! Zumindest nicht mit einem Zigarettenstecker am USB. Induktiv oder per Powerbank geht, aber auf keinen Fall eine weitere Kabelverbindung zum Auto. Auch nicht über die Powerbank!
Stimmt, wenn ich gleichzeitig über USB versuche das Handy aufzuladen, rauscht es und die Verbindung bricht ab. Wie könnte ich das Problem lösen? Die AUX Masse irgendwie anders verbinden? Fürs Aufladen, brauche ich noch eine Lösung.
Wie gesagt, induktiv (Qi), Powerbank oder eine isolierte 5V-Versorgung. Sei froh das es nur gerauscht hat, es kann auch schnell an einem Ende schmauch machen und dann geht da nie wieder ein Ton rein oder raus. Btdt.
Tausend Dank hier nochmals an Alle, die mir so schnell geantwortet haben!!! Ich wäre nie alleine auf die Lösung gekommen und dass es tatsächlich funktioniert, hätte ich nicht gedacht. Danke nochmal!
Bitte melde dich an um einen Beitrag zu schreiben. Anmeldung ist kostenlos und dauert nur eine Minute.
Bestehender Account
Schon ein Account bei Google/GoogleMail? Keine Anmeldung erforderlich!
Mit Google-Account einloggen
Mit Google-Account einloggen
Noch kein Account? Hier anmelden.





