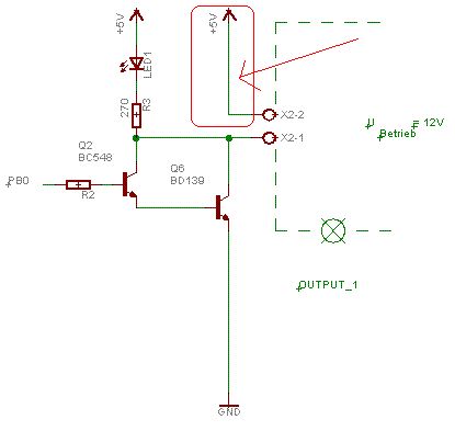
Hi, Habe grad die Schaltung auf dem Testboard probiert. Ziemlich sinnlos als ich mir sie angeschaut habe. Möchte ja 12 V bzw eine beliebige Spannung schalten. Ich habe an die sinnlose Stelle eine rote Makierung gemacht. Ich schalte ja momentan wie es ist gegen VCC (also gegen 5V) ... Hmm wie kann ich es so schalten, dass ich den gewünschten effekt habe?
Hallo, indem Du statt +5V an BEIDE Punkte +12V anschließt und den Vorwiderstad der LED vergrößerst? Bevor die Frage kommt "warum auch die LED?": weil sonst die LED bei abgeschalteter Last mit 7V in Sperrichtung belastet wäre und das über der zulässigen Sperrspannung einer LED liegt... Gruß aus Berlin Michael
Okay Michael sorry problem net genau beschrieben. Also das VCC an der LED soll 5V betragen. Ich möchte mit einem MC den Transistor durschalten. Deswegen auch die 5V an der LED z.B. ... nun möchte ich eine ganz ganz andere schaltung (in der 12 V herscht) mit dem transistor schalten. Verstehste?
an der diode fällt dich etwa 0,7 V ab. An der Led etwa 2 V und am Widerstand der "Rest". Wie soll dass mein Problem lösen?
Hy Schalt dich zu deiner LED einfach eine Diode (1N4148) antiaralell zue LED dan wird die Sperrspannung der LEd auf 5V begrenzt und du dürftest keine Probleme mehr haben MfG Richy
Hallo, man auch alles kompliziert machen... Es gibt keinen Grund, weshalb man Kunstschaltungen machen soll, um die LED an 5V zu bekommen. Die LED soll anzeigen, daß die Last eingeschaltet ist (denke ich zumindest...), dann ist sie mit passendem Vorwiderstand parallel zur Last, also an 12V, doch gut aufgehoben. Zum Kommentar von Richy: mal Dir das als Schaltung auf. Schau Dir die Stromwege und die Spannungen an, die jeweils herrschen, wenn H oder L am Eingang Deiner Schaltung liegen. Stromkreis, Ohmsches Gesetz, Kirchhoffsche Regeln, Verhalten von Dioden und wie der ganze Grundlagenkram so alles heißt. Gruß aus Berlin Michael
Guten Morgen ... Also entweder wir reden an einander vorbei, oder ich habe das Problem nicht deutlich gemacht. Tippe auf Letzteres. Also nocheinmal ganz langsam: Im Anhang befindet sich ein Schaltungsausschnitt. Ich habe eine Mikrocontrollerschaltung gebaut. Diese besteht auf AVR und Umgebung. An den Ausgänge des AVRs sitzen wie in dem Schaltplan angedeutet Transistoren, wie eine Last schalten sollen. In dem Fall liegt Q2 mit seinem Vorwiderstand an Pin PB0. Schaltet Pin PB0 auf "High", so "leuchtet" die LED. Der Widerstand R3 begrenzt den Strom der LED. Also einfach den "Transistor Q2 als Schalter eingesetzt". Nun habe ich jedoch eine Last, die einen Leistungstransistor benötigt. Da der Controller pro Pin jedoch nu max. 20 mA liefert und der Leistungstransistor in der Basis ein wenig mehr benötigt schalte ich den Leistungstransistor Q3 wie im Schaltplan gezeigt. Q2 und Q3 bilden als eine Darlington-Schaltung. Nun Schaltet Q3 ebenfalls durch, wenn an Pin PB0 "High" liegt. Der gewünschte Effekt. Soweit zu meiner mit 5V betriebenen Steuerplatine. Mit dem Transistor Q3 möchte ich jetzt eine 12V Last schalten. Diese Last befindet sich auf eine völlig anderen Platine. Diese Platine bezieht ihre Betriebsspannung von 12 V DC von einem ganz anderen Netzteil. Also vollkommen unabhängig von der Steuerplatine. Soweit zu meiner mit 12V betriebenen Last - Platine. Ich möchte nun auf meiner Steuerplatine irgendwie zwei Anschlussklemmen X2 anbringen. Diese sollen mir den Anschluss der Last-Platine ermöglichen. An X2-1 wird zum Beispiel ein Verbraucher, der an GND (Seperat und NICHT von der Steuerplatine, sondern von der Last_Platine) angeschloßen ist angeschloßen. An X2-2 wird dann 12 V angelegt( Die ebenfalls NICHT von der Steuerplatine zu beziehen sind).
Hallo, alles klar. Fehler eigentlich nicht, ist ja so alles ok. :) Schalte in Reihe zur LED eine x-beliebige Diode und fertig. Hintergrund: wenn die Transistoren gesperrt sind, liegen am Kollektor und damit an der Kathode der LED übder Deine Last die 12V von außen an. Da die Anode der LED übder den Vorwiderstand an +5V liegt, bekommt sie also 12-5 = 7V in Sperrichtung. Das ist für eine LED zuviel. Die zusätzliche Diode verhindert dann, daß die LED stirbt. Ansonsten geht alles so wie gezeichnet. Eine Diode antiparallel zur LED, wie oben vorgeschlagen, würde zwar auch die LED gegen die zu hohe Sperrspannung schützen, es würde aber ein unnötiger und gefährlicher Querstrom von +12V über Last, Diode, Vorwiderstand nach +5V fließen. Gruß aus Berlin Michael
Zitat Michael: 1: "Schalte in Reihe zur LED eine x-beliebige Diode und fertig." 2. "Eine Diode antiparallel zur LED, wie oben vorgeschlagen, würde zwar auch die LED gegen ..." 1 und 2 sind doch exakt dass Gleiche .. also war die eine Zeichnung mit der 1N4148 richtig.
Hallo, ich glaub so wie du es möchtest >an X2-1 wird zum Beispiel ein Verbraucher, der an GND >(Seperat und NICHT von der Steuerplatine, sondern von der Last_Platine) >angeschloßen ist angeschloßen. An X2-2 wird dann 12 V angelegt( Die >ebenfalls NICHT von der Steuerplatine zu beziehen sind). geht das mit deiner Schaltung nicht. Wenn du die verwenden willst musst du GND verbinden. Oder ich stehe auch grad voll auf dem Schlauch. Du wolltest die 12V auf den Verbraucher schalten. Das ist mit deiner Schaltung eher ungünstig. Besser ist es hier den GND zu schalten. Wenn beide Stromkreise galvanisch getrennt sein sollen (müssen) solltest du über Optokoppler oder Relais nachdenken.
Hallo, @AVR: die Schaltung mit der 1N4148 ist richtig, hatte ich einfach übersehen... 1. ist obige Reihenschaltung 2. ist nicht das gleiche, eine Diode parallel zur LED mit K an LED-Anode und A an LED-Kathode ist mit anti-parallel gemeint und das macht Probleme. @Ralf W. und AVR: Die GND-Anschlüsse müssen logischerweise verbunden sein, der Stromkreis für die Last ist ja +12V -> Last -> Transistor -> gemeinsamer GND, der für die Ansteuerung +5V -> AVR -> Widerstand -> Transistor-Basis -> gemeinsamer GND. Die Stromkreise müssen ja schließlich geschlossen sein, wenn da jeweils was fließen soll. Gruß aus Berlin Michael
>Die GND-Anschlüsse müssen logischerweise verbunden sein
Sehe ich auch so, aber wenn ich seinen Post richtig verstanden habe will
oder kann er es nicht so machen?
Nehme nun einen Optokoppler. Damit habe ich das Problem am schnellsten gelöst. Möchte etwa 10 Watt schalten bei 12 V. Könnt ihr mir da einen Optokoppler nennen, der dass kann? Habe nur den 4N28 da
Ich kenne jetzt so auf die schnelle keine Optokoppler, die diese Last vertragen. Müsstest schon mal danach suchen. Hast du nur einen OK der wenig Strom schaltet, könntest du ihn über Vorwiderstand vom AVR ansteuern und deine Darlington Schaltung auf die andere Seite des OK nehmen. (evtl auf der Lastplatine). Dadurch sind die beiden Schaltungen dann galvanisch getrennt. Nur bei deiner Schaltung ist es günstiger nach GND zu schalten. Wenn du unbedingt 12V schalten willst, musst du die Schaltung ändern. Aber vielleicht ist es ja doch einfacher deine obige schaltung zu nehmen, die GND's zu verbinden und die Last von +12V (du hattest Lampen als Last?) auf den Kollektor der Darlingtonschaltung zu legen. Denke in dem Fall, wie Michael schon schrieb an die Diode in Reihe zur LED. Vielleicht kann dir dieser Link zum Verständnis helfen: http://www.mikrocontroller.net/articles/Transistor
Also den Transistor beherrsche ich denk ich mal ganz gut. Die Lastseite ist eine vergoßene Schaltung. Aus diese vergoßenen Schaltung ist ein Kaltgerätestecker herausgeführt. Diesen möchte ich an meine Steuerplatine anbringen. Also KEINE Möglichkeit da etwas auf die Last-Platine zu bauen ... bald nehme ich echt ein Relais. Ahhh
Hier bin ich wieder ... So habe nun ein Relais genommen, da ich echt keine Idee mehr habe, wie ich es sonst hinbekomme (Nen Optokoppler der die Leistung bringt habe ich auch gar nicht da). Im Anhang seht ihr die Schaltung mit einem Relais. Nun ist es mir möglich die 12 Volt mit meinem Controller zu schalten. Ist alles so korrekt ?
Bitte melde dich an um einen Beitrag zu schreiben. Anmeldung ist kostenlos und dauert nur eine Minute.
Bestehender Account
Schon ein Account bei Google/GoogleMail? Keine Anmeldung erforderlich!
Mit Google-Account einloggen
Mit Google-Account einloggen
Noch kein Account? Hier anmelden.




