Hallo! Ich bin auf der Suche nach einem Komparator, als Eingangssignale bekommt er Dreiecks, Sinus oder Rechtecksignale (jeweils ca. +- 2 V). Dies soll auf ein digitales Signal 0 bis 5V gebracht werden. Ich habe mir das so gedacht: einen Komparator an +- 5 V, als Referenz 0V und am anderen Eingang halt das Signal welches +- 2 V hat. Am Ausgang des Komparators bekomme ich dann +- 5V diese mache ich über einen Widerstand und Diode zu 0 bis 5V. Geht das soweit? Gut, das eigentliche Problem: Ich suche einen SMD-Komparator der das kann und auch zu einem akzeptablen Preis. Es ist leider immer nur Propagation Delay angegeben. Wie gross muss die etwa sein damit auch noch 20 Mhz durchgehen? Ob das Signal nachher eine Phasenverschiebung hat oder nicht ist egal, aber es soll halt ein schönes Rechtecksignal rauskommen. Hat da wer einen Tipp? Ich habe auch für andere Möglichkeiten ein offenes Ohr, aber dann bitte konkrete Vorschläge. Danke für die Hilfe
Na. Die Propagation delay ist der Phasenfehler. Die sollte signifikant unterhalb der Zykluszeit sein. Das schoene Rechtecksignal ist durch die slewrate definiert. So steil werden die Flanken. Das ueblich Vorgehen ist sich beim Vorzugsditributor die Standardtypen rauszulesen, dann zum Hersteller, dort die Datenblaetter holen, und das war's dann schon. Viel Spass.
Schau Dir mal Digital-Schmittriger an. z. B. 74HC14 oder ähnlich. Eingangsoffset kann man mit Widerständen machen.
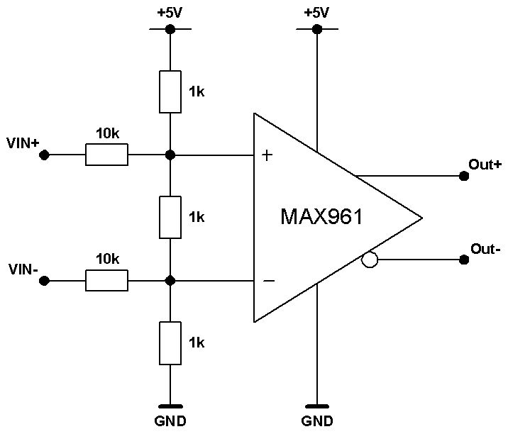
Wie wär's mite MAX999 bzw. MAX961? Das ist ein super Komperator, den man noch bei über 50 MHz einsetzen kann. ist leider nicht ganz billig, aber bei Dallas/Maxim kriegt man meistens einige Gratis-Muster. Der Baustein ist zwar nur für Singel Supply (3.3V bis 5.5V) ausgelegt, aber in Deinem Fall kannst die +- 2V mit einem Widestandsnetzwert am Komperator Eingang entsprechend einpegeln...
Anbei noch ein ein Beispiel-Schema (ohne gross nachzurechnen...) Gruss Peter
Oups... Mit "Hirn" einschalten und "Nachrechnen" komme ich auf ein etwas anderes Widerstandsnetzwerk...
Hallo! Danke erst mal für die Antworten, hab mir das maxim Analogon des LT1016 als sample bestellt. Dann spielt mir der Preis auch keine Roll mehr. Noch ein Frage: Der hat ein Latch am Ausgang, das man über ein EN-Signal ein und ausschalten kann. Im Datenblatt heisst es, dass wenn EN low ist, dass sei es "latched", heisst latched, dass der Ausgang hoch ohmig ist oder genau das Gegenteil?
Nein, gelatcht heisst, der Wert aendert sich nicht mehr, wird gehalten.
Bitte melde dich an um einen Beitrag zu schreiben. Anmeldung ist kostenlos und dauert nur eine Minute.
Bestehender Account
Schon ein Account bei Google/GoogleMail? Keine Anmeldung erforderlich!
Mit Google-Account einloggen
Mit Google-Account einloggen
Noch kein Account? Hier anmelden.

