hallo ich habe ein Schaltplan gefunden wo man mit einem Mega 128 ein Tonsignal erzeugt und über ON PB4 ausgibt an einen OPV. Mit Pin PB6 stellt man die Lautstärke ein. Nur wie stelle ich das Software mäßig an Mein Mega hat 16MHHZ Quarz. Könnte mir einer mal einen Tip geben. Oder wo findet man ein beispiel. danke euch
Die Einfachversion ist: Den Pin mit einer bestimmten Frequenz einfach ein und ausschalten. Wenn du das 440 mal in der Sekunde machst, gibt das den berühmten Kammerton 'A'. Wenn du noch eine Lautstärkeeinstellung haben willst, dann wird das bei deinem Schaltplan wahrscheinlich eine PWM sein. Anstatt einfach nur 'ein' schalten, wird eine PWM benutzt um die Ausgangsspannung nicht nur zwischen 0 und 5 Volt umzuschalten, sondern die 'ein'-Stellung mittels PWM auf kleinere Voltzahlen zu begrenzen.
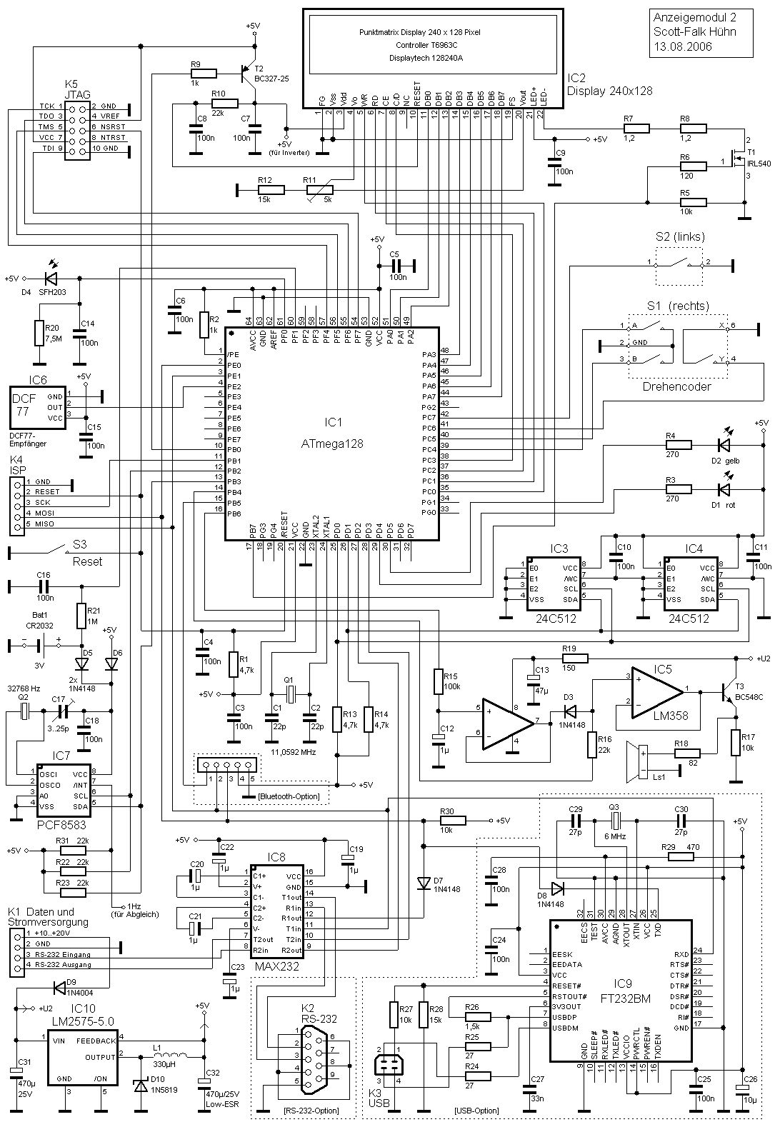
Ja also den Kammerton habe ich aber nur sehr leise. Ich habe mal den Plan angehängt Wie kann man das lauter bekommen
Eventuell einen einfachen Transistorverstärker bzw. einen Operationsverstärker vor der Lautsprecher klemmen.
Ich denke an PB4 wird die Frequenz erzeugt, während an PB6 die Lautstärke eingestellt wird (mittels PWM) Welche Spannung hast du an +U2 angeschlossen? Welche Impendanz hat denn dein Lautsprecher? Was ist wenn du die Frequenz von PB4 anstatt über die OPAmps mal direkt an die Basis des Transistors T3 (mit einem entsp. Basiswiderstand) einspeist? Das müsste eigentlich ordentlich tröten.
Hab mir mal kurz die Schaltung angesehen... Die Verstärkerstufe hat eine Ausgangsimpedanz von 82 Ohm. Wenn du da einen stinknormalen Lautsprecher mit z.B. 8 Ohm dran hängst wird das nie und nimmer laut werden. Also: entweder noch nen Verstärker dahinter, oder einen Piezo nehmen. Was ist wenn Du PB6 mal nen konstanten High-Pegel verpasst? ( -> Lautstärke = Vollgas ) Gruß, Magnetus
Hallo Also mit piezo wirds leiser. Der Lautsprecher hat 8Ohm. Voller High Pegel bringt nichts ist das gleiche wie über PWM. Wie würde den ein Verstärker aussehen??? Gibts dazu was. U2 ist 12V Danke
Bitte melde dich an um einen Beitrag zu schreiben. Anmeldung ist kostenlos und dauert nur eine Minute.
Bestehender Account
Schon ein Account bei Google/GoogleMail? Keine Anmeldung erforderlich!
Mit Google-Account einloggen
Mit Google-Account einloggen
Noch kein Account? Hier anmelden.
