ich habe beim suchen nach bauteilen für meinen ersten kleinen bot meine alte legokiste wiederentdeckt und dachte mit das wäre ja optimal für den bau eines prototypen. also habe ich zwei legotechnikmotoren genommen, ebenfalls mit legotechnik zwei getriebe gebaut und habe auch schon ein grundgerüst für das fahrgestell. jetzt frage ich mich allerdings wie ich die beiden legomotoren mit einem avr mega8 ansteuern kann (beides 9v motoren). die elektronik sollte allerdings relativ flexibel sein, da ich mir wahrscheinlich wenn es funktioniert ein anderes gehäuse bauen und servos für den antrieb kaufen werde. kann mir da jemand helfen?
Hi, ich würde den L293D dafür nehmen. Mit dem lassen sich problemlos zwei kleine Motoren betreiben. Eventuell noch einen Optokoppler zwischen dem AVR und dem Treiber IC, damit Du die Motoren auch mit 9V betrieben kannst. Du z.B. hier gucken, ansonsten bei Google. :-) http://www.wellesley.edu/Physics/Rberg/logochip/docs/feedback.doc -Zoltan
Hi, und was ist mit dem ULN2803, wäre der nicht auch geeignet? Optokoppler wäre doch eher für die Galvanische Trennung interessant oder? Grüße, Timo
sehe ich das richtig, dass ich mit dem L293D beide motoren ansteuern kann? und wie ist das dann mit dem optokoppler? brauche ich für jeden pin des avr, den ich mit dem L293D verbinden will mit einem optokoppler bestücken?
@Timo Optokoppler: Ja da hast Du recht, braucht man nicht unbedingt. Den ULN2803 habe ich noch nie für Motoren benutzt. Insbesondere, wenn er auch Rückwärts fahren will, ob das mit dem geht? Kenn mich aber mit dem IC nicht sonderlich aus.
Hi, ich habe hier ein Elektor Buch, "Steuern Messen Regeln." Da gibt es eine Basisschaltung für die Ansteuerung von Motoren. Habe das auch vor.. aber ist eins meiner vielen Winterprojekte. Selbst auf dem Microkontroller Board ist der ULN Dafür benutzt. Soweit ich weiss kann der mit max. 500mA ohne Umständliche Elektronik belastet werden. Es können pro Chip 2 Motoren mit einer 4Bit Ansteuerung verarbeitet werden. Sollte etwas falsch sein, korrigiert mich bitte! In den Anhang habe ich das Datenblatt bepackt. Der Preis von 40Cent ist auch noch tragbar;-) cu, Timo
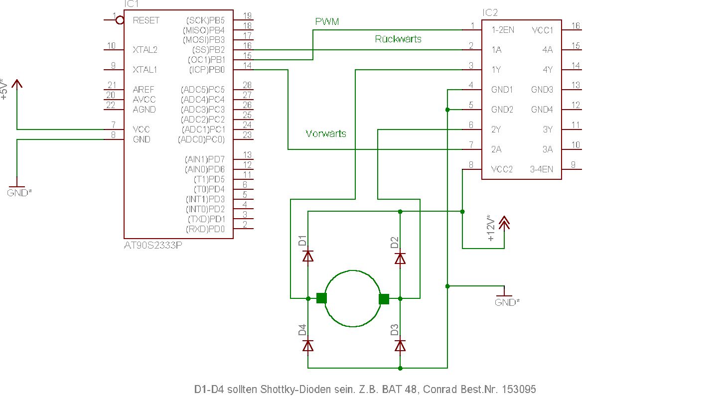
ich hab mal versucht eine kleine zeichnung zu machen wie man den avr, den L293D und den motor verbinden könnte. kann sich das mal jemand angucken (und evtl. korrigieren)? thx
sieht ganz gut aus, aber ich glaube mich zu erinnern das da an den ausgängen für den motor noch irgendwelche dioden rangehören, sollte aber im datenblatt beschrieben sein
Der L293 ist ungünstig. Bei nur 9V Betriebsspannung verbräht er zuviel für sich selber. Ich würde den guten alten BUZ72 nehmen und für die Drehrichtungsumkehr ein stinknormales Relais. Peter
Hi, ich dachte auch wir reden jetzt von einem Schrittmotor. Einen normalen (zwei anschlüsse) würde ich auch einfach so ansteuern, ohne Treiber. kleine Schaltung und dann über die Ports gehen. Timo
ja, aber wie kann ich den dann vorwärts bzw. rückwärts fahren lassen? außerdem bringt es ein 9V motor glaube ich bei dem output nicht und wenn er zuviel zieht macht er mir doch den avr kaputt oder?
Hallo anbei eine Lösung mit Dioden Zeichnung stammt nicht von mir ... habe ich vor einiger Zeit im Internet gefunden (weiß aber die Homepage nicht mehr) Günter
@günter: danke erstmal, aber ich habe noch 2 fragen. ist es egal an welche i/o ports des controllers ich den L293D anschließe? und kann ich auf der anderen seite (freie pins) noch einen motor auf die gleiche art betreiben?
Also das mit "alte Legokiste" nehme ich Dir nicht ab. Alt sind 4,5V Motoren (Lego Technik) und 12V Motoren (Eisenbahn) :) Aber ich würde auch ein Relais für die Drehrichtung nehmen (2UM) und eine kleine Schaltung zwischen 9V und Relais (Schaltseite), mit der Du statt auf 9V auch auf Masse schalten kannst, damit der Motor "blockiert". Ich hab mal 'ne grobe Beispielschaltung rangehängt. Simon
ich bin 17 und für meine verhältnisse ist die kiste alt ;) danke, das ist glaube ich die einfaste lösung.
Allerdings hat Peter recht: Der L293D verbrät knapp 40mA. Der TLE 4205 ist besser, man braucht zwar einen Chip / Motor, aber er hat einen sehr kleinen Ruhestrom. Die Dioden sind da auch schon drin. Bezugsquelle: http://www.kessler-elektronik.de
also kann ich dann einen L293D an meinen AVR und meinen motor anschließen, genau wie das in der zeichnung, die günter geposted hat, nur dass ich dabei die dioden weglasse (wenn ich sie doch reinbaue kann das nicht schaden oder?)? kann ich dann auf der anderen seite nach dem gleich prinzip noch einen motor anschließen? und ist es egal an welchen i/o pins des avr ich den L203D anschließe oder muss ich da auf etwas bestimmtes achten?
wie ist kessler-elektronik denn so allgemein preislich? ich hab bei den paar kleinigkeiten bei denen ich geguckt habe den eindruck gehabt, dass die preise so ungefähr wie die von reichelt sind. stimmt das auch bei den anderen sachen?
@tpp >kann ich dann auf der anderen seite nach dem gleich prinzip noch einen >motor anschließen? Ja ! >und ist es egal an welchen i/o pins des avr ich den >L203D anschließe oder muss ich da auf etwas bestimmtes achten? welchen AVR möchtest Du einsetzen ? Nehm einen mit 2 PWM-Ausgängen und verwende die vorgesehenen Pins vergleiche hierzu die Atmel-HP, dort gibt's eine Übersicht für die Vorwärts-/Rückwärts-Aktivierung kannst Du jeden anderen Port-Pin als Ausgabe-pin schalten und damit verwenden günter
Hallo ttp Ich habe beim 'stöbern' in meinem PC noch die Beschreibung zu der geposteten Schaltung gefunden; ist eine Word-Datei (.doc); aber virenfrei (mit Norman-Virus-Control überprüft) die im Dokument ertwähnte HP ist leider nicht mehr online ??? gruß Günter
Ich meinte eigentlich den Spannungsabfall. Laut Datenblatt fallen am L293 bei 1A bis zu 3,6V ab, d.h. von den 9V kommen nur noch 5,4V am Motor an, der Rest muß durch entsprechende Kühlkörper entsorgt werden. Daher ist der L293 bei 9V nicht zu empfehlen. Die bis zu 60mA Ruhestrom sind natürlich bei Batteriebetrieb auch ganz schön heftig. Deshalb sollte man doch besser zu moderneren MOSFETs oder MOSFET-ICs übergehen. MOSFETs wie z.B. den BUZ72 kannst Du direkt vom AVR ansteuern. Es ist auch zu beachten, daß nur der L293D Dioden hat, d.h. beim L293B oder L293E müssen sie extern beschaltet werden. Peter
Hallo Peter Dannegger kannst Du die Empfehlung... >Deshalb sollte man doch besser zu moderneren MOSFETs oder MOSFET-ICs >übergehen. >MOSFETs wie z.B. den BUZ72 kannst Du direkt vom AVR ansteuern. für Elektronik-Hobby-isten evtl. ergänzen: wie könnte eine solche Schaltung (genannten BUZ72 mittels AVR ansteuern) aussehen ? Man lernt ja gerne hinzu ... im voraus herzlichen Dank Günter
Als IC wurde hier schon mal der TB6549 von Toshiba genannt. Das mit dem BUZ72 hatte ich ja oben schon mal angedeutet: Gate an den AVR (PWM-Ausgang) und am Drain die Diode gegen +9V und dann zu einem Relais mit 2 Wechslern als Polwender geschaltet und zum Legomotor (DC-Motor). Die Relaiswicklung wird von einem 2. Pin über einen BS170 getrieben. Da auch wieder eine Diode parallel zur Wicklung. Peter
Hallo ttp, in deinem Anschlussbild hast du vergessen den Eingang 2 zu beschalten. Falls Du nur in eine Richtung den Motor laufen lassen willst kannst Du den Eingang 2 auf Masse legen und über ein High an Eingang 1 den Motor laufen lassen. An Enable muss dafür aber auch ein High-Signal liegen, oder noch besser ein PWM-Signal für die Geschwindigkeitssteuerung. Gruß Jörg
Bitte melde dich an um einen Beitrag zu schreiben. Anmeldung ist kostenlos und dauert nur eine Minute.
Bestehender Account
Schon ein Account bei Google/GoogleMail? Keine Anmeldung erforderlich!
Mit Google-Account einloggen
Mit Google-Account einloggen
Noch kein Account? Hier anmelden.


