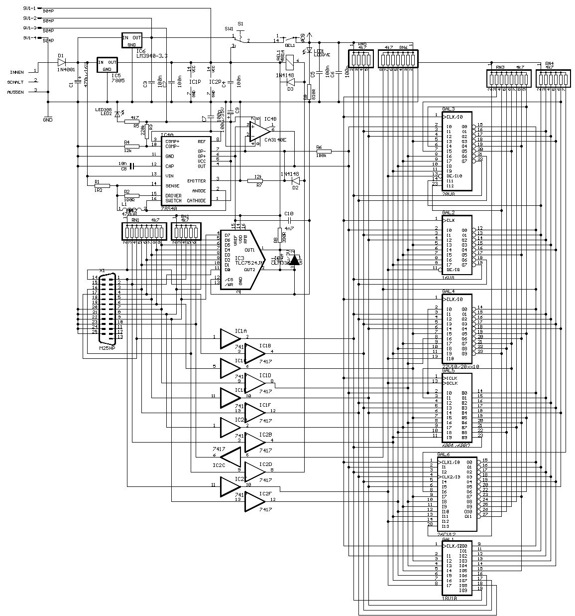
Guten Tag zusammen... Ich habe Problemme mit dem Galblast. Ich bekomme ihn einfach nicht zum laufen. Ich benutze Win3.11 auf einem alten 386, und der Galbblast Platine. Ich bekomme keine Vebindung zum Galblast, die Gelbe LED bleibt an sobald ich die LPT-Leitung anschließe. Bei der Fehlersuche ist mir aufgefallen das die Pin-Beschriftung auf der Sub-D Buchse nicht mit den Pins auf dem Schaltplan übereinstimmen. Kann es daran liegen? Die Gelbe LED wird über das Relais geschalten. Das Relais wird über IC2 (7407 HEX BUFFERS/DRIVERS) Pin 8 geschalten. Wenn ich am eingang des 7407 (pin9) ein GND reingebe dann schaltet auch das relais aber der PC macht das einfach nicht. Kann ich nun darauf schließen das es an der Software liegt? Und muss ich sonst noch was installieren in dem Windows? Oder reicht die Software um direkt auf die LPT Schnittstelle zuzugreifen? Im Anhang der Schaltplan des Galblaster Bitte helft mir will damit ein kleines Projekt machen.
Habe den Galblast vor ca. 1 1/2 Jahren gebastelt - die einwandfreie Funktion der Schaltung an sich kann ich bestätigen. Allerdings hatte ich die Schaltung ohne Step-Up aufgebaut, sondern habe - wie auf der Seite beschrieben - einen Trafo mit entsprechend hoher Spannung genommen (und alle kleinen Spannungen längs-runtergeregelt). Da die Software sehr betagt ist, mußte ich auf einen K6-2 @ 400MHz zurückgreifen - da lief es (unter Windows 95 ohne jegliche Zusatzsoftware). Was meinst Du mit >Bei der Fehlersuche ist mir aufgefallen das die Pin-Beschriftung auf der >Sub-D Buchse nicht mit den Pins auf dem Schaltplan übereinstimmen ?? Ich bin so vorgegangen: Schaltung sagt "Y an Pin X", also an der SubD-Buchse Pin X rausgesucht (nach Beschriftung), und an diesen halt Y gelötet. Habe sogar gerade nochmal nachgeschaut: Pins 20-25 an der Buchse liegen auf Masse. Viel Glück bei der Fehlersuche !
Bitte melde dich an um einen Beitrag zu schreiben. Anmeldung ist kostenlos und dauert nur eine Minute.
Bestehender Account
Schon ein Account bei Google/GoogleMail? Keine Anmeldung erforderlich!
Mit Google-Account einloggen
Mit Google-Account einloggen
Noch kein Account? Hier anmelden.
