Hallo, hiermit frage ich mal an, wer Interesse an diesen Kleinverstärkern hat,mit denen es möglich ist FM/AM Sender wie Telemetriemodule mit einer Ausgangsleistung < 10mW auf eine etwas höhere Leistung zu bringen, bei gleichzeitiger Einhaltung der gesetzlichen Vorschriften, da die abgestrahlte Leistung geringer ist als die an der Buchse gemessene. Die Reichweite liesse sich dadurch etwa verdoppeln. Die Kosten liegen bei ca 2€-2,50€/Stück, genau will ich mich da nicht festlegen. Die Mindestabnahmemenge sind Module für 50€ zgl Porto und MwSt. Ich lasse mir da noch ein Angebot schicken. http://www.minicircuits.com/pdfs/MAR-4SM+.pdf Zu beachten ist allerdings, dass Transceiver damit ihre Eigenschaft als Empfänger etwas verlieren, da die Endstufe -14db dämpft, es müsste ein Dioden-Koppelnetz eingeschleift werden (Schaltplan dafür habe ich, ca 4 Bauteile), ebenso muss ein Koppelnetzwerk für 50 Ohm Antennen am Ausgang gebaut werden, ob und wieweit das nötig ist können aber nur Funk-Profis beantworten, es kann gut sein, dass auch eine Antenne direkt am Ausgang mit einem Kondensator Fusspunkt ausreicht. Hier bitte ich um die Erfahrungen von Amateurfunkern, ich verstehe von HF zu wenig. Wir müssen also rund 25 Module zusammen bekommen, damit ich die Bestellung auslösen kann. Zahlung ist per Vorkasse, erst wenn alle Beträge eingegangen sind wird die Bestellung ausgelöst. Porto sind 55c für Briefumschlag.
Wenn die Dinger nicht teurer werden, bin ich mit 10 Stück dabei.
10 dBm Ausgangsleistung + 8 dB Gain + 6 dB Antennengewinn = 24 dBm = 250 mW oO sag ich nur.
Alles Schwarzfunker (bei 433MHz) wrote: > 10 dBm Ausgangsleistung + 8 dB Gain + 6 dB Antennengewinn = 24 dBm = 250 > mW Dazu sage ich nur eines: Ich hänge 10 Stück von den Endstufen hintereinander und habe dann 10dBm + 10*8db = 90dBm = 1MW
>Alles Schwarzfunker
wie schnell doch manche Zeitgenossen mit Vorurteilen sind.
Ich würde 5 Stück nehmen bei den Preis.
Wigbert
Das mit dem MW wird wohl nix werden, aber wehe wenn euch die Funkbummis beim Wildern im 70cm-Band erwischen. Das Dingens dürfte dabei auch noch kräftig Oberwellen erzeugen. 250mW EIRP sind doch ein bischen mehr als die erlaubten 10mW EIRP.
Hallo, vor dem Gepöbele anonymer Autoren wurde ich bereits gewarnt als ich dieses Forum betrat, sie mögen schweigen sofern sie kein Wissen beitragen, welches der Allgemeinheit nutzen kann. Da hier gebildete Leute schreiben sollte jeder wissen, was er tut, die Leistung kann mit einfachen Mitteln begrenzt werden. Sobald die EMV Kammer wieder frei wird werde ich Tests machen, wieviel da wirklich rauskommt, Oberwellen werden nicht erzeugt, da es keine Class D Endstufe ist, ein Sinus bleibt ein Sinus, zudem wird ein nachgeschalteter Bandpass 2-3 Ordnung diese ausreichend beseitigen. Die 25 haben wir also schon zusammen, denn ich nehme 10, da sie auch für NF Zwecke zu gebrauchen sind, zb als Vorverstärker. Um hier keinen Striptease mit persönlichen Daten zu betreiben bitte ich die Interessenten eine Mail an christian.julius@gmx.de zu schreiben, im Betreff: "HF Booster" mit Angabe der Stückzahl. Als Antwort werden meine Kontodaten + Kontaktdaten folgen, ich werde mir morgen ein Angebot schicken lassen und dann de Endpreis hier einstellen, Aufwand lasse ich mir nicht berechnen, ich verdiene also nichts daran. Bitte an die HF-Spezies: Die Dimensionierung eines Ausgangsnetzwerkes bzw. der Koppel-C's wäre von grossen Mutzen für die reinen "Anwender". Gruss, Christian PS: IM Anhang übrigens ein Selbstbauvorschlag einer 433 Mhz Antenne mit einfachsten Mitteln.
Bei der Antenne waren meine 6dB aus der Beispielrechnung ja dann richtig.
Bei giga-tech.de kostet der MAR-4 4€, also 2 -2,50 wäre günstig. Reichelt hat diese MMIC unter "Transistoren" versteckt: MSA 0686 HF-Transistor 3,15 € MSA 0886 HF-Transistor 1,95 € MSA 1105 HF-Transistor 3,65 € Datenblätter in derselben Reihenfolge: http://www.avagotech.com/productDetail?navId=H0,C1,C5230,C4976,C5053,P93976 http://www.avagotech.com/productDetail?navId=H0,C1,C5230,C4976,C5053,P93971 http://www.avagotech.com/productDetail?navId=H0,C1,C5230,C4976,C5053,P93990 der 1105 hat die höchste Ausgangsleistung P1dB = +17.5dBm also bei >50 Milliwatt = +17 dBm ist die Verstärkung um 1 dB abgefallen gegenüber der Kleinsignalverstärkung, das ist ungefähr die max. "Sendeleistung", die man rausholen kann.
Hallo, das ist ja schön, dass es Alternativen gibt, wenngleich sie wesentlich teurer sind. Allerdings müsste man sich noch einen Schalter überlegen, der den Bias abschaltet, denn die Dinger ziehen sich den Strom sicherlich dauerhaft rein. Was meint denn die Allgemeinheit? Selbst bei Reichelt kaufen für 3,5x oder Sammelbestellung für 2,xx € ?
Frag am besten mal an, wie hoch der entgültige Preis bei 50Stk ist. Vielleicht hat sich die Sammelbestellung dann schon erübrigt.
Anpassungsnetzwerk ist unnötig, die sind für 50 Ohm gedacht. Koppel-C an Ein- und Ausgang und eine Drossel in Serie zu einem dicken Widerstand plus Abblock-C - der Widerstand wird heiß- zur Stromzuführung, das ist alles. Wenn Drossel und Widerstand direkt hintereinandergeschaltet sind kann es auch keine großen Resonanzen geben, also erst nach dem R abblocken. Für kleine Speiserspannungen liegt der R , z.B 47 Ohm parallel zur Last, also sollte ein L dazwischen sein, sonst wird die Hälfte der HF im R verheizt.
Hallo, ich habe mal eben die Anfrage abgeschickt für 50€. Unser Amateurfunker war eben auch noch hier und sagte, dass man die Antenne direkt an den Ausgang machen kann. Meine "Poor-Man" Antenne wird er demnächst mal freundlicherweise in der Messkammer abgleichen (Winkel der Radials und Länge), so dass eine Leistungsanpassung vorhanden ist. Christoph: Kannst Du eine Handskizze Deiner Schaltung machen, sie fotografieren etc und hier veröffentlichen? Ich kann zwar lesen aber Bilder sagen oft mehr als Worte :-)
Hier ist (für die ERA-Typen, gilt genauso für die MAR) die Schaltung beschrieben: http://www.mini-circuits.com/pages/pdfs/an60010.pdf daraus stammt das Bild. Der Vorwiderstand ergibt sich aus der Betriebspannung minus der im Datenblatt angegebenen Spannung am Ausgang geteilt durch den Strom, der im Datenblatt als typischer Betriebsstrom genannt ist. http://www.mini-circuits.com/products/amplifiers_monolithic.html also für den MAR4: 50 mA und 5,25V
Ich seh grade, unten im Datenblatt steht die Schaltung auch, und Widerstandswerte je nach Betriebsspannung. Ich nehme meistens 2,2uH SMD-Drosseln als "RFC"= radio frequency choke
Hallo Chriostoph, habe die AppNote eben überflogen, scheint ein recht kompliziertes Gebiet zu sein, was die Dimensionierung einer stabilen Versorgung angeht (Drift des MMIC) bzw die Auslegung dieser Drosseln, die recht teuer sind(2,75$) Nimmst Du ganz normale smd HF Drosseln von der Stange bei Reichelt?
ja, je schlechtere Güte desto besser, ganz gewöhnliche SMD-Drosseln so um die 2,2µH, der Widerstand in Serie verschlechtert die Güte noch weiter, dann wird die Schaltung schön breitbandig ohne Resonanzen im Frequenzgang. Das L der Drossel in Serie zum Abblockkondensator wäre ja ein Reihenschwingkreis am Ausgang, das darf nicht sein.
Im Prinzip ist das IC ja nur ein Transistor. Ich kenne das bisher so, dass der Kollektorwiderstand die Verstärkung bestimmt: Je größer der Widerstand, desto größer die Verstärkung. Ist das hier nicht so ? Würde das ganze auch ohne Widerstand nur mit der RFC funktionieren (es gibt ja einige andere ICs von Minicircuits, die nur die RFC verwenden) ? Bzw. braucht man die RFC auch, wenn man einen großen Widerstand verwendet ? Leider finden sich nirgends Angaben welche Paramerter ohne/mit RFC besser/schlechter werden.
Hallo, das ist aber nicht richtig, der Kollektorwiderstand bestimmt den Arbeitspunkt. Das Ganze ist eine Cass-A Endstufe mit einem besch.... Wirkungsgrad, weil die meiste Energie (>50%) verheizt wird aber dafür verzerrungsfrei. Du willst ja Leistung entnehmen und das geht nur, wenn da Strom fliesst UND Du eine Amplitude hast. Die Antenne wirkt ja als Last. Dieser Arbeitspunkt ist für 50 Ohm Lasten dimensioniert und ich würde den auch genauso einhalten wie er da geschrieben steht. Wenn Du nur RFC hast, dann raucht Dir der MMIC im Zustand ohne HF ab, weil 0 Ohm.
Das sind nach der Applikation zum ERA mindestens zwei Transistoren. Die Datenblätter schreiben quasi einen eingeprägten Betriebsstrom vor. Man kann auch eine aktive Konstantstromquelle verwenden. Der Widerstand liegt wie gesagt parallel zur Last und damit sieht das MMIC keine 50 Ohm-Last mehr. Wenn R groß wird, also hohe Betriebsspannung, kann L auch entfallen, das sind dann mehrere 100 Ohm, aber dafür wird er heiß, man muß mehrere R parallel schalten oder möglicherweise HF-untaugliche Leistungswiderstände verwenden.
http://www.elektronik-kompendium.de/sites/slt/0204134.htm Da steht: Verstärkung = Rc/Re. Da Re hier fest ist, müsste sich doch die Verstärkung mit der Betriebsspannung verändern ?
Durch die Drossel soll der Kollektorwiderstand für die Hochfrequenz unendlich werden, Arbeitswiderstand für HF ist nur die 50 Ohm-Last. Für Gleichströme ist dagegen nur der Kollektorwiderstand wirksam und soll einen konstanten Strom einprägen. Steht auch so in der ERA-Applikation: "The resistor reduces the effect of device voltage (Vc) variation on the bias current by approximating a current source."
OK, also ist die RFC eigentlich notwendig ? Ich habe bisher eher Class C Verstärker verwendet, und da wird ja nur eine reine Spule verwendet. Dieses "optional" bei der RFC war der Grund für das Verständnisproblem.
Hallo,
ich habe das Angebot erhalten. Wären also rund 1,40€ pro Stück, wenn ich
noch MwSt. und Versandkosten hinzurechne.
Und, wie schaut's jetzt aus? Bestelladresse ist christian.julius@gmx.de.
Gruss,
Christian
--------------------
Sehr geehrter Herr Julius,
vielen Dank für Ihre Anfrage. Gerne teilen wir Ihnen nachfolgend unsere
Preise wie gewünscht mit:
41 Stk. MAR-4SM+
Herst.: Mini-Circuits
Preis pro Stk: € 1,22(zuzüglich MwSt.)
Preis bei Abnahme von 50 stück @ € 1,16 pro Stück
Unsere Liefer- und Zahlungskonditionen:
LIEFERZEIT: ca. 1 - 2 Wochen ab Auftragserteilung
PREISSTELLUNG: rein netto, verzollt, inklusive Verpackung, exklusive
MwSt.
ZAHLUNG: Nach Vereinbarung
MINDESTAUFTRAGSWERT: € 50,00 pro Bestellung
LIEFERUNG: DDP - Geliefert verzollt, ab einem Auftragswert von €
250,00 netto.
Bei einem Auftragswert unter € 250,00 berechnen
wir eine
Abwicklungspauschale von € 12,50.
ANGEBOTSGÜLTIGKEIT: 30 Tage, freibleibend
Es gelten unsere allgemeinen Geschäftsbedingungen.
Falls sich Ihrerseits noch Fragen ergeben sollten, wir stehen gerne zu
Ihrer Verfügung.
Wie kommst du auf 1,4€ ? Ich rechne: 1,16*1,19=1,38€ 1,38€*50Stk=69€ 69€+ + 12,5€ Versand = 81,5€ 81,5€/50Stk=1,63€ Und damit immer noch ziemlich günstig. Da nehm ich doch direkt mal ein paar, die Mail ist unterwegs...
Hallo, ich habe gerade eben 50 Stück bestellt. Auf den Stückpreis gibt es noch 10% Aufschlag, da ich mir die Arbeit + Verpackung + Risiko nicht alle loszuwerden doch gern mit ca 10€ vergüten lassen möchte ;-) Hoffe damit kommt jeder klar. Der Endpreis liegt vermutlich wie oben berechnet, auf ein paar Cent will ich mich nicht festlegen. Wer noch ein paar Nachbrenner haben will bitte melden, bisher sind es 5 Leute. Da geht noch was ! Die nächste Bestellung werden dann RFM12 Module sein.... PS: Falls einer der Käufer 1,2,3- viele RFM12 Modul aus einer der letzten Sammelbestellungen übrig hat, könnte er mir welchen vielleicht vermachen? Wir natürlich auf die Transen gutgeschrieben und Porto gibts auch umsonst. Gruss, Christian
Derzeitiger Stand Benedikt: 15 Holger 5 Wigbert: 5 Emanuel: 5 Ich: 10 ------------ Rest 10 Die wären noch zu haben...
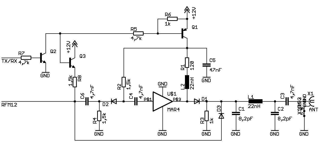
Frage an die HF Profis: Ist die Schaltung so OK ? Was kann man vereinfachen oder verbessern ?
Hallo, nein ist nicht ok. Der Weg der HF ist ja völlig verbaut mit Dioden etc. Die Kondensatoren von 4,7nf sind viel zu gross. Wie soll die HF D2 überwinden? Wofür D3? An D1 verlierst Du jede menge DB an Amplitide, die Diode kann nicht so schell schalten. usw. PS: Die MAR4+ sind jetzt bis auf 4 alle verkauft.
Hallo, warum solte die Schaltung nach DBL nicht verwendet werden? Antennenumschaltung kleines Relais(Empfang)bei der Leistung ,Spannungsversorgung mit Schalttransistor(oder ähnlich)mit controller zuschalten. Hat jemand die Ausgangsimpedanz erlesen können? Wigbert
Christian J. wrote: > nein ist nicht ok. Der Weg der HF ist ja völlig verbaut mit Dioden etc. Schon mal was von einem PIN Dioden Umschalter gehört ? ;-) > Die Kondensatoren von 4,7nf sind viel zu gross. Laut Beispielschaltung: 2,4nF >Wie soll die HF D2 überwinden? Die Diode leitet wenn die Endstufe 12V bekommt. Dann fließt die HF drüber. Ich hab noch ein paar von den Dioden hier rumliegen: http://www.vishay.com/diodes/list/product-85708/ > Wofür D3? D3 stellt den Weg für die Empfangssignale dar, wenn die Endstufe abgeschaltet ist. > An D1 verlierst Du jede menge DB an Amplitide, die Diode kann nicht so schell schalten. usw. Genau, das ist ja auch der Sinn: Die Diode ist leitend, und kann nicht schnell genug sperren. Dadurch bleibt sie auch während der negativen Halbwelle leitend, solange der Strom im Mittel die Diode leitend hält. Und laut Datenblatt hat sie <1Ohm, die Dämpfung sollte also gering sein. Oder ist die Leistung von 15mW zu hoch ?
Hi, das Empfangssignal kann doch nicht über eine Diode fliessen, die hat 0,7V Flussspannung, wir reden hier über ein paar Mikrovolt. An dem 1k Widerstand wird es gegen Masse kurzgeschlossen. Woher kommt die Schaltung denn? Sieht schwer nach Eagle aus. Also, ich bin ja kein HF Freak aber die Weichen Schaltungen, die ich bisher sah sahen alle anders aus, die waren nur aus passiven Elementen aufgebaut. Die, die ich mal gepostet habe war nur aus 4 Bauteilen aufgebaut. Ich würde da wirklich nur ein kleines Relais mit 2 Wechslern benutzen, beim Senden wird der Pfad über den MAR geschaltet und beim Empfangen direkt durch zur Antenne. Das muss eh noch geklärt werden,wie man die HF in den MAR einkoppelt, da muss doch sicher ein Potential in der Mitte der Betriebsspannung eingehalten werden, man kann ja nicht einfach den RF Ausfgang des RFm12 an den Eingang klatschen und am Ausgang eine Antenne dranbauen. Die Ausgangsimpedanz des MAR kenne ich leider auch nicht aber die muss man wissen, wenn man das Anpassfilter dimensionieren will, die Amplitude soll ja maximal werden an der Antenne.
HI, ich habe noch hunderte kleiner Messrelais hier aus meiner alten Firma als die dichtgemacht hat, die sind sehr induktionsarm und haben 5 Volt. Die HF strömt an allen Ecken raus, das ist klar :-) Ich denke an zwei Relais, wenn man die Wechsler gegeneinander schaltet kann man zwei Pfade erstellen, die nachher wieder zusammenführen. Auch hier mal reinlesen, die Schaltung ist sehr tricky: http://www.elektronik-kompendium.de/public/schaerer/diodsw.htm
Benedikt,
ich muss Dir recht geben
>Schon mal was von einem PIN Dioden Umschalter gehört
in modernen Geräten wird das so gemacht.
Ansonsten Relais mit 2 Wechslern
------------------------
/ \
RFM12-------- -------- Ant
\ /
------- PA --------------
Wigbert
Benedikt, hier mal ne komerzielle Diodenversion. Bei Empfang liegt keine Diode im Stromweg Wigbert
Christian J. wrote: > das Empfangssignal kann doch nicht über eine Diode fliessen, die hat > 0,7V Flussspannung, wir reden hier über ein paar Mikrovolt. Da die Diode aber positiv vorgespannt ist, funktioniert das, glaubs mir. >An dem 1k Widerstand wird es gegen Masse kurzgeschlossen. Ein wenig geht verloren, aber 1k im Vergleich zu den 50Ohm Impedanz ist groß, daher solltes funktionieren. Vielleicht sollte man noch eine Spule in Reihe schalten. >Woher kommt die Schaltung denn? Von mir. Die Schaltung habe ich mir ausgedacht. Einige Teile basieren auf der Beispielschaltung des MAR, die Diodenumschaltung habe ich mir komplett ausgedacht. Daher ja meine Frage an die HF Profis, was man alles verbessern kann (die Schaltung von Wigbert sieht auch interessant aus, allerdings muss diese auch modifiziert werden.) > Also, ich bin ja kein HF > Freak aber die Weichen Schaltungen, die ich bisher sah sahen alle anders > aus, die waren nur aus passiven Elementen aufgebaut. Die, die ich mal > gepostet habe war nur aus 4 Bauteilen aufgebaut. Irgendwie muss da aber auch umgeschaltet werden. Wie das genau funktioniert, verstehe ich nicht. (Hier nochmal die von dir gepostete Schaltung: http://www.mikrocontroller.net/attachment/24818/PIC00019.JPG ) > Ich würde da wirklich > nur ein kleines Relais mit 2 Wechslern benutzen, beim Senden wird der > Pfad über den MAR geschaltet und beim Empfangen direkt durch zur > Antenne. Ich bin auch kein HF Profi, aber 433MHz über ein normales Relais schicken gefällt mir irgendwie nicht. Und ein teures HF Relais möchte ich nicht unbedingt kaufen. > Das muss eh noch geklärt werden,wie man die HF in den MAR einkoppelt, da > muss doch sicher ein Potential in der Mitte der Betriebsspannung > eingehalten werden, man kann ja nicht einfach den RF Ausfgang des RFm12 > an den Eingang klatschen und am Ausgang eine Antenne dranbauen. Das macht der von alleine. Laut Beispielschaltung sollte man die RFM direkt dranmachen können. > Die Ausgangsimpedanz des MAR kenne ich leider auch nicht aber die muss > man wissen, wenn man das Anpassfilter dimensionieren will, die Amplitude > soll ja maximal werden an der Antenne. Laut Datenblatt sollten das 50Ohm sein. PS: Mit einer 6 Element Yagi und einer 4 Element Yagi und 2 RFM12 sind 700m bei freier Sicht absolut kein Problem. Weiter konnte ich nicht messen, denn dann kam immer ein Hügel oder ähnliches das die Sicht verdeckte. Mit ordentlichen Yagi Antennen, sind also selbst ohne Verstärker 1km möglich...
Benedikt werden in Deinem Poster 2 Frequenzen benutzt. RX durchlass (sieht wie Pi-Filter aus) Tx gesperrt. D1 soll Übersteuerung von RX verhindern Wigbert
Stört es nicht, dass das Sendemodul die ganze Zeit verbunden ist ?
Ich denke die PA wird erst beim Senden eingeschaltet. Dann ist bei Empfang in der PA wohl nichts resonant. Mach doch spassenshalber hinter der PA wie in meinen Bz. eine Diode. Wigbert
Hi, es geht ja eigentlich nur darum zu verhindern, dass der Empfänger durch den Sender bedämpft wird. Die Schaltung, die ich mal gebracht habe stammt von STE, eimem Hersteller solcher Funkmodule. Mit selbst ausgedachten HF Schaltungen bin ich vorsichtig, die meisten HF Schaltungen werden im Labor durch Messen optimiert und überhaupt erst lauffähig gemacht. Was hast Du gegen Relais? Das sind auch nur zwei Kontakte. Natürlich haben die keine 50 Ohm aber es geht eben. Ich werde es so machen, wenn nicht jemand eine gute Schaltung bringt, die auf den ersten Wurf läuft, denn messen kann ich nicht. Das mit den Yagi klingt gut aber als Autoschrauber sage ich mir: Es geht doch nichts über Hubraum :-) PS: Wo hast Du denn die 500 Ohm beim MAR+ her? Normalerweise hätte ich jetzt so 10-20 Ohm erwartet.
Christian J. wrote: > Mit selbst ausgedachten HF Schaltungen bin ich vorsichtig, die meisten > HF Schaltungen werden im Labor durch Messen optimiert und überhaupt erst > lauffähig gemacht. Wenn du "selbst ausdacht" durch "selbst gebaut" ersetzt, dann gebe ich dir recht. Ein professioneller Schaltplan nützt übrigends rein garnichts, auf den Aufbau kommt es an. > Was hast Du gegen Relais? Das sind auch nur zwei Kontakte. Natürlich > haben die keine 50 Ohm aber es geht eben. Schau dir mal deine Schaltung an, und dort die Größe der Kondensatoren im Pi Filter: Die Relaiskontakte alleine haben schon mehr Kapazität... > PS: Wo hast Du denn die 500 Ohm beim MAR+ her? Normalerweise hätte ich > jetzt so 10-20 Ohm erwartet. Nirgends, denn es sind 50Ohm, siehe Anhang.
Vielleicht bin ich ja blind aber ich finde die 500 Ohm einfach nicht..... Ich klinke mich jetzt auch mal aus, da mir nichts mehr einfällt, was diese Schaltung angeht. Das würde alles nur in Spekulationen enden, solange hier eom HF Profi sich mal äussert. Ich will eine Lösung mit ein paar Bauteilen haben. Erinnere mich noch mit Grauen an die Experimente mit den Günther Wahl Minispion Bänden, bis da mal was klappte war man alt und ständig lief einem die Frequenz weg etc. Ohne Messgeräte ist das nur ein Herumgestochere im Dunklen, nicht jeder hat einen Analyzer. Und wenn das nicht geht dann kommen sie eben an das RFM02 dran und gut ist es. Ich habe eh keine Applikation wo gesendet und empfangen werden muss. Die Relaisache probiere ich mal mit Reedrelais aus, basta! Da bin ich mir sicher, dass die keine paar Nanofarad und Picofarad haben. Und wenn das nichts bringt landen die Dinger bei I-bäh oder in der Tonne.
dachte ich erst auch rechts oben am Rand und es sind 50 !!! Ohm Wigbert
etwas dürftig oder mal SWR bei 50 Ohm messen. Wigbert
Glaube nicht, dass ich ein SWR auftreiben kann, was die paar Milliwatt noch auflösen kann. Mein SWR reicht grad mal für die CB Funke aus meinem Wagen und die hat 4 Watt. Die Idee mit den Yagi Antennen ist auch nicht verkehrt, nur sind die Dinger dermassen unhandlich, dass sich jede sinnvolle Anwendung von vornherein ausschliesst. Mir fällt leider immer noch nichts ein ausser einer langweiligen Temperaturmessung im Garten, Solarzelle drauf etc. Hatte ich schon mal gebaut mit der 10x10 Conrad amorphen Zelle, aufwendige Halterung mit Schweissdraht gebaut, alles wasserdicht, steht seit einem Jahr herum, weil es ja auch wahnsinnig wichtig zu wissen ist welche Temperatur grad im Garten herrscht. Interessant wären Fahrzeuge aber die sind eben wesentlich aufwendiger was die Mechanik angeht.
Ich werde mal am PA Ausgang mit 50 Ohm Messwiderstand das SWR messen. Sind ja nach DBL 0,5W und das ist im AFU schon QRP Wigbert
Hallo, ich habe die Anfrage mal in die USA weitergereicht, nachdem ich mit dem FAE der deutschen Niederlassung gesprochen hatte, der auch nicht wusste, welches Imp. der Ausgang hat. Er war allerdings der gleichen Ansicht, dass ohne Anpassung nichts geht und hat die Anfrage an die Amis weitergeleitet. Vielleicht bringt das ja etwas Licht ins Dunkel.
Zum Thema Reichweite, hier ein Bausatz für 1,50€ eines kleinen aber funktionierenden Antennverstärkers. Damit dürften noch ein paar Meter mehr drin sein. http://www.pollin.de/shop/downloads/D810034B.PDF
Hier ist ein interessanter Link zu einer Pin Dioden Umschaltung. So was ähnliches habe ich schon in meinem C Netz Handy Umbau verwendet. Funktioniert 1A. http://projekte.fh-aargau.ch/elektrotechnik/2005ws/HauSig/4709/5003.html?*session*id*key*=*session*id*val* Was ihr bisher übersehen habt ist die Lambda/4 Leitung zwischen den Dioden. So modular wie in dem Link oben ist das sicher eine feine Sache für Zukünftige Experimente mit mehr Saft. LG Michael OE1MIS
Hallo, wer die MAR SM+ noch nicht bezahlt hat, der möge es doch bitte zügig tun, da sie Anfang nächste Woche ankommen werde. (schiel rüber nach Benedikt) Ohne Geld kein Mars :-)
Hallo, hier mal für die Cracks die S Parameter der Transen, damit lässt sich ein Koppelnetzwerk berechnen. Wer kann's? -------- You can see output impedance in the attached S-Parameter file. Regarding suitable matching network or is there an application note available on this issue, Regretfully , it is unavailable , customer can use the S-Parameters for matching purposes.
Ich glaube wir sollten wirklich mal ins HF&Funk Forum wechseln, denn ohne wird das nichts. Wobei die MAR ICs schon derart alt sind, da sollte sich eigentlich mit Sicherheit im Internet eine fertige Lösung finden lassen. Ich muss mal suchen, ob ich nicht auch irgendwo was dazu rumliegen habe. PS: Das Geld ist schon überwiesen, es sollte in den nächsten Tagen eintreffen.
>>Ich glaube wir sollten wirklich mal ins HF&Funk Forum wechseln, denn >>ohne wird das nichts. Dann mach mal. Ich verstehe davon nur Bahnhof: http://de.wikipedia.org/wiki/S-Matrix Bin heute total frustriert: Habe ein Jung-Karnickel angefahren, das schleppte sich aber immer noch weiter und musste ihm dann durch nochmal drüberrollen den Gnadenschuss geben. Armes Kerlchen!
Betrag wurde heute an Municom Bezahlt, Liefertermin vorr. am 8.8. Bitte bedenkt, dass die HF Module ohne ein (passendes) Anpassnetzwerk an die Antenne wertlos sind und dass man ohne HF Relais etc nicht mehr damit empfangen kann, ich habe keine Zeit (mehr) mich darum zu kümmern.
Christian J. wrote: > Bitte bedenkt, dass die HF Module ohne ein (passendes) Anpassnetzwerk an > die Antenne wertlos sind So wie ich das momentan sehe, haben die ICs wirklich 50 Ohm, und man kann direkt ohne Anpassnetzwerk die ICs in die Leitung schalten. Bei ELV gibt es eine Bauanleitung für einen Verstärker mit ähnlichen ICs, unter RFA403 sollte man diesen finden. Dort sind im Prinzip nur Koppelkondensatoren vorhanden.
Hallo Benedikt Du hast recht, man muß die Verstärker nicht anpassen. Aber man muß eine Umschaltung von Empfang/Senden einbauen, da Du dir den Empfänger unter Umständen zerstörst, wenn Du ihn nicht von der Antenne wegschaltest, sobald der Sender zu senden beginnt. Ich denke das hat Christian mit seinem Posting gemeint. Außerdem sollte man auch einen Hochpass verwenden um vom Verstärker erzeugte Oberwellen zu unterdrücken. LG Michael
>http://projekte.fh-aargau.ch/elektrotechnik/2005ws/HauSig/4598.html
Also die Burschen wären bei mir glatt durchgefallen, inklusive dem
betreuenden Dozenten...
Einige Punkte...
- PIN-Dioden Schalter für 2 kW ist alles andere als trivial und
aus meiner Sicht nicht als Aufgabenstellung für eine
Semesterarbeit geeignet.
- Keine der Limiten aus der Aufgabenstellung wurde erreicht.
Machbarkeitsanalyse?
- Lamda/4 ist wohl breitbandig genug für 140..150 MHz!
- 0.08 dB @ 2 kW sind 36.5 Watt und nicht 20 Watt!
- Ich wäre gerne dabei, wenn der Schalter mit 2 kW getestet wird,
um zu sehen, wie die PIN-Diode in Rauch aufgeht...
Michael Rubitschka wrote: > Aber man muß eine Umschaltung von Empfang/Senden einbauen, Das ist klar. Irgendwo hatte ich schonmal eine Schaltung dazu gepostet, aber leider blieben die Kommentare von Leuten die sich wirklich damit auskennen aus. Mal eine ganz andere Frage: Die Entkopplung von Ein und Ausgang ist bei einem Umschalter ja nicht 100%ig, d.h. ein geringer Teil der Energie geht auch bei abgeschalteter Verbindung durch. Kann es dann nicht passieren, dass der Verstärker instabil wird, wenn ein Teil des Ausgangssignals auf den Eingang zurückgekoppelt wird ? > Außerdem sollte man auch einen Hochpass verwenden um vom Verstärker > erzeugte Oberwellen zu unterdrücken. Du meinst Tiefpass ? Auch das ist meiner Meinung nach nicht ganz einfach: Ein entsprechendes PI Filter benötigt 22nH und 8pF. Alleine die Ausgangsleitung + Antenne hat schon mehr...
Hallo Benedikt Ja genau ich meinte einen Chebychev Tiefpass Pi Filter Siehe angehängtes Bild. Das die Ausgangsleitung und Antenne mehr als 22nH und 8pf haben ist eine interessante Betrachtung aber irrelevant.Ich sehe diese Dinge eher praktisch und wenn ich bei Versuchsaufbauten mit dem Analyzer messe sehe ich eindeutig einen Rückgang der Harmonischen um mind. 30db wenn ich einen Filter dazwischen schalte. Und genau das will man ja erreichen.Außerdem tun einem die paar passiven Bauteile ja auch nicht weh. LG Michael
Hallo, ich meinte damit, dass jede PA eine Ausgangsimpedanz von garantiert weniger als 50 Ohm hat, das Ding ist nichts anderes als ein Stromverstärker, das was jeder Transistor eben macht. Und dieser Strom muss durch ein Anpassnetzwerk ist eine entsprechende Spannung an der Antenne umgesetzt werden, denn Strom nützt nichts wenn dieser nicht fliessen kann, wir haben keine Leistungsanpassung. Dieser PI Filter arbeitet wie ein Schwingkreis, er hat eine Resonanzfrequenz und bei der steigt die Amplitude proportional dem fliessenden Strom an. Die Oberwellen brauchen nicht gefiltert zu werden, ein Sinus bleibt ein Sinus bei einer Class A Endstufe. Nur bei C- und D braucht man den. Das RFM12 hat bereits einen Bandpass am Ausgang zu eben diesem Zwecke. Solche Schaltungen werden ausgemessen, vorher grob berechnet. Im 4 bändigen Nührmann stehen dazu seitenweise Beispiel im HF Teil. Bei der Abstimmung meiner BNC Buchsen Antenne an einem 140W Funkgerät für 70cm in der Absorberkammer habe ich gesehen, dass selbst Milimeter, um die ich die Antenne kürzte einen ganz erheblichen Einfluss auf die Reflexionen haben, wir haben die abgestrahlte Leistung durch Verbiegen und Kürzen nahezu verdoppelt. Das hält alles ziemlich genau. Allerdings ist das Stochern im Brei ohne Fachwissen, solange sich hier kein Funkprofi meldet wird das nichts. Die S-Parameter beschreiben den Baustein und sein Frequenzverhalten. Ich habe den Beitrag im Funkbereich geschrieben, er wurde wieder hierher verschoben. Gruss, Christian
Christian J. wrote: > ich meinte damit, dass jede PA eine Ausgangsimpedanz von garantiert > weniger als 50 Ohm hat, das Ding ist nichts anderes als ein > Stromverstärker, das was jeder Transistor eben macht. Das muss ich die wiedersprechen: Ein Transistor verstärkt auch die Spannung, wenn er in Emitterschaltung betrieben wird (so wie hier). Ich behaupte jetzt einfach nochmal: Die MAR-x haben direkt 50Ohm Ausgangsimpedanz und können ohne Anpassschaltung verwendet werden. Zumindest war dies in allen Schaltungen die ich gesehen habe der Fall, und auch in Datenblättern und ähnliches taucht immer 50Ohm auf. > Die > Oberwellen brauchen nicht gefiltert zu werden, ein Sinus bleibt ein > Sinus bei einer Class A Endstufe. Das ist nicht ganz korrekt: Jede Endstufe erzeugt verzerrungen. Und wenn man mit 15mW sendet, dann hat der MAR-4 bereits 1% Verzerrung. Das macht etwa 100µW die mit >1GHz rausgeblasen werden.
Hallo, mit den Verzerrungen wird man wohl leben müssen, 100uW sind nicht die Welt. Ich bin nicht in der Lage ein solches Filter zu dimensionieren, zudem dämpft es um ein paar db wieder ab. Und was die Abstrahlung angeht so löte ich den Chip erst einmal auf eine Platine mit Antenne und werde dann mit dem 100 kEur Analyzer da mal messen, was wirklich rauskommt, wenn vorne definierte Frequenzen bekannter Amplitude eingespielt werden. Das ist mir ein paar Überstunden abends wert. Ist vielleicht blindes Experimentieren aber ohne Fachwissen auf dem gebiet die einzige Chance zu etwas Brauchbarem zu kommen. Deine Behauptung in Ehren aber mir fehlt da der Beweis. Für den Eingang glaube ich es aber nicht für den Ausgang. Gruss, Christian der sich auf Zelten am WE freut :-)
Hallo, die MAR 4SM+ Transen sind eingetroffen sagte mir mein Vermieter. Die Auslieferung wird sich dann im Laufe der Woche hinziehen. Kann sein, dass ich noch jemanden kontaktieren werde, wenn nicht alle Daten bekannt sind. Gruss, Christian
Hallo, es sind 10 Stück übrig geblieben, die für 18€ erworben werden können. (PS: Die Dinger haben die Grösse eines Stecknadelkopfes.) Gemäss Auskunft unseres HF Spezis sind Messrelais ideal als HF Weiche geeignet, da sie von Haus aus extrem niederkapazitiv und induktiv sind, Meßfrequenzen von mehreren Mhz durchleiten müssen.
Die Briefe sind verschickt an jene, die bezahlt haben. Wie gross sollen denn jetzt die Koppel-C sein und die Drossel am Ausgang? Welche Betriebsspannung wäre ideal? 9V? Ich baue heute abend das mal mit 2 Relais auf.
Hallo Cristian, kannst Du uns mal ein Typ , Lieferant.... Deiner Relais nennen. Wigbert
Christian J. wrote: > Wie gross sollen denn jetzt die Koppel-C sein Vermutlich sind die parasitären Eigentschaften fast wichtiger, also möglichst kleine Bauform, möglichst kleiner ESR usw. Wenn man davon ausgeht, dass die Impedanz <1 Ohm betragen soll, muss man mindestens 400pF verwenden. Also irgendwas im einstelligen nF Bereich sollte optimal sein. In der Beispielschaltung werden 2,4nF verwendet, ELV verwendet 2x 1nF parallel. > und die Drossel am Ausgang? Da verwendet anscheinend jeder etwas anderes, in der Beispielschaltung verwenden die diese Spule: http://www.minicircuits.com/pdfs/TCCH-80+.pdf Also etwas um die 1µH, ergibt bei 400MHz etwa 2,5kOhm Impedanz. Hier eine ähnliche Schaltung von ELV: http://www.elv-downloads.de/service/manuals/RFA403/RFA403_KM_G_030321.pdf
Die ELV Schaltung ist ja wirklich schön! Nur frage ich mich, ob C12 da so richtig ist. Beim MAR wird der ja nicht angegeben. So aufwendig werde ich es nicht bauen. Lochraster, unten mit Kupferfolie beklebt, Bauteile auf den Pads verlöten. Soll ja auch klein und handlich bleiben.
C12 ist vermutlich egal: Wenn 1µH schon 2,5kOhm Impedanz haben, machen die 100Ohm Widerstand in Reihe auch keinen Unterschied (wenn C12 da ist, ist der Widerstand der zur DC Stabilisierung dient HF mäßig gesehen nicht vorhanden).
Die Impedanzen bei 400MHz sind übrigends: Am Eingang: (49,0-j3,1) Ohm Am Ausgang: (50,8-j7.8) Ohm
Hi Cristian, fürs Protokoll: Meine Booster sind komplett und unversehrt angekommem. War schön mit Dir Geschäfte zu machen. Wigbert
Meine auch. Jetzt muss ich nur noch meine Pin Dioden Umschaltung verbessern und irgendwo das ganze mit einem Networkanalyser durchmessen.
Hallo, freut mich. Ich habe derzeit leider keine Zeit zum Basteln aber mit Lötrasteraufbau wird das nichts, das geht nur mit einer richtigen Platine mit durchgehender Massefläche. Gruss, Christianh
Hallo, tut sich hier noch was? Haben alle ihre Module bekommen? Das Thema RFM12 ist leider etwas eingeschlafen. Gruss, Christian
Hallo, hat jemand ein fertiges Layout gemacht? Luftverdrahtung auf Lochraster geht nicht, die schwingt wie Hulle. Habe da auch nicht mehr weitergemacht, da ich derzeit einen neuen Oldtimer restauriere und wenig Zeit habe. Fände es aber toll, wenn es jemand geschafft hat eine Platine für das RFM12 zu machen, quasi als eine Einheit mit Verstärker.
Wenn Du Smd statt den Dil Teilen nimmst,und ein HF Lochraster nimmst (ganze Rückseite ist Masse), gehts auch mit freier Verdrahtung. LG Michael
Sehr interessanter Beitrag. Leider fehlt das Ergebnis und wie es geht. Hat jemand den HF-Verstärker an den RFM12 ans laufen bekommen? Gruß Dirk
Ja, ich habe diesen Verstärker an einem RFM02 am Laufen. Auf einer normalen Lochrasterplatine kann man das aber vergessen. Ein richtige Platine, doppelseitig mit der Unterseite als Massefläche, sollte es schon sein.
Das ist ja klasse. Dann habe ich noch ein paar Fragen. 1) Welche Kondensatoren? 2) Welcher Widerstand? 3) Welcher RFC (von Reichelt?) 4) Platinenlayout wahrscheinlich ähnlich ELV, besondere Abstände oder Dicke wegen der Impedanz? 5) Direkt am RFM12 angeschlossen? Vielleicht ein Foto? Gruß Dirk
Dirk K__ schrieb: > 1) Welche Kondensatoren? 220pF 0603 als Koppelkondensator > 2) Welcher Widerstand? Passend zur Betriebsspannung -> Datenblatt > 3) Welcher RFC (von Reichelt?) Ja, 2,2µH 0805 waren das glaube ich. > 4) Platinenlayout wahrscheinlich ähnlich ELV, besondere Abstände oder > Dicke wegen der Impedanz? Nicht wirklich. Optisch habe ich mich an solchen Schaltungen orientiert, aber da ich keine Ahnung habe was für ein Platinenmaterial ich genau verwendet passt das nicht ganz. Ich habe daher versucht die Verbindungen alle so kurz wie möglich zu machen. > 5) Direkt am RFM12 angeschlossen? Ich habe ein RFM02 verwendet, da ich nur Sende. Davon abgesehen ja. > Vielleicht ein Foto? Lieber nicht...
Bitte melde dich an um einen Beitrag zu schreiben. Anmeldung ist kostenlos und dauert nur eine Minute.
Bestehender Account
Schon ein Account bei Google/GoogleMail? Keine Anmeldung erforderlich!
Mit Google-Account einloggen
Mit Google-Account einloggen
Noch kein Account? Hier anmelden.






