Nabend! Problem ich hab 2 verschiedene Layouts (daran wirds eher nicht liegen). Auf beiden tut ein FTDI FT232BM seinen Dienst. Allerdings wird er nur sporadisch erkannt. Man steckt man ihn ein dann meckert windoof rum, mal wird er akzeptiert. Allerdingst ist es so das die erfolgswahrsch. steigt je länger das system Läuft. Man probiert am anfang 20x bis man 1x erfolg hat, nachdem das system mal 5 min gelaufen hat oder so gehts nach jedem 2. mal. Wenn das ja jetzt nur auf einer Platine wäre würde ich es auf Schlampiges Layout oder so schieben aber da es 2 komplett andere Layouts sind bin ich geneigt das auszuschliessen. Hat jemand ähnliche Erfahrungen bzw nen Vorschlag worans liegen könnte? Tobi
Schwingt der Quarz richtig? Ich vermute, dass die Kondensatoren nicht richtig zum Quarz passen.
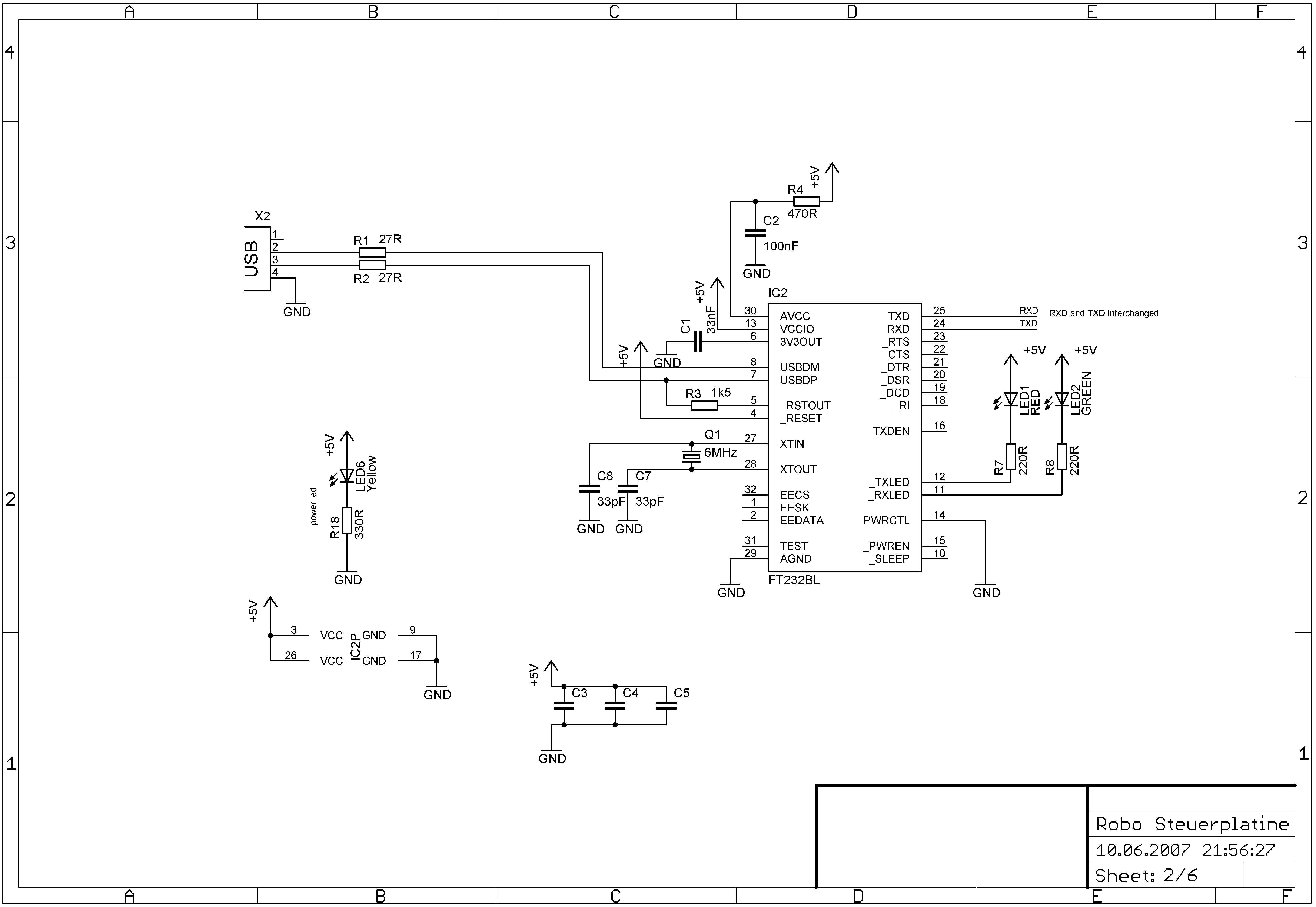
Hi quarz ist von Reichelt und sagt was von 32pf... 33pf sitzen drauf
das problem hatte ich auch mal, schau mal ins datenblatt, der TEST pin sollte auf einem definiertem sigal liegen. ich weiss jetzt nur nicht mehr obs plus oder minus war. dann funktioniert das ganze IMMER. gruß michael
Das wird so nicht funktionieren. Hast Du mal Deine Schaltung in Bezug auf Reset geprüft ? Du verwendest Self-Powered, dann muss der Chip einen reset vom USB-Bus empfangen...... Gruß Sven
Hi Schaltung ist nicht selfpowered. Das mit dem Testpin les ich mal nach. Tobi
TEST muß fest mit GND verbunden werden, sonst treten die beschiebenen Probleme auf.
@Schaltung ist nicht selfpowered. Aber warum ist dann zb. Pin 1 von der USB-Buchse nicht verbunden ? @Das mit dem Testpin les ich mal nach. Der TEST -Pin muss bei normal-Betrieb auf GND. Gruß Sven
Hi die schaltung ist selfpowered, sorry Ja der Testpin wars - jetzt geht alles einwandfrei. Der Testpin muss beim ewigen hin und herkopieren zwischen den designs vor die Hunde gegangen sein. Weil ich auch ein halbes duzdend Schaltung hab wo alles prima klappt. Grüße Tobi
@ Tom das layout ist es sicher nicht. Abstand von IC zu Quarz ca 5 mm, Massefläche drunter, keine unterbrechnungen in der Massefläche, Cs an der Unterseite direkt am Quarzpin dran. Also von daher..
Wie sind D+ und D- verlegt? Schön dicht beisammen, ohne Kreuzungen und Sprünge und möglichst gleich lang? Dürfte in dem Fall zwar keine so große Rolle spielen aber wie das halt so ist, da kommen dann noch andere Faktoren dazu und schon geht's nicht.
@Tobi: Du hast noch mal korrigiert und geschrieben, das das Design doch selfpowered ist. Dann möchte ich nochmal! darauf hinweisen das die RESET-Beschaltung im gezeigten Schaltplan nicht der Vorgabe entspricht, auch wenn Du schon einen Erfolg mit dem TEST-Pin hast. Gruß Sven
@Tobi: Und der POWERCTL-Pin ist auch nicht korrekt. Der muss auf HIGH also VCC, wenn der FTDI auf selfpowered konfiguriert wird. Gruß Sven
Hi aber laut datenblatt kann der RESET pin auf VCC gezogen werden wenn man ihn nicht braucht. Tobi
Bitte melde dich an um einen Beitrag zu schreiben. Anmeldung ist kostenlos und dauert nur eine Minute.
Bestehender Account
Schon ein Account bei Google/GoogleMail? Keine Anmeldung erforderlich!
Mit Google-Account einloggen
Mit Google-Account einloggen
Noch kein Account? Hier anmelden.

