malzeit meine dvdplayer hat den geist aufgegeben! cyberhome cd-dvd 462 zuerst war nur das display einfach nur dunkel ... seit gestern ging dann garnix mehr aufgeschraubt und die fehlerdiagnose war die kaputte netzteilplatine! mein erster blick fiel auf nen aufgeblähten elko, welcher sofort ersetzt wurde! kein effekt! jetz läuft der player mit nem pc-ntzteil mit +5V und +12V ... allerdings funktiniert das display nich mehr und die taster in der frontblende! kann das teil nur noch über fernbedienung bedienen! um das display zu betreiben müssen irgendwie noch -25V und ne hohe spannung mit hoher herzzahl erzeugt werden... dies kann das pcnetzteil leider nich :( kann mir da jemand helfen?
tausch mal den kleinen Elko neben dem IC, meist 47µ und ohne nennenswerte Kapazität. Danach läufts normalerweise wieder :-)
welchen denn genau? eventuell das bild im anhang anmalen g welche kapazität? 1µ oder 10µ ?
wie kommste denn auf 1µ? Setz die Kapazität wieder rein, die jetzt drin ist.
mir wurde doch grad gesagt, ich soll den tauschen gegen einen ohne große kapazität ?!?! hab bisher noch nix gemacht ...
hab jetz einfach mal nen andren 47er reingelötet... nix ^^ allerdings hat der palyer auch ne standby lampe, welche ebenfalls nicht leutet,wenn man die netzplatine nimmt! wenn ich das mit meiner pcnetzteil-version mach, leuchtet sie! auf der platine sind ja mehrere trafos... könn die kaputt sein!?# widerstände... gehn relativ selten kaputt. mfg
die Dingerchen verlieren gerne ihre Kapazität (Austrocknung, da ziemlich warm durch zu hohe Ripple-Ströme für Billigst-Elkos. Das Problem ist seit Jahren bekannt, dennoch wird er immer wieder gemacht. Eine kleine Drossel und/oder ein höherwertiger Elko würde das Problem lösen...
ne drossel anstelle des 47µ elkos? wie groß?hab nun ja nen neuen elko ausprobiert, aba trotzdem kein effekt!
Dann ist vielleicht der IC selbst im braunen Kanal, oder sogar ein Übertrager.
Man könnte es ja mal systematisch versuchen: Ist die Sicherung i.O. (nicht lachen, das ist mein Ernst) Mit TRENNTRAFO DAVOR!!! DAS DING IST GALVANISCH NICHT VOM NETZ GETRENNT Steht an dem großen Elko (Ladekondensator) die gleichgerichtete Netzspannung? Ist der Schalttransistor am Leben (auslöten, durchmessen) Haben die Widerstände noch ihre richtigen Werte (einseitig ablöten, messen) Wird der Schalttransistor vom IC angesteuert? MfG Paul
Um die Liste zu erweitern: Ist am Ausgang irgendeine Spannung auf der Sekundärseite vorhanden ? Falls ja, dann ist eine der Dioden defekt. Hört man ein Ticken im Trafo ? Falls ja, dann auch die Dioden überprüfen.
löt mal einfach par auf den grossen elko für 5V etwa 1000uf drauf...meist liegts an dem; polarität beachten! hatte aber auch schon völlig tote cyber462
@benedikt:
> Hört man ein Ticken im Trafo ?
Hmmm... ich hab auch ein kaputtes SCSI-Scanner-Netzteil zuhause das ich
gerne reparieren würde (momentan fehlt mir leider die Zeit)
Jedenfalls möchte ich das mit eurer Hilfe wieder in Ordnung bringen. Am
Ausgang habe ich so gut wie keine Spannung aber aus dem Trafo kommt eben
so ein ticken mit ca. 0,5 Hz. Auf was kann das hindeuten, bzw. was soll
ich überprüfen?
Schonmal Danke für Antworten!
Überprüf auf einen Kurzschluss auf der Sekundärseite (z.B. die Gleichrichterdiode). Es könnte aber auch dieser berühmte Elko sein, der weiter oben schon erwähnt wurde. Ober noch andere Fehler (z.B. ein kaputtes IC.)
[ich bin der Gast mit dem Scanner-Netzteil] Danke für die Antwort, benedikt! OK. Ich werd einfach alles Sekundärseitige einmal auslöten und überprüfen. Primär passt alles bis zum Kondensator (Spannung ist da) und auch eine Schaltfrequenz dürfte an den Schalter weitergehen. Mich hats nur gewundert, dass aus dem Trafo ein Ticken kommt. Ich warum beginnt ein Trafo zum Ticken? Und warum mit 0,5Hz? Aber egal, ich werd mir mal die Sekundärseite vornehmen und dann (wenn ich Zeit hab) einen ausführlicheren Thread aufmachen.
Der Trafo "tickt", weil die Sekundärspannung hochzulaufen beginnt, allerdings zieht ein defektes Bauelement auf der Sekundärseite einen zu hohen Strom. Daraufhin geht die Spannung sekundär wiedr in "die Knie". Der Vorgang geht dann von vorne wieder los. Das ist die Ursache des Tickens. MfG Paul
Genau. Das Design ist einfach und effektiv: In den Übertrager wird eine gewisse Menge Energie gepumpt. Anschließend fließt diese Energie über die Dioden in die Ausgangselkos. Wenn hier ein Kurzschluss vorhanden ist, ist der Strom begrenzt, da nur soviel Energie fließen kann, wie im Übertrager gespeichert ist. Die Steuerelektronik des Netzteils selbst, wird auch aus dem Übertrager versorgt. Wenn also ein Kurzschluss vorhanden ist, bekommt die Steuerelektronik keine Spannung, und schaltet ab. Um überhaupt mal starten zu können, wird die Steuerelektronik aus einem Elko versorgt, der über einen Widerstand aus den 300V der Netzspannung versorgt wird. Und die Ladezeit über diesen hochohmigen Widerstand ist dann das 0,1-5Hz Ticken. Wenn der Elko der über diesen Widerstand geladen wird schlecht ist, dann kann das Netzteil überhaupt nicht erst starten.
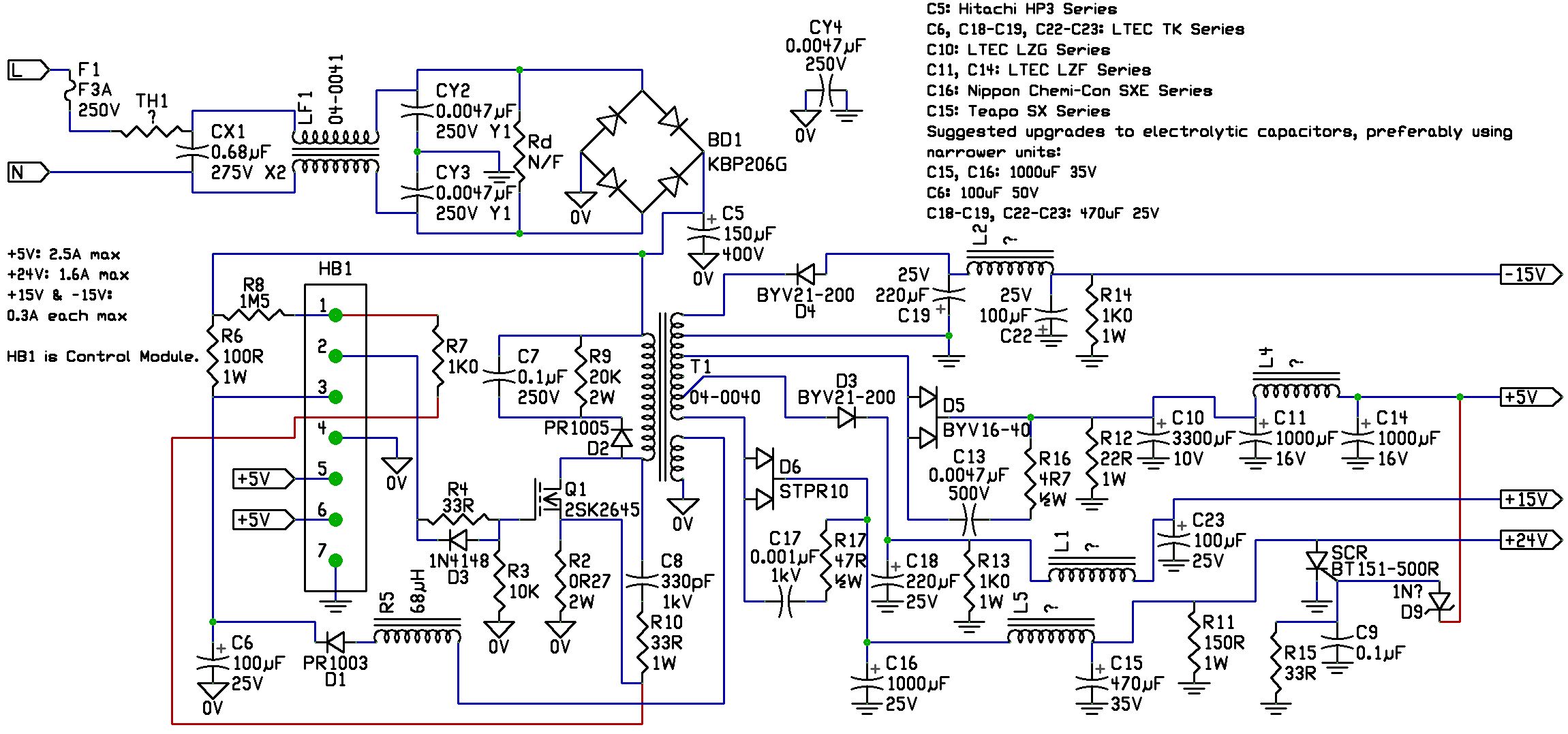
[Besitzer des SCSI-Scanner-Netzteils] Ahhhh... Ich glaub ich hab den Fehler gefunden! Ich hab das Teil komplett zerlegt und alle Bauteile soweit es ging durchgemessen. Den Schaltplan im Anhang hab ich im Netz gefunden. Es geht um R5 - eine Spule mit 68µH (Widerstandsbauform) - diese Versorgt ja den SMPS-Controller mit Strom, sobald dieser läuft. Die Spule hat allerdings einen Durchgangswiderstand von ca. 9MOhm (Ja richtig! Megaohm). Das kann irgendwie nicht passen ;-) Das würde dann auch das Ticken des Trafos erklären (Ladezeit bestimmt durch R6 und C6). @benedikt: es scheint doch kein Kurzer auf der Sekundärseite zu sein Frage nun an euch: die Induktivität dieser Spule ist nicht kritisch, oder? Ich hab hier ein paar in Widerstandsbauform herumliegen (ausgeschlachtet). Kann ich diese auch verwenden? Kennt jemand von euch einen Rechner für die Farbringe an Spulen? Vielen Dank für eure Antworten!
OK. Farbrechner für Spulen ist in der Wikipedia. Ich Depp! Da hätte ich früher draufkommen sollen. Die Frage, ob der Wert unkritisch ist, bleibt aber trotzdem!
wohl kein problem... so 50 .. 100 uh wirst ja was finden
Bitte melde dich an um einen Beitrag zu schreiben. Anmeldung ist kostenlos und dauert nur eine Minute.
Bestehender Account
Schon ein Account bei Google/GoogleMail? Keine Anmeldung erforderlich!
Mit Google-Account einloggen
Mit Google-Account einloggen
Noch kein Account? Hier anmelden.


