Hallo
Ich beschätige mich gerade mit dem Schieberegistertutorial und benutze
einen ATmega8-16PU. Als Schieberegister benutze ich ein M74HC595B1
von "ST".
Ich habe nun die Schaltung wie beschrieben gelötet und wollte das
Programm mal in den Controller laden. Wenn ich aber den Port 13("G") an
GND anschließe,erkennt der PC den Controller nicht mehr.
Ist es normal,dass wenn "G" auf GND liegt, auch SER,SCK,SCL,RCK auch auf
GND liegen?
Deshalb erkennt nämlich der PC auch den COntroller nicht mehr(weil
PORTB3=MOSI) auf GND liegt.
Weiss jemand,was ich falsch mache?
Gruß Michael
wegen Deines Schieberegistertutorials: Such mal unter "Ausgangserweiterung", ich denke, da gibts schon was. Ist vielleicht besser, dieses sinnvoll zu erweitern als ein Konkurrenztutorial zu verfassen.
>Ist es normal,dass wenn "G" auf GND liegt, auch SER,SCK,SCL,RCK auch auf >GND liegen? Höchstwahrscheinlich eine Lötbrücke. Mit "G" ist ja OutputEnable des '595 gemeint (kein Port!). Oder Du hast das Schieberegister geschlachtet.
hm wüsste nicht wie ichs geschlachtet haben sollte... Lötbrücken hab ich alle 4fach überprüft. Weiss noch jemand Rat? Gruß Michael
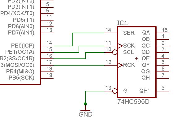
@ Michael D. (michael1988) >hm wüsste nicht wie ichs geschlachtet haben sollte... >Lötbrücken hab ich alle 4fach überprüft. >Weiss noch jemand Rat? Wenn G auf Masse gelegt wird darf es logischerweise nicht an den uC gehängt werden. Zeig doch mal deinen Schaltplan. MFG Falk
Also genau so hab ich es gelötet. Das Problem ist eben,dass Pin 17 beim AVR doppelt benutzt wird(als PORTB3 und als MOSI). Mache ich die Leitung von RCK nach PB3 weg,erkennt Yaap den Controller wieder. Naja,hoff mir kann jemand helfen. Gruß Michi
@ Michael D. (michael1988) >Also genau so hab ich es gelötet. Das Problem ist eben,dass Pin 17 beim >AVR doppelt benutzt wird(als PORTB3 und als MOSI). >Mache ich die Leitung von RCK nach PB3 weg,erkennt Yaap den Controller >wieder. Dann hast du einen Kurzschluss irgendwo. Denn das sind alles Eingänge, die beeinflussen den AVR nicht. Und G beieinflusst die Eingänge nicht. MfG Falk
Also wenn ich mit dem Widerstandsmesser überprüfe,ob G und SCK,SCL,SER oder RCK verbunden sind,kriege ich raus,dass sie es nicht sind. Lege ich aber G auf GND,habe ich zwischen SCK,SCL,SER,RCK und Vcc eine Spannung von ca. 4,2V. Habe die Schaltung 2mal gelötet,bei beiden kommt das gleiche heraus. Kann es sein,dass es daran liegt,dass ich statt dem 74HC595D einen M74HC595B1 verwende? Der Mann aus dem Elektronikladen meinte,dass sei egal? Gruß Michi
Solange man von links oben gegen den Uhrzeigersinn die Pins abzählt nicht
@ Michael D. (michael1988) >Solange man von links oben gegen den Uhrzeigersinn die Pins abzählt >nicht ??? Klingt nicht gut. Hast du denn dir mal das Datenblatt angeschaut? Dort steht alles nahezu idiotensicher drin. http://www.nxp.com/acrobat/datasheets/74HC_HCT595_4.pdf MFG Falk
Solange du das "richtige oben" nimmst! Im von Falk verlinktem Datenblatt ist der Chip (von OBEN drauf gesehen). Prüf das bitte mal nach! Hab ich auch shconmal ausversehen verwurstet gehabt grrr da ärgert man sich dann immer tod bis man den Fehler findet.
Danke,aber das Datenblatt hab ich mir natürlich schon angeschaut,bevor ich hier was ins Forum poste. Ja,ich denke,dass ich das "richtige" Oben verwendet habe... Trotzdem gehts immer noch nicht....
Einen 10poligen ISP-Programmer. Aber daran kann es wohl kaum liegen. Bisher ging jedes Programm des Tutorials.
Hast du auch daran gedacht, den '595 an die Betriebsspannung anzuschliessen? Bitte nicht einfach so darauf antworten, sondern auch (messtechnisch) überprüfen!!! Gruß, Magnetus
Bitte melde dich an um einen Beitrag zu schreiben. Anmeldung ist kostenlos und dauert nur eine Minute.
Bestehender Account
Schon ein Account bei Google/GoogleMail? Keine Anmeldung erforderlich!
Mit Google-Account einloggen
Mit Google-Account einloggen
Noch kein Account? Hier anmelden.
