Hallo! Ich habe mir bei pollin den 250g IC-Beutel gekauft und da waren unmengen von den Motorola MC68HC05 B6/8/16 µCs drin. Weiß jemand eine Programmerschaltung oder ein gutes Turolial für diese Quadrat-ICs? Sind diese überhaupt noch verwendbar? Vielen Dank
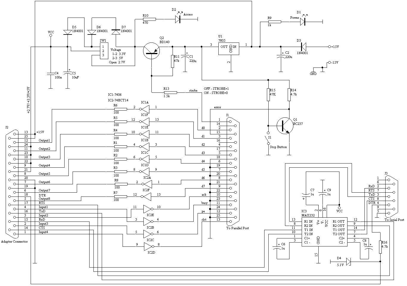
push hab passende Hardware u. Software gefunden: UPA22 von elrasoft.com kann mir jemand sagen ob folgende schaltung was taugt? Das Parallelinterface könnte man doch weglassen, da man zum prorgammieren eines MC68HC05 nur GND, RTS, TxD und RxD benötigt (Die anderen sind zum programmieren von PICs usw...) danke
1) Also, ich sehe da nur ein Interface für parallel/seriell... 2) Müssten das nicht MC68HC705Bxx sein? Das sind die OTP-Varianten. MC68HC05 sind imho maskenprogrammiert, sprich, nicht verwertbar... aber halt Datenblatt filzen. Ich habe mal was mit den MC68HC705P6A gemacht, aber dazu leider keinen Programmieralgorithmus gefunden - war aber nicht tragisch, da ich die Teile eh auf einem professionellen Programmierer gebrannt habe. Da das aber OTP-Teile sind, brauchen die auf jeden Fall Vpp (Programmierspannung) für das EPROM, das sehe ich bei der obigen Schaltung nicht. Sonst gucke mal bei Freescale (Mot-Nachfolger), ob Du da was zum Programmieralgorithmus der Bxx findest... und wenn es OTP-Typen sind, brauchst Du für jeden Test einen neuen... zum Entwickeln gab es bei dem MC68HC705P6A windowed version zum Löschen mit UV-Lampe. Außerdem sind die OTP-HC05 alle EOL.
68HC05C9 hat ein Eprom mit 15936x8, 68HC805C4 hat ein EEprom mit 4156x8. App Notes gibts bei Freescale. Wirklich interessant war IMO nur der 1468HC05E2 mit externem Adress/Datenbus, allerdings kann der nur 8K adressieren. juergen
also: Ich glaube mein MC68HC05B6 hat nur einen ROM zur verfügung. Jetzt weiß ich nicht ob pollin mir einen ganzen sack voll schon programmierter mCs geschickt hat?!? ja diese sind maskenprogrammiert... kann man da ncihts mehr in den ROM speichern? mr PS: was heiß OTP?
>ja diese sind maskenprogrammiert... kann man da ncihts mehr in den ROM >speichern? Kann man nicht mehr. Entsorgen. PS: was heiß OTP? One Time Programmable juergen
Bitte melde dich an um einen Beitrag zu schreiben. Anmeldung ist kostenlos und dauert nur eine Minute.
Bestehender Account
Schon ein Account bei Google/GoogleMail? Keine Anmeldung erforderlich!
Mit Google-Account einloggen
Mit Google-Account einloggen
Noch kein Account? Hier anmelden.
