Hallo, Ich plane grade einen Weichendekoder für Märklin Motorrola. Ich müsste den strom meines Atmega8 verstärken. Da eine weiche ca 10W verbracuht (16V AC). Ich steh nun vor der frage ob ich einen transistor oder ein relai benutzen soll??? Relais sind mit teilweise 1,50€/stück sehr teuer, und bei 4 ausgängen also 8 Stück lohnt sich der selbstbau dann fast schon nicht mehr. Transistoren sind aber irgendwie auch nicht so billig. Was gibt es für möglichkeiten die weichen billig und verschleisfrei zu schalten??? MfG Flashbanger
Nimm ein Reedrelais von Pollin (0,30€). Das kann ausreichend Strom schalten und benötigt zur Ansteuerung nur 5V und wenig Strom. Man kann es also direkt an die Ausgänge des Mega8 hängen (trotzdem bitte die Freilaufdiode nicht vergessen!). Reedrelais COTO 9000-0117 5 V-/500 , Schaltleistung 200 V-/1 A. RM 5. Maße (LxBxH): 19x5,1x7,5 mm. http://www.pollin.de/shop/detail.php?pg=NQ==&a=NzI2OTU2OTk= Gruß, Magnetus
...und stelle dich darauf ein, dass du dir bei derartigen Applikationen schnell mal Störimpulse einfängst, die dich als "Entwickler" schnell um einige Jahre altern lassen können ;)
Heute schaltet man Lasten doch eigentlich mit MOS-FETs?
mr.chip wrote:
> Heute schaltet man Lasten doch eigentlich mit MOS-FETs?
...16V Wechselspannung auch?
  > ...16V Wechselspannung auch?
Autsch...natürlich weniger :-) (Wobei es ja via Bulk-Anschluss an 
gewissen FETs doch möglich sein soll(?))
  Guido Fischer wrote: >> ...16V Wechselspannung auch? > > Ja, als PhotoMOS Relais in A Schaltung. PhotoMOS gäbe es bei Pollin zwar auch (Achtung: nur SMD!), aber nur mit 250mA Schaltleistung. Wobei ich ja bezweifle, dass die Erregerspule der Weiche wirklich 10W verbrät... http://www.pollin.de/shop/detail.php?pg=NQ==&a=NzI3OTU2OTk=
Naja die antriebe müssen nicht mit 16V AC geschaltet werden. ES würd auch mit 12V DC laufen. würd dann ein seperates netzteil für die weichen kaufen bzw. ich glaub ich hab noch eins. Das ganze soll wirklich verschleisfrei und vllt auch geräuschlos laufen. MfG Flashbanger
> Das ganze soll wirklich verschleisfrei und vllt auch geräuschlos laufen.
Die Reedrelais hörst du garantiert nicht, die Weiche leise zu bekommen 
dürfte jedoch eine Herausforderung werden grins
  Hallo, keine Ahnung, ob sich das geändert hat, aber Reed-Relais und induktive Lasten: Funkenlöschung (AC) oder Freilaufdiode (DC) nicht vergessen. Ich habe die Erfahrung, daß die Dinger gern verkleben oder verschweißen. Halbleiter war damals noch nicht Mode, übliche (billige) Kleinrelais machten keine Probleme. Gruß aus Berlin Michael
wie wär's mit Brückengleichrichter und Transistor im Gleichstromkreis? Das ganze kostet dann keine -,50€ Jürgen
Was haltet ihr vom ULN2803 kostet ca 40 ct. Hab's mal vom Open-DCC-Weichendekoder abgeschaut. MFG Flashbanger
Die einfachste Lösung ist es, die Weichen mit Gleichspannung zu betreiben und dann mit MOSFETs zu arbeiten. Kostet einmal einen größeren Brückengleichrichter und einen Elko und ansonsten pro Schaltstelle nur zwei kleine MOSFETs (einen pro Richtung), z.B. IRF7401.
@magnetus: Ich will ja nicht nörgeln, aber ein Reedrelais für induktive Lasten wäre mir etwas kritisch. Lt. Pollin ist die Angabe für DC. @flashbanger: Der ULN280x kann aber nur DC schalten. Selbst mit einem Brückengleichrichter dahinter geht nicht, weil alle Ausgänge denselben GND-Bezug haben. Warum nicht ein klassisches Kleinrelais nehmen? Es gibt von Matsushita/NAIS solche Teile, so breit wie DIP. 1,5€ ist aber schon ziemlich billig... Ansonsten, wie schon vorgeschlagen, was mit einem PhotoMOS mit nachgeschaltetem (SMD)Brückengleichrichter machen... oder normaler Optokoppler, Darlington und Brückengleichrichter; dürfte auch recht billig sein. Snubber nicht vergessen.
Michael U. wrote: > keine Ahnung, ob sich das geändert hat, aber Reed-Relais und induktive > Lasten: Funkenlöschung (AC) oder Freilaufdiode (DC) nicht vergessen. > Ich habe die Erfahrung, daß die Dinger gern verkleben oder verschweißen. Ich kann auch nur dringenst von Reed-Relais abraten, die Dinger kleben wie Sau. Sie sind nur für Kleinspannungen gut geeignet (wenige mV), da durch das Schutzgas keine Oxidschicht entsteht. Entweder normale Kleinrelais, Opto-MOS oder FETs an Gleichspannung. Die Gleichspannung muß nicht mal gesiebt sein, nur Graetzbrücke hinter die 16V~, fertich. Peter
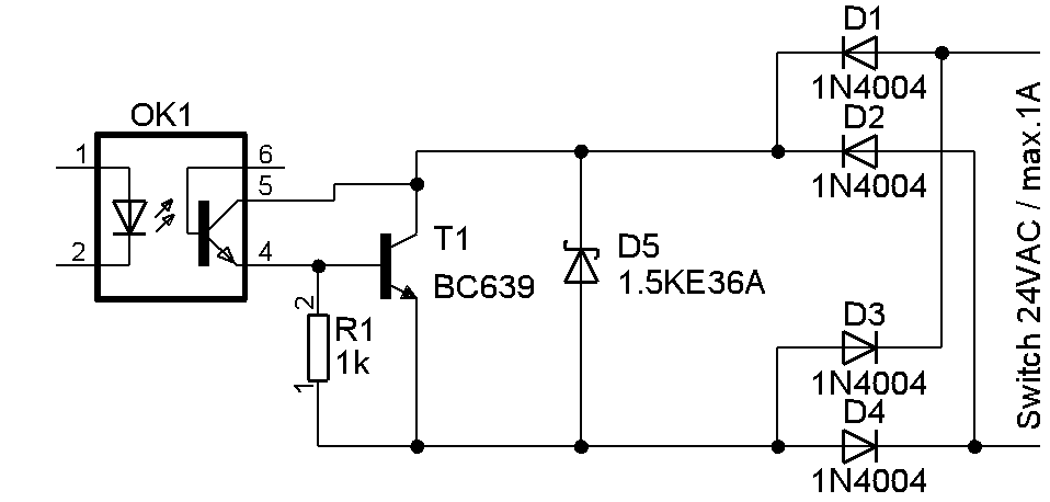
Sowas kannst Du auch machen. Der Brückengleichrichter und die Supressor können auch etwas kleiner ausfallen. Das Teil macht allerdings ca. 2V Spannungsverlust im Ein-Zustand. Ob das günstiger/kompakter ist, sei mal dahingestellt...
Für jeden Schaltweg so ein Monster? Als Einzelanwendung ist´s ja schick.
Ich würde die Weichen (wie oben schon beschrieben) einfach mit Gleichstrom schalten. Das wird die Spulen äußerst peripher tangieren... Hm - was mir gerade so einfällt: Ginge das nicht auch mit einem Triac, oder sind da die Spannungen zu klein? Es gibt Opto-Triacs bis 100mA (aus dem Gedächtnis heraus) in einem DIL-8, da hätte man auch eine galvanische Trennung und müßte sich um die Störungen der Spulen auf der µC-Seite nicht solche Gedanken machen.
Triac geht auch, alles eine Kostenfrage. Die OptoTriacs lassen entweder selbst genügend Strom zu (Datenblätter der einzelnen Typen checken) oder lassen sich an einen herkömmlichen Triac koppeln. Je nach Triac ist dabei mit wenigen 100mV bis zu einigen Volt Spannungsabfall zu rechnen.
@travelrec: Yep, sind schon ein paar Teile, aber eben alles Billigstbauteile. Wie ich schon sagte, muss man durchrechnen, ob das günstiger als die Relaislösung ist. Wenn die Weiche auch mit DC läuft (zu spät gelesen), kann der Br-Gleichrichter und die Supressor entfallen, Freilaufdiode an der Weiche reicht dann. TRIAC und OptoTRIAC dürfte imho teurer sein (und geht nur für AC)...
Also ich habe schon ein paar Weichendekoder gebaut ;-) , dabei haben wir auf den ULN2803 zurückgegriffen, der die an 18V Gleichspannung liegenden Weichen (jeweils 4 Stück) schaltet. Durch die eingebauten Freilaufdioden ist ein wirksamer Schutz vor Induktionsspannungen gleich mit dabei. In SMD sind die Teile schön klein. Der Controller begrenzt die Schltzeit der Einzel-Transistoren auf 300ms, so daß bei klemmenden Weichen kein Rauch aufsteigt. Das geht alles sehr schön und unkompliziert. Gleichspannung hat schon gewisse Vorteile, auch was die Verlegung der Spannungsführung für sonstige Elektronik unter der Platte angeht. Prinzipiell kommt man so mit einer Masse und 2 positiven Spannungen (Fahrstrom / Zubehör (Weichen)) aus. Das hängt allerdings auch vom verwendeten Bahn-System ab.
Für Magnetspulenantrieben ist die Geschichte erstmal klar. Ich verbaue aber motorische Antriebe, die ja bekanntlich entweder 'ne postive Spannung (Halbwelle) oder 'ne negative gegen Bezugspotenzial (GND) brauchen. Wenn ich jetzt Weichendecoder mit den ULN 2803 in den Ausgängen benutzen will, wie kann ich das ganze ohne! Relais dann lösen. Gibbets sowas wie "invertierende Darlington-Arrays" o.ä.?
Bitte melde dich an um einen Beitrag zu schreiben. Anmeldung ist kostenlos und dauert nur eine Minute.
  
  Bestehender Account
  
  
  
  Schon ein Account bei Google/GoogleMail? Keine Anmeldung erforderlich!
Mit Google-Account einloggen
Mit Google-Account einloggen
  Noch kein Account? Hier anmelden.


 Thread beobachten
 Thread beobachten Seitenaufteilung abschalten
 Seitenaufteilung abschalten