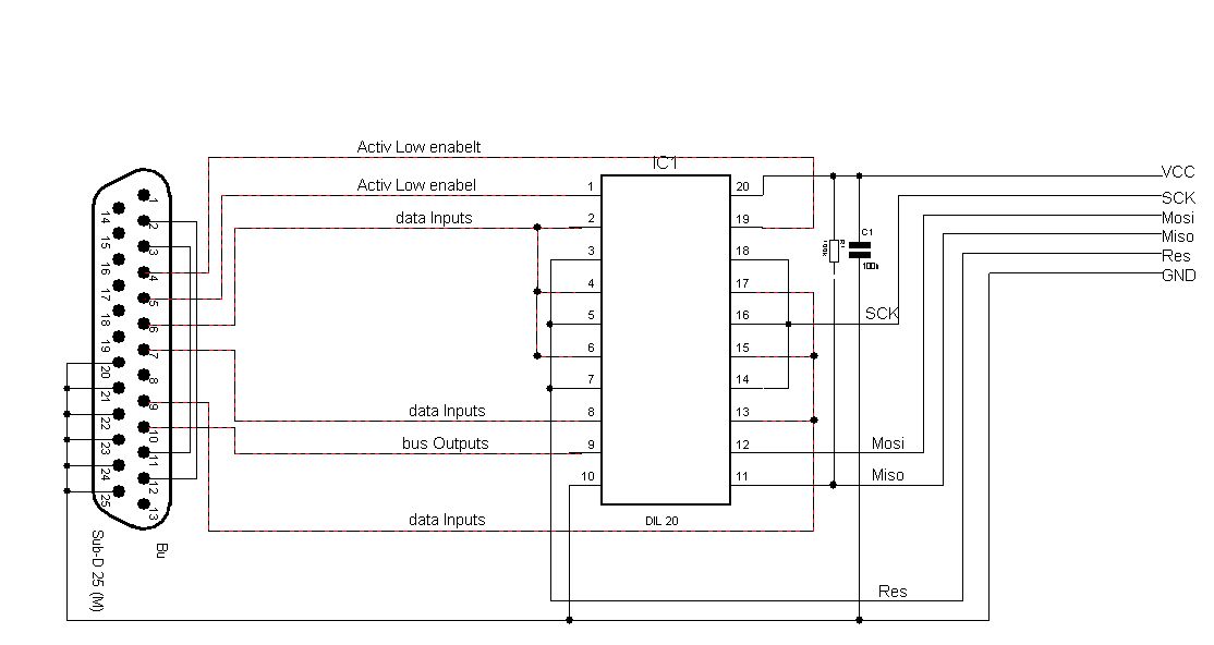
Hallo, Ich habe mir (siehe bild) meine eigene Prog Adapter Schaltung aufgebaut. Ist eigentlich genau die gleiche wie auf http://rumil.de/hardware/avrisp.html Nur das meine Schnittstelle zur Haupt Platine (Atmel 8535) anders ist. Meine Frage wofür brauche ich dort die Bat Diode?(http://rumil.de/hardware/pics/avrisp10-sch.png) Ist die für meine Schaltung auch notwendig? mfg Mirko
moin kann zwar net so recht die diode erkennen aber da es ja dierkt an der parallen schnittstelle ist u. die =+/-12führen kann
> kann zwar net so recht die diode erkennen aber da es ja dierkt an der > parallen schnittstelle ist u. die =+/-12führen kann Das mit den 12V ist wohl eher die serielle Schnittstelle.
also kann ich die ruhig weglassen... wenn mein Stecker sowieso nur in eine Richtung passt?!
Wenn du dir absolut sicher bist, dass du niemalsnie den Stecker falschherum austeckst, kannst du sie weglassen. Aber eigentlich ist das nicht zu empfehlen. Wenn du den Stecker dann nämlich doch mal falschherum aufsteckst, wird möglicherweise n bisschen was unter die Raucher gehn...
Bitte melde dich an um einen Beitrag zu schreiben. Anmeldung ist kostenlos und dauert nur eine Minute.
Bestehender Account
Schon ein Account bei Google/GoogleMail? Keine Anmeldung erforderlich!
Mit Google-Account einloggen
Mit Google-Account einloggen
Noch kein Account? Hier anmelden.
