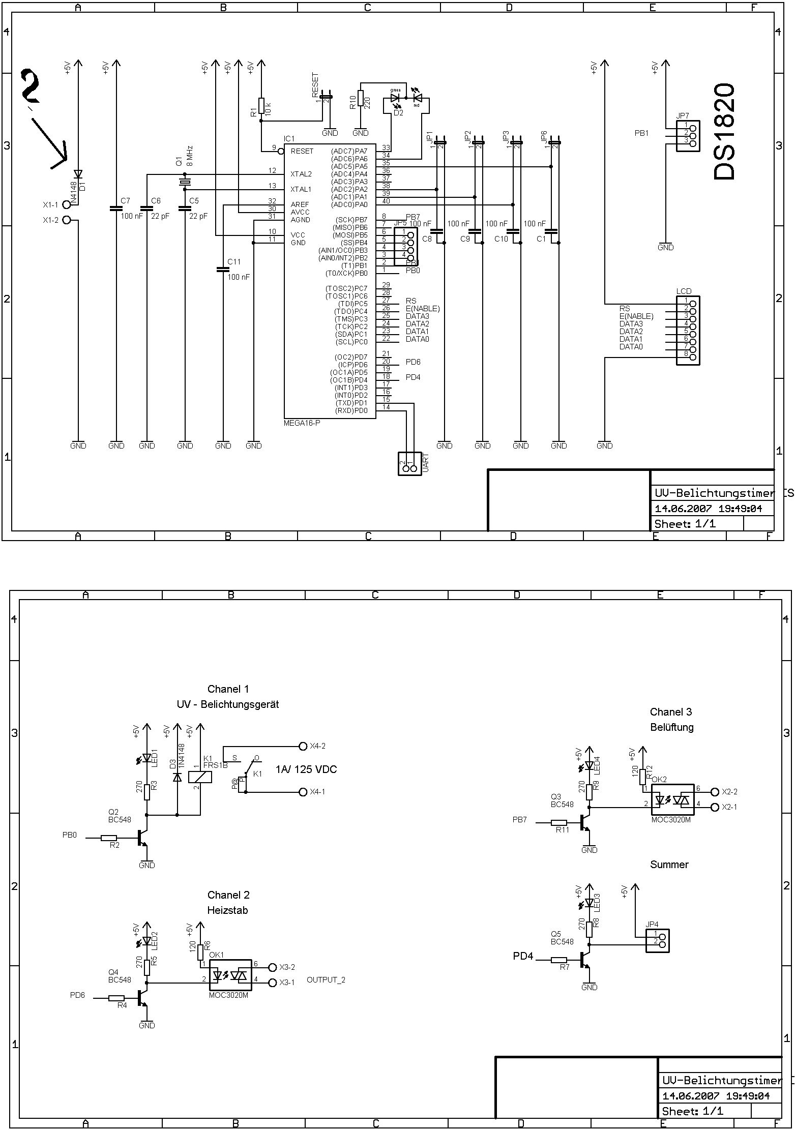
Hallo, Ich habe folgendes Problem: Ich habe die Schaltung (siehe Anhang) auf die Platine gebraucht. Das Layout ist einwandfrei. Lege ich nun Spannung U_betrieb = 5 V an, so schalten alle Ausgänge wie im Programm vorgesehen durch, d.h. das Board ist heile und funktioniert. Ich schließe nun auch das Display an. Ich initiallisiere das Display (auf dem testboard funktioniert das auch) und gebe ein "Hallo world" aus. Bei dem Test in meiner Schaltung sehe ich aber kaum etwas, also kein Hallo ... die Kontrasspannung stimmt. Überbrücke ich nun die Diode 1N4148, dann sehe ich es. Kann es sein, dass an der Diode so viel "Spannung" abfällt, dass das Display nicht mehr geht, aber der Controller ? Sind eigentlich doch nur etwa 0,7 V?
Wenn X1 dein Anschluss für die Stromversorgung ist, dann ist die Diode verkehrt herum drin.
An X1-1 schließe ich VCC an und an X1-2 GND, dann passt es.
Timo wrote:
> An X1-1 schließe ich VCC an und an X1-2 GND, dann passt es.
Ist X1-1 / X1-2 deine Hauptstromversorgung der ganzen Schaltung?
Dann ist die Diode verkehrt herum.
Wird an X1-1 / X1-2 dein LCD mit seinen Versorgungspins angeschlossen,
dann passt die Durchlassrichtung der Diode.
Also: Was ist es nun?
Karl heinz Buchegger wrote: > Timo wrote: >> An X1-1 schließe ich VCC an und an X1-2 GND, dann passt es. > > Ist X1-1 / X1-2 deine Hauptstromversorgung der ganzen Schaltung? > Dann ist die Diode verkehrt herum. > > > Wird an X1-1 / X1-2 dein LCD mit seinen Versorgungspins angeschlossen, > dann passt die Durchlassrichtung der Diode. > > > Also: Was ist es nun? Quatsch: Gerade gesehen. Dein LCD wird ja an einem anderen Stecker komplett (mit Stromversorung) angeschlossen, also kann X1-1/x1-2 nur die Hauptsromversorgung sein. Ergo ist die Diode falsch herum.
Hatte meinen Beitrag nochmal zurueckgezogen... der Diodentyp passt schon ;) Wenn Du sie jetzt noch richtig herum einsetzt ist alles klar.
Also ich nehme ein Netzgerät, schließe X1-1 an +5V und X1-2 an GND des Netzgerätes. Nun ist meine Schaltung mit Spannung versorgt. Das Display wird über die selben Pins mit Spannung versorgt. Es hängt (wie man am Schaltplan sieht) an +5V und GND. Die Diode ist doch in Durchlassrichtung eingesetzt, daran kann es dooch nicht liegen(immerhin wird der Controller ja mit Spannung versorgt .. also ist die Diode richtig herum).
Nehme alles zurück. Löte die Diode grad um.
Der Pfeil gibt bei der Diode quasi die Durchlassrichtung an... ;)
Wie ist eigentlich die maximale Stromaufnahme der Schaltung. Die 1N4148 verträgt nur 200mA. > Der Pfeil gibt bei der Diode quasi die Durchlassrichtung an... ;) Das ist historisch bedingt. Früher ging man mal davon aus, daß der Strom von Plus nach Minus fließt.
Bitte melde dich an um einen Beitrag zu schreiben. Anmeldung ist kostenlos und dauert nur eine Minute.
Bestehender Account
Schon ein Account bei Google/GoogleMail? Keine Anmeldung erforderlich!
Mit Google-Account einloggen
Mit Google-Account einloggen
Noch kein Account? Hier anmelden.
